Cruze
   
GMDE Start Page Load static TOC Load dynamic TOC Help?
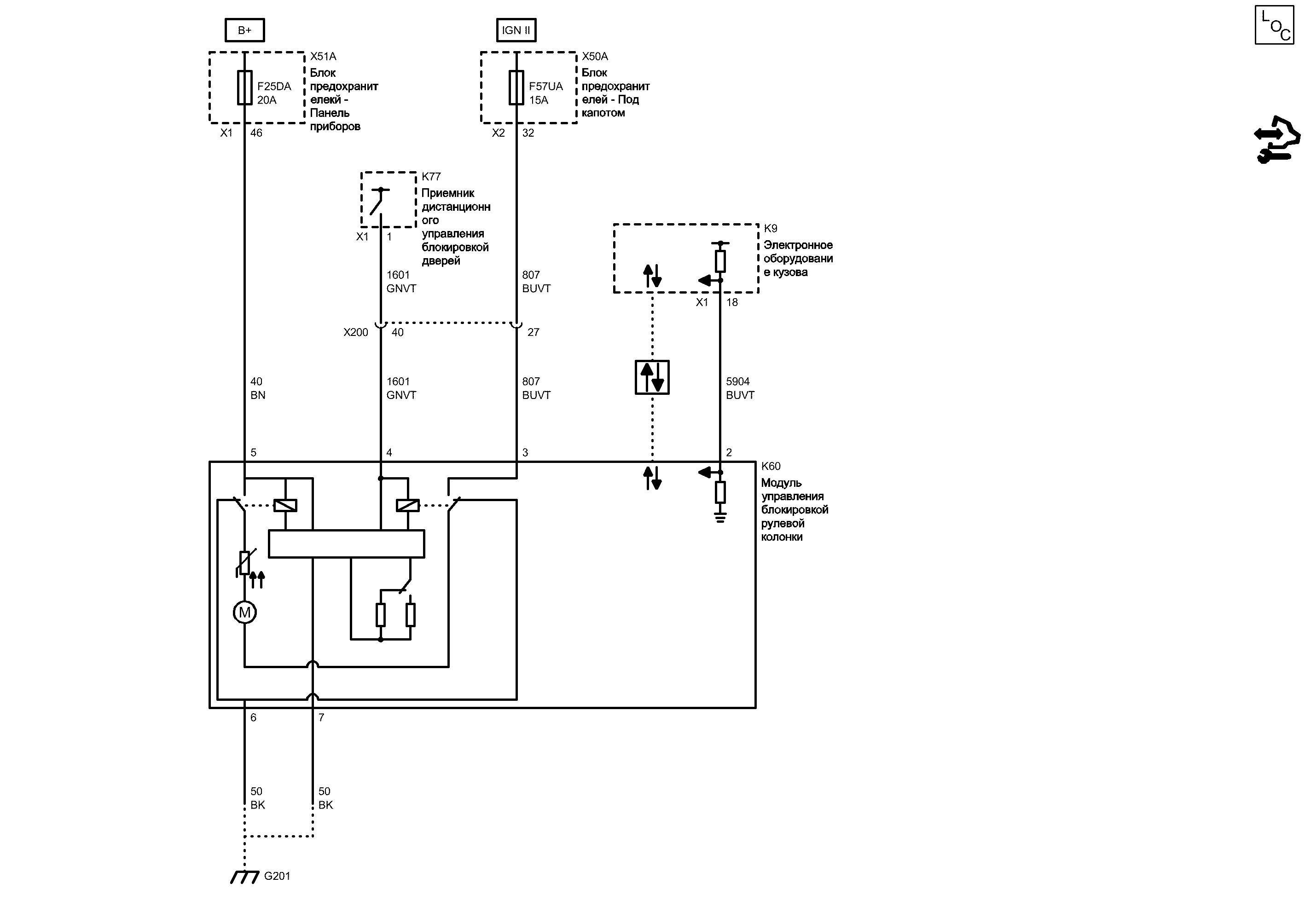
Замок блокировки колонки


            |                         |            
2203251RU.png


Display graphic

Display graphic

Компоненты
f25daПредохранительk77Приемник дистанционного управления блокировкой дверей
f57uaПредохранительx50aБлок предохранителей - Под капотом
k9Электронное оборудование кузоваx51aБлок предохранителекй - Панель приборов
k60Модуль управления блокировкой рулевой колонки
Разъемы
k9 (x1)Электронное оборудование кузова x1x51a (x1)Блок предохранителекй - Панель приборов x1
k77 (x1)Приемник дистанционного управления блокировкой дверей x1x200Жгут проводов кузова и жгут проводов панели приборов
x50a (x2)Блок предохранителей - Под капотом x2
Точки соединения с массой
g201Поперечина, панель приборов, слева
Сокращения
b+Вывод b+lscanНизкоскоростная шина can
ign iiВыключатель зажигания - движение
Цветовые коды
bkЧерныйbuvtСиний-Фиолетовый
bnКоричневыйgnvtЗеленый-Фиолетовый
Масса
BK Черный
BK Черный
7
6
G201 Поперечина, панель приборов, слева

Расположение деталей (узлов) Трехмерная схема жгутов
Внешний вид разъема и ремонт
Электрическая схема G201
5
Положительное напряжение аккумуляторной батареи
BN Коричневый
F25DA Предохранитель

Электрическая схема Дерево Предохранители F14DA, F15DA, F16DA, F17DA, F21DA, F22DA, F23DA, F24DA и F25DA
Электрическая схема Питание Шина B+ IEC (1 из 3)
46
X1 Блок предохранителекй - Панель приборов X1
Вывод B+
Низкоскоростная шина CAN
3
27
F57UA Предохранитель

Электрическая схема Дерево Предохранители F5UA, F54UA и F57UA
Электрическая схема Питание Шина B+ UEC (1 из 6)
32
X2 Блок предохранителей - Под капотом X2

Внешний вид разъема и ремонт
Выключатель зажигания - движение
Сигнал статуса блокирования рулевой колонки
BUVT Синий-Фиолетовый
2
18
X1 Электронное оборудование кузова X1

Расположение деталей (узлов) Трехмерная схема жгутов
4
X200 Жгут проводов кузова и жгут проводов панели приборов

Расположение деталей (узлов) Трехмерная схема жгутов
Внешний вид разъема и ремонт Вилка
Внешний вид разъема и ремонт Гнездо
40
Сигнал блокирования рулевой колонки
GNVT Зеленый-Фиолетовый
1
X1 Приемник дистанционного управления блокировкой дверей X1

Расположение деталей (узлов) Трехмерная схема жгутов
Внешний вид разъема и ремонт
GNVT Зеленый-Фиолетовый
Напряжение питания вспомогательных устройств - ВЫКЛ
BUVT Синий-Фиолетовый
Сигнал
Последовательные данные
Последовательные данные
K77 Приемник дистанционного управления блокировкой дверей

Расположение деталей (узлов) Трехмерная схема жгутов
X50A Блок предохранителей - Под капотом

Расположение деталей (узлов) Трехмерная схема жгутов
K60 Модуль управления блокировкой рулевой колонки

Внешний вид разъема и ремонт
K9 Электронное оборудование кузова

Расположение деталей (узлов) Трехмерная схема жгутов
X51A Блок предохранителекй - Панель приборов

Расположение деталей (узлов) Трехмерная схема жгутов
Управление
Сигнал
BUVT Синий-Фиолетовый
Справочные данные по контроллерам

Справочные данные по контроллерам
Перечень основных электрических компонентов

Перечень основных электрических компонентов
   


https://vnx.su/ 🛠 Руководства по ремонту и эксплуатации для автомобилей

Поиск по сайту

Остались вопросы или пожелания? Пишите на почту: support@vnx.su

Карта Сайта