Cruze
   
GMDE Start Page Load static TOC Load dynamic TOC Help?
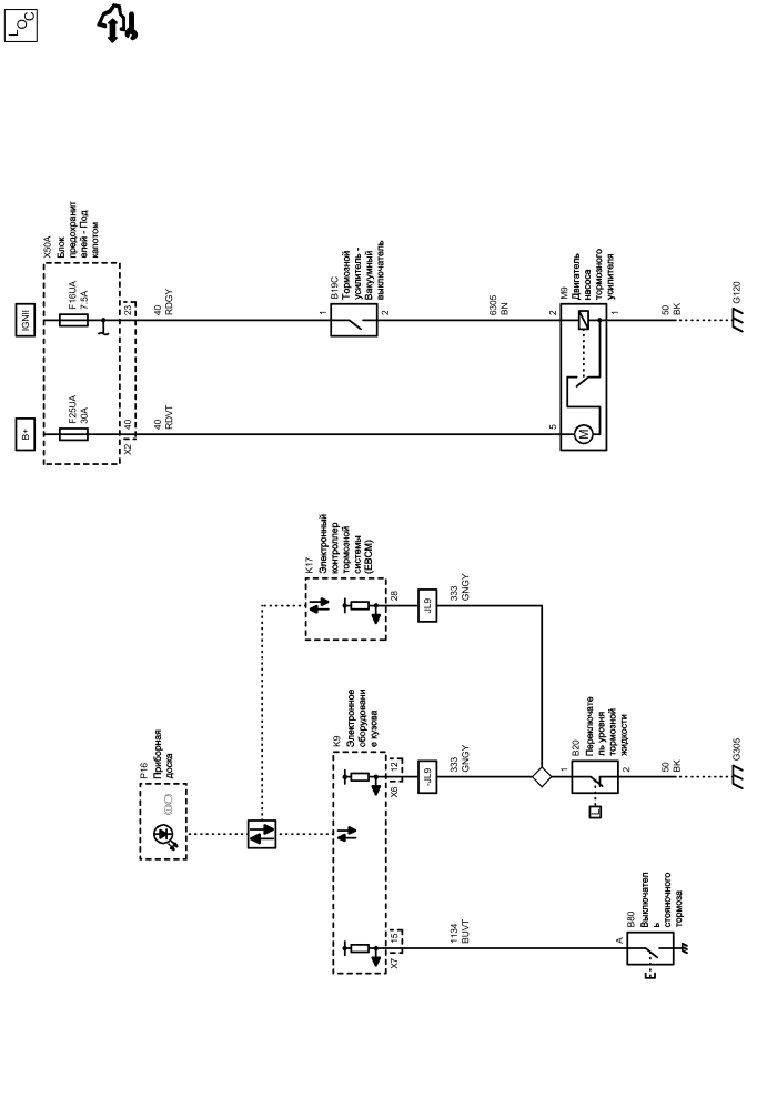
Индикатор стояночного тормоза и тормозной жидкости


            |                         |            
2202862RU.png


Display graphic

Display graphic

Компоненты
b19cТормозной усилитель - Вакуумный выключательk9Электронное оборудование кузова
b20Переключатель уровня тормозной жидкостиk17Электронный контроллер тормозной системы (ЕВСМ)
b80Выключатель стояночного тормозаm9Двигатель насоса тормозного усилителя
f16uaПредохранительp16Приборная доска
f25uaПредохранительx50aБлок предохранителей - Под капотом
Разъемы
k9 (x6)Электронное оборудование кузова x6x50a (x2)Блок предохранителей - Под капотом x2
k9 (x7)Электронное оборудование кузова x7
Точки соединения с массой
g120Моторный отсек - Передняя часть, слеваg305Передняя стойка, левая
Сокращения
b+Вывод b+jl9ТОРМОЗНАЯ СИСТЕМА С МЕХАНИЧЕСКИМ ПРИВОДОМ, ПЕРЕДН. И ЗАДН. ДИСКИ, АНТИБЛОКИРОВКА, ПЕРЕДН. И ЗАДН. КОЛЕСА
fsdcФункциональный обмен последовательными данными-jl9БЕЗ ТОРМОЗНОЙЯ СИСТЕМЫ С МЕХАНИЧЕСКИМ ПРИВОДОМ, ПЕРЕДН. И ЗАДН. ДИСКИ, АНТИБЛОКИРОВКА, ПЕРЕДН. И ЗАДН. КОЛЕСА
igniiВыключатель зажигания - движение/запуск
Цветовые коды
bkЧерныйgngyЗеленый-Серый
bnКоричневыйrdgyКрасный-Серый
buvtСиний-ФиолетовыйrdvtКрасный-Фиолетовый
Функциональный обмен последовательными данными
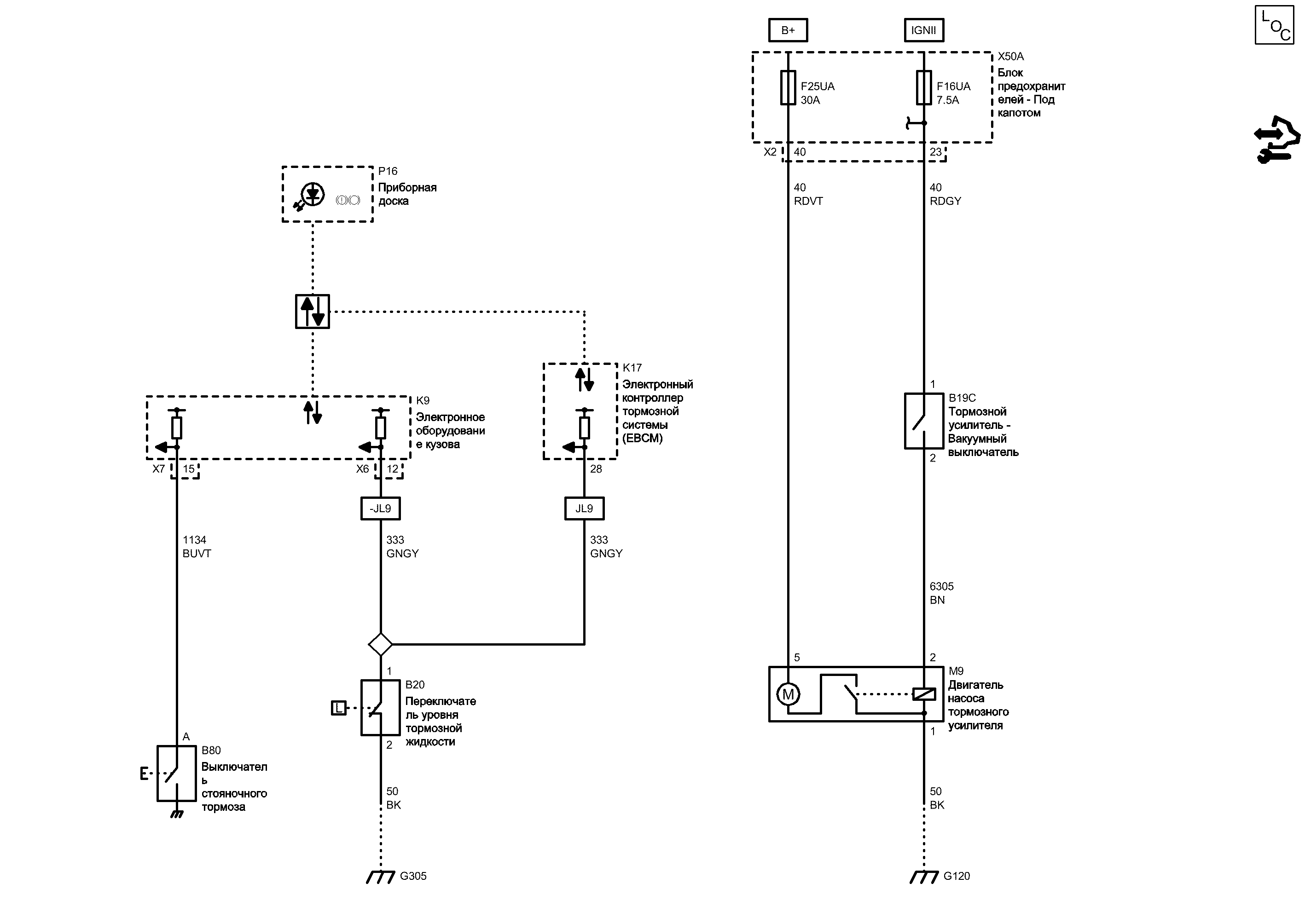
A
Сигнал выключателя стояночного тормоза
BUVT Синий-Фиолетовый
2
1
Сигнал датчика уровня тормозной жидкости
G305 Передняя стойка, левая

Расположение деталей (узлов) Трехмерная схема жгутов
Внешний вид разъема и ремонт
Электрическая схема G305
Масса
BK Черный
X7 Электронное оборудование кузова X7

Расположение деталей (узлов) Трехмерная схема жгутов
15
X6 Электронное оборудование кузова X6

Расположение деталей (узлов) Трехмерная схема жгутов
12
Сигнал
Сигнал
БЕЗ ТОРМОЗНОЙЯ СИСТЕМЫ С МЕХАНИЧЕСКИМ ПРИВОДОМ, ПЕРЕДН. И ЗАДН. ДИСКИ, АНТИБЛОКИ...
GNGY Зеленый-Серый
ТОРМОЗНАЯ СИСТЕМА С МЕХАНИЧЕСКИМ ПРИВОДОМ, ПЕРЕДН. И ЗАДН. ДИСКИ, АНТИБЛОКИРОВКА...
GNGY Зеленый-Серый
28
Сигнал
K17 Электронный контроллер тормозной системы (ЕВСМ)

Расположение деталей (узлов) Трехмерная схема жгутов
Внешний вид разъема и ремонт
B20 Переключатель уровня тормозной жидкости

Расположение деталей (узлов) Трехмерная схема жгутов ДИЗЕЛЬНЫЙ ДВИГАТЕЛЬ, 4 ЦИЛ., L4, 2.0 Л, CRI, SOHC, ТУРБО, 110 кВт
Расположение деталей (узлов) Трехмерная схема жгутов ДВИГАТЕЛЬ БЕНЗИНОВЫЙ, 4 ЦИЛ., 1.8 Л, MFI, 103 КВТ, DOHC ДВИГАТЕЛЬ БЕНЗИНОВЫЙ, 4 ЦИЛ., 1.6 Л, MFI, DOHC, PT-JV, РЕГУЛИРУЕМЫЕ ФАЗЫ РАСПРЕДВАЛОВ AFT, ДЕАКТИВИЗАЦИЯ ПОРТА ГАЗОВЫЙ ДВИГАТЕЛЬ, 4 ЦИЛ., 1.6 Л, MFI, DOHC, PT-JV, РАСПРЕДВАЛ С ИЗМЕНЯЕМЫМ ФАЗИРОВАНИЕМ, 82 кВт
Внешний вид разъема и ремонт
B80 Выключатель стояночного тормоза

Расположение деталей (узлов) Трехмерная схема жгутов
Внешний вид разъема и ремонт
K9 Электронное оборудование кузова

Расположение деталей (узлов) Трехмерная схема жгутов
P16 Приборная доска
Последовательные данные
Последовательные данные
X2 Блок предохранителей - Под капотом X2

Внешний вид разъема и ремонт
Выключатель зажигания - движение/запуск
Вывод B+
F25UA Предохранитель
40
F16UA Предохранитель

Электрическая схема Дерево Предохранители F13UA, F16UA, F17UA, F18UA, F20UA, F52UA и F53UA
Электрическая схема Питание Шина B+ UEC (1 из 6)
23
X50A Блок предохранителей - Под капотом

Расположение деталей (узлов) Трехмерная схема жгутов
2
Сигнал вакуумного выключателя тормозного усилителя
BN Коричневый
Положительное напряжение аккумуляторной батареи
RDVT Красный-Фиолетовый
B19C Тормозной усилитель - Вакуумный выключатель

Расположение деталей (узлов) Трехмерная схема жгутов ДВИГАТЕЛЬ БЕНЗИНОВЫЙ, 4 ЦИЛ., 1.8 Л, MFI, 103 КВТ, DOHC ДВИГАТЕЛЬ БЕНЗИНОВЫЙ, 4 ЦИЛ., 1.6 Л, MFI, DOHC, PT-JV, РЕГУЛИРУЕМЫЕ ФАЗЫ РАСПРЕДВАЛОВ AFT, ДЕАКТИВИЗАЦИЯ ПОРТА ГАЗОВЫЙ ДВИГАТЕЛЬ, 4 ЦИЛ., 1.6 Л, MFI, DOHC, PT-JV, РАСПРЕДВАЛ С ИЗМЕНЯЕМЫМ ФАЗИРОВАНИЕМ, 82 кВт
Внешний вид разъема и ремонт
1
G120 Моторный отсек - Передняя часть, слева

Электрическая схема G120 и G307
Масса
BK Черный
M9 Двигатель насоса тормозного усилителя

Расположение деталей (узлов) Трехмерная схема жгутов
Внешний вид разъема и ремонт
5
1
2
Положительное напряжение аккумуляторной батареи
RDGY Красный-Серый
Справочные данные по контроллерам

Справочные данные по контроллерам
Перечень основных электрических компонентов

Перечень основных электрических компонентов
   


https://vnx.su/ 🛠 Руководства по ремонту и эксплуатации для автомобилей

Поиск по сайту

Остались вопросы или пожелания? Пишите на почту: support@vnx.su

Карта Сайта