Cruze
   
GMDE Start Page Load static TOC Load dynamic TOC Help?
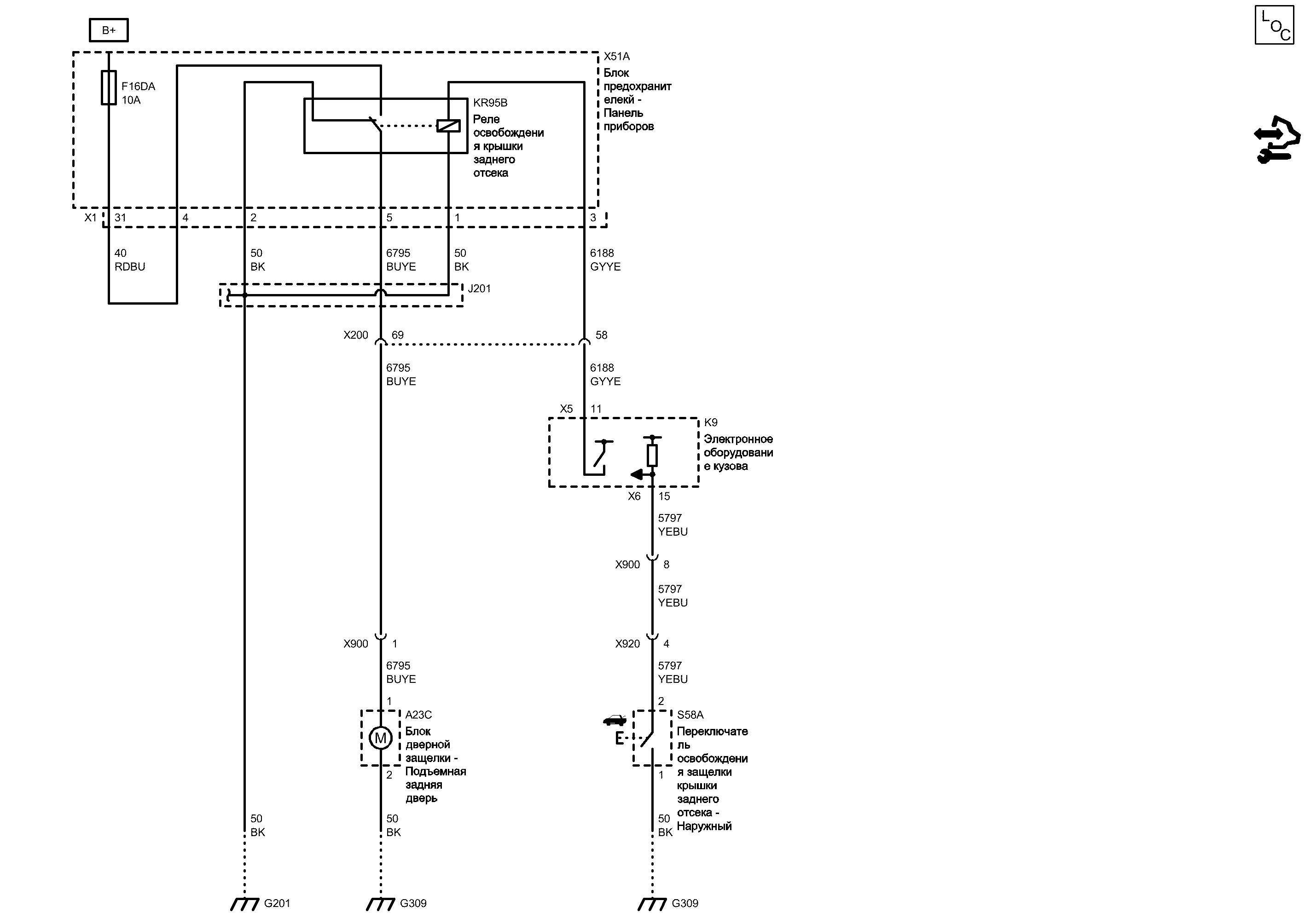
Освобождение фиксатора багажника/подъемной задней двери


            |                         |            
2202856RU.png


Display graphic

Display graphic

Компоненты
a23cБлок дверной защелки - Подъемная задняя дверьkr95bРеле освобождения крышки заднего отсека
f16daПредохранительs58aПереключатель освобождения защелки крышки заднего отсека - Наружный
k9Электронное оборудование кузоваx51aБлок предохранителекй - Панель приборов
Разъемы
j201Жгут проводов панели приборовx200Жгут проводов кузова и жгут проводов панели приборов
k9 (x5)Электронное оборудование кузова x5x900Жгут проводов кузова и жгут проводов подъемной задней двери
k9 (x6)Электронное оборудование кузова x6x920Жгут проводов подъемной задней двери и жгут проводов лампы подсветки номерного знака
x51a (x1)Блок предохранителекй - Панель приборов x1
Точки соединения с массой
g201Поперечина, панель приборов, слеваg309Задняя панель, левая
Сокращения
b+Вывод b+
Цветовые коды
bkЧерныйrdbuКрасный-Синий
buyeСиний-ЖелтыйyebuЖелтый-Синий
gyyeСерый-Желтый
2
1
G309 Задняя панель, левая

Расположение деталей (узлов) Трехмерная схема жгутов
Внешний вид разъема и ремонт
Электрическая схема G309
X900 Жгут проводов кузова и жгут проводов подъемной задней двери

Расположение деталей (узлов) Трехмерная схема жгутов СТРАНЫ - СЕВЕРНАЯ АМЕРИКА
Расположение деталей (узлов) Трехмерная схема жгутов СТРАНЫ - КРОМЕ СЕВЕРНОЙ АМЕРИКИ
Внешний вид разъема и ремонт Вилка
Внешний вид разъема и ремонт Гнездо
1
X200 Жгут проводов кузова и жгут проводов панели приборов

Расположение деталей (узлов) Трехмерная схема жгутов
Внешний вид разъема и ремонт Вилка
Внешний вид разъема и ремонт Гнездо
69
Сигнал 2 отпирания для двигателя подъемного стекла/багажника
BUYE Синий-Желтый
5
X1 Блок предохранителекй - Панель приборов X1
2
1
Масса
BK Черный
BK Черный
G201 Поперечина, панель приборов, слева

Расположение деталей (узлов) Трехмерная схема жгутов
Внешний вид разъема и ремонт
Электрическая схема G201
Вывод B+
F16DA Предохранитель

Электрическая схема Дерево Предохранители F14DA, F15DA, F16DA, F17DA, F21DA, F22DA, F23DA, F24DA и F25DA
Электрическая схема Питание Шина B+ IEC (1 из 3)
31
Положительное напряжение аккумуляторной батареи
RDBU Красный-Синий
4
3
Сигнал для двигателя отпирания подъемного стекла/багажника
GYYE Серый-Желтый
58
11
X5 Электронное оборудование кузова X5

Расположение деталей (узлов) Трехмерная схема жгутов
BUYE Синий-Желтый
BUYE Синий-Желтый
Масса
BK Черный
J201 Жгут проводов панели приборов
BK Черный
1
2
Масса
BK Черный
G309 Задняя панель, левая

Расположение деталей (узлов) Трехмерная схема жгутов
Внешний вид разъема и ремонт
Электрическая схема G309
X920 Жгут проводов подъемной задней двери и жгут проводов лампы подсветки номерн...

Расположение деталей (узлов) Трехмерная схема жгутов СТРАНЫ - СЕВЕРНАЯ АМЕРИКА
Расположение деталей (узлов) Трехмерная схема жгутов СТРАНЫ - КРОМЕ СЕВЕРНОЙ АМЕРИКИ
Внешний вид разъема Гнездо
Внешний вид разъема и ремонт Вилка
4
15
X6 Электронное оборудование кузова X6

Расположение деталей (узлов) Трехмерная схема жгутов
Сигнал
S58A Переключатель освобождения защелки крышки заднего отсека - Наружный
K9 Электронное оборудование кузова

Расположение деталей (узлов) Трехмерная схема жгутов
KR95B Реле освобождения крышки заднего отсека
X51A Блок предохранителекй - Панель приборов

Расположение деталей (узлов) Трехмерная схема жгутов
A23C Блок дверной защелки - Подъемная задняя дверь

Расположение деталей (узлов) Трехмерная схема жгутов
Внешний вид разъема и ремонт
Сигнал открытия переключателя ручки заднего замка
YEBU Желтый-Синий
Управление
GYYE Серый-Желтый
YEBU Желтый-Синий
X900 Жгут проводов кузова и жгут проводов подъемной задней двери

Расположение деталей (узлов) Трехмерная схема жгутов СТРАНЫ - СЕВЕРНАЯ АМЕРИКА
Расположение деталей (узлов) Трехмерная схема жгутов СТРАНЫ - КРОМЕ СЕВЕРНОЙ АМЕРИКИ
Внешний вид разъема и ремонт Вилка
Внешний вид разъема и ремонт Гнездо
8
YEBU Желтый-Синий
Справочные данные по контроллерам

Справочные данные по контроллерам
Перечень основных электрических компонентов

Перечень основных электрических компонентов
   


https://vnx.su/ 🛠 Руководства по ремонту и эксплуатации для автомобилей

Поиск по сайту

Остались вопросы или пожелания? Пишите на почту: support@vnx.su

Карта Сайта