Cruze
   
GMDE Start Page Load static TOC Load dynamic TOC Help?
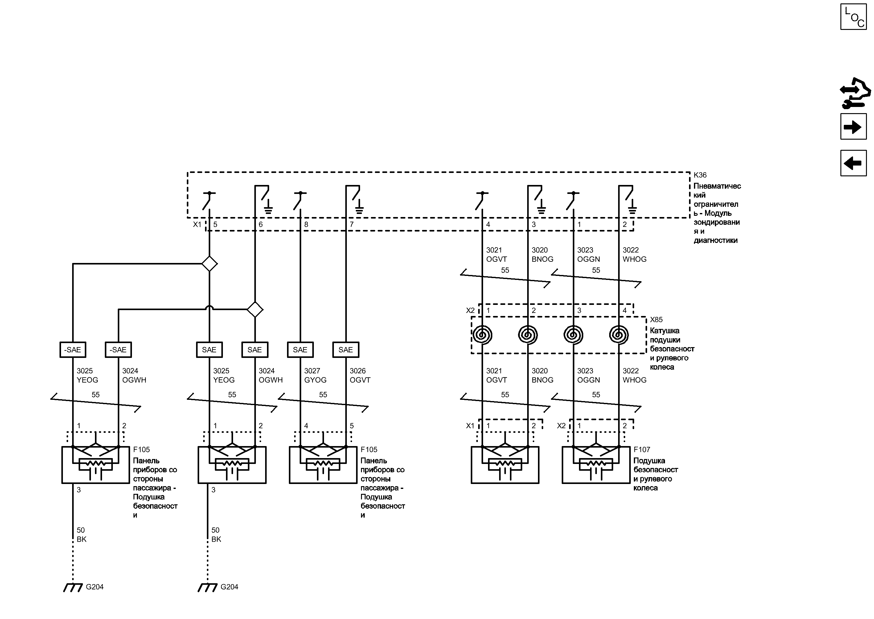
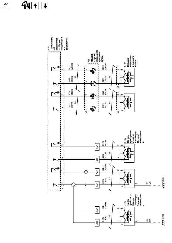
Модули лобового столкновения


            |                         |            
2203211RU.png


Display graphic

Display graphic

Компоненты
f105Панель приборов со стороны пассажира - Подушка безопасностиk36Пневматический ограничитель - Модуль зондирования и диагностики
f107Подушка безопасности рулевого колесаx85Катушка подушки безопасности рулевого колеса
Разъемы
f107 (x1)Подушка безопасности рулевого колеса x1k36 (x1)Пневматический ограничитель - Модуль зондирования и диагностики x1
f107 (x2)Подушка безопасности рулевого колеса x2x85 (x2)Катушка подушки безопасности рулевого колеса x2
Точки соединения с массой
g204Поперечина, панель приборов - справа
Сокращения
saeСТРАНЫ - СЕВЕРНАЯ АМЕРИКА-saeСТРАНЫ - КРОМЕ СЕВЕРНОЙ АМЕРИКИ
Цветовые коды
bkЧерныйogvtОранжевый-Фиолетовый
bnogКоричневый-ОранжевыйogwhОранжевый-Белый
gyogСерый-ОранжевыйwhogБелый-Оранжевый
oggnОранжевый-ЗеленыйyeogЖелтый-Оранжевый
4
3
1
2
1
2
1
2
5
6
8
7
X1 Пневматический ограничитель - Модуль зондирования и диагностики X1

Расположение деталей (узлов) Трехмерная схема жгутов
Внешний вид разъема и ремонт
Модуль рулевого колеса, ступень 2, верхний регулятор
OGGN Оранжевый-Зеленый
Модуль рулевого колеса, ступень 1, нижний регулятор
BNOG Коричневый-Оранжевый
Модуль рулевого колеса, ступень 1, верхний регулятор
OGVT Оранжевый-Фиолетовый
Модуль рулевого колеса, ступень 2, нижний регулятор
WHOG Белый-Оранжевый
1
2
3
4
Модуль панели приборов пассажира, ступень 2, нижний регулятор
Модуль панели приборов пассажира, ступень 2, верхний регулятор
1
Модуль панели приборов пассажира, ступень 1, верхний регулятор
Модуль панели приборов пассажира, ступень 1, нижний регулятор
2
5
4
1
2
СТРАНЫ - КРОМЕ СЕВЕРНОЙ АМЕРИКИ
YEOG Желтый-Оранжевый
СТРАНЫ - КРОМЕ СЕВЕРНОЙ АМЕРИКИ
OGWH Оранжевый-Белый
СТРАНЫ - СЕВЕРНАЯ АМЕРИКА
YEOG Желтый-Оранжевый
СТРАНЫ - СЕВЕРНАЯ АМЕРИКА
OGWH Оранжевый-Белый
СТРАНЫ - СЕВЕРНАЯ АМЕРИКА
OGVT Оранжевый-Фиолетовый
СТРАНЫ - СЕВЕРНАЯ АМЕРИКА
GYOG Серый-Оранжевый
Управление
Управление
Управление
Управление
Управление
Управление
Управление
Управление
X2 Подушка безопасности рулевого колеса X2
X1 Подушка безопасности рулевого колеса X1
F105 Панель приборов со стороны пассажира - Подушка безопасности

Расположение деталей (узлов) Трехмерная схема жгутов
Внешний вид разъема и ремонт
F105 Панель приборов со стороны пассажира - Подушка безопасности

Расположение деталей (узлов) Трехмерная схема жгутов
Внешний вид разъема и ремонт
X85 Катушка подушки безопасности рулевого колеса

Расположение деталей (узлов) Трехмерная схема жгутов
F107 Подушка безопасности рулевого колеса

Расположение деталей (узлов) Трехмерная схема жгутов
K36 Пневматический ограничитель - Модуль зондирования и диагностики

Расположение деталей (узлов) Трехмерная схема жгутов
X2 Катушка подушки безопасности рулевого колеса X2

Внешний вид разъема и ремонт
Модуль рулевого колеса, ступень 1, верхний регулятор
OGVT Оранжевый-Фиолетовый
Модуль рулевого колеса, ступень 1, нижний регулятор
BNOG Коричневый-Оранжевый
Модуль рулевого колеса, ступень 2, верхний регулятор
OGGN Оранжевый-Зеленый
Модуль рулевого колеса, ступень 2, нижний регулятор
WHOG Белый-Оранжевый
G204 Поперечина, панель приборов - справа

Расположение деталей (узлов) Трехмерная схема жгутов
Внешний вид разъема и ремонт Левостороннее управление
Внешний вид разъема и ремонт Правостороннее управление
Электрическая схема G100, G102, G121, G122, G204 и G400
3
3
G204 Поперечина, панель приборов - справа

Расположение деталей (узлов) Трехмерная схема жгутов
Внешний вид разъема и ремонт Левостороннее управление
Внешний вид разъема и ремонт Правостороннее управление
Электрическая схема G100, G102, G121, G122, G204 и G400
Масса
BK Черный
Масса
BK Черный
Питание, масса, индикатор и выключатель

Питание, масса, индикатор и выключатель
Справочные данные по контроллерам

Справочные данные по контроллерам
Модули бокового удара и продольного бруса крыши и натяжитель ремня безопасности

Модули бокового удара и продольного бруса крыши и натяжитель ремня безопасности
Перечень основных электрических компонентов

Перечень основных электрических компонентов
   


https://vnx.su/ 🛠 Руководства по ремонту и эксплуатации для автомобилей

Поиск по сайту

Остались вопросы или пожелания? Пишите на почту: support@vnx.su

Карта Сайта