Cruze
   
GMDE Start Page Load static TOC Load dynamic TOC Help?
Средства управления компрессором (ДИЗЕЛЬНЫЙ ДВИГАТЕЛЬ, 4 ЦИЛ., L4, 2.0 Л, CRI, SOHC, ТУРБО, 110 кВт)


            |                         |            
2203015RU.png


Display graphic

Display graphic

Компоненты
b1Датчик давления хладоагента кондиционераkr29Реле муфты компрессора кондиционера
b39Датчик температуры испарителя кондиционераkr75Реле силовой передачи
f62uaПредохранительq2Муфта компрессора кондиционера
k20Контроллер электронной системы управления двигателемx50aБлок предохранителей - Под капотом
k33Модуль управления hvac
Разъемы
j272Жгут проводов системы нагревания, вентиляции и кондиционирования (hvac)x50a (x2)Блок предохранителей - Под капотом x2
k20 (x2)Контроллер электронной системы управления двигателем x2x50a (x3)Блок предохранителей - Под капотом x3
k33 (x3)Модуль управления hvac x3x104Жгут проводов передней части кузова и жгут проводов системы охлаждения двигателя
x50a (x1)Блок предохранителей - Под капотом x1
Точки соединения с массой
g105Моторный отсек - Передняя часть, слева
Сокращения
b+Вывод b+fsdcФункциональный обмен последовательными данными
Цветовые коды
bkЧерныйbnwhКоричневый\Белый
bkbnЧерный-КоричневыйbubnСиний-Коричневый
bkgyЧерный-СерыйgnЗеленый
bngnКоричневый-ЗеленыйwhgyБелый-Серый
bnrdКоричневый-Красный
A
B
29
X2 Контроллер электронной системы управления двигателем X2

Расположение деталей (узлов) Трехмерная схема жгутов СТРАНА - КОРЕЯ ДИЗЕЛЬНЫЙ ДВИГАТЕЛЬ, 4 ЦИЛ., L4, 2.0 Л, CRI, SOHC, ТУРБО, 110 кВт
Внешний вид разъема и ремонт ДИЗЕЛЬНЫЙ ДВИГАТЕЛЬ, 4 ЦИЛ., L4, 2.0 Л, CRI, SOHC, ТУРБО, 110 кВт
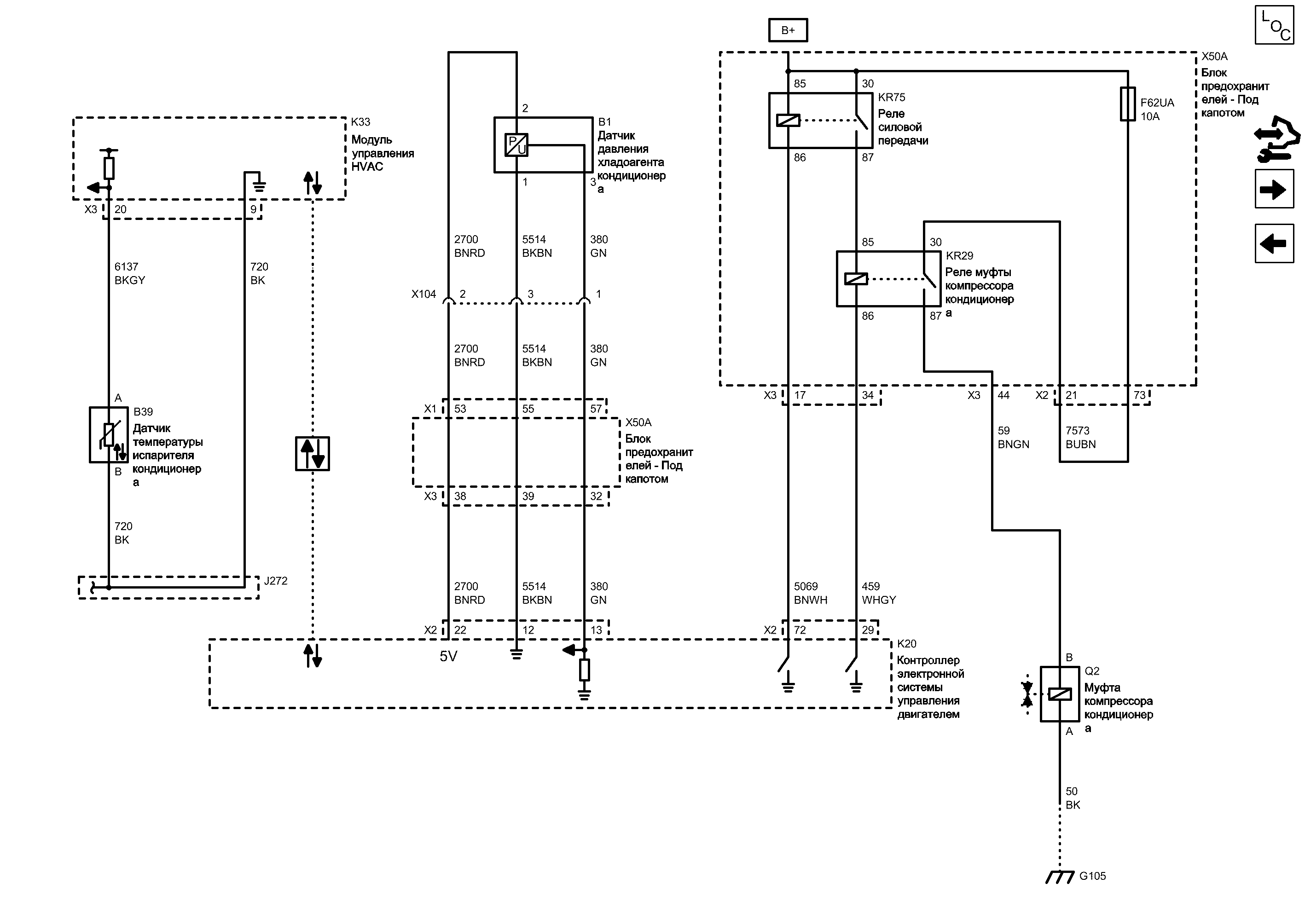
Релейное управление муфтой компрессора кондиционера
WHGY Белый-Серый
34
X3 Блок предохранителей - Под капотом X3

Внешний вид разъема и ремонт
Доступен вид только с одним разъемом
44
21
Переменный рабочий объем - электропитание
BUBN Синий-Коричневый
73
X3 Блок предохранителей - Под капотом X3

Внешний вид разъема и ремонт
Доступен вид только с одним разъемом
F62UA Предохранитель

Электрическая схема Дерево Предохранители F11UA, 59UA и F62UA
Электрическая схема Питание Шина B+ UEC (2 из 6)
Вывод B+
17
Управление катушкой главного реле двигателя
BNWH Коричневый\Белый
72
12
13
22
X2 Контроллер электронной системы управления двигателем X2

Расположение деталей (узлов) Трехмерная схема жгутов СТРАНА - КОРЕЯ ДИЗЕЛЬНЫЙ ДВИГАТЕЛЬ, 4 ЦИЛ., L4, 2.0 Л, CRI, SOHC, ТУРБО, 110 кВт
Внешний вид разъема и ремонт ДИЗЕЛЬНЫЙ ДВИГАТЕЛЬ, 4 ЦИЛ., L4, 2.0 Л, CRI, SOHC, ТУРБО, 110 кВт
39
32
38
X3 Блок предохранителей - Под капотом X3

Внешний вид разъема и ремонт
Доступен вид только с одним разъемом
55
57
53
X1 Блок предохранителей - Под капотом X1

Расположение деталей (узлов) Трехмерная схема жгутов
Внешний вид разъема и ремонт
X104 Жгут проводов передней части кузова и жгут проводов системы охлаждения двиг...

Расположение деталей (узлов) Трехмерная схема жгутов
Внешний вид разъема и ремонт Вилка
Внешний вид разъема и ремонт Гнездо
2
1
3
1
2
3
G105 Моторный отсек - Передняя часть, слева

Расположение деталей (узлов) Трехмерная схема жгутов ДИЗЕЛЬНЫЙ ДВИГАТЕЛЬ, 4 ЦИЛ., L4, 2.0 Л, CRI, SOHC, ТУРБО, 110 кВт
Электрическая схема G103 и G105
Масса
BK Черный
Опорный сигнал 5 вольт от датчика давления кондиционера
BNRD Коричневый-Красный
Слабый опорный сигнал датчика давления хладоагента кондиционера
BKBN Черный-Коричневый
Сигнал датчика давления хладагента кондиционера
GN Зеленый
86
85
87
30
30
85
86
87
Управление муфтой компрессора кондиционера
BNGN Коричневый-Зеленый
X2 Блок предохранителей - Под капотом X2

Внешний вид разъема и ремонт
Управление
Управление
Опорный сигнал 5 вольт
KR75 Реле силовой передачи
X50A Блок предохранителей - Под капотом

Расположение деталей (узлов) Трехмерная схема жгутов
B1 Датчик давления хладоагента кондиционера

Расположение деталей (узлов) Трехмерная схема жгутов
Внешний вид разъема и ремонт ДИЗЕЛЬНЫЙ ДВИГАТЕЛЬ, 4 ЦИЛ., L4, 2.0 Л, CRI, SOHC, ТУРБО, 110 кВт
X50A Блок предохранителей - Под капотом

Расположение деталей (узлов) Трехмерная схема жгутов
KR29 Реле муфты компрессора кондиционера
Q2 Муфта компрессора кондиционера

Расположение деталей (узлов) Трехмерная схема жгутов
Внешний вид разъема и ремонт ДИЗЕЛЬНЫЙ ДВИГАТЕЛЬ, 4 ЦИЛ., L4, 2.0 Л, CRI, SOHC, ТУРБО, 110 кВт
K20 Контроллер электронной системы управления двигателем

Расположение деталей (узлов) Трехмерная схема жгутов СТРАНА - КОРЕЯ ДИЗЕЛЬНЫЙ ДВИГАТЕЛЬ, 4 ЦИЛ., L4, 2.0 Л, CRI, SOHC, ТУРБО, 110 кВт
Имеется только одно место для компонента
Слабый опорный сигнал
Сигнал
Функциональный обмен последовательными данными
9
Сигнал
X3 Модуль управления HVAC X3

Расположение деталей (узлов) Трехмерная схема жгутов ПЕРЕДНИЙ ВОЗДУШНЫЙ КОНДИЦИОНЕР С СИСТЕМОЙ HVAC, АВТОМ., ЭЛЕКТРОННЫЕ ОРГАНЫ УПРАВЛЕНИЯ
Внешний вид разъема
20
Слабый опорный сигнал
Последовательные данные
K33 Модуль управления HVAC

Расположение деталей (узлов) Трехмерная схема жгутов ПЕРЕДНИЙ ВОЗДУШНЫЙ КОНДИЦИОНЕР С СИСТЕМОЙ HVAC, АВТОМ., ЭЛЕКТРОННЫЕ ОРГАНЫ УПРАВЛЕНИЯ
Имеется только одно место для компонента
Последовательные данные
Опорный сигнал 5 вольт от датчика давления кондиционера
BNRD Коричневый-Красный
Слабый опорный сигнал датчика давления хладоагента кондиционера
BKBN Черный-Коричневый
Сигнал датчика давления хладагента кондиционера
GN Зеленый
GN Зеленый
BKBN Черный-Коричневый
BNRD Коричневый-Красный
J272 Жгут проводов системы нагревания, вентиляции и кондиционирования (HVAC)

Электрическая схема Средства управления компрессором ДИЗЕЛЬНЫЙ ДВИГАТЕЛЬ, 4 ЦИЛ., L4, 2.0 Л, CRI, SOHC, ТУРБО, 110 кВт
Электрическая схема Датчики температуры
Слабый опорный сигнал датчика
BK Черный
B
B39 Датчик температуры испарителя кондиционера
A
Сигнал датчика температуры сердечника EVAP
BKGY Черный-Серый
BK Черный
Средства управления компрессором

Средства управления компрессором
Справочные данные по контроллерам

Справочные данные по контроллерам
Дополнительный обогреватель

Дополнительный обогреватель
Перечень основных электрических компонентов

Перечень основных электрических компонентов
   


https://vnx.su/ 🛠 Руководства по ремонту и эксплуатации для автомобилей

Поиск по сайту

Остались вопросы или пожелания? Пишите на почту: support@vnx.su

Карта Сайта