К началу документа
Tacuma
На предыдущую страницуНа следующую страницу
Главная страница GMDEЗагрузить нединамическое оглавлениеЗагрузить динамическое оглавлениеПомощь

РАЗДЕЛ 9E

ПРИБОРЫ/СИСТЕМА ИНФОРМИРОВАНИЯ ВОДИТЕЛЯ

Внимание! Отсоедините провод от отрицательного вывода аккумулятора, прежде чем снимать или устанавливать какие-либо электрические устройства, а также в ситуации, когда есть возможность касания оголенных электрических контактов каким-либо инструментом или приспособлением. Отсоединение этого провода позволяет избежать травм и повреждения оборудования автомобиля. Кроме того, если не указано иное, зажигание должно находиться в положении LOCK.

ОПИСАНИЕ И РАБОТА

ПРИКУРИВАТЕЛЬ

Прикуриватель расположен в напольной консоли. Чтобы воспользоваться прикуривателем, на него следует нажать до упора. Нагревшись, прикуриватель сам выйдет из контакта с нагревательным элементом.
Прикуриватель и нагревательный элемент могут быть повреждены, если прикуривателю не дать полностью отойти от нагревательного элемента.

ПЕПЕЛЬНИЦА

Пепельница находится под напольной консолью. Чтобы достать пепельницу, вытяните ее из кожуха пепельница. Освещение пепельницы включается, когда включены фары или стояночные огни.

СОПЛА ВЕНТИЛЯЦИИ В ПАНЕЛИ ПРИБОРОВ

Центральные и боковые сопла вентиляции в панели приборов регулируются вверх и вниз, а также из стороны в сторону. Боковые сопла вентиляции также можно направить на боковые окна для их отпотевания.

ВЕЩЕВОЙ ЯЩИК

Чтобы открыть вещевой ящик, следует потянуть его запорную ручку вверх. Снятие вещевого ящика необходимо для доступа к модулю подушки безопасности пассажира (если она установлена).

ЦИФРОВЫЕ ЧАСЫ

Цифровые часы расположены на корпусе комбинации приборов. Часы могут отображать время в 12-часовом и 24-часовом форматах.

КОМБИНАЦИЯ ПРИБОРОВ

Комбинация приборов расположена над рулевой колонкой в щитке панели приборов. Комбинация приборов состоит из приборов, сообщающих водителю информацию о работе автомобиля. В комбинацию приборов входят спидометр, тахометр, счетчик пробега, счетчик дневного пробега, указатель температуры, указатель уровня топлива и несколько контрольных ламп. По поводу замены контрольных ламп комбинации приборов см. Технические характеристики контрольных ламп комбинации приборов в этом разделе.

СПИДОМЕТР (БЕЗ ТРОСИКА)

Спидометр предназначен для измерения скорости автомобиля. Он состоит из указателя в комбинации приборов, который соединен с датчиком скорости автомобиля на выходном вале коробки передач (механическая коробка передач) и с передатчиком электронного блока управления (автоматическая коробка передач).

СЧЕТЧИК ДНЕВНОГО ПРОБЕГА

Счетчик дневного пробега измеряет расстояние, пройденное автомобилем с момента последнего обнуления счетчика. Он состоит из указателя в комбинации приборов, который соединен с датчиком скорости автомобиля на выходном вале коробки передач. Счетчик дневного пробега можно в любое время сбросить на ноль, чтобы водитель мог замерить пройденное расстояние от любой исходной точки.

УКАЗАТЕЛЬ УРОВНЯ ТОПЛИВА

Указатель уровня топлива состоит из указателя в комбинации приборов, подсоединенного к датчику в топливном баке.
Указатель уровня топлива показывает количество топлива в баке только тогда, когда выключатель зажигания переведен в положение ON или ACC. Когда выключатель зажигания находится в положении LOCK или START, стрелка может остановиться в любом положении.

УКАЗАТЕЛЬ ТЕМПЕРАТУРЫ

Указатель температуры состоит из указателя в комбинации приборов, подсоединенного к датчику температуры, находящемуся в контакте с циркулирующей жидкостью, которая охлаждает двигатель.
Указатель температуры показывает температуру охлаждающей жидкости. После длительного движения или продолжительной работы на холостом ходу при жаркой погоде стрелка может продвинуться за центр указателя. Двигатель перегревается, если стрелка переместилась в красную зону в верхней части шкалы указателя.

КОНТРОЛЬНЫЕ ЛАМПЫ КОМБИНАЦИИ ПРИБОРОВ

В комбинации приборов установлены контрольные лампы, указывающие на функционирование тех или иных систем или на существование потенциальных проблем эксплуатации автомобиля. Контрольные лампы заменяемы. По поводу замены контрольных ламп комбинации приборов см. Технические характеристики контрольных ламп комбинации приборов в этом разделе.

ТАХОМЕТР

Тахометр измеряет частоту вращения двигателя в тысячах оборотов в минуту. Он состоит из указателя в комбинации приборов, соединенного с передатчиком электронного блока управления.

Примечание: Не эксплуатируйте двигатель в красной зоне - это может привести к повреждению двигателя.

МОДУЛЬ ЗВУКОВОЙ СИГНАЛИЗАЦИИ

Модуль звуковой сигнализации издает звуковые сигналы при возникновении одной или нескольких из следующих ситуаций:
Напряжение на модуль звуковой сигнализации поступает постоянно через блок предохранителей.

ДИАГНОСТИЧЕСКАЯ ИНФОРМАЦИЯ И ПРОЦЕДУРЫ


U5D19E01
Показать иллюстрациюПеревод текста в иллюстрациях


ПРИКУРИВАТЕЛЬ

Прикуриватель не работает

ШагОперацияЗначенияДаНет
1
Проверить предохранитель f23.
Перегорел ли предохранитель?
-
Перейдите на Шаг 2
Перейдите на Шаг 3
2
  1. Проверьте на предмет короткого замыкания и при необходимости отремонтируйте.
  2. Замените предохранитель.
Ремонт закончен?
-
Система в норме
-
3
С помощью вольтметра проверить напряжение на предохранителе f23.
Соответствует ли подаваемое батареей напряжение на предохранителе f23 указанному значению?
11~14 В
Перейдите на Шаг 5
Перейдите на Шаг 4
4
Устранить разрыв цепи подачи электропитания на предохранитель f23.
Ремонт закончен?
-
Система в норме
-
5
  1. Снять электрический разъем с обратной стороны прикуривателя.
  2. С помощью вольтметра проверить напряжение на ЖЕЛ/ЧЕР проводе.
Соответствует ли подаваемое батареей напряжение на ЖЕЛ/ЧЕР проводе указанному значению?
11~14 В
Перейдите на Шаг 7
Перейдите на Шаг 6
6
Устранить разрыв цепи между предохранителем f23 и прикуривателем.
Ремонт закончен?
-
Система в норме
-
7
Подключить вольтметр к проводам ЖЕЛ/ЧЕР и ЧЕР у разъема прикуривателя.
Соответствует ли подаваемое батареей напряжение указанному значению?
11~14 В
Перейдите на Шаг 9
Перейдите на Шаг 8
8
Устранить разрыв цепи массы.
Ремонт закончен?
-
Система в норме
-
9
Заменить прикуриватель.
Ремонт закончен?
-
Система в норме
-

UAA9E360
Показать иллюстрациюПеревод текста в иллюстрациях


ОСВЕЩЕНИЕ ПЕПЕЛЬНИЦЫ

Освещение пепельницы не работает

ШагОперацияЗначенияДаНет
1
Установите зажигание в положение on.
-
Перейдите на Шаг 3
Перейдите на Шаг 2
2
Проверить предохранитель ef17.
-
Перейдите на Шаг 3
Система в норме
3
  1. Вынуть лампу освещения пепельницы из гнезда.
  2. Установите зажигание в положение on.
  3. Проверить напряжение на положительном выводе лампы освещения пепельницы (ПУР провод).
Равно ли напряжение указанному значению?
11~14 В
Перейдите на Шаг 5
Перейдите на Шаг 4
4
Устранить разрыв цепи между предохранителем ef17 и лампой освещения пепельницы.
Ремонт закончен?
-
Система в норме
-
5
Подключить омметр между массой и отрицательным выводом лампы освещения пепельницы.
Равно ли сопротивление указанному значению?
≈ 0 Ом
Перейдите на Шаг 7
Перейдите на Шаг 6
6
Устранить разрыв в цепи массы лампы освещения пепельницы.
Ремонт закончен?
-
Система в норме
-
7
Заменить лампу освещения пепельницы.
Ремонт закончен?
-
Система в норме
-

U5D19E02
Показать иллюстрациюПеревод текста в иллюстрациях


ЦИФРОВЫЕ ЧАСЫ

Цифровые часы не работают

ШагОперацияЗначенияДаНет
1
Перегорел ли какой-либо из предохранителей f3 или f16?
-
Перейдите на Шаг 2
Перейдите на Шаг 3
2
  1. Проверьте на предмет короткого замыкания и при необходимости отремонтируйте.
  2. Заменить перегоревшие предохранители.
Ремонт закончен?
-
Система в норме
-
3
  1. Установите зажигание в положение on.
  2. С помощью вольтметра проверить подаваемое батареей напряжение на предохранителях f3 и f16.
Показывает ли вольтметр указанное значение?
11~14 В
Перейдите на Шаг 5
Перейдите на Шаг 4
4
Устранить разрыв цепи подачи электропитания на этот предохранитель.
Ремонт закончен?
-
Система в норме
-
5
С помощью вольтметра проверить подаваемое батареей напряжение на выводе 1 разъема часов.
Показывает ли вольтметр указанное значение?
11~14 В
Перейдите на Шаг 7
Перейдите на Шаг 6
6
Устранить разрыв цепи между выводом 1 разъема часов и предохранителем f3.
Ремонт закончен?
-
Система в норме
-
7
Установите зажигание в положение on.
Присутствует ли подаваемое батареей напряжение на выводе 5 разъема часов?
-
Перейдите на Шаг 9
Перейдите на Шаг 8
8
Устранить разрыв цепи между выводом 5 разъема часов и предохранителем f16.
Ремонт закончен?
-
Система в норме
-
9
Проверить отсутствие обрывов цепи между выводом 2 разъема часов и массой.
Показывает ли мультиметр указанное значение?
≈ 0 Ом
Перейдите на Шаг 10
Перейдите на Шаг 11
10
Заменить часы.
Ремонт закончен?
-
Система в норме
-
11
Устранить разрыв цепи между выводом 2 разъема часов и массой g203.
Ремонт закончен?
-
Система в норме
-

ЭЛЕКТРИЧЕСКАЯ СХЕМА ПОДСВЕТКИ ПАНЕЛИ ПРИБОРОВ


U5D19503
Показать иллюстрациюПеревод текста в иллюстрациях


ПОДСВЕТКА ПАНЕЛИ ПРИБОРОВ

Не работает подсветка панели приборов

ШагОперацияЗначенияДаНет
1
Проверить стояночные огни.
Работают ли стояночные огни?
-
Перейдите на Шаг 3
Перейдите на Шаг 2
2
Отремонтировать стояночные огни, прежде чем выполнять дальнейшие действия, перечисленные в этой диагностической таблице.
После устранения неисправности стояночных огней подсветка панели приборов по-прежнему не работает?
-
Перейдите на Шаг 3
Система в норме
3
Проверить предохранитель ef7.
Перегорел ли предохранитель ef7?
-
Перейдите на Шаг 4
Перейдите на Шаг 5
4
  1. Проверьте на предмет короткого замыкания и при необходимости устраните его.
  2. Заменить предохранитель ef7.
Ремонт закончен?
-
Система в норме
-
5
  1. Включить стояночные огни.
  2. Проверить напряжение на предохранителе ef7.
Показывает ли вольтметр указанное значение?
11~14 В
Перейдите на Шаг 7
Перейдите на Шаг 6
6
Отремонтировать цепь подачи электропитания на предохранитель ef7.
Ремонт закончен?
-
Система в норме
-
7
  1. Включить стояночные огни.
  2. Временно отсоединить любую лампу подсветки панели приборов.
  3. Проверить напряжение на положительном выводе (ПУР провод) лампы подсветки.
Показывает ли вольтметр указанное значение?
11~14 В
Перейдите на Шаг 9
Перейдите на Шаг 8
8
Устранить разрыв цепи между предохранителем f7 и лампами подсветки панели приборов.
Ремонт закончен?
-
Система в норме
-
9
  1. Отсоединить переключатель регулирования освещения.
  2. Включить стояночные огни.
  3. Проверить напряжение на ТЕМ СИН проводе в верхнем ряду выводов разъема регулировки освещения.
Показывает ли вольтметр указанное значение?
11~14 В
Перейдите на Шаг 11
Перейдите на Шаг 10
10
Устранить разрыв цепи между переключателем регулировки освещения и лампами подсветки панели приборов.
Ремонт закончен?
-
Система в норме
-
11
При отключенном переключателе регулировки освещения проверить с помощью омметра сопротивление между массой и ЧЕР проводом разъема регулировки освещения.
Показывает ли омметр указанное значение?
≈ 0 Ом
Перейдите на Шаг 13
Перейдите на Шаг 12
12
Устранить разрыв цепи между массой и ЧЕР проводом разъема переключателя регулировки освещения.
Ремонт закончен?
-
Система в норме
-
13
Заменить переключатель регулирования освещения.
Ремонт закончен?
-
Система в норме
-

Лампа освещения положения механизма автоматической коробки передач не работает, все другие лампы приборов в порядке

ШагОперацияЗначенияДаНет
1
Перегорел ли предохранитель ef17?
-
Перейдите на Шаг 2
Перейдите на Шаг 3
2
  1. Проверьте на предмет короткого замыкания и при необходимости отремонтируйте.
  2. Заменить перегоревший предохранитель.
Ремонт закончен?
-
Система в норме
-
3
  1. Установите выключатель освещения во включенное положение.
  2. С помощью вольтметра проверить подаваемое батареей напряжение на предохранителе ef17.
Соответствует ли подаваемое батареей напряжение указанному значению?
11~14 В
Перейдите на Шаг 5
Перейдите на Шаг 4
4
Устранить разрыв цепи электропитания для предохранителя ef17.
Ремонт закончен?
-
Система в норме
-
5
  1. Установите выключатель освещения во включенное положение.
  2. Снять лампу индикации положения автоматической коробки передач.
  3. С помощью вольтметра проверить подаваемое батареей напряжение на патроне лампы.
Соответствует ли подаваемое батареей напряжение указанному значению?
11~14 В
Перейдите на Шаг 7
Перейдите на Шаг 6
6
Устранить разрыв цепи между патроном лампы индикации положения автоматической коробки передач и предохранителем ef17.
Ремонт закончен?
-
Система в норме
-
7
  1. Установите выключатель освещения во включенное положение.
  2. Снять лампу индикации положения автоматической коробки передач.
  3. С помощью омметра проверить сопротивление между цепью массы и патроном лампы.
Соответствует ли сопротивление указанному значению?
0 Ом
Перейдите на Шаг 9
Перейдите на Шаг 8
8
Устранить разрыв цепи массы между патроном лампы индикации положения автоматической коробки передач и массой.
Ремонт закончен?
-
Система в норме
-
9
Заменить лампу индикации положения автоматической коробки передач.
Ремонт закончен?
-
Система в норме
-

СПИДОМЕТР (БЕЗ ТРОСИКА)

Спидометр не работает, другие приборы и контрольные лампы исправны

ШагОперацияЗначенияДаНет
1
  1. Подключить сканирующий инструмент.
  2. Проверить наличие кодов неисправности диагностики управления двигателем.
Установлен ли диагностический код неисправности датчика скорости автомобиля (vss)?
-
Перейдите на Шаг 2
2
  1. Выключите зажигание.
  2. Снять приборную панель.
  3. С помощью омметра проверить целостность цепи между выводом c3 разъема комбинации приборов и vss.
Есть разрыв цепи?
-
Перейдите на Шаг 3
Перейдите на Шаг 4
3
Устранить разрыв цепи между выводом c3 разъема комбинации приборов и vss.
Ремонт закончен?
-
Система в норме
-
4
Заменить спидометр.
Ремонт закончен?
-
Система в норме
-

ТАХОМЕТР

Не работает тахометр

Описание проверки

Указанные ниже числа обозначают шаги в диагностической таблице.
3. Если указатель температуры охлаждающей жидкости работает, пропустить шаги 3 - 10 и перейти непосредственно к шагу 11. Указатель температуры охлаждающей жидкости подключен через тот же предохранитель и массу, что и тахометр.
ШагОперацияЗначенияДаНет
1
Проверить наличие кодов неисправности диагностики двигателя.
Есть ли текущие коды неисправности, относящиеся к датчику скорости автомобиля?
-
Перейдите на Шаг 2
Перейдите на Шаг 3
2
Прежде чем выполнять дальнейшие действия, перечисленные в этой диагностической таблице, диагностировать все диагностические коды неисправности, относящиеся к датчику скорости автомобиля, и устранить соответствующие неисправности.
Сняты ли все диагностические коды неисправности, относящиеся к датчику скорости автомобиля?
-
Перейдите на Шаг 3
-
3
Проверить предохранитель f16.
Перегорел ли предохранитель f16?
-
Перейдите на Шаг 5
Перейдите на Шаг 4
4
  1. Проверьте на предмет короткого замыкания и при необходимости устраните его.
  2. Заменить предохранитель f16.
Ремонт закончен?
-
Система в норме
-
5
  1. Установите зажигание в положение on.
  2. Проверить напряжение на предохранителе f16.
Равно ли напряжение указанному значению?
11~14 В
Перейдите на Шаг 7
Перейдите на Шаг 6
6
Восстановить подачу электропитания на предохранитель f16.
Ремонт закончен?
-
Система в норме
-
7
  1. Отсоединить разъем комбинации приборов.
  2. Установите зажигание в положение on.
  3. Проверить напряжение на выводе c1 разъема комбинации приборов.
Равно ли напряжение на выводе c1 указанному значению?
11~14 В
Перейдите на Шаг 9
Перейдите на Шаг 8
8
Устранить разрыв цепи между предохранителем f16 и выводом c1 разъема комбинации приборов.
Ремонт закончен?
-
Система в норме
-
9
При отсоединенной комбинации приборов проверить с помощью омметра сопротивление между выводом c12 разъема комбинации приборов и массой.
Показывает ли омметр указанное значение?
≈ 0 Ом
Перейдите на Шаг 11
Перейдите на Шаг 10
10
Устранить разрыв цепи между массой и выводом c12 разъема комбинации приборов.
Ремонт закончен?
-
Система в норме
-
11
Проверить исправность печатной платы панели приборов.
Печатная плата неисправна?
-
Перейдите на Шаг 12
Перейдите на Шаг 13
12
Замените приборную панель.
Ремонт закончен?
-
Система в норме
-
13
При отсоединенной комбинации приборов проверить с помощью омметра целостность цепи между электронным блоком управления (ecm) и выводом c2 разъема комбинации приборов.
Показывает ли омметр указанное значение?
≈ 0 Ом
Перейдите на Шаг 15
Перейдите на Шаг 14
14
Устранить разрыв цепи между выводом c2 разъема комбинации приборов и модулем ecm.
Ремонт закончен?
-
Система в норме
-
15
Заменить тахометр.
Работает ли новый тахометр?
-
Система в норме
Перейдите на Шаг 16
16
Заменить ЕСМ.
Ремонт закончен?
-
Система в норме
-

УКАЗАТЕЛЬ УРОВНЯ ТОПЛИВА

Указатель уровня топлива всегда показывает почти полный или почти пустой бак

ШагОперацияЗначенияДаНет
1
  1. Установите зажигание в положение on.
  2. Следите за указателем уровня топлива.
Показывает ли указатель уровня топлива полный бак, даже если известно, что бак неполон?
-
Перейдите на Шаг 2
Перейдите на Шаг 7
2
  1. Выключите зажигание.
  2. Отсоединить датчик топливного бака.
  3. Установите зажигание в положение on.
Указатель уровня топлива показывает пустой бак?
-
Перейдите на Шаг 3
Перейдите на Шаг 4
3
Заменить датчик топливного бака.
Ремонт закончен?
-
Система в норме
-
4
  1. Выключите зажигание.
  2. Отсоединить вывод c14 разъема панели приборов.
  3. Установите зажигание в положение on.
Указатель уровня топлива показывает пустой бак?
-
Перейдите на Шаг 5
Перейдите на Шаг 6
5
Устранить замыкание на массу БЕЛ или СЕР провода между разъемом панели приборов и передающим блоком на топливном баке.
Ремонт закончен?
-
Система в норме
-
6
Заменить указатель уровня топлива.
Ремонт закончен?
-
Система в норме
-
7
  1. Если указатель уровня топлива показывает пустой бак, даже если известно, что бак не пуст, отсоединить электрический разъем передающего блока на топливном баке.
  2. Установите зажигание в положение on.
  3. Проверить напряжение на выводе 1 разъема передающего блока на топливном баке.
Показывает ли вольтметр указанное значение?
11~14 В
Перейдите на Шаг 9
Перейдите на Шаг 8
8
Устранить разрыв цепи между указателем уровня топлива и передающим блоком на топливном баке.
Ремонт закончен?
-
Система в норме
-
9
Проверить целостность цепи между выводом 6 разъема передающего блока на топливном баке и массой.
Показывает ли омметр указанное значение?
≈ 0 Ом
Перейдите на Шаг 11
Перейдите на Шаг 10
10
Устранить разрыв цепи или плохое соединение между массой и разъемом передающего блока на топливном баке.
Ремонт закончен?
-
Система в норме
-
11
  1. При отключенном разъеме передающего блока на топливном баке соединить перемычкой массу и вывод 1.
  2. Установите зажигание в положение on.
Указатель уровня топлива отклонился до положения полного бака?
-
Перейдите на Шаг 3
Перейдите на Шаг 6

УКАЗАТЕЛЬ ТЕМПЕРАТУРЫ

Рекомендации по диагностике

Если указатель отклоняется на полную шкалу или около того, вероятно, он показывает температуру охлаждающей жидкости правильно. Данная таблица не покрывает, в частности, следующие неполадки:
Данная таблица охватывает неисправности цепи указателя, самого указателя и передающего блока, но не неисправности, вызывающие перегрев или недогрев как таковой.

Описание проверки

Указанные ниже числа обозначают шаги в диагностической таблице.
2. Датчик температуры охлаждающей жидкости (CTS) электронного модуля управления (ECM) и передающий блок указателя температуры расположены рядом друг с другом на блоке двигателя. Сверьтесь с цветами на электрической схеме, чтобы быть уверенным, что вы проверяете нужные компоненты.
3. Датчик температуры охлаждающей жидкости (CTS) электронного модуля управления (ECM) и передающий блок указателя температуры расположены рядом друг с другом на блоке двигателя. Сверьтесь с цветами на электрической схеме, чтобы быть уверенным, что вы проверяете нужные компоненты.

Указатель температуры всегда показывает самую высокую или самую низкую температуру, другие указатели работают нормально

ШагОперацияЗначенияДаНет
1
  1. Дать двигателю остыть до комнатной температуры.
  2. Установите зажигание в положение on.
Указатель всегда показывает температуру на максимуме шкалы?
-
Перейдите на Шаг 2
Перейдите на Шаг 7
2
Отсоединить разъем передающего блока датчика температуры охлаждающей жидкости.
Упала ли стрелка указателя температуры в нижнее положение на шкале?
-
Перейдите на Шаг 3
Перейдите на Шаг 4
3
Заменить передающий блок датчика температуры охлаждающей жидкости.
Ремонт закончен?
-
Система в норме
-
4
  1. Выключите зажигание.
  2. Отсоединить разъем комбинации приборов c1.
  3. Установите зажигание в положение on.
Упала ли теперь стрелка указателя температуры в нижнее положение на шкале?
-
Перейдите на Шаг 5
Перейдите на Шаг 6
5
Устранить замыкание на массу БЕЛ/ЧЕР или БЕЛ провода между разъемом комбинации приборов и передающим блоком датчика температуры охлаждающей жидкости.
Ремонт закончен?
-
Система в норме
-
6
Заменить указатель температуры.
Ремонт закончен?
-
Система в норме
-
7
  1. Если стрелка указателя температуры всегда находится в нижней части шкалы, отсоединить передающий блок датчика температуры охлаждающей жидкости.
  2. Установите зажигание в положение on.
  3. Проверить напряжение на разъеме передающего блока датчика температуры охлаждающей жидкости.
Соответствует ли напряжение указанному значению?
11~14 В
Перейдите на Шаг 10
Перейдите на Шаг 8
8
С помощью омметра проверить целостность цепи между передающим блоком датчика температуры охлаждающей жидкости и указателем температуры.
Цепь разомкнута?
-
Перейдите на Шаг 9
Перейдите на Шаг 10
9
Устранить разрыв цепи между передающим блоком датчика температуры охлаждающей жидкости и указателем температуры.
Ремонт закончен?
-
Система в норме
-
10
  1. Отсоединить целостность передающий блок датчика температуры охлаждающей жидкости.
  2. Соединить перемычкой передающий блок датчика температуры охлаждающей жидкости с массой.
  3. Установите зажигание в положение on.
Переместилась ли стрелка указателя температуры в крайнее верхнее положение на шкале?
-
Перейдите на Шаг 3
Перейдите на Шаг 6

КОНТРОЛЬНЫЕ ЛАМПЫ КОМБИНАЦИИ ПРИБОРОВ

Рекомендации по диагностике

Эта таблица охватывает лампы, которые питаются через предохранители F5 и F10: неплотное закрытие двери, неплотное закрытие задней торцевой двери, требуется обслуживание двигателя, давление масла, аккумулятор, питание, антиблокировочная система, подушки безопасности, низкий уровень топлива. Масса для каждой цепи обеспечивается узлом, который контролирует данная лампа.

Не работают контрольные лампы комбинации приборов

ШагОперацияЗначенияДаНет
1
Проверить предохранители f5 и ef6.
Перегорел ли один из этих предохранителей?
-
Перейдите на Шаг 2
Перейдите на Шаг 3
2
  1. Проверьте на предмет короткого замыкания и при необходимости устраните его.
  2. Заменить перегоревший предохранитель.
Ремонт закончен?
-
Система в норме
-
3
  1. Установите зажигание в положение on.
  2. Проверить напряжение на предохранителях f3 и ef6.
Показывает ли вольтметр указанное значение?
11~14 В
Перейдите на Шаг 5
Перейдите на Шаг 4
4
Отремонтировать цепь подачи питания на f3 и/или ef6.
Ремонт закончен?
-
Система в норме
-
5
Проверить контрольные лампы комбинации приборов.
Неполадка затрагивает все контрольные лампы комбинации приборов?
-
Перейдите на Шаг 8
Перейдите на Шаг 6
6
  1. Если неполадка затрагивает только одну контрольную лампу комбинации приборов, а не все, определить, какой компонент (выключатель, передающий блок) обеспечивает землю для данной контрольной лампы.
  2. На этом компоненте отсоединить провод от индикатора комбинации приборов.
  3. Соединить перемычкой массу и отсоединенный провод у компонента.
  4. Установите зажигание в положение on.
Контрольная лампа на комбинации приборов загорелась?
-
Перейдите на Шаг 7
Перейдите на Шаг 10
7
Заменить неисправный компонент (переключатель, передающий блок и т.п.)
Ремонт закончен?
-
Система в норме
-
8
Проверить разъемы на задней стороне комбинации приборов.
Разъемы подключены правильно?
-
Перейдите на Шаг 10
Перейдите на Шаг 9
9
Подключить разъемы правильно.
Ремонт закончен?
-
Система в норме
-
10
  1. Отсоединить разъемы комбинации приборов.
  2. Установите зажигание в положение on.
  3. Проверить напряжение на выводах c1, a20 комбинации приборов (см. схему; возможно, необходимо проверить все три вывода в зависимости от проверяемой цепи.)
Показывает ли вольтметр указанное значение?
11~14 В
Перейдите на Шаг 12
Перейдите на Шаг 11
11
Устранить разрыв цепи между предохранителями и комбинацией приборов.
Ремонт закончен?
-
Система в норме
-
12
Проверить лампочки контрольных ламп.
Исправны ли лампы?
-
Перейдите на Шаг 14
Перейдите на Шаг 13
13
  1. Заменить неисправные лампочки контрольных ламп.
  2. Если неисправны все лампочки, проверить систему зарядки и убедиться в том, что генератор не перезаряжает батарею избыточно. См. Раздел 2E, Электрическая система.
  3. Если найдена неполадка, отремонтировать систему зарядки.
Ремонт закончен?
-
Система в норме
-
14
С помощью омметра проверить на разрыв цепь между разъемом комбинации приборов и разъемом компонента, который контролирует контрольная лампа.
Есть разрыв цепи?
-
Перейдите на Шаг 15
Перейдите на Шаг 16
15
Устранить разрыв цепи между комбинацией приборов и компонентом, который контролирует контрольная лампа.
Ремонт закончен?
-
Система в норме
-
16
Замените приборную панель.
Ремонт закончен?
-
Система в норме
-

U5D19E04
Показать иллюстрациюПеревод текста в иллюстрациях


МОДУЛЬ ЗВУКОВОЙ СИГНАЛИЗАЦИИ

Не работает звуковая сигнализация открытой двери

ШагОперацияЗначенияДаНет
1
Проверить предохранитель звуковой сигнализации f16.
Предохранитель звуковой сигнализации f16 перегорел?
-
Перейдите на Шаг 2
Перейдите на Шаг 3
2
  1. Проверьте на предмет короткого замыкания и при необходимости устраните его.
  2. Замените предохранитель.
Ремонт закончен?
-
Система в норме
-
3
  1. Установите зажигание в положение on.
  2. Откройте дверь водителя.
  3. Проверьте вольтметром наличие питания на предохранителе f16.
Показывает ли вольтметр указанное значение?
11~14 В
Перейдите на Шаг 5
Перейдите на Шаг 4
4
Устранить разрыв цепи подачи электропитания на предохранитель f16.
Ремонт закончен?
-
Система в норме
-
5
Проверить на разрыв цепь между предохранителем f16 и выводом 8 разъема модуля звуковой сигнализации.
Цепь разомкнута?
-
Перейдите на Шаг 6
Перейдите на Шаг 7
6
Устранить разрыв цепи.
Ремонт закончен?
-
Система в норме
-
7
  1. Отсоединить электрический разъем модуля звуковой сигнализации.
  2. Подключить омметр между выводом 5 разъема модуля звуковой сигнализации и массой.
Показывает ли омметр указанное значение?
≈ 0 Ом
Перейдите на Шаг 9
Перейдите на Шаг 8
8
Устранить разрыв цепи между массой и выводом 5 разъема модуля звуковой сигнализации.
Ремонт закончен?
-
Система в норме
-
9
  1. Отсоединить электрический разъем модуля звуковой сигнализации.
  2. Подключить омметр между выводом 16 разъема модуля звуковой сигнализации и массой.
  3. Оставить дверь водителя открытой.
Показывает ли омметр указанное значение?
≈ 0 Ом
Перейдите на Шаг 10
Перейдите на Шаг 11
10
Замените модуль звуковой сигнализации.
Ремонт закончен?
-
Система в норме
-
11
Заменить датчик открывания двери водителя.
Ремонт закончен?
-
Система в норме
-

Не работает звуковая сигнализация напоминания о ключе

ШагОперацияЗначенияДаНет
1
Проверить предохранители ef6, f3.
Перегорел ли предохранитель ef6 или f3?
-
Перейдите на Шаг 2
Перейдите на Шаг 3
2
  1. Проверьте на предмет короткого замыкания и при необходимости устраните его.
  2. Замените предохранитель.
Ремонт закончен?
-
Система в норме
-
3
Проверить вольтметром наличие питания на предохранителе ef6, f3.
Показывает ли вольтметр указанное значение?
11~14 В
Перейдите на Шаг 5
Перейдите на Шаг 4
4
Устранить разрыв цепи подачи электропитания на предохранители ef6, f3.
Ремонт закончен?
-
Система в норме
-
5
  1. Вставить ключ в замок зажигания.
  2. Проверить на разрыв цепь между предохранителем ef6, f3 и выводом 2 разъема модуля звуковой сигнализации.
Цепь разомкнута?
-
Перейдите на Шаг 6
Перейдите на Шаг 9
6
  1. Оставить ключ в замке зажигания.
  2. Снять пластмассовые крышки рулевой колонки.
  3. Отсоединить выключатель напоминания о ключе.
  4. Подключить омметр между выводами 1 и 2 выключателя напоминания о ключе.
Показывает ли омметр указанное значение?
≈ 0 Ом
Перейдите на Шаг 7
Перейдите на Шаг 8
7
Устранить разрыв цепи между предохранителем ef6, f3 и выводом 2 разъема модуля звуковой сигнализации.
Ремонт закончен?
-
Система в норме
-
8
Заменить выключатель напоминания о ключе.
Ремонт закончен?
-
Система в норме
-
9
  1. Отсоединить электрический разъем модуля звуковой сигнализации.
  2. Подключить омметр между выводом 2 разъема модуля звуковой сигнализации и массой.
Показывает ли омметр указанное значение?
≈ 0 Ом
Перейдите на Шаг 11
Перейдите на Шаг 10
10
Устранить разрыв цепи между массой и выводом 2 разъема модуля звуковой сигнализации.
Ремонт закончен?
-
Система в норме
-
11
  1. Оставить дверь водителя открытой.
  2. Отсоединить электрический разъем модуля звуковой сигнализации.
  3. Подключить омметр между выводом 5 разъема модуля звуковой сигнализации и массой.
Показывает ли омметр указанное значение?
≈ 0 Ом
Перейдите на Шаг 12
Перейдите на Шаг 13
12
Замените модуль звуковой сигнализации.
Ремонт закончен?
-
Система в норме
-
13
  1. Удалить выключатель открытой двери водителя.
  2. Подключить омметр между выводом 4 разъема модуля звуковой сигнализации и разъемом выключателя открытой двери водителя.
Показывает ли омметр указанное значение?
≈ 0 Ом
Перейдите на Шаг 15
Перейдите на Шаг 14
14
Устранить разрыв цепи между выводом 4 разъема модуля звуковой сигнализации и разъемом выключателя открытой двери водителя.
Ремонт закончен?
-
Система в норме
-
15
Заменить датчик открывания двери водителя.
Ремонт закончен?
-
Система в норме
-

Не работает звуковая сигнализация скорости автомобиля

ШагОперацияЗначенияДаНет
1
Проверьте спидометр и убедитесь, что он нормально работает.
Спидометр работает правильно?
-
Перейдите на Шаг 3
Перейдите на Шаг 2
2
Отремонтируйте спидометр, прежде чем выполнять дальнейшие действия, перечисленные в этой диагностической таблице.
Ремонт закончен?
-
Система в норме
-
3
Проверить разъем модуля звуковой сигнализации и убедиться в правильности его подсоединения.
Отсоединен ли разъем или подсоединен частично?
-
Перейдите на Шаг 4
Перейдите на Шаг 5
4
Подсоединить электрический разъем модуля звуковой сигнализации.
Ремонт закончен?
-
Система в норме
-
5
Проверить предохранитель f16.
Перегорел ли предохранитель f16?
-
Перейдите на Шаг 6
Перейдите на Шаг 7
6
  1. Проверьте на предмет короткого замыкания и при необходимости устраните его.
  2. Замените предохранитель.
Ремонт закончен?
-
Система в норме
-
7
  1. Установите зажигание в положение on.
  2. Проверить напряжение на предохранителе f16.
Присутствует ли указанное напряжение на предохранителе f16?
11~14 В
Перейдите на Шаг 9
Перейдите на Шаг 8
8
Устранить разрыв цепи подачи электропитания на предохранитель f16.
Ремонт закончен?
-
Система в норме
-
9
  1. Отсоединить модуль звуковой сигнализации.
  2. Установите зажигание в положение on.
  3. Проверьте напряжение на выводе 8 разъема модуля звуковой сигнализации.
  4. Соответствует ли напряжение указанному значению?
11~14 В
Перейдите на Шаг 11
Перейдите на Шаг 10
10
Устранить разрыв цепи между предохранителем f16 и выводом 8 разъема модуля звуковой сигнализации.
Ремонт закончен?
-
Система в норме
-
11
Отсоединив модуль звуковой сигнализации, проверить с помощью омметра отсутствие обрывов цепи между выводом 5 разъема модуля звуковой сигнализации и массой.
Показывает ли омметр указанное значение?
≈ 0 Ом
Перейдите на Шаг 13
Перейдите на Шаг 12
12
Устранить разрыв цепи между выводом 5 разъема модуля звуковой сигнализации и массой.
Ремонт закончен?
-
Система в норме
-
13
  1. Отсоедините разъем модуля звуковой сигнализации.
  2. Снимите приборную панель.
  3. Проверить с помощью омметра отсутствие обрывов цепи между выводом 3 разъема модуля звуковой сигнализации и разъемом спидометра c4.
Показывает ли омметр указанное значение?
≈ 0 Ом
Перейдите на Шаг 15
Перейдите на Шаг 14
14
Устранить обрыв цепи между выводом 3 разъема модуля звуковой сигнализации и разъемом спидометра c4.
Ремонт закончен?
-
Система в норме
-
15
Замените модуль звуковой сигнализации.
Заработала ли звуковая сигнализация о скорости автомобиля после замены модуля звуковой сигнализации?
-
Система в норме
Перейдите на Шаг 16
16
Заменить спидометр.
Ремонт закончен?
-
Система в норме
-

ИНСТРУКЦИИ ПО РЕМОНТУ

РАБОТЫ НА АВТОМОБИЛЕ



UAA9E010
Показать иллюстрациюПеревод текста в иллюстрациях


ПРИКУРИВАТЕЛЬ

(показан левый привод, правый привод аналогичен)

Процедура снятия и установки

  1. Отсоедините провод от отрицательного вывода аккумуляторной батареи.
  2. Снять прикуриватель.
  3. Снять центральную крышку панели приборов. См. Центральная крышка панели приборов в этом разделе.


  4. UAA9E020
    Показать иллюстрациюПеревод текста в иллюстрациях


  5. Отсоединить электрические разъемы прикуривателя.
  6. Снять гнездо.
  7. Снять держатель гнезда.
  8. Установка производится в порядке, обратном снятию.


UAA9E030
Показать иллюстрациюПеревод текста в иллюстрациях


ОСВЕЩЕНИЕ ПЕПЕЛЬНИЦЫ

(показан левый привод, правый привод аналогичен)

Процедура снятия и установки

  1. Отсоедините провод от отрицательного вывода аккумуляторной батареи.
  2. Снять пепельницу.
  3. Снять центральную крышку панели приборов. См. Центральная крышка панели приборов в этом разделе.
  4. Снять подставку для чашки. См. Подставка для чашки в этом разделе.


  5. UAA9E040
    Показать иллюстрациюПеревод текста в иллюстрациях


  6. Снять винты.
  7. Отсоединить лампу освещения пепельницы.
  8. Снять держатель пепельницы.
  9. Установка производится в порядке, обратном снятию.


UAA9E050
Показать иллюстрациюПеревод текста в иллюстрациях


ПОДСТАВКА ДЛЯ ЧАШКИ

(показан левый привод, правый привод аналогичен)

Процедура снятия и установки

  1. Снять центральную крышку панели приборов. См. Центральная крышка панели приборов в этом разделе.
  2. Снять винты.
  3. Снять подставку для чашки.
  4. Установка производится в порядке, обратном снятию.


UAA9E060
Показать иллюстрациюПеревод текста в иллюстрациях


ВЕЩЕВОЙ ЯЩИК

(показан левый привод, правый привод аналогичен)

Процедура снятия и установки

  1. Удалить винты боковой обивки.
  2. Удалить ключи и крышку кондиционера.
  3. Снимите "бардачок".


  4. UAA9E070
    Показать иллюстрациюПеревод текста в иллюстрациях


  5. Снять уплотнитель.
  6. Снять боковую крышку.


  7. UAA9E080
    Показать иллюстрациюПеревод текста в иллюстрациях


  8. Снять винты.
  9. Снимите корпус вещевого ящика.
  10. Снять лампу освещения вещевого ящика. См. Раздел 9B, Освещение вещевого ящика.


  11. UAA9E090
    Показать иллюстрациюПеревод текста в иллюстрациях


  12. Снять центральную крышку панели приборов. См. Центральная крышка панели приборов в этом разделе.
  13. Снять винты.
  14. Снимите скобу крепления корпуса вещевого ящика.


  15. UAA9E100
    Показать иллюстрациюПеревод текста в иллюстрациях


  16. Отсоединить электрический разъем.
  17. Удалите выключатель освещения вещевого ящика.
  18. Установка производится в порядке, обратном снятию.


UAA9E110
Показать иллюстрациюПеревод текста в иллюстрациях


ПРАВЫЙ МОЛДИНГ ПАНЕЛИ ПРИБОРОВ

(показан левый привод, правый привод аналогичен)

Процедура снятия и установки

  1. Отсоедините провод от отрицательного вывода аккумуляторной батареи.
  2. Удалить ключи.


  3. UAA9E120
    Показать иллюстрациюПеревод текста в иллюстрациях


  4. Отсоединить электрический разъем цифровых часов.
  5. Снять винты.
  6. Снять цифровые часы.


UAA9E130
Показать иллюстрациюПеревод текста в иллюстрациях


ПАНЕЛЬ ОБЛИЦОВКИ КОМБИНАЦИИ ПРИБОРОВ

Процедура снятия и установки

  1. Отсоедините провод от отрицательного вывода аккумуляторной батареи.
  2. Снять аудиосистему. См. Раздел 9F, Аудиосистема.
  3. Снять узел контроля температуры. См. Раздел 7D, Узел контроля температуры.
  4. Снять держатель карточек,
  5. Отсоединить электрический разъем.


  6. UAA9E140
    Показать иллюстрациюПеревод текста в иллюстрациях


  7. Снять винты.
  8. отсоединить электрический разъем аварийной сигнализации.


  9. UAA9E150
    Показать иллюстрациюПеревод текста в иллюстрациях


  10. Снять винты.
  11. Снять центральную вентиляционную решетку.
  12. Установка производится в порядке, обратном снятию.


UAA9E160
Показать иллюстрациюПеревод текста в иллюстрациях


КОМБИНАЦИЯ ПРИБОРОВ

Процедура снятия и установки

  1. Отсоедините провод от отрицательного вывода аккумуляторной батареи.
  2. Снять щиток панели приборов. См. «Щиток панели приборов» в этом разделе.
  3. Снять винты.
  4. Снимите приборную панель.
  5. Отсоединить электрический разъем.
  6. Установка производится в порядке, обратном снятию.


UAA9E170
Показать иллюстрациюПеревод текста в иллюстрациях


СПИДОМЕТР/ТАХОМЕТР/УКАЗАТЕЛЬ УРОВНЯ ТОПЛИВА

Процедура снятия и установки

  1. Отсоедините провод от отрицательного вывода аккумуляторной батареи.
  2. Снимите приборную панель. См. «Комбинация приборов» в этом разделе.
  3. Снять стекло приборной панели.


  4. UAA9E180
    Показать иллюстрациюПеревод текста в иллюстрациях


  5. Снять винты.
  6. Установка производится в порядке, обратном снятию.


UAA9E190
Показать иллюстрациюПеревод текста в иллюстрациях


МОДУЛЬ ЗВУКОВОЙ СИГНАЛИЗАЦИИ

Процедура снятия и установки

  1. Отсоедините провод от отрицательного вывода аккумуляторной батареи.
  2. Снять панель обивки порога передней двери. См. Раздел 9G, Облицовка салона.
  3. Удалить фиксатор и винт.
  4. Снять боковую обивку кожуха.


  5. UAA9E200
    Показать иллюстрациюПеревод текста в иллюстрациях


  6. Удалить болт и гайку.
  7. Отсоединить электрический разъем.
  8. Заменить модуль звуковой сигнализации.
  9. Установка производится в порядке, обратном снятию.


UAA9E210
Показать иллюстрациюПеревод текста в иллюстрациях


ПАНЕЛЬ ПРИБОРОВ

Процедура снятия и установки

  1. Отсоедините провод от отрицательного вывода аккумуляторной батареи.
  2. Снять боковые молдинги панели приборов.
  3. Удалить винт.
  4. Снять нижнюю крышку панели приборов.
  5. Снять вещевой ящик/корпус; см. Вещевой ящик" в этом разделе.


  6. UAA9E220
    Показать иллюстрациюПеревод текста в иллюстрациях


  7. Снять винты.
  8. Снять центральную нижнюю крышку панели приборов.
  9. Снимите скобу крепления корпуса вещевого ящика. См. «Вещевой ящик» в этом разделе.


  10. UAA9E230
    Показать иллюстрациюПеревод текста в иллюстрациях


  11. Снять винты.
  12. Снять упор вещевого ящика.
  13. Снять модуль подушки безопасности пассажира. См. Раздел 8B, Модуль подушки безопасности пассажира.


  14. UAA9E240
    Показать иллюстрациюПеревод текста в иллюстрациях


  15. Снять щиток панели приборов. См. «Щиток панели приборов» в этом разделе.
  16. Снимите приборную панель. См. «Комбинация приборов» в этом разделе.


  17. UAA9E250
    Показать иллюстрациюПеревод текста в иллюстрациях


  18. Снять рулевое колесо и крышку рулевой колонки. См. Раздел 6E, Рулевая колонка.
  19. Поддеть и снять панель обивки передней стойки. См. Раздел 9G, Облицовка передней стойки.
  20. Снять винты.
  21. Замечания по установке
    Момент затяжки
    10 Н•м (89 lb-in)


    UAA9E260
    Показать иллюстрациюПеревод текста в иллюстрациях


  22. Снять гайки.
  23. Замечания по установке
    Момент затяжки
    20 Н•м (15 lb-ft)
  24. Снять винты.


  25. UAA9E270
    Показать иллюстрациюПеревод текста в иллюстрациях


  26. Снять гайки.
  27. Замечания по установке
    Момент затяжки
    20 Н•м (15 lb-ft)
  28. Снять винты.
  29. Снять панель приборов.
  30. Установка производится в порядке, обратном снятию.


UAA9E240
Показать иллюстрациюПеревод текста в иллюстрациях


РЫЧАЖОК ОСВОБОЖДЕНИЯ КАПОТА

Процедура снятия и установки

  1. Снять нижнюю крышку панели приборов. См. "Панель приборов" в этом разделе.
  2. Удалить болты.
  3. Замечания по установке
    Момент затяжки
    2 Н•м (18 lb-in)
  4. Снять рычажок освобождения капота.
  5. Удалить кабель освобождения капота.
  6. Установка производится в порядке, обратном снятию.


UAA9E280
Показать иллюстрациюПеревод текста в иллюстрациях


КОНТРОЛЬНЫЕ ЛАМПЫ КОМБИНАЦИИ ПРИБОРОВ

Процедура снятия и установки

  1. Отсоедините провод от отрицательного вывода аккумуляторной батареи.
  2. Снимите приборную панель. См. «Комбинация приборов» в этом разделе.
  3. Извлечь неисправную лампу из задней части комбинации.
  4. Установка производится в порядке, обратном снятию.

ТЕХНИЧЕСКИЕ ХАРАКТЕРИСТИКИ

ТЕХНИЧЕСКИЕ ХАРАКТЕРИСТИКИ КОНТРОЛЬНЫХ ЛАМП КОМБИНАЦИИ ПРИБОРОВ

Контрольная лампа
Цвет
Лампа
Предупреждение антиблокировочной системы
Желтый
14 В 1,4 Вт
Предупреждение о подушке безопасности
Красный
14 В 1,4 Вт
Индикатор заряда аккумуляторной батареи
Красный
14 В 1,4 Вт
Проверка предупреждения диагностической системы двигателя.
Желтый
14 В 1,4 Вт
Сигнализация открытой двери
Красный
14 В 1,4 Вт
Сигнализация перегрева двигателя.
Красный
14 В 1,4 Вт
Предупреждение о пристегивании ремней безопасности
Красный
14 В 1,4 Вт
Контрольная лампа передней противотуманной фары
Зеленый
14 В 1,4 Вт
Контрольная лампа аварийного сигнала
Красный
14 В 1,4 Вт
Индикатор дальнего света
Синий
14 В 1,4 Вт
Предупреждение о низком уровне топлива
Желтый
14 В 3 Вт
Предупреждение о давлении масла
Красный
14 В 1,4 Вт
Индикатор стояночного тормоза и предупреждение о тормозной жидкости
Красный
14 В 1,4 Вт
Контрольная лампа задних противотуманных фар
Желтый
14 В 1,4 Вт
Индикатор прицепа
Зеленый
14 В 1,4 Вт
Индикатор режима сцепления коробки передач
Желтый
14 В 1,4 Вт
Индикатор режима работы коробки передач
Желтый
14 В 1,4 Вт
Индикаторы указателей поворота
Зеленый
14 В 1,4 Вт

МОМЕНТЫ ЗАТЯЖКИ РЕЗЬБОВЫХ СОЕДИНЕНИЙ

ПРОГРАММА
n•m
фунт-фут
фунт-дюйм
Болты крепления панели приборов к кузову
22
16
-
Гайки крепления панели приборов к теплоизоляционной перегородке
10
-
89
Болты крепления панели приборов к полу
22
16
-
Болты крепления панели приборов к узлу педали
22
16
-
Болты рулевой колонки
22
16
-
Гайки рулевой колонки
22
16
-

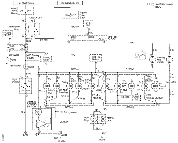
ПРИНЦИПИАЛЬНЫЕ И МОНТАЖНЫЕ СХЕМЫ

ЖГУТ ПРОВОДОВ ПАНЕЛИ ПРИБОРОВ (1 ИЗ 3) : mr-140


U5D19E05
Показать иллюстрациюПеревод текста в иллюстрациях


ПРИНЦИПИАЛЬНЫЕ И МОНТАЖНЫЕ СХЕМЫ

ЖГУТ ПРОВОДОВ ПАНЕЛИ ПРИБОРОВ (1 ИЗ 3) : sirius d4, eobd


U5D19E06
Показать иллюстрациюПеревод текста в иллюстрациях


ПРИНЦИПИАЛЬНЫЕ И МОНТАЖНЫЕ СХЕМЫ

ЖГУТ ПРОВОДОВ ПАНЕЛИ ПРИБОРОВ (1 ИЗ 3) : sirius d4, БЕЗ eobd


U5D19E07
Показать иллюстрациюПеревод текста в иллюстрациях


ПРИНЦИПИАЛЬНЫЕ И МОНТАЖНЫЕ СХЕМЫ

ЖГУТ ПРОВОДОВ ПАНЕЛИ ПРИБОРОВ (1 ИЗ 3) : itms-6f


U5D19E08
Показать иллюстрациюПеревод текста в иллюстрациях


ЖГУТ ПРОВОДОВ ПАНЕЛИ ПРИБОРОВ (2 ИЗ 3)


U5D19E09
Показать иллюстрациюПеревод текста в иллюстрациях


ЖГУТ ПРОВОДОВ ПАНЕЛИ ПРИБОРОВ (3 ИЗ 3)


U5D19E10
Показать иллюстрациюПеревод текста в иллюстрациях




На предыдущую страницуНа следующую страницу
https://vnx.su/ 🛠 Руководства по ремонту и эксплуатации для автомобилей

Поиск по сайту

Остались вопросы или пожелания? Пишите на почту: support@vnx.su

Карта Сайта