К началу документа
Tacuma
На предыдущую страницуНа следующую страницу
Главная страница GMDEЗагрузить нединамическое оглавлениеЗагрузить динамическое оглавлениеПомощь

РАЗДЕЛ 9D

СИСТЕМЫ СТЕКЛООЧИСТИТЕЛЕЙ/ОМЫВАТЕЛЕЙ

Внимание! Отсоедините провод от отрицательного вывода аккумулятора, прежде чем снимать или устанавливать какие-либо электрические устройства, а также в ситуации, когда есть возможность касания оголенных электрических контактов каким-либо инструментом или приспособлением. Отсоединение этого провода позволяет избежать травм и повреждения оборудования автомобиля. Кроме того, если не указано иное, зажигание должно находиться в положении LOCK.

ОПИСАНИЕ И РАБОТА

СИСТЕМА СТЕКЛООЧИСТИТЕЛЕЙ ВЕТРОВОГО СТЕКЛА

Система стеклоочистителей ветрового стекла состоит из электродвигателя стеклоочистителей, системы тяг, рычагов стеклоочистителей со щетками и выключателя стеклоочистителей/омывателей.
В цепи стеклоочистителей ветрового стекла установлено возвратное устройство, состоящее из червячной передачи и кулачкового диска. Устройство служит для временного поддержания цепи в замкнутом состоянии после перевода выключателя в выключенное положение. Система стеклоочистителей приводится в движение электродвигателем с магнитом постоянного типа. Электродвигатель стеклоочистителей ветрового стекла монтируется на щиток передка и соединяется непосредственно с системой тяг стеклоочистителей ветрового стекла. Электродвигатель стеклоочистителей ветрового стекла имеет две скорости: LO (низкую) и HI (высокую), а также способен работать в прерывающемся режиме. Выключатель стеклоочистителей является неотъемлемой частью выключателя стеклоочистителей/омывателей. Стеклоочистители ветрового стекла включаются рычагом, расположенным справа на рулевой колонке.

СИСТЕМА ОМЫВАТЕЛЕЙ ВЕТРОВОГО СТЕКЛА

В систему омывателей ветрового стекла входят бачок с омывающей жидкостью, насос омывающей жидкости, шланги, жиклеры и выключатель стеклоочистителей/омывателей. Бачок омывателя ветрового стекла установлен за брызговиком колесной арки переднего левого колеса. К бачку прикреплен насос омывателя, подающий омывающую жидкость через шланги в два жиклера, установленных на капоте. Выключатель омывателей является неотъемлемой частью выключателя стеклоочистителей/омывателей. Омыватели ветрового стекла включаются рычагом, расположенным справа на рулевой колонке.

СИСТЕМА СТЕКЛООЧИСТИТЕЛЯ/ОМЫВАТЕЛЯ ЗАДНЕГО СТЕКЛА

Система заднего стеклоочистителя состоит из электродвигателя стеклоочистителя, рычага стеклоочистителя и щетки. Электродвигатель заднего стеклоочистителя находится внутри задней двери и соединяется непосредственно со стеклоочистителем заднего стекла. В систему омывателя заднего стекла входят отдельный насос омывающей жидкости и шланг. В кузове «хэтчбэк» жиклер омывателя заднего стекла установлен на заднюю дверь, а в кузове «универсал» жиклер омывателя встроен в электродвигатель заднего стеклоочистителя. Бачок омывателя заднего стекла установлен за брызговиком колесной арки переднего левого колеса. К бачку прикреплен насос омывателя, подающий омывающую жидкость через шланг в жиклер заднего омывателя.

ДАТЧИК ДОЖДЯ (ТОЛЬКО ДЛЯ ЕВРОПЫ)

Датчик дождя установлен внутри ветрового стекла, рядом с зеркалом заднего вида. Датчик направляет луч инфракрасного света на ветровое стекло под углом 45 градусов. Если стекло сухое, большая часть света отражается от передней поверхности стекла обратно на датчик. Если на стекле есть капли воды, они отражают свет обратно на датчик. Электронный блок и программное обеспечение датчика включают стеклоочистители, если количество света, отраженного на датчик, уменьшается до определенного уровня. Если для стеклоочистителей установлен режим AUTO, устройство может задавать любую скорость работы стеклоочистителей. Программное обеспечение регулирует скорость стеклоочистителей в зависимости от скорости накопления влаги между стеклоочистителями. Система регулирует скорость стеклоочистителей так часто, как это необходимо, чтобы она соответствовала скорости накопления влаги.

ДИАГНОСТИКА

СТЕКЛООЧИСТИТЕЛИ ВЕТРОВОГО СТЕКЛА

Стеклоочистители ветрового стекла не работают ни на одной скорости

ШагОперацияЗначенияДаНет
1
Проверить предохранитель f12.
Перегорел ли предохранитель f12?
-
Перейдите на Шаг 2
Перейдите на Шаг 3
2
  1. Проверьте на предмет короткого замыкания и при необходимости устраните его.
  2. Замените предохранитель.
Ремонт закончен?
-
Система в норме
-
3
Проверить напряжение на предохранителе f12.
Равно ли напряжение указанному значению?
11~14 В
Перейдите на Шаг 5
Перейдите на Шаг 4
4
Устранить разрыв цепи подачи электропитания на предохранитель f12.
Ремонт закончен?
-
Система в норме
-
5
  1. Отсоединить разъем электродвигателя стеклоочистителей.
  2. Установите зажигание в положение on.
  3. Перевести выключатель стеклоочистителей в положение hi.
  4. Проверить напряжение на выводе 1 разъема электродвигателя стеклоочистителей.
Равно ли напряжение указанному значению?
11~14 В
Перейдите на Шаг 6
Перейдите на Шаг 7
6
Заменить электродвигатель стеклоочистителей.
Ремонт закончен?
-
Система в норме
-
7
  1. Выключатель стеклоочистителей по-прежнему отсоединен.
  2. Установите зажигание в положение on.
  3. Проверить подаваемое батареей напряжение на выводе А8 разъема выключателя стеклоочистителей.
Равно ли напряжение указанному значению?
11~14 В
Перейдите на Шаг 9
Перейдите на Шаг 8
8
Устранить разрыв цепи между выводом А8 разъема выключателя стеклоочистителей и предохранителем f12.
Ремонт закончен?
-
Система в норме
-
9
  1. Выключатель стеклоочистителей по-прежнему отсоединен.
  2. Перевести выключатель стеклоочистителей в положение hi.
  3. С помощью омметра проверить отсутствие обрывов цепи между выводами А8 и А9 выключателя стеклоочистителей.
Показывает ли омметр указанное значение?
≈ 0 Ом
Перейдите на Шаг 11
Перейдите на Шаг 10
10
Заменить выключатель стеклоочистителей.
Ремонт закончен?
-
Система в норме
-
11
Устранить разрыв цепи между выключателем стеклоочистителей и электродвигателем стеклоочистителей.
Ремонт закончен?
-
Система в норме
-

Стеклоочистители не работают на скорости hi, работают на скорости lo

ШагОперацияЗначенияДаНет
1
  1. Установите зажигание в положение on.
  2. Перевести выключатель стеклоочистителей в положение hi.
  3. Проверить напряжение на выводе 1 разъема электродвигателя стеклоочистителей.
Соответствует ли напряжение указанному значению?
11~14 В
Перейдите на Шаг 2
Перейдите на Шаг 3
2
Заменить электродвигатель стеклоочистителей.
Ремонт закончен?
-
Система в норме
-
3
  1. Отсоединить выключатель стеклоочистителей.
  2. Перевести выключатель стеклоочистителей в положение hi.
  3. С помощью омметра проверить отсутствие обрывов цепи между выводами А8 и А9 выключателя стеклоочистителей.
Показывает ли омметр указанное значение?
≈ 0 Ом
Перейдите на Шаг 5
Перейдите на Шаг 4
4
Заменить выключатель стеклоочистителей.
Ремонт закончен?
-
Система в норме
-
5
Устранить разрыв цепи между выводом А9 разъема выключателя стеклоочистителей и выводом 1 разъема электродвигателя стеклоочистителей.
Ремонт закончен?
-
Система в норме
-

Стеклоочистители не работают на скорости lo, работают на скорости hi

ШагОперацияЗначенияДаНет
1
  1. Установите зажигание в положение on.
  2. Перевести выключатель стеклоочистителей в положение lo.
  3. Проверить напряжение на выводе 2 разъема электродвигателя стеклоочистителей.
Равно ли напряжение указанному значению?
11~14 В
Перейдите на Шаг 2
Перейдите на Шаг 3
2
Заменить электродвигатель стеклоочистителей.
Ремонт закончен?
-
Система в норме
-
3
  1. Отсоединить выключатель стеклоочистителей.
  2. Перевести выключатель стеклоочистителей в положение lo.
  3. С помощью омметра проверить отсутствие обрывов цепи между выводами А8 и А5 выключателя стеклоочистителей.
Показывает ли омметр указанное значение?
≈ 0 Ом
Перейдите на Шаг 5
Перейдите на Шаг 4
4
Заменить выключатель стеклоочистителей.
Ремонт закончен?
-
Система в норме
-
5
Устранить разрыв цепи между выводом А5 разъема выключателя стеклоочистителей и выводом 2 разъема электродвигателя стеклоочистителей.
Ремонт закончен?
-
Система в норме
-

Стеклоочистители не работают в прерывающемся режиме (int), на других скоростях работают

ШагОперацияЗначенияДаНет
1
  1. Установите зажигание в положение on.
  2. С помощью вольтметра проверить напряжение на выводе 15 разъема реле стеклоочистителей.
Соответствует ли напряжение указанному значению?
11~14 В
Перейдите на Шаг 3
Перейдите на Шаг 2
2
Устранить разрыв цепи между выводом 15 разъема реле стеклоочистителей и предохранителем f12.
Ремонт закончен?
-
Система в норме
-
3
  1. Установите зажигание в положение on.
  2. Перевести выключатель стеклоочистителей в положение int.
  3. Проверить напряжение на выводе i разъема реле стеклоочистителей.
Показывает ли вольтметр напряжение, соответствующее указанному значению?
11~14 В
Перейдите на Шаг 7
Перейдите на Шаг 4
4
Проверить целостность цепи между выводом А7 разъема выключателя стеклоочистителей и выводом i разъема реле стеклоочистителей.
Цепь разомкнута?
-
Перейдите на Шаг 6
Перейдите на Шаг 5
5
Заменить выключатель стеклоочистителей.
Ремонт закончен?
-
Система в норме
-
6
Устранить разрыв цепи между выводом А7 разъема выключателя стеклоочистителей и выводом i разъема реле стеклоочистителей.
Ремонт закончен?
-
Система в норме
-
7
  1. Установите зажигание в положение on.
  2. Перевести выключатель стеклоочистителей в положение int.
  3. Проверить наличие импульсного напряжения на выводе 53e разъема реле стеклоочистителей.
  4. Показывает ли вольтметр пульсирующее напряжение, соответствующее указанному значению?
11~14 В
Перейдите на Шаг 11
Перейдите на Шаг 8
8
С помощью омметра проверить сопротивление между массой и выводом 31 разъема реле стеклоочистителя.
Равно ли сопротивление указанному значению?
≈ 0 Ом
Перейдите на Шаг 10
Перейдите на Шаг 9
9
Устранить разрыв цепи массы.
Ремонт закончен?
-
Система в норме
-
10
Заменить реле стеклоочистителей.
Ремонт закончен?
-
Система в норме
-
11
  1. Зажигание в положении on.
  2. Проверить напряжение на выводе a6 разъема выключателя стеклоочистителей.
  3. Пульсирует ли напряжение по указанному значению?
11~14 В
Перейдите на Шаг 12
Перейдите на Шаг 13
12
Заменить выключатель стеклоочистителей.
Ремонт закончен?
-
Система в норме
-
13
Устранить разрыв цепи между выключателем стеклоочистителей и реле стеклоочистителей.
Ремонт закончен?
-
Система в норме
-

Стеклоочистители ветрового стекла не возвращаются в исходное положение

ШагОперацияЗначенияДаНет
1
  1. Установите зажигание в положение on.
  2. Проверить напряжение на выводе 5 разъема электродвигателя стеклоочистителей.
  3. Равно ли напряжение указанному значению?
11~14 В
Перейдите на Шаг 3
Перейдите на Шаг 2
2
Устранить разрыв цепи между выводом 5 разъема электродвигателя стеклоочистителей и предохранителем f12.
Ремонт закончен?
-
Система в норме
-
3
  1. Перевести выключатель стеклоочистителей в положение hi.
  2. Переключая выключатель стеклоочистителей в выключенное положение, проверить напряжение на выводе 5 разъема электродвигателя стеклоочистителей.
  3. Соответствует ли напряжение указанному значению при установке выключателя стеклоочистителей в выключенное положение?
11~14 В
Перейдите на Шаг 5
Перейдите на Шаг 4
4
Заменить электродвигатель стеклоочистителей.
Ремонт закончен?
-
Система в норме
-
5
  1. Отсоедините реле стеклоочистителей.
  2. Проверьте целостность цепи между выводами 31b и 53e реле стеклоочистителей.
  3. Показывает ли омметр указанное значение?
≈ 0 Ом
Перейдите на Шаг 6
Перейдите на Шаг 7
6
Устранить разрыв цепи между реле стеклоочистителей и электродвигателем стеклоочистителей.
Ремонт закончен?
-
Система в норме
-
7
Заменить реле стеклоочистителей.
Ремонт закончен?
-
Система в норме
-

Стеклоочистители не работают в режиме auto, на других скоростях работают

ШагОперацияЗначенияДаНет
1
  1. Установите зажигание в положение on.
  2. Перевести выключатель стеклоочистителей в положение auto.
Проверить с помощью вольтметра, есть ли напряжение аккумулятора на выводе 5 разъема датчика дождя.
11~14 В
Перейдите на Шаг 5
Перейдите на Шаг 2
2
Проверить целостность цепи между выводом b1 разъема выключателя стеклоочистителей (b1 без системы предотвращения запотевания заднего стекла) и выводом 5 разъема датчика дождя.
Цепь разомкнута?
11~14 В
Перейдите на Шаг 4
Перейдите на Шаг 3
3
Заменить выключатель стеклоочистителей.
Ремонт закончен?
-
Система в норме
-
4
Отремонтировать цепь между выводом b1 разъема выключателя стеклоочистителей (b1 без системы предотвращения запотевания заднего стекла) и выводом 5 разъема датчика дождя.
Ремонт закончен?
-
Система в норме
-
5
  1. Установите зажигание в положение on.
  2. Перевести выключатель стеклоочистителей в положение auto.
Проверить с помощью вольтметра, есть ли импульсное напряжение на выводе 3 разъема электродвигателя стеклоочистителя?
11~14 В
Перейдите на Шаг 7
Перейдите на Шаг 6
6
Заменить электродвигатель стеклоочистителей.
Ремонт закончен?
-
Система в норме
-
7
  1. Зажигание в положении on.
  2. Проверить напряжение на выводе a6 разъема выключателя стеклоочистителей.
Достигают ли импульсы напряжения указанного значения?
11~14 В
Перейдите на Шаг 8
Перейдите на Шаг 9
8
Заменить неисправный выключатель стеклоочистителей.
Ремонт закончен?
-
Система в норме
-
9
Устранить разрыв цепи между выключателем стеклоочистителей и электродвигателем стеклоочистителей.
Ремонт закончен?
-
Система в норме
-

СИСТЕМА ОМЫВАТЕЛЕЙ ВЕТРОВОГО СТЕКЛА

Омыватель ветрового стекла не работает, стеклоочистители работают нормально

ШагОперацияЗначенияДаНет
1
Активизировать выключатель омывателя ветрового стекла.
Работают ли стеклоочистители ветрового стекла при активизации выключателя омывателя?
-
Перейдите на Шаг 4
Перейдите на Шаг 2
2
  1. Установите зажигание в положение on.
  2. При активизированном выключателе омывателя проверить напряжение на выводе a4 разъема выключателя стеклоочистителей.
Соответствует ли напряжение указанному значению?
11~14 В
Перейдите на Шаг 8
Перейдите на Шаг 3
3
Заменить выключатель стеклоочистителей ветрового стекла.
Ремонт закончен?
-
Система в норме
-
4
Проверить бачок омывателя ветрового стекла.
Если ли в бачке омывающая жидкость?
-
Перейдите на Шаг 6
Перейдите на Шаг 5
5
Наполнить бачок омывателя ветрового стекла.
Ремонт закончен?
-
Система в норме
-
6
Проверить шланги и жиклеры омывателя ветрового стекла.
Засорены или повреждены ли шланги и жиклеры омывателя ветрового стекла?
-
Перейдите на Шаг 7
Перейдите на Шаг 8
7
Отремонтировать шланги и жиклеры омывателя.
Ремонт закончен?
-
Система в норме
-
8
  1. Установите зажигание в положение on.
  2. При активизированном омывателе ветрового стекла проверить напряжение на насосе омывателя ветрового стекла.
Равно ли напряжение указанному значению?
11~14 В
Перейдите на Шаг 10
Перейдите на Шаг 9
9
Устранить разрыв цепи между насосом омывателя ветрового стекла и выключателем стеклоочистителей ветрового стекла.
Ремонт закончен?
-
Система в норме
-
10
С помощью омметра проверить сопротивление между массой и выводом 1 разъема насоса омывателя ветрового стекла.
Равно ли сопротивление указанному значению?
≈ 0 Ом
Перейдите на Шаг 12
Перейдите на Шаг 11
11
Устранить обрыв цепи массы насоса омывателя ветрового стекла.
Ремонт закончен?
-
Система в норме
-
12
Заменить насос омывателя ветрового стекла.
Ремонт закончен?
-
Система в норме
-

СТЕКЛООЧИСТИТЕЛЬ ЗАДНЕГО СТЕКЛА

Рекомендации по диагностике

Если передний стеклоочиститель работает нормально, нет необходимости проверять предохранитель цепи электропитания. Начинайте диагностику с Шаг 5 в приведенной ниже таблице.
ШагОперацияЗначенияДаНет
1
Проверить предохранитель f12.
Перегорел ли предохранитель f12?
-
Перейдите на Шаг 2
Перейдите на Шаг 3
2
  1. Проверьте на предмет короткого замыкания и при необходимости устраните его.
  2. Замените предохранитель.
  3. Ремонт закончен?
-
Система в норме
-
3
  1. Установите зажигание в положение on.
  2. Проверить напряжение на предохранителе f12.
  3. Присутствует ли указанное напряжение на предохранителе f12?
11~14 В
Перейдите на Шаг 5
Перейдите на Шаг 4
4
Устранить разрыв цепи подачи электропитания на предохранитель f12.
Ремонт закончен?
-
Система в норме
-
5
  1. Отсоединить разъем стеклоочистителя заднего стекла.
  2. Установите зажигание в положение on.
  3. Проверить напряжение на КРС/ЧЕР проводе.
Соответствует ли напряжение указанному значению?
11~14 В
Перейдите на Шаг 7
Перейдите на Шаг 6
6
Устранить разрыв цепи КРС/ЧЕР провода между предохранителем f12 и электродвигателем стеклоочистителя заднего стекла.
Ремонт закончен?
-
Система в норме
-
7
При отключенном стеклоочистителе заднего стекла проверить с помощью омметра целостность цепи между ЧЕР проводом и массой.
Показывает ли омметр указанное значение?
≈ 0 Ом
Перейдите на Шаг 9
Перейдите на Шаг 8
8
Устранить разрыв цепи массы для электродвигателя стеклоочистителя заднего стекла.
Ремонт закончен?
-
Система в норме
-
9
  1. Установите зажигание в положение on.
  2. Перевести выключатель стеклоочистителя заднего стекла в положение on.
  3. Проверить напряжение на КОР/БЕЛ проводе у разъема стеклоочистителя заднего стекла.
Показывает ли вольтметр указанное значение?
11~14 В
Перейдите на Шаг 10
Перейдите на Шаг 11
10
Заменить электродвигатель стеклоочистителя заднего стекла.
Ремонт закончен?
-
Система в норме
-
11
  1. Отсоединить разъем выключателя стеклоочистителя заднего стекла.
  2. Установите зажигание в положение on.
  3. Проверить напряжение на выводе a3 разъема.
Равно ли напряжение указанному значению?
11~14 В
Перейдите на Шаг 13
Перейдите на Шаг 12
12
Устранить разрыв цепи между предохранителем f12 и выводом А3 разъема выключателя стеклоочистителя заднего стекла.
Ремонт закончен?
-
Система в норме
-
13
  1. Подключить омметр между выводами a1 и a3 выключателя стеклоочистителя заднего стекла.
  2. Перевести выключатель стеклоочистителя заднего стекла в положение wipe.
  3. Показывает ли омметр указанное значение?
≈ 0 Ом
Перейдите на Шаг 14
Перейдите на Шаг 15
14
Устранить разрыв цепи между выводом a1 разъема стеклоочистителя заднего стекла и электродвигателем стеклоочистителя заднего стекла.
Ремонт закончен?
-
Система в норме
-
15
Заменить выключатель стеклоочистителя заднего стекла.
Ремонт закончен?
-
Система в норме
-

СИСТЕМА ОМЫВАТЕЛЕЙ ЗАДНЕГО СТЕКЛА

ШагОперацияЗначенияДаНет
1
Проверить уровень омывающей жидкости.
Если ли в бачке омывающая жидкость?
-
Перейдите на Шаг 3
Перейдите на Шаг 2
2
Наполнить бачок омывателя.
Ремонт закончен?
-
Система в норме
-
3
Убедиться, что шланги не засорены и не текут.
  • Отсоединить шланг омывателя.
  • Продуть шланг омывателя в сторону бачка и в сторону жиклера.
Засорены или протекают ли шланги?
-
Перейдите на Шаг 4
Перейдите на Шаг 5
4
Отремонтировать или заменить шланги.
Ремонт закончен?
-
Система в норме
-
5
Проверить работу стеклоочистителя заднего стекла.
Правильно ли работает стеклоочиститель заднего стекла?
-
Перейдите на Шаг 7
Перейдите на Шаг 6
6
Отремонтировать стеклоочиститель заднего стекла.
Правильно ли работает стеклоочиститель заднего стекла?
-
Перейдите на Шаг 7
-
7
  1. Отсоединить электрический разъем насоса омывателя заднего стекла.
  2. С помощью омметра проверить целостность цепи между выводом 1 и массой.
Показывает ли омметр указанное значение?
≈ 0 Ом
Перейдите на Шаг 9
Перейдите на Шаг 8
8
Устранить обрыв или высокое сопротивление в цепи массы.
Ремонт закончен?
-
Система в норме
-
9
  1. Включите омыватель заднего стекла.
  2. Проверить напряжение на выводе 2 разъема насоса омывателя заднего стекла (ТЕМ ЗЕЛ/ЧЕР).
Равно ли напряжение указанному значению?
11~14 В
Перейдите на Шаг 10
Перейдите на Шаг 11
10
Заменить насос омывателя заднего стекла.
Ремонт закончен?
-
Система в норме
-
11
  1. Отсоединить выключатель стеклоочистителя заднего стекла.
  2. Подключить омметр между выводами a3 и a2 выключателя стеклоочистителя заднего стекла.
  3. Заметить показания омметра при переводе выключателя заднего стеклоочистителя в положение wash.
Показывает ли омметр указанное значение?
≈ 0 Ом
Перейдите на Шаг 12
Перейдите на Шаг 13
12
Устранить разрыв цепи между выводами a2 (ТЕМ ЗЕЛ/ЧЕР) разъема выключателя стеклоочистителя заднего стекла и выводом 2 (ТЕМ ЗЕЛ/ЧЕР) насоса омывателя заднего стекла.
Ремонт закончен?
-
Система в норме
-
13
Заменить выключатель стеклоочистителя заднего стекла.
Ремонт закончен?
-
Система в норме
-

ИНСТРУКЦИИ ПО РЕМОНТУ

РАБОТЫ НА АВТОМОБИЛЕ



UAA9D010
Показать иллюстрациюПеревод текста в иллюстрациях


РЫЧАГ СТЕКЛООЧИСТИТЕЛЯ ВЕТРОВОГО СТЕКЛА

Процедура снятия и установки

  1. Открыть капот.
  2. Снять колпачок и открыть доступ к гайке рычага стеклоочистителя (при необходимости).
  3. Снять гайку с рычага стеклоочистителя.
  4. Замечания по установке
  5. Момент затяжки
    20 Н•м (15 lb-ft)

    Примечание: Непосредственный контакт разнородных металлов может привести к быстрой коррозии. Во избежание преждевременной коррозии используйте надлежащий крепеж.

  6. Стянуть рычаг стеклоочистителя.
  7. Установка производится в порядке, обратном снятию.


UAA9D020
Показать иллюстрациюПеревод текста в иллюстрациях


ЭЛЕКТРОДВИГАТЕЛЬ СТЕКЛООЧИСТИТЕЛЯ ВЕТРОВОГО СТЕКЛА

Процедура снятия и установки

  1. Отсоедините провод от отрицательного вывода аккумуляторной батареи.
  2. Снять узел рычага стеклоочистителя.
  3. Снять вентиляционную решетку в облицовке рамы ветрового стекла. См. раздел 9R, «Передняя часть кузова».
  4. Удалить болты и шайбу крепления тяги рычага стеклоочистителя к валу электродвигателя.
  5. Замечания по установке
    Момент затяжки
    10 Н•м (89 lb-in)


    UAA9D030
    Показать иллюстрациюПеревод текста в иллюстрациях


  6. Снять систему тяг рычага стеклоочистителя с ведущего вала электродвигателя.
  7. Отсоединить электрический разъем.
  8. Удалить болты и гайку.
  9. Примечание: Непосредственный контакт разнородных металлов может привести к быстрой коррозии. Во избежание преждевременной коррозии используйте надлежащий крепеж.

  10. Установка производится в порядке, обратном снятию.


B109D004
Показать иллюстрациюПеревод текста в иллюстрациях


ЩЕТКА СТЕКЛООЧИСТИТЕЛЯ ВЕТРОВОГО СТЕКЛА

Процедура снятия и установки

  1. Повернуть щетку стеклоочистителя на рычаге.
  2. Нажав на фиксатор, потянуть щетку стеклоочистителя вниз вдоль рычага стеклоочистителя и снять щетку.
  3. Установка производится в порядке, обратном снятию.


B109O001
Показать иллюстрациюПеревод текста в иллюстрациях


БАЧОК ОМЫВАТЕЛЯ ВЕТРОВОГО СТЕКЛА

Процедура снятия и установки

  1. Отсоедините провод от отрицательного вывода аккумуляторной батареи.
  2. Снять переднюю левую панель. См. раздел 2Е, «Шины и диски».
  3. Снять болты и винты и брызговик передней колесной арки.
  4. Замечания по установке
    Момент затяжки
    2 Н•м (18 lb-in)

    Примечание: Непосредственный контакт разнородных металлов может привести к быстрой коррозии. Во избежание преждевременной коррозии используйте надлежащий крепеж.



    UAA9D040
    Показать иллюстрациюПеревод текста в иллюстрациях


  5. Отсоединить шланг омывателя от насоса омывателя.
  6. Отсоединить электрический разъем насоса бачка.
  7. Установка производится в порядке, обратном снятию.


UAA9D050
Показать иллюстрациюПеревод текста в иллюстрациях


НАСОС ОМЫВАТЕЛЯ ВЕТРОВОГО СТЕКЛА

Процедура снятия и установки

  1. Отсоедините провод от отрицательного вывода аккумуляторной батареи.
  2. Снять переднюю левую панель. См. раздел 2Е, «Шины и диски».
  3. Снять болты и винты и брызговик передней колесной арки.
  4. Замечания по установке
    Момент затяжки
    2 Н•м (18 lb-in)

    Примечание: Непосредственный контакт разнородных металлов может привести к быстрой коррозии. Во избежание преждевременной коррозии используйте надлежащий крепеж.

  5. Отсоединить электрический разъем.
  6. Отсоединить шланг омывателя от насоса омывателя.
  7. Снять насос омывателя.
  8. Установка производится в порядке, обратном снятию.


UAA9D060
Показать иллюстрациюПеревод текста в иллюстрациях


ЖИКЛЕРЫ ОМЫВАТЕЛЯ ВЕТРОВОГО СТЕКЛА

Процедура снятия и установки

  1. Отсоединить шланг омывателя от жиклера.
  2. Снять жиклер с капота.
  3. Установка производится в порядке, обратном снятию.


UAA9D060
Показать иллюстрациюПеревод текста в иллюстрациях


ШЛАНГИ ОМЫВАТЕЛЯ ВЕТРОВОГО СТЕКЛА

Процедура снятия и установки

  1. Отсоединить шланг омывателя от жиклера.


  2. UAA9D040
    Показать иллюстрациюПеревод текста в иллюстрациях


  3. Снять переднюю левую панель. См. раздел 2Е, «Шины и диски».
  4. Снять болты и винты и брызговик передней колесной арки.
  5. Примечание: Непосредственный контакт разнородных металлов может привести к быстрой коррозии. Во избежание преждевременной коррозии используйте надлежащий крепеж.

  6. Отсоединить шланг омывателя от бачка омывателя.
  7. Снять шланг омывателя.
  8. Установка производится в порядке, обратном снятию.


UAA9D080
Показать иллюстрациюПеревод текста в иллюстрациях


РЫЧАГ ОЧИСТИТЕЛЯ ЗАДНЕГО СТЕКЛА

Процедура снятия и установки

  1. Открыть колпачок доступа к рычагу стеклоочистителя.
  2. Снять шланг омывателя.
  3. Удалить гайку.
  4. Замечания по установке
    Момент затяжки
    11 Н•м (97 lb-in)

    Примечание: Непосредственный контакт разнородных металлов может привести к быстрой коррозии. Во избежание преждевременной коррозии используйте надлежащий крепеж.

  5. Стянуть рычаг стеклоочистителя.
  6. Установка производится в порядке, обратном снятию.


UAA9D070
Показать иллюстрациюПеревод текста в иллюстрациях


ЭЛЕКТРОДВИГАТЕЛЬ ОЧИСТИТЕЛЯ ЗАДНЕГО СТЕКЛА

Процедура снятия и установки

  1. Отсоедините провод от отрицательного вывода аккумуляторной батареи.
  2. Снять рычаг стеклоочистителя заднего стекла. См. «Рычаг стеклоочистителя заднего стекла» в этом разделе.
  3. Снять обивку задней двери. См. Раздел 9G, Облицовка салона.
  4. Отсоединить электрический разъем.
  5. Снять шланг омывателя.
  6. Снять болты и электродвигатель заднего стеклоочистителя.


  7. UAA9D070
    Показать иллюстрациюПеревод текста в иллюстрациях


    Замечания по установке
    Момент затяжки
    9 Н•м (80 lb-in)

    Примечание: Непосредственный контакт разнородных металлов может привести к быстрой коррозии. Во избежание преждевременной коррозии используйте надлежащий крепеж.

  8. Установка производится в порядке, обратном снятию.


J3B19D11
Показать иллюстрациюПеревод текста в иллюстрациях


ДАТЧИК ДОЖДЯ

Процедура снятия

  1. Отсоедините провод от отрицательного вывода аккумуляторной батареи.
  2. Снять крышку датчика дождя.
  3. Отсоединить электрический разъем.
  4. Снять датчик дождя.
  5. * Узел датчика дождя установлен внутри ветрового стекла, рядом с зеркалом заднего вида.


J3B19D11
Показать иллюстрациюПеревод текста в иллюстрациях


Процедура установки

  1. Установить датчик дождя на место.
  2. Подсоединить электрический разъем.
  3. Установить крышку датчика дождя.
  4. Присоедините провод к отрицательному выводу аккумуляторной батареи.

ТЕХНИЧЕСКИЕ ХАРАКТЕРИСТИКИ

МОМЕНТЫ ЗАТЯЖКИ РЕЗЬБОВЫХ СОЕДИНЕНИЙ

ПРОГРАММА
n•m
фунт-фут
фунт-дюйм
Болты брызговика передней колесной арки
1.5
-
13
Болты бачка омывателя
15
11
-
Гайка крепления рычага стеклоочистителя
8.5
-
75
Гайка рычага стеклоочистителя
11
-
97
Болты электродвигателя стеклоочистителей
9
-
80

ПРИНЦИПИАЛЬНЫЕ И МОНТАЖНЫЕ СХЕМЫ

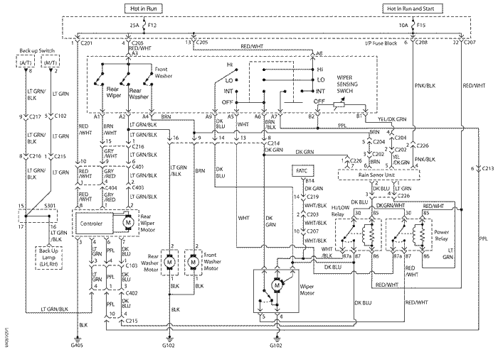
СИСТЕМА СТЕКЛООЧИСТИТЕЛЕЙ И ОМЫВАТЕЛЕЙ ВЕТРОВОГО И ЗАДНЕГО СТЕКЛА (С ПРЕРЫВИСТЫМ РЕЖИМОМ: ЗАДНЕГО)


U5D19D01
Показать иллюстрациюПеревод текста в иллюстрациях


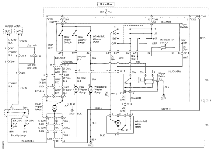
ПРИНЦИПИАЛЬНЫЕ И МОНТАЖНЫЕ СХЕМЫ

СИСТЕМА СТЕКЛООЧИСТИТЕЛЕЙ И ОМЫВАТЕЛЕЙ ВЕТРОВОГО И ЗАДНЕГО СТЕКЛА (БЕЗ ПРЕРЫВИСТОГО РЕЖИМА: ЗАДНЕГО)


U5D19D02
Показать иллюстрациюПеревод текста в иллюстрациях


ПРИНЦИПИАЛЬНЫЕ И МОНТАЖНЫЕ СХЕМЫ

СИСТЕМА СТЕКЛООЧИСТИТЕЛЕЙ И ОМЫВАТЕЛЕЙ ВЕТРОВОГО И ЗАДНЕГО СТЕКЛА (ДАТЧИК ДОЖДЯ); (ТОЛЬКО ДЛЯ ЕВРОПЫ)


U5D19D03
Показать иллюстрациюПеревод текста в иллюстрациях




На предыдущую страницуНа следующую страницу
https://vnx.su/ 🛠 Руководства по ремонту и эксплуатации для автомобилей

Поиск по сайту

Остались вопросы или пожелания? Пишите на почту: support@vnx.su

Карта Сайта