To the top of the document
Orlando
   
GMDE Start Page Load static TOC Load dynamic TOC Help?

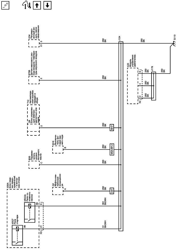
g110 (lnp)


          
            |                         |            
2564909RU.png

Display graphic

G110 (2H0) и G112

G103, G104 и G105

   


© copyright chevrolet. All rights reserved