To the top of the document
Orlando
   
GMDE Start Page Load static TOC Load dynamic TOC Help?

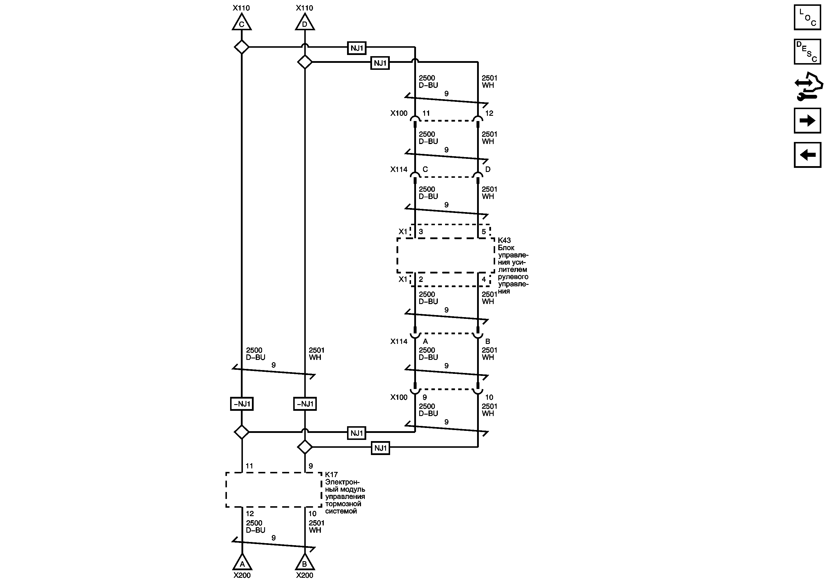
Высокоскоростная gmlan (2 из 2)


          
            |                         |            
2564577RU.png

Display graphic

Низкоскоростная сеть GMLAN

High Speed GMLAN (1 of 2)

High Speed GMLAN (1 of 2)

   


© copyright chevrolet. All rights reserved