To the top of the document
Orlando
   
GMDE Start Page Load static TOC Load dynamic TOC Help?

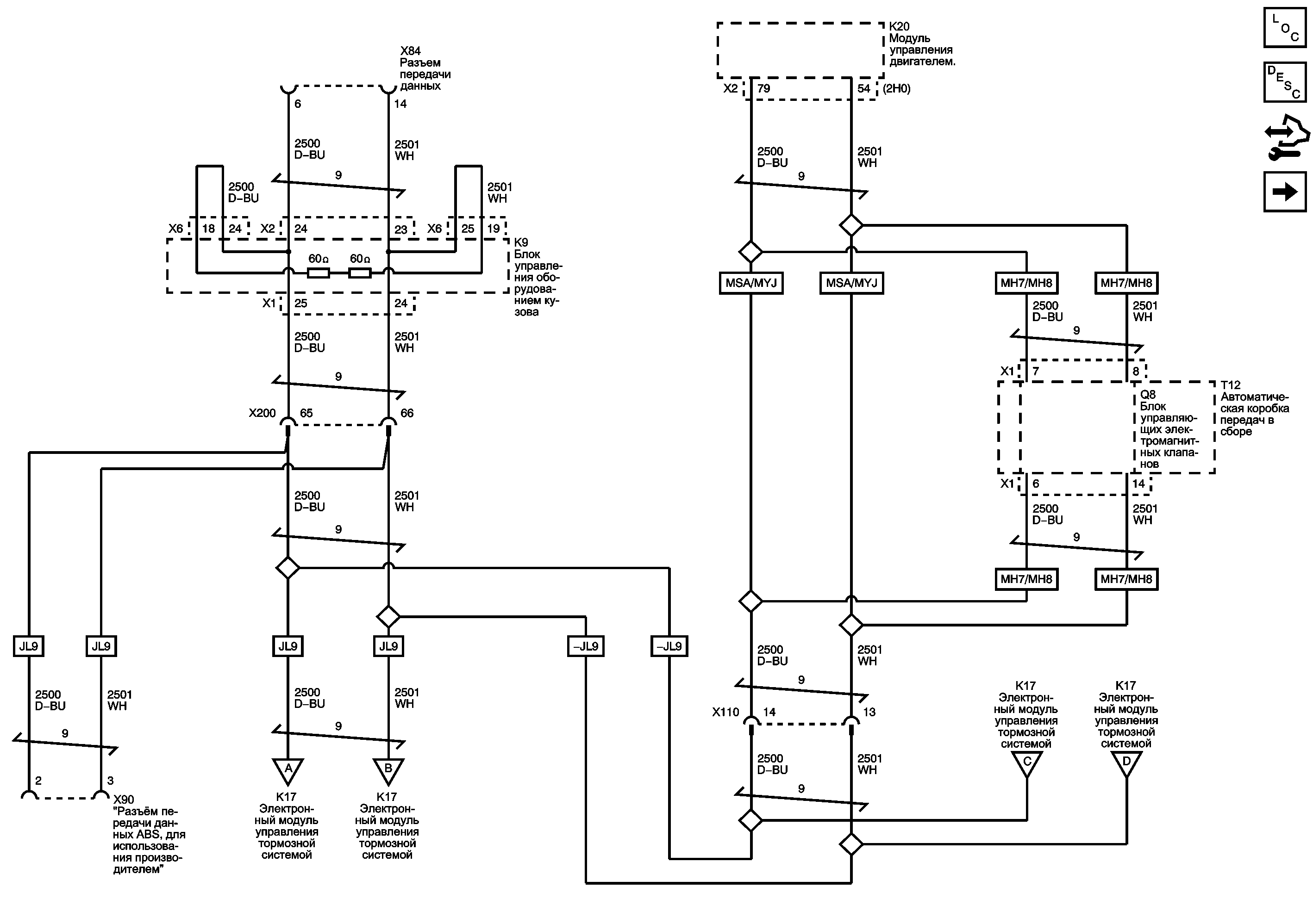
Высокоскоростная gmlan (1 из 2)


          
            |                         |            
2564574RU.png

Display graphic

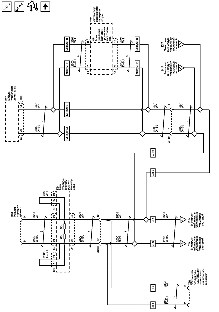
Высокоскоростная GMLAN (2 из 2)

Высокоскоростная GMLAN (2 из 2)

   


© copyright chevrolet. All rights reserved