To the top of the document
Orlando
   
GMDE Start Page Load static TOC Load dynamic TOC Help?

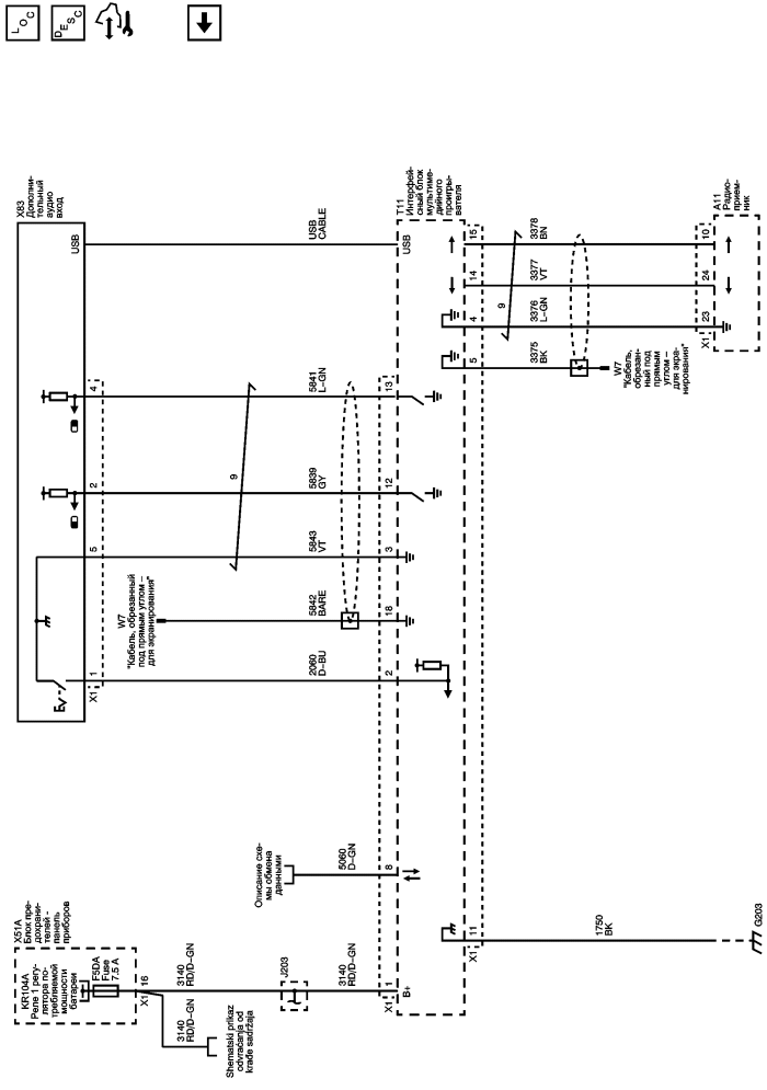
Интерфейс мультимедийного плеера (КТА)


          
            |                         |            
2564100RU.png

Display graphic

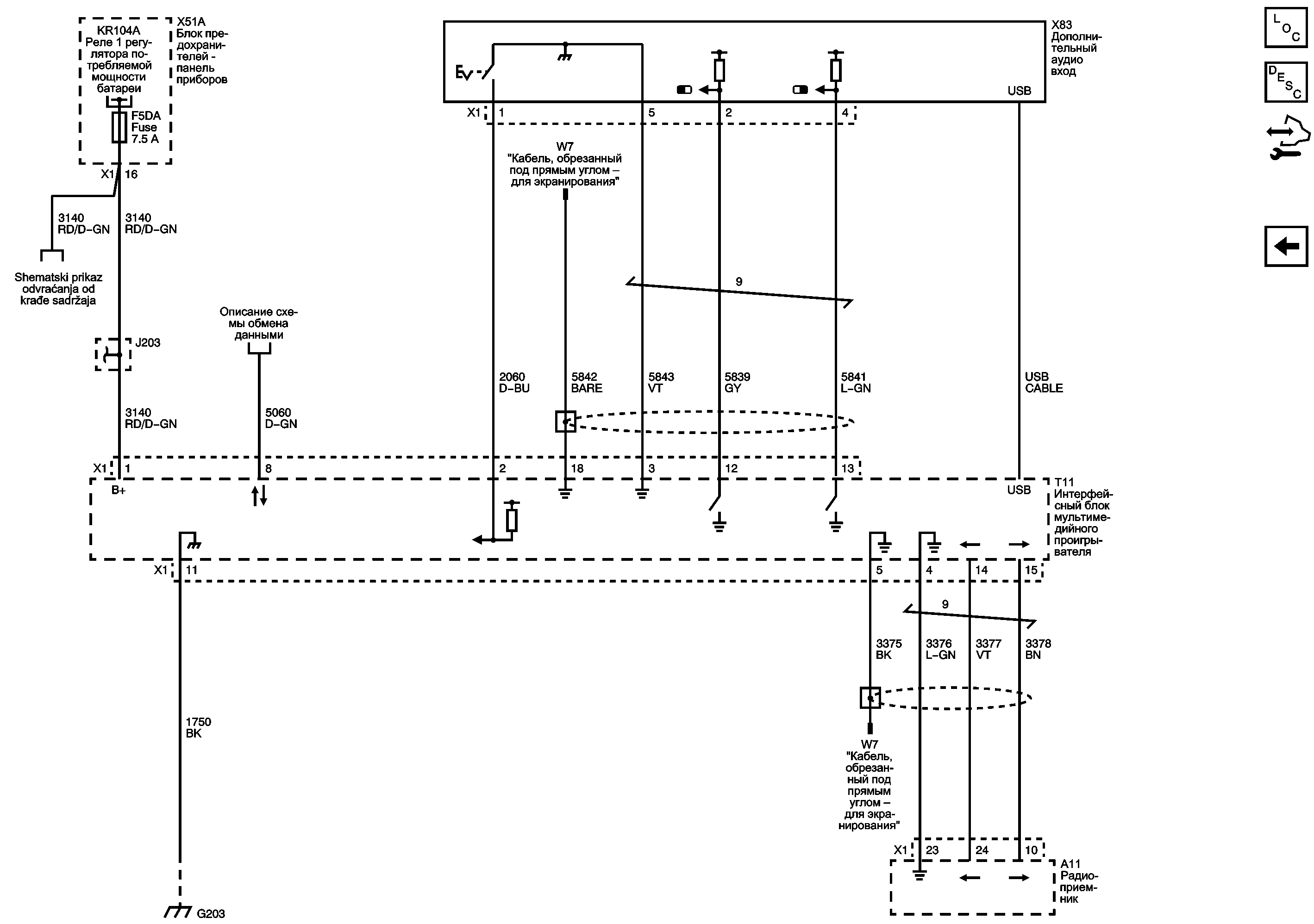
Вход аудио (без KTA)

Speakers

   


© copyright chevrolet. All rights reserved