Orlando |
||||||||
|
|
|
|||||||

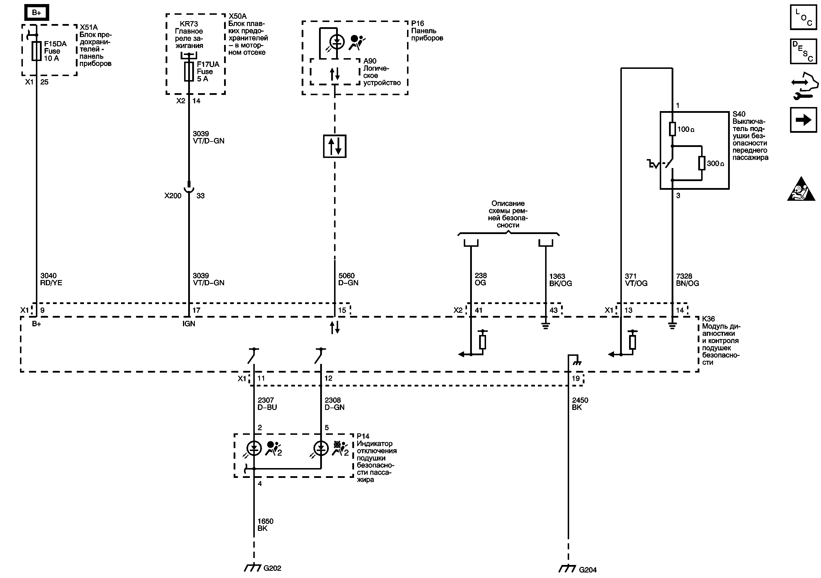
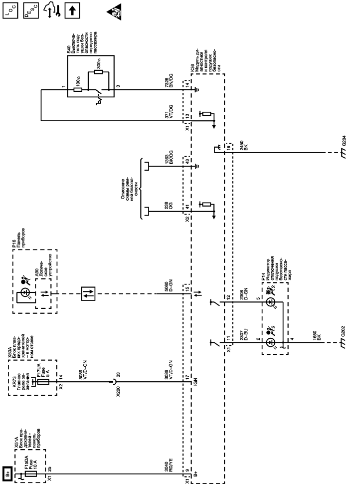
Список электрических компонентов управления
Описание и принцип работы системы подушек безопасности (SIR)
Модуль управления Справочные сведения
Значки на основной принципиальной электрической схеме
Предохранители F14DA, F15DA, F17DA, F21DA, F23DA, F24DA и F25DA
Предохранители F16UA, F17UA, F18UA, F52UA, F54UA и F57UA
Выключатель ремня безопасности сиденья водителя
| https://vnx.su/ 🛠 Руководства по ремонту и эксплуатации для автомобилей |
| https://vnx.su/ 🛠 Руководства по ремонту и эксплуатации для автомобилей |