Orlando |
||||||||
|
|
|
|||||||

Список электрических компонентов управления
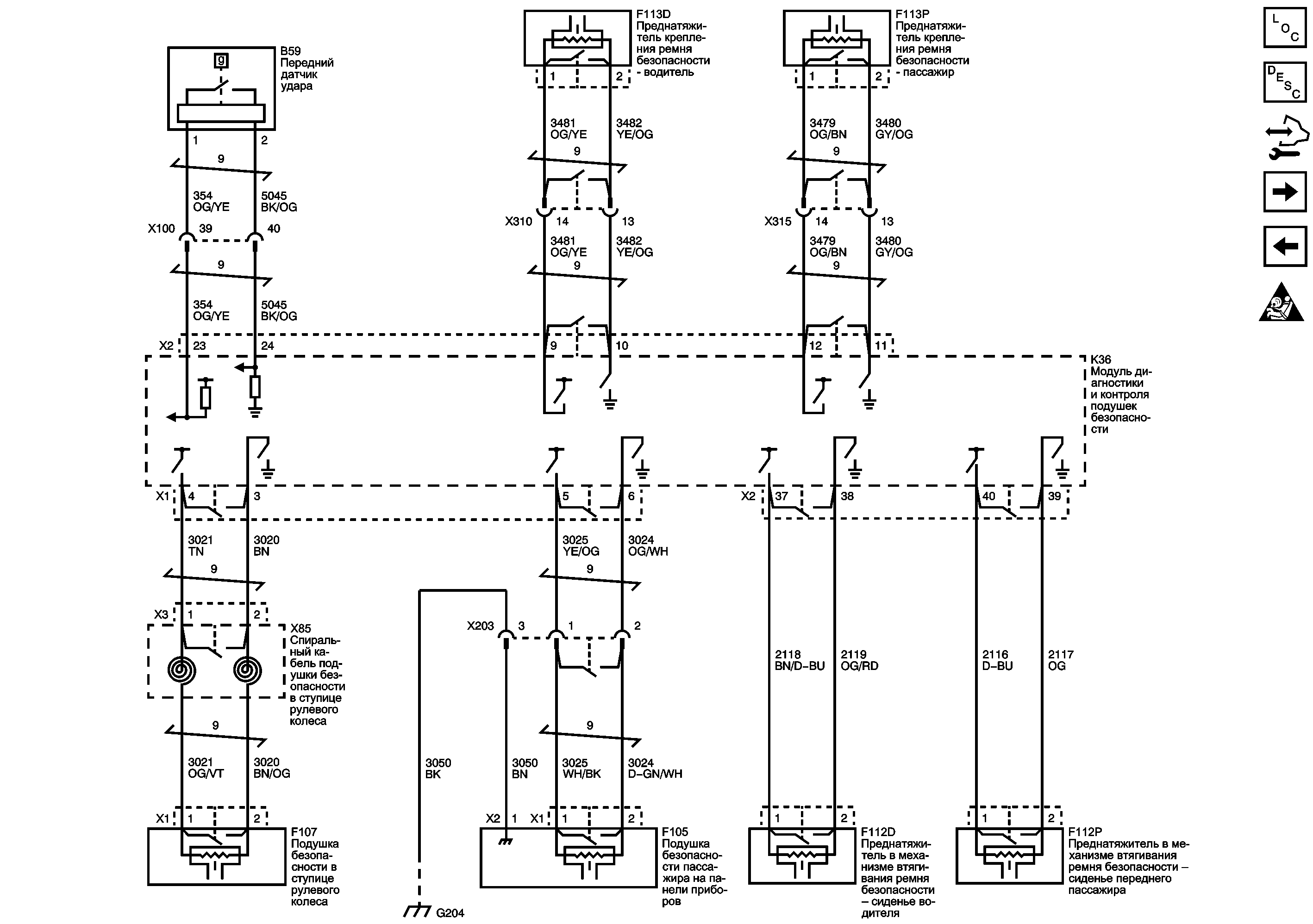
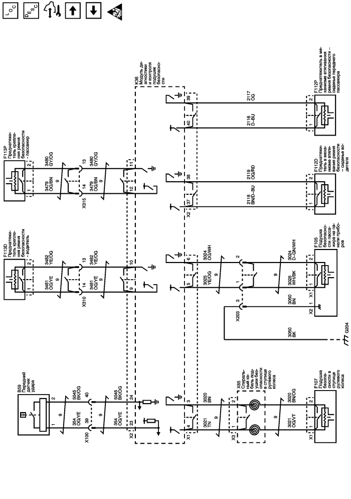
Описание и принцип работы системы подушек безопасности (SIR)
Модуль управления Справочные сведения
Питание модуля, масса и отключение надувной подушки безопасности
Значки на основной принципиальной электрической схеме
| https://vnx.su/ 🛠 Руководства по ремонту и эксплуатации для автомобилей |
| https://vnx.su/ 🛠 Руководства по ремонту и эксплуатации для автомобилей |