К верхней части документа
Orlando
   
Начальная страница GMDE Загрузить статическое содержание Загрузить динамическое содержание Справка?

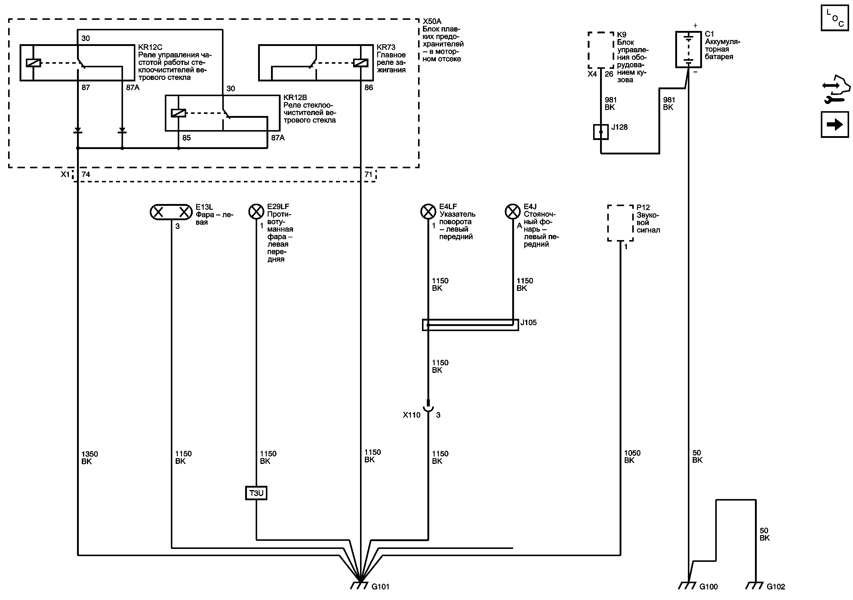
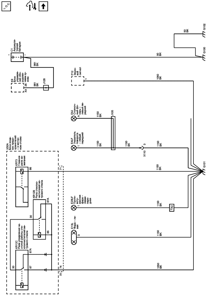
G100, G101 и G102



            |                         |            
2504213RU.png

Графический дисплей

Список электрических компонентов управления

Модуль управления Справочные сведения

G103, G104 и G105

Электрический центр - Обозначение - Иллюстрации

   


https://vnx.su/ 🛠 Руководства по ремонту и эксплуатации для автомобилей

Поиск по сайту

Остались вопросы или пожелания? Пишите на почту: support@vnx.su

Карта Сайта
   


https://vnx.su/ 🛠 Руководства по ремонту и эксплуатации для автомобилей

Поиск по сайту

Остались вопросы или пожелания? Пишите на почту: support@vnx.su

Карта Сайта