Orlando |
||||||||
|
|
|
|||||||

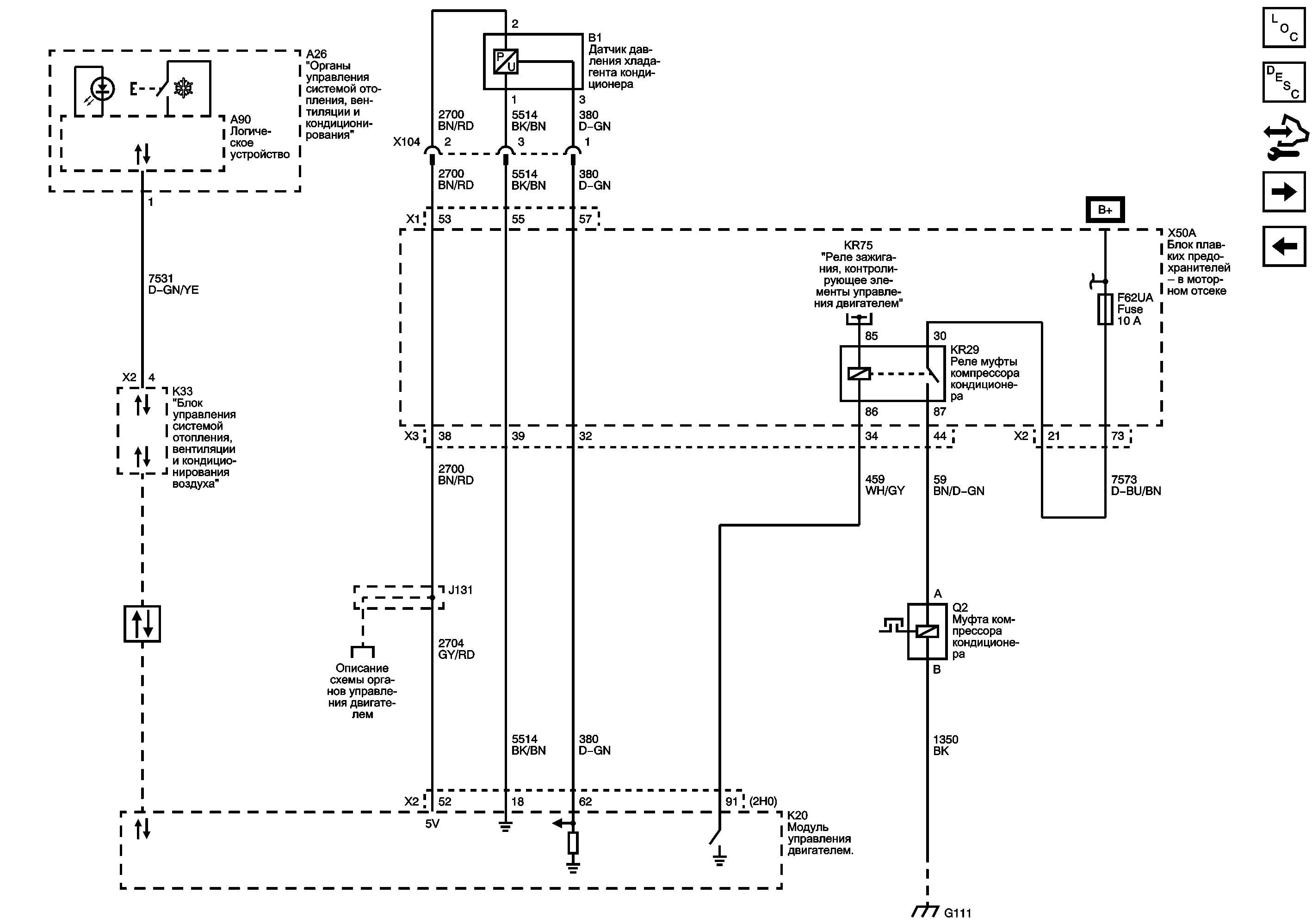
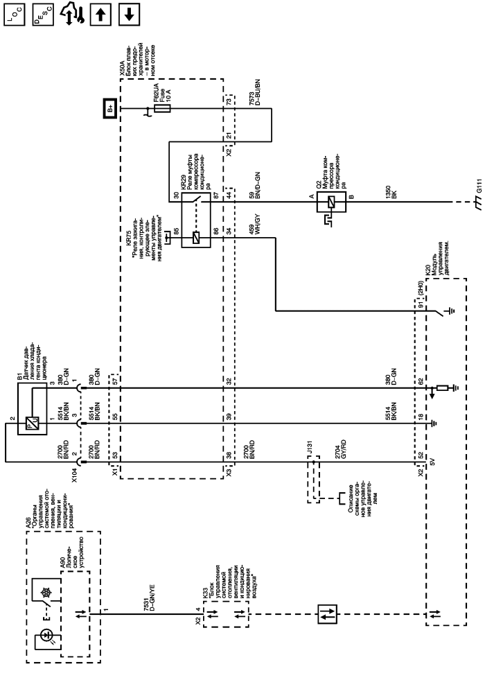
Список электрических компонентов управления
Модуль управления Справочные сведения
Вспомогательный нагреватель (C32) и температурный датчик испарителя
Органы управления подачей воздуха и температурой
Шина 5В и шина низкого опорного напряжения (2 из 2)
Питание, масса, последовательные данные и индикаторная лампа неисправности (MIL)
Предохранители F47UA, F59UA и F62UA
Электрический центр - Обозначение - Иллюстрации
| https://vnx.su/ 🛠 Руководства по ремонту и эксплуатации для автомобилей |
| https://vnx.su/ 🛠 Руководства по ремонту и эксплуатации для автомобилей |