Orlando |
||||||||
|
|
|
|||||||

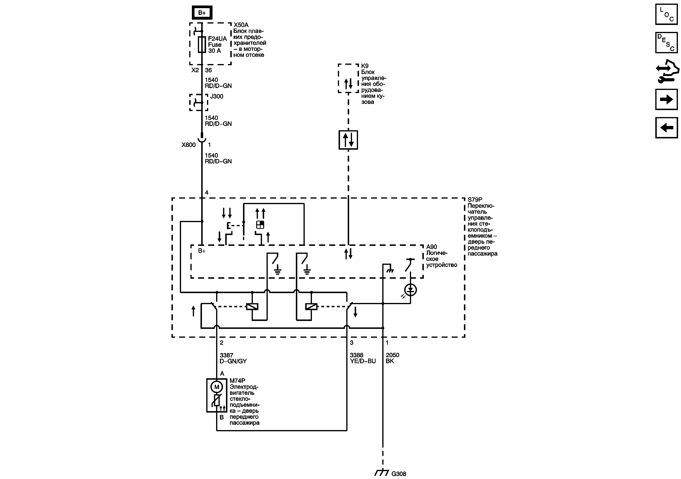
Список электрических компонентов управления
Стеклоподъемники с электроприводом Описание и принцип работы
Модуль управления Справочные сведения
Предохранители F24UA, F48UA, F5UB и F6UB
| https://vnx.su/ 🛠 Руководства по ремонту и эксплуатации для автомобилей |
| https://vnx.su/ 🛠 Руководства по ремонту и эксплуатации для автомобилей |