К верхней части документа
Orlando
   
Начальная страница GMDE Загрузить статическое содержание Загрузить динамическое содержание Справка?

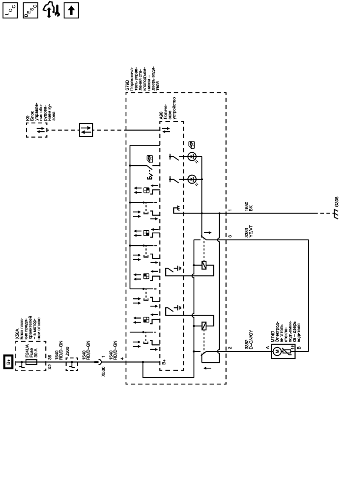
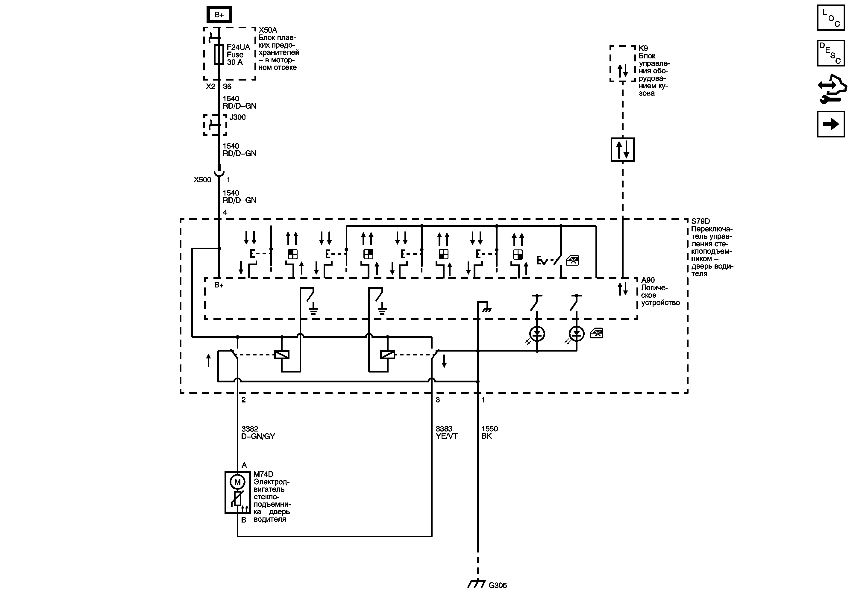
Дверь водителя



            |                         |            
2503519RU.png

Графический дисплей

Список электрических компонентов управления

Стеклоподъемники с электроприводом Описание и принцип работы

Модуль управления Справочные сведения

Дверь переднего пассажира

Водительская дверь (AXG)

Предохранители F24UA, F48UA, F5UB и F6UB

Схемы обмена данными

G204 и G305

   


https://vnx.su/ 🛠 Руководства по ремонту и эксплуатации для автомобилей

Поиск по сайту

Остались вопросы или пожелания? Пишите на почту: support@vnx.su

Карта Сайта
   


https://vnx.su/ 🛠 Руководства по ремонту и эксплуатации для автомобилей

Поиск по сайту

Остались вопросы или пожелания? Пишите на почту: support@vnx.su

Карта Сайта