Orlando |
||||||||
|
|
|
|||||||

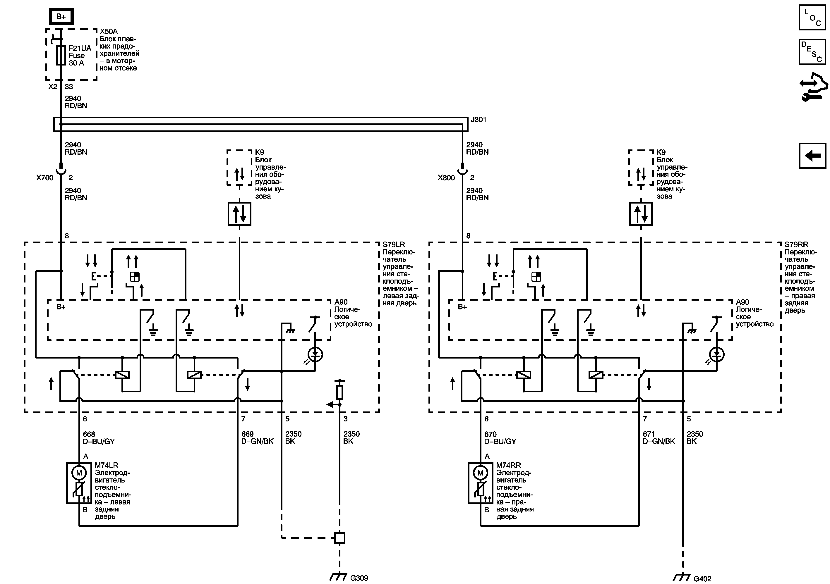
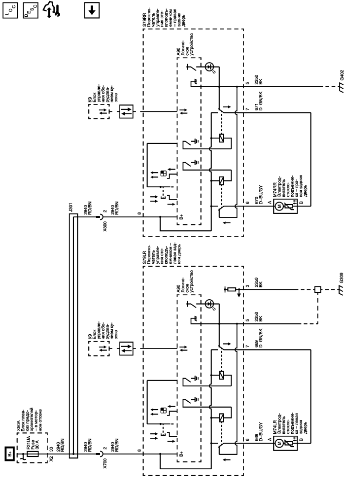
Список электрических компонентов управления
Стеклоподъемники с электроприводом Описание и принцип работы
Модуль управления Справочные сведения
Предохранители F2UA, F21UA, F27UA, F31UA, F32UA, F34UA, F35UA, F69UA и F70UA
| https://vnx.su/ 🛠 Руководства по ремонту и эксплуатации для автомобилей |
| https://vnx.su/ 🛠 Руководства по ремонту и эксплуатации для автомобилей |