К верхней части документа
Orlando
   
Начальная страница GMDE Загрузить статическое содержание Загрузить динамическое содержание Справка?

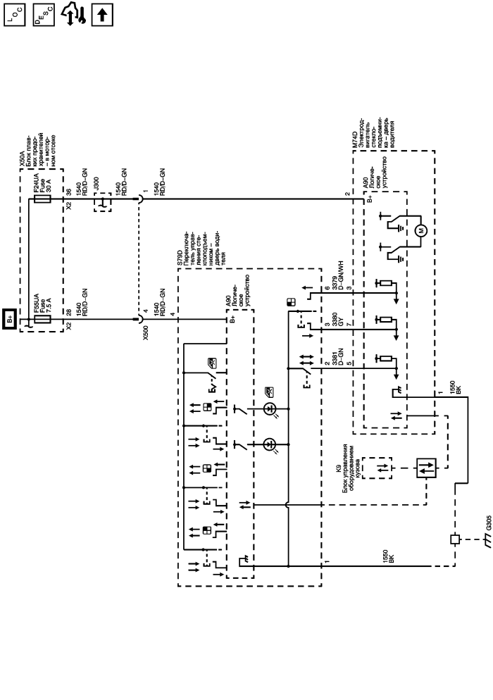
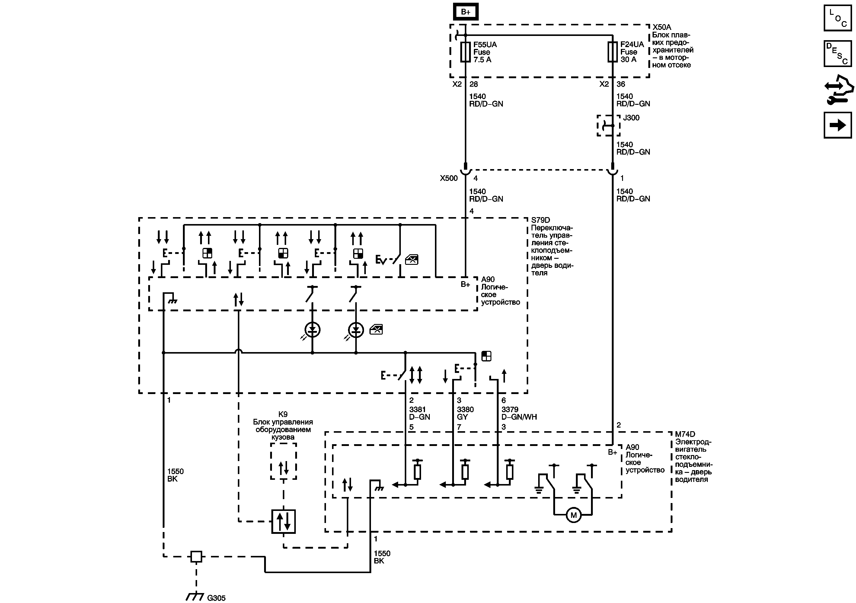
Водительская дверь (AXG)



            |                         |            
2503514RU.png

Графический дисплей

Список электрических компонентов управления

Стеклоподъемники с электроприводом Описание и принцип работы

Модуль управления Справочные сведения

Водительская дверь (AEC)

   


© авторские права, chevrolet. Все права защищены