Cruze |
||||||||
|
|
|
|||||||

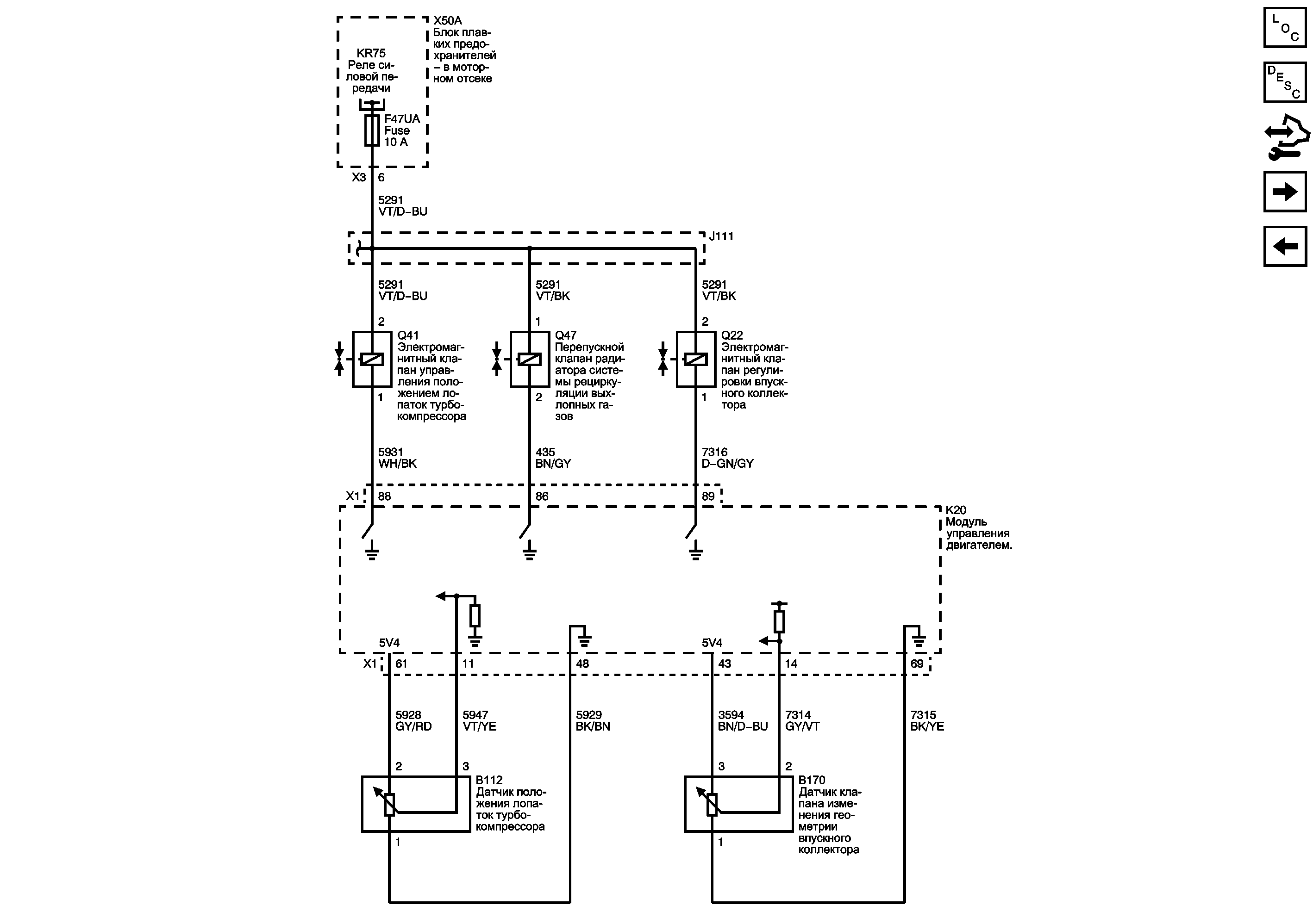
Список электрических компонентов управления
Модуль управления Справочные сведения
Управление свечами накаливания
Органы управления топливом - нагреватель топлива
| https://vnx.su/ 🛠 Руководства по ремонту и эксплуатации для автомобилей |