Наверх документа
Cruze
   
Начальная страница GMDE Загрузить статическое оглавление Загрузить динамическое оглавление Помощь?

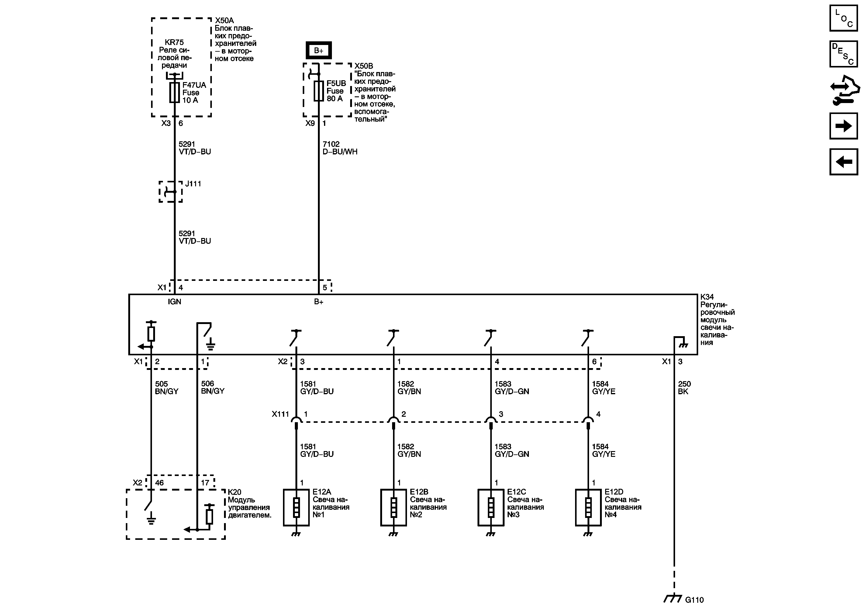
Управление свечами накаливания



            |                         |            
2510563RU.png

Графический дисплей

Список электрических компонентов управления

Контроллер ЭСУД (ECM)

Модуль управления Справочные сведения

Контролируемые/отслеживаемые обращения к подсистеме

Средства управления топливом - турбокомпрессор, перепуск выхлопных газов и настройка впускного коллектора

   


https://vnx.su/ 🛠 Руководства по ремонту и эксплуатации для автомобилей

Поиск по сайту

Остались вопросы или пожелания? Пишите на почту: support@vnx.su

Карта Сайта