Наверх документа
Cruze
   
Начальная страница GMDE Загрузить статическое оглавление Загрузить динамическое оглавление Помощь?

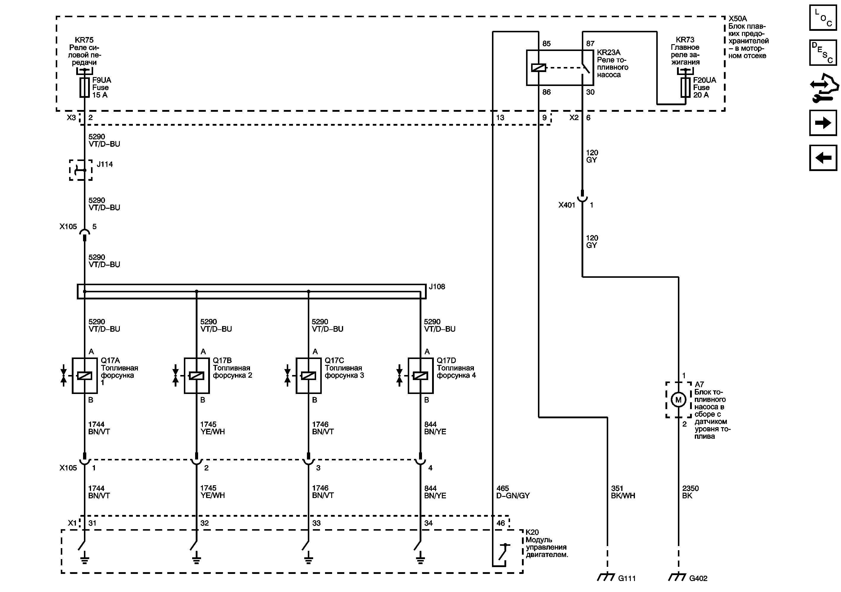
Органы управления топливом - топливные форсунки и топливный насос



            |                         |            
2443592RU.png

Графический дисплей

Список электрических компонентов управления

Контроллер ЭСУД (ECM)

Модуль управления Справочные сведения

Органы управления топливом - выделение паров топлива, давление в топливном баке, селектор октанового числа

Органы управления зажиганием - распредвал, коленвал и датчики детонации, исполнительные устройства регулировки распределительного вала

Электрический центр - Обозначение - Иллюстрации

Предохранители F8UA, F9UA, F10UA и F11UA

Схематические обозначения электрических элементов управления

G107, G111 и G112 (2H0 или LXV)

   


https://vnx.su/ 🛠 Руководства по ремонту и эксплуатации для автомобилей

Поиск по сайту

Остались вопросы или пожелания? Пишите на почту: support@vnx.su

Карта Сайта