Cruze |
||||||||
|
|
|
|||||||

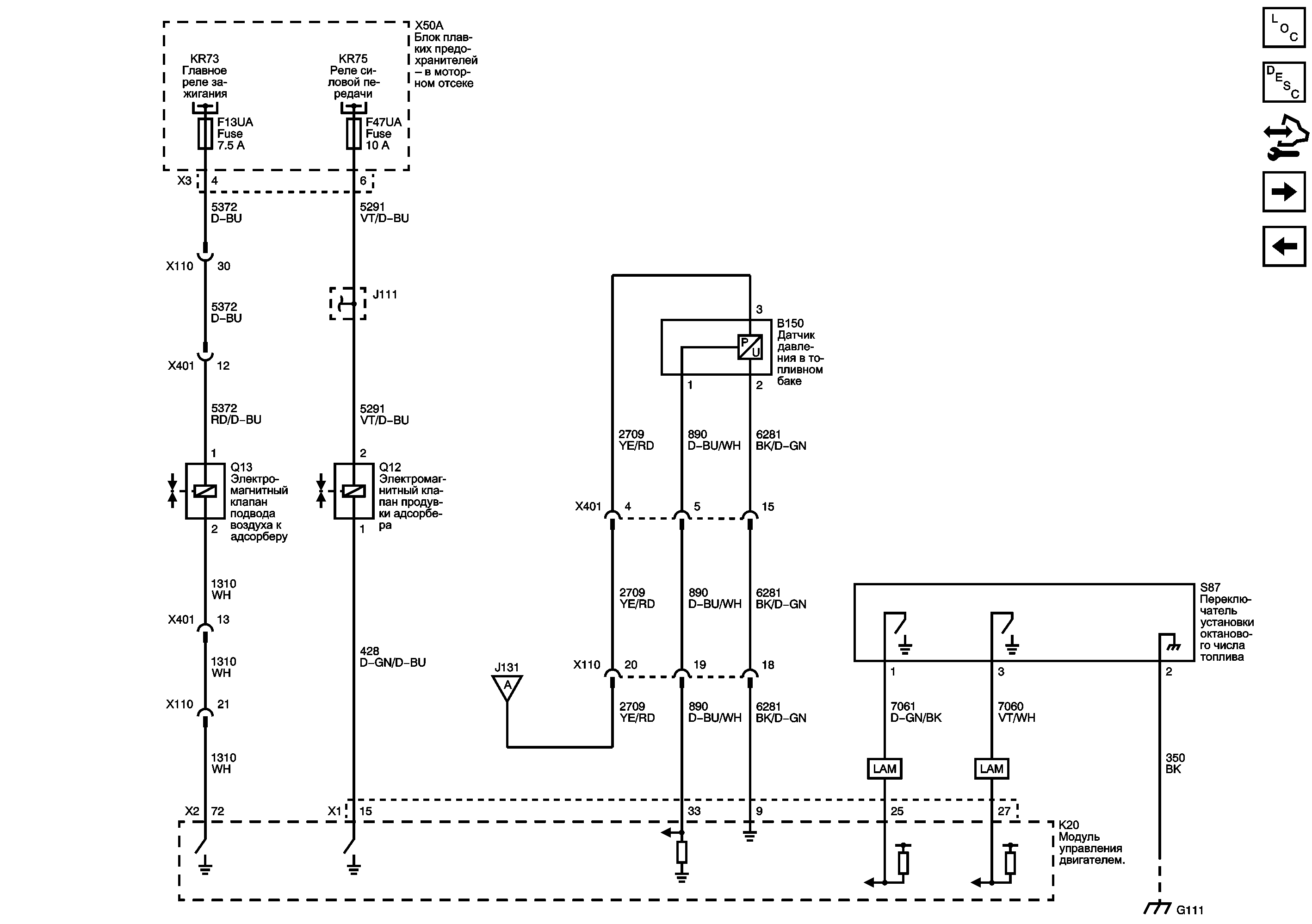
Список электрических компонентов управления
Модуль управления Справочные сведения
Контролируемые/отслеживаемые обращения к подсистеме
Органы управления топливом - топливные форсунки и топливный насос
Электрический центр - Обозначение - Иллюстрации
Предохранители F47UA, F59UA и F62UA
Схематические обозначения электрических элементов управления
| https://vnx.su/ 🛠 Руководства по ремонту и эксплуатации для автомобилей |