Cruze |
||||||||
|
|
|
|||||||

Список электрических компонентов управления
Системы наружного освещения Описание и принцип работы
Модуль управления Справочные сведения
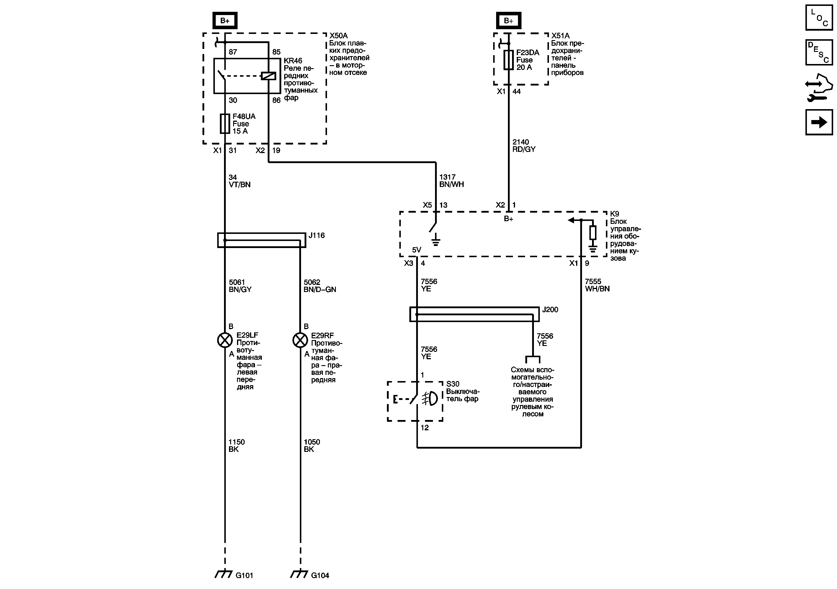
Задние противотуманные фары (T79)
Внешние виды обозначения электрического блока
Предохранители F5UB, F6UB, F24UA, F45UA и F48UA
| https://vnx.su/ 🛠 Руководства по ремонту и эксплуатации для автомобилей |