Cruze |
||||||||
|
|
|
|||||||

Список электрических компонентов управления
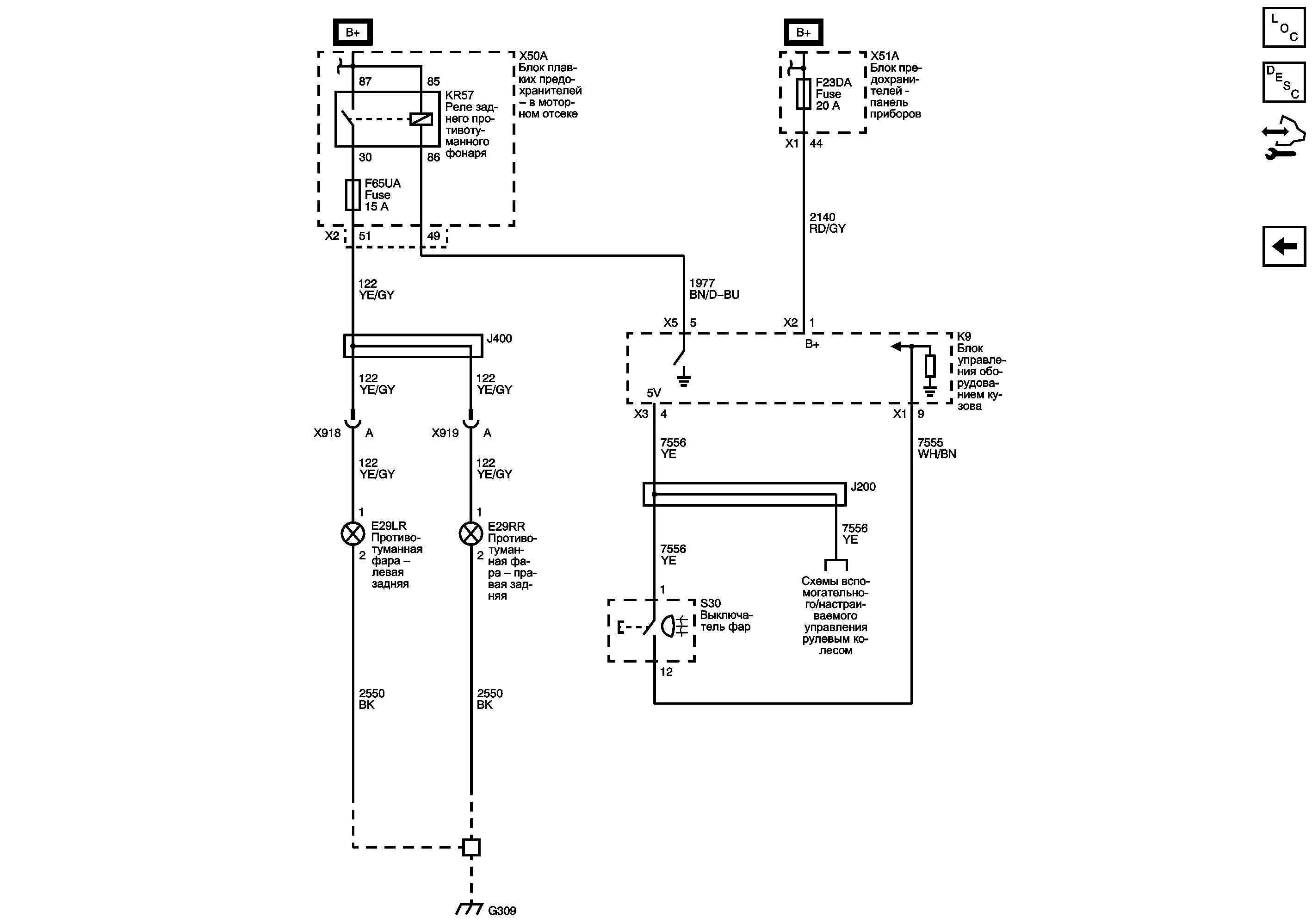
Модуль управления Справочные сведения
Передние противотуманные фары (T3U)
Внешние виды обозначения электрического блока
Предохранители F5UA, F13UA, F53UA и F65UA
| https://vnx.su/ 🛠 Руководства по ремонту и эксплуатации для автомобилей |