К верхней части документа
Cruze
   
Начальная страница GMDE Загрузить статическое содержание Загрузить динамическое содержание Справка?

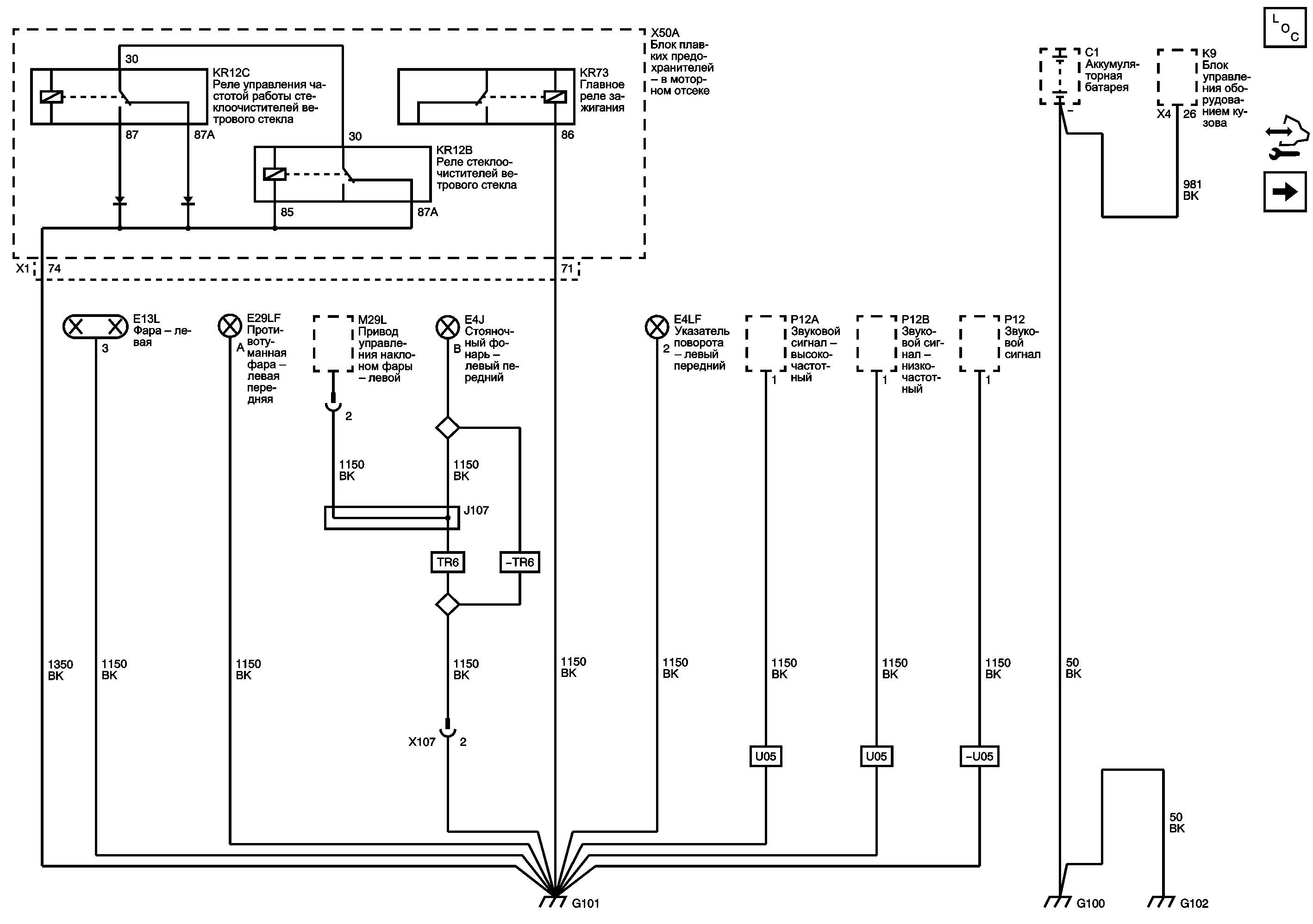
G100, G101 и G102



            |                         |            
2443735RU.png

Графический дисплей

Список электрических компонентов управления

Модуль управления Справочные сведения

G103, G104 и G105

   


https://vnx.su/ 🛠 Руководства по ремонту и эксплуатации для автомобилей

Поиск по сайту

Остались вопросы или пожелания? Пишите на почту: support@vnx.su

Карта Сайта