К верхней части документа
Captiva
   
Начальная страница GMDE Загрузить статическое содержание Загрузить динамическое содержание Справка?

Замена коробки передач - Дизельный двигатель

Процедура демонтажа

  1. Снять аккумуляторную батарею и полку аккумуляторной батареи. См. Поддон аккумулятора Замена
  2. Без слива охлаждающей жидкости и снятия шлангов снимите и отложите в сторону расширительный бачок радиатора. См. Замена расширительного бачка радиатора : Дизельный двигатель → Бензиновые двигатели .

  3. 2191414
  4. Отсоединить электрический разъем от корпуса (3) блока управления КПП.
  5. Снять трос рычага выбора и рычага переключения передач (2) с корпуса модуля управления коробкой передач (3).
  6. Снимите трос рычага-избирателя диапазона (2) с кронштейна (1), толкая назад зажимные кольца.

  7. 2192107

    Примечание: Перед отсоединением передней трубки рабочего цилиндра сцепления, слейте тормозную жидкость/жидкость сцепления из бачка.

  8. Снимите крепежный зажим передней трубки рабочего цилиндра сцепления (1).
  9. Отсоедините переднюю трубку (2) рабочего цилиндра сцепления от отвода трубки рабочего цилиндра сцепления.

  10. 2192105
  11. Отсоедините электрический разъем (1) от переключателя фонаря заднего хода.
  12. Снимите выпускной воздуховод охладителя наддувочного воздуха. См. Выпускной воздуховод охладителя нагнетаемого воздуха Замена .

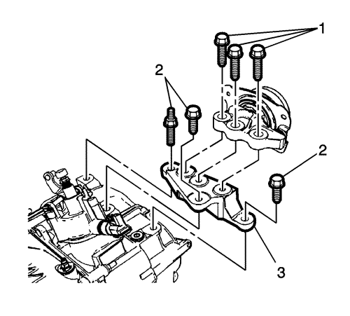
  13. 2622991
  14. Снимите верхние болты (1) коробки передач.
  15. Установите крепление опоры двигателя. См. Держатель подпорки двигателя .
  16. Снять сажевый фильтр выхлопной системы. См. Замена сажевого фильтра выхлопных газов : LNQ .
  17. Слейте жидкость из коробки передач. См. Замена трансмиссионной жидкости .
  18. Демонтировать раму. См. Замена рамы .
  19. Снимите переднее крепление коробки передач. См. Замена передней опоры подвески коробки передач .
  20. Снимите держатель заднего крепления коробки передач. См. Замена кронштейна задней подвески коробки передач : FWD – Front Weel Drive, передний привод, передние ведущие колеса → полный привод .
  21. Извлечь ведущий вал переднего колеса из коробки передач. См. Замена приводного вала переднего колеса .
  22. Если автомобиль оснащен системой переднего привода, снять промежуточный вал. См. Промежуточный шпиндель, замена .
  23. Если автомобиль оснащен системой полного привода, снять раздаточную коробку с коробки передач. См. Замена блока раздаточной коробки .

  24. 2622993
  25. Снимите кронштейн левой опоры коробки передач (3). См. Кронштейн подвески коробки передач Замена - Левая сторона
  26. Опереть коробку передач на домкрат.

  27. 2622997
  28. Извлечь нижние болты (1) крепления коробки передач к двигателю.
  29. Отсоедините коробку передач от двигателя.
  30. Опустить коробку передач с помощью домкрата настолько, чтобы иметь возможность извлечь коробку передач.

Процедура установки


    2622997
  1. Поднять коробку передач домкратом и установить ее на двигателе.
  2. Внимание См. Предупреждение о крепежных деталях в разделе "Введение".

  3. Установить нижние болты (1) крепления коробки передач к двигателю и затянуть их с моментом 58 Н·м (43 фунт-фута).
  4. Убрать домкрат.

  5. 2622993
  6. Установите кронштейн левой опоры КПП (3). См. Кронштейн подвески коробки передач Замена - Левая сторона
  7. Если автомобиль оснащен системой переднего привода, установить промежуточный вал. См. Промежуточный шпиндель, замена
  8. Если автомобиль оснащен системой ADD, установить раздаточную коробку на коробку передач. См. Замена блока раздаточной коробки .
  9. Установите приводной вал переднего колеса в коробке передач. См. Замена приводного вала переднего колеса .
  10. Установите держатель заднего крепления коробки передач. См. Замена кронштейна задней подвески коробки передач : FWD – Front Weel Drive, передний привод, передние ведущие колеса → полный привод .
  11. Установите переднее крепление коробки передач. См. Замена передней опоры подвески коробки передач
  12. Установить раму . См. Замена рамы .
  13. Установить сажевый фильтр выхлопной системы. См. Замена сажевого фильтра выхлопных газов : LNQ .
  14. Снять держатель подпорки двигателя. См. Держатель подпорки двигателя .
  15. Ввернуть верхние болты (1) крепления коробки передач к двигателю и затянуть с моментом 58 Н·м (43 фунт- футов).
  16. Установить выпускной воздуховод охладителя наддувочного воздуха. См. Выпускной воздуховод охладителя нагнетаемого воздуха Замена .

  17. 2192105
  18. Подсоедините электрический разъем (1) к переключателю фонаря заднего хода.

  19. 2192107
  20. Подсоедините переднюю трубку (2) рабочего цилиндра сцепления к отводу трубки рабочего цилиндра сцепления
  21. Зафиксировать крепежный зажим передней трубки рабочего цилиндра сцепления (1).

  22. 2191414
  23. Установить трос рычага переключения передач и рычага селектора (2) на кронштейн (1) троса.
  24. Установить трос (2) рычага переключения передач и рычага селектора на корпус механизма переключения передач (3).
  25. Подсоединить электрический разъем к корпусу (3) блока управления КПП.
  26. Отрегулируйте натяжение тросов рычага-избирателя диапазона. См. Руководство по регулировке тросика рычага переключения коробки передач .
  27. Залейте жидкость в коробку передач. См. Замена трансмиссионной жидкости .
  28. Установите расширительный бачок радиатора. См. Замена расширительного бачка радиатора : Дизельный двигатель → Бензиновые двигатели .
  29. Удалить воздух из гидравлической системы сцепления. См. Удаление воздуха из гидравлической системы сцепления .
  30. Залить в бачок для гидравлической жидкости сцепления жидкость/жидкость для сцепления до максимального уровня у отметки MAX.
  31. Установить аккумуляторную батарею и полку аккумуляторной батареи. См. Поддон аккумулятора Замена
  32. Провести дорожное испытание автомобиля.
   


https://vnx.su/ 🛠 Руководства по ремонту и эксплуатации для автомобилей

Поиск по сайту

Остались вопросы или пожелания? Пишите на почту: support@vnx.su

Карта Сайта