Наверх документа
Captiva
   
Начальная страница GMDE Загрузить статическое оглавление Загрузить динамическое оглавление Помощь?

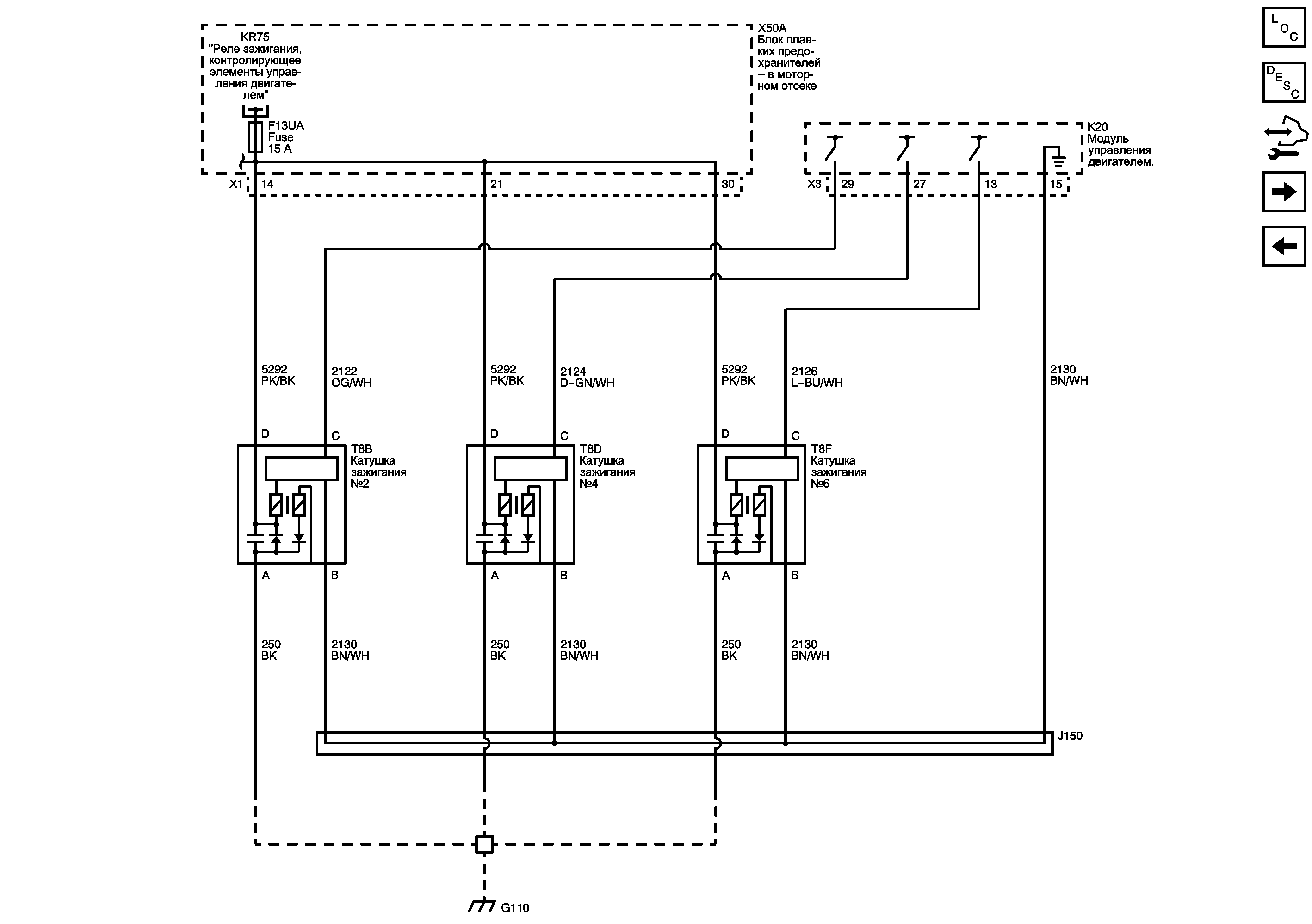
Средства управления зажиганием -- система зажигания, блок 2



            |                         |            
2409778RU.png

Графический дисплей

Список электрических компонентов управления

Диагностика электронной системы зажигания

Модуль управления Справочные сведения

Органы управления зажиганием - распредвал, коленвал и датчики детонации, исполнительные устройства регулировки распределительного вала

Средства управления зажиганием -- система зажигания, блок 1

Предохранители F11UA и F12UA

Предохранитель F13UA

   


https://vnx.su/ 🛠 Руководства по ремонту и эксплуатации для автомобилей

Поиск по сайту

Остались вопросы или пожелания? Пишите на почту: support@vnx.su

Карта Сайта