Captiva |
||||||||
|
|
|
|||||||

Список электрических компонентов управления
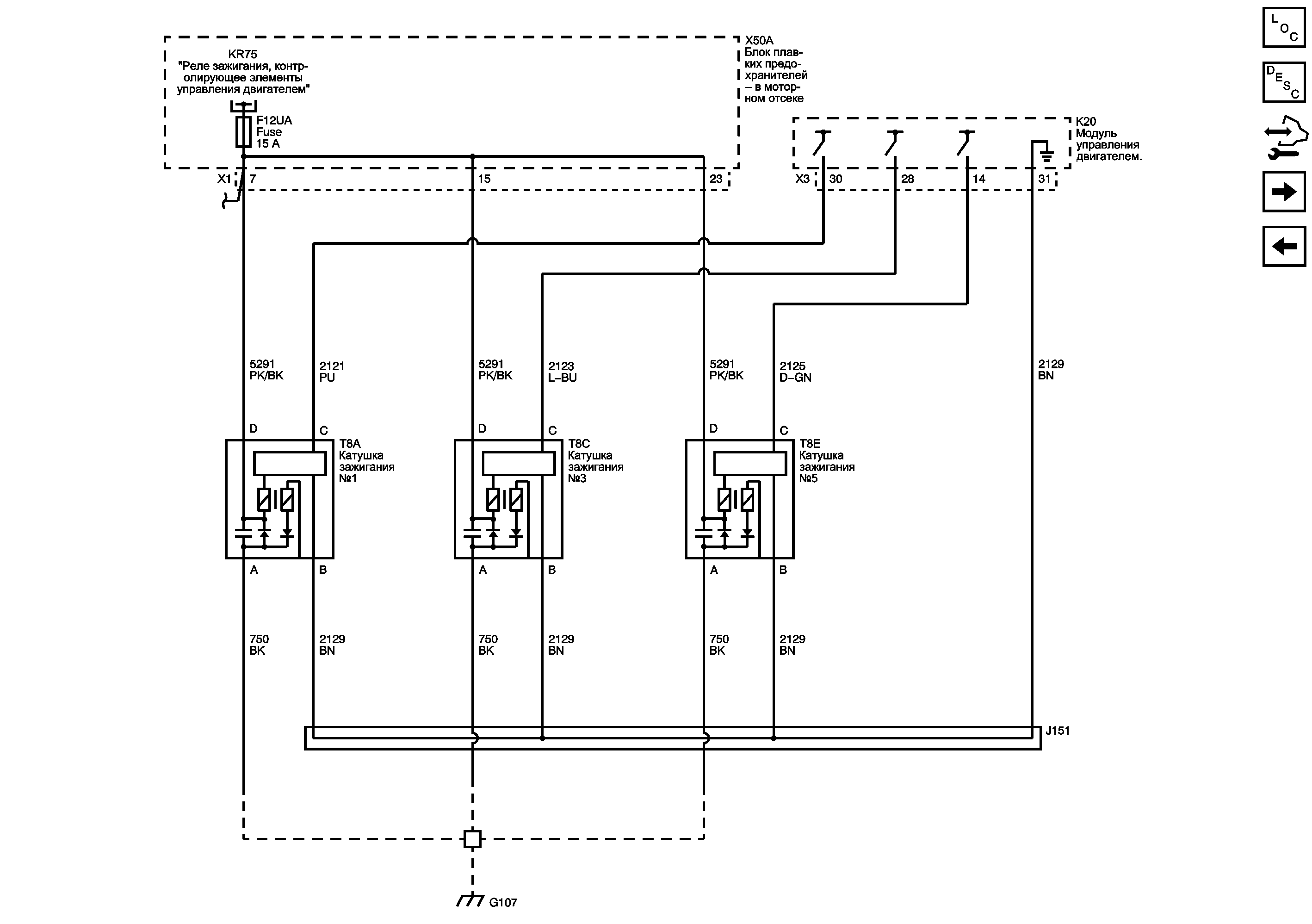
Диагностика электронной системы зажигания
Модуль управления Справочные сведения
Средства управления зажиганием -- система зажигания, блок 2
Датчики данных двигателя - кислородные датчики
G107 (LE5, LE9 или LF1) и G111 (LNP или LNQ)
| https://vnx.su/ 🛠 Руководства по ремонту и эксплуатации для автомобилей |