К верхней части документа
Captiva
   
Начальная страница GMDE Загрузить статическое содержание Загрузить динамическое содержание Справка?

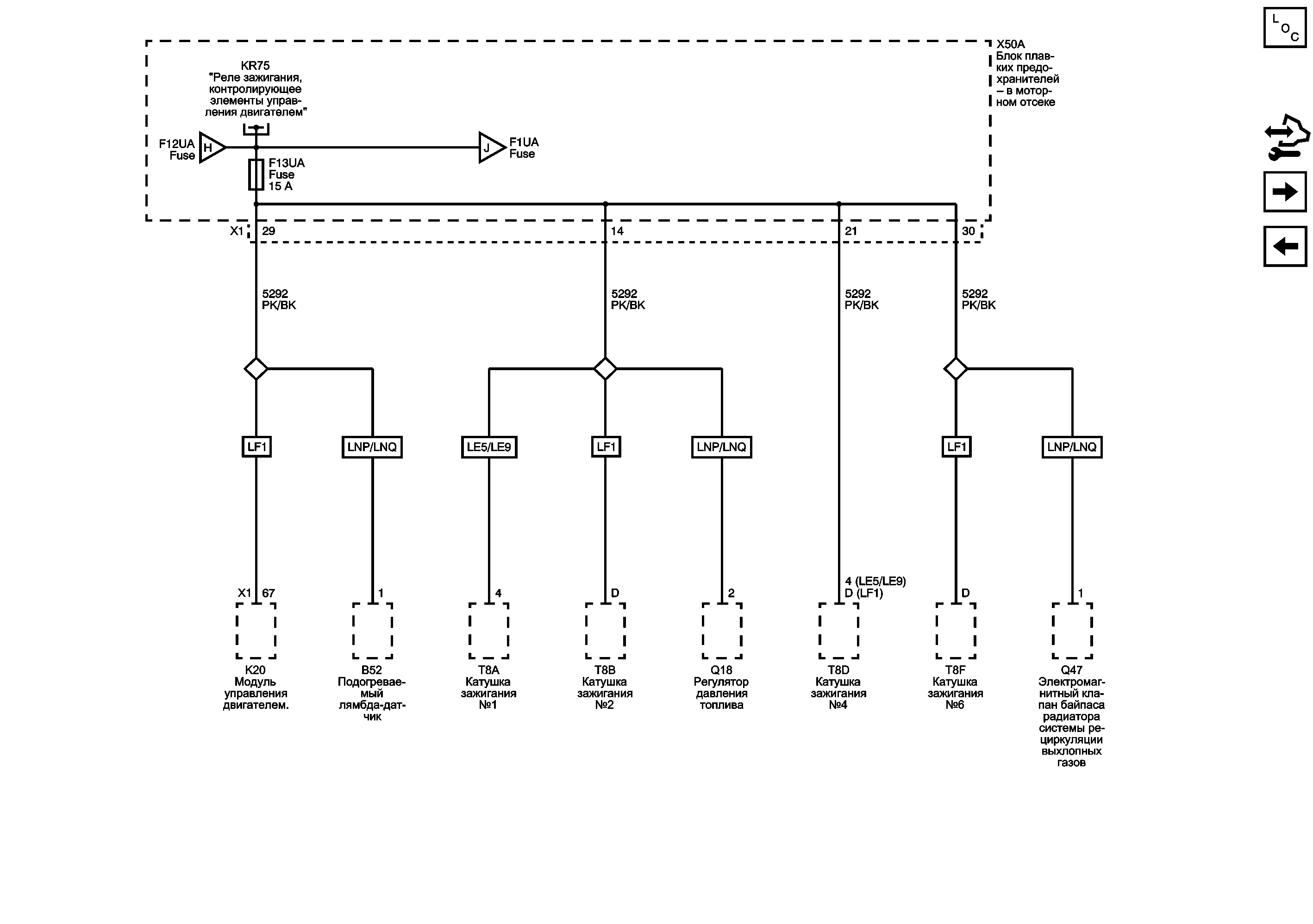
Предохранитель F13UA



            |                         |            
2409965RU.png

Графический дисплей

Список электрических компонентов управления

Модуль управления Справочные сведения

Предохранитель F1UA

Предохранители F11UA и F12UA

Предохранитель F1UA

   


https://vnx.su/ 🛠 Руководства по ремонту и эксплуатации для автомобилей

Поиск по сайту

Остались вопросы или пожелания? Пишите на почту: support@vnx.su

Карта Сайта