Cruze
   
GMDE Start Page Load static TOC Load dynamic TOC Help?
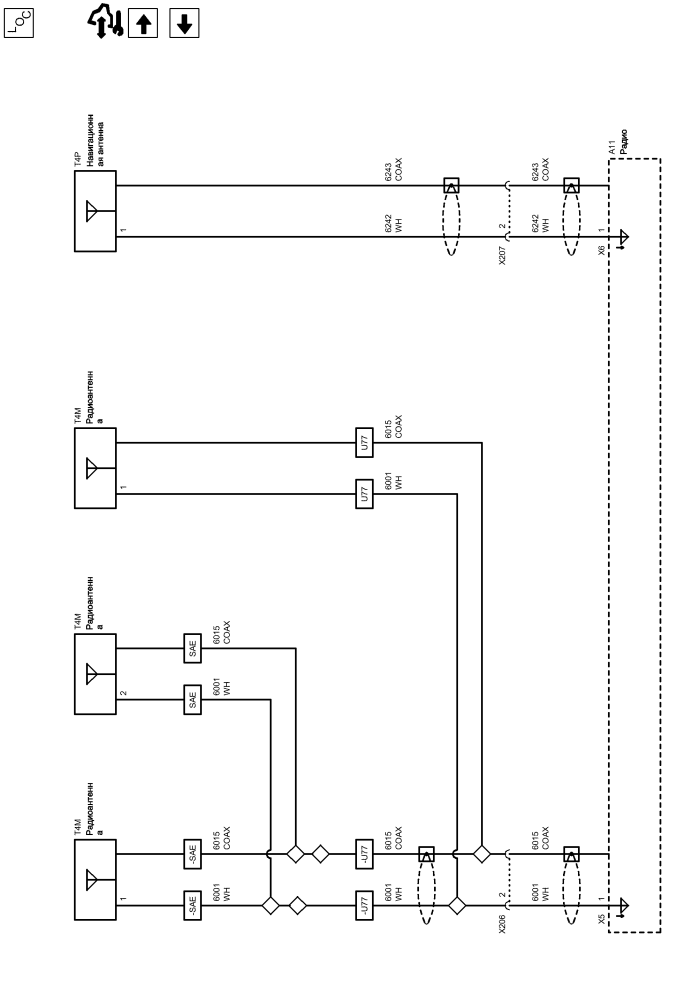
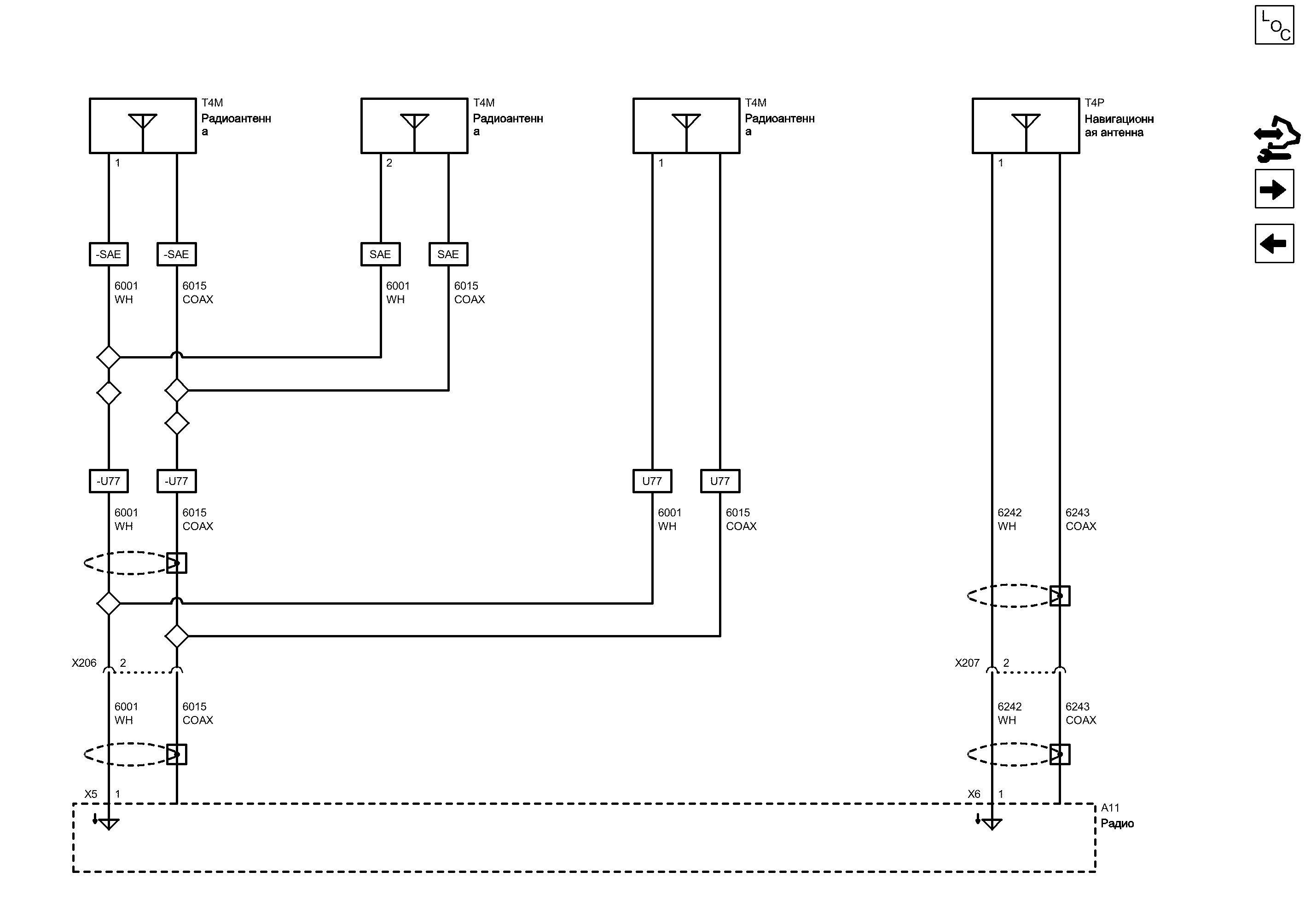
Радиоантенны


            |                         |            
2224822RU.png


Display graphic

Display graphic

Компоненты
a11Радиоt4pНавигационная антенна
t4mРадиоантенна
Разъемы
a11 (x5)Радио x5x206Жгут проводов кузова и жгут проводов панели приборов
a11 (x6)Радио x6x207Жгут проводов кузова и жгут проводов панели приборов
Сокращения
saeСТРАНЫ - СЕВЕРНАЯ АМЕРИКАu77АНТЕННА - ЗАДНЕЕ СТЕКЛО, АУДИОСИСТЕМА
-saeСТРАНЫ - КРОМЕ СЕВЕРНОЙ АМЕРИКИ-u77БЕЗ АНТЕННЫ - ЗАДНЕЕ СТЕКЛО, АУДИОСИСТЕМА
Цветовые коды
coaxcoaxwhБелый
Провод заземления радиочастотной антенны
COAX COAX
Радиочастотный сигнал антенны
WH Белый
X5 Радио X5

Внешний вид разъема и ремонт
1
X206 Жгут проводов кузова и жгут проводов панели приборов

Расположение деталей (узлов) Трехмерная схема жгутов
Внешний вид разъема и ремонт Вилка
Внешний вид разъема и ремонт Гнездо
2
1
БЕЗ АНТЕННЫ - ЗАДНЕЕ СТЕКЛО, АУДИОСИСТЕМА
COAX COAX
БЕЗ АНТЕННЫ - ЗАДНЕЕ СТЕКЛО, АУДИОСИСТЕМА
WH Белый
T4M Радиоантенна

Внешний вид разъема и ремонт
A11 Радио

Расположение деталей (узлов) Трехмерная схема жгутов
Провод заземления коаксиальной антенны GPS
COAX COAX
Сигнал GPS коаксиальной антенны
WH Белый
1
X6 Радио X6

Внешний вид разъема и ремонт
X207 Жгут проводов кузова и жгут проводов панели приборов
2
T4P Навигационная антенна

Внешний вид разъема и ремонт
1
Сигнал антенны
Сигнал антенны
2
T4M Радиоантенна

Внешний вид разъема и ремонт
СТРАНЫ - КРОМЕ СЕВЕРНОЙ АМЕРИКИ
COAX COAX
СТРАНЫ - КРОМЕ СЕВЕРНОЙ АМЕРИКИ
WH Белый
СТРАНЫ - СЕВЕРНАЯ АМЕРИКА
COAX COAX
СТРАНЫ - СЕВЕРНАЯ АМЕРИКА
WH Белый
АНТЕННА - ЗАДНЕЕ СТЕКЛО, АУДИОСИСТЕМА
COAX COAX
АНТЕННА - ЗАДНЕЕ СТЕКЛО, АУДИОСИСТЕМА
WH Белый
T4M Радиоантенна

Внешний вид разъема и ремонт
1
COAX COAX
WH Белый
Центральный динамик и сабвуферы

Центральный динамик и сабвуферы
Справочные данные по контроллерам

Справочные данные по контроллерам
Вспомогательный аудиоканал

Вспомогательный аудиоканал
Перечень основных электрических компонентов

Перечень основных электрических компонентов
   


https://vnx.su/ 🛠 Руководства по ремонту и эксплуатации для автомобилей

Поиск по сайту

Остались вопросы или пожелания? Пишите на почту: support@vnx.su

Карта Сайта