Cruze
   
GMDE Start Page Load static TOC Load dynamic TOC Help?
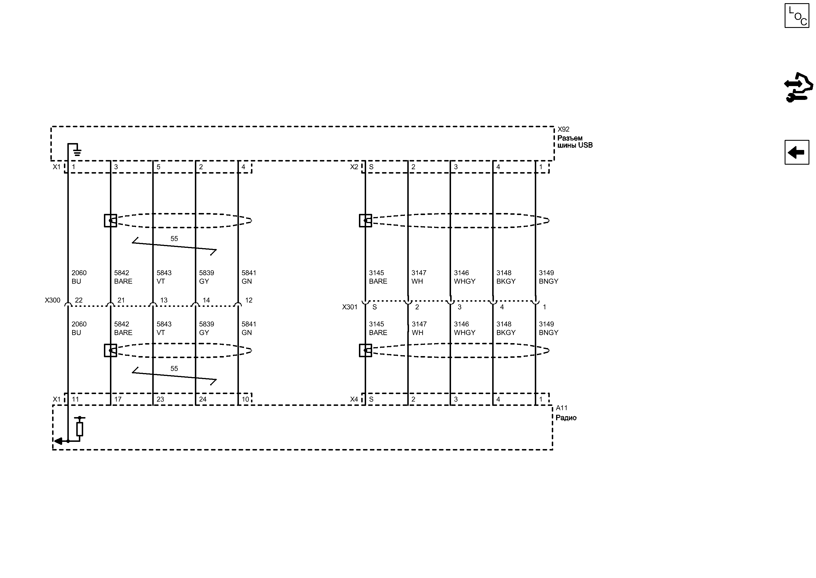
Вспомогательный аудиоканал


            |                         |            
2202878RU.png


Display graphic

Display graphic

Компоненты
a11Радиоx92Разъем шины usb
Разъемы
a11 (x1)Радио x1x92 (x2)Разъем шины usb x2
a11 (x4)Радио x4x300Жгут проводов панели приборов и жгут проводов консоли
x92 (x1)Разъем шины usb x1x301Жгут проводов панели приборов и жгут проводов консоли
Цветовые коды
barebaregyСерый
bkgyЧерный-СерыйvtФиолетовый
bngyКоричневый-СерыйwhБелый
buСинийwhgyБелый-Серый
gnЗеленый
10
23
24
3
5
4
2
2
S
4
3
1
X300 Жгут проводов панели приборов и жгут проводов консоли

Внешний вид разъема и ремонт Вилка
Внешний вид разъема и ремонт Гнездо
22
21
13
14
Сигнал правого вспомогательного аудиоканала (2)
GN Зеленый
Сигнал левого вспомогательного аудиоканала (2)
GY Серый
Общий сигнал вспомогательного аудиоканала
VT Фиолетовый
Экран вспомогательного аудиоканала (2)
BARE BARE
X1 Разъем шины USB X1

Внешний вид разъема и ремонт
11
Сигнал обнаружения вспомогательного оборудования
BU Синий
BU Синий
12
1
GN Зеленый
GY Серый
VT Фиолетовый
BARE BARE
X2 Разъем шины USB X2
1
3
S
2
4
X1 Радио X1

Внешний вид разъема и ремонт
X4 Радио X4
A11 Радио

Расположение деталей (узлов) Трехмерная схема жгутов
X92 Разъем шины USB

Расположение деталей (узлов) Трехмерная схема жгутов
Сигнал
Слабый опорный сигнал
Провод заземления последовательного интерфейса USB
BARE BARE
USB D (+) последовательные данные
WHGY Белый-Серый
Напряжение питания последовательного интерфейса USB
BNGY Коричневый-Серый
Опорный низкий последовательного интерфейса USB
BKGY Черный-Серый
BARE BARE
WHGY Белый-Серый
BNGY Коричневый-Серый
BKGY Черный-Серый
USB D (-) последовательные данные
WH Белый
WH Белый
X301 Жгут проводов панели приборов и жгут проводов консоли
S
2
3
4
1
17
Радиоантенны

Радиоантенны
Справочные данные по контроллерам

Справочные данные по контроллерам
Перечень основных электрических компонентов

Перечень основных электрических компонентов
   


https://vnx.su/ 🛠 Руководства по ремонту и эксплуатации для автомобилей

Поиск по сайту

Остались вопросы или пожелания? Пишите на почту: support@vnx.su

Карта Сайта