Cruze
   
GMDE Start Page Load static TOC Load dynamic TOC Help?
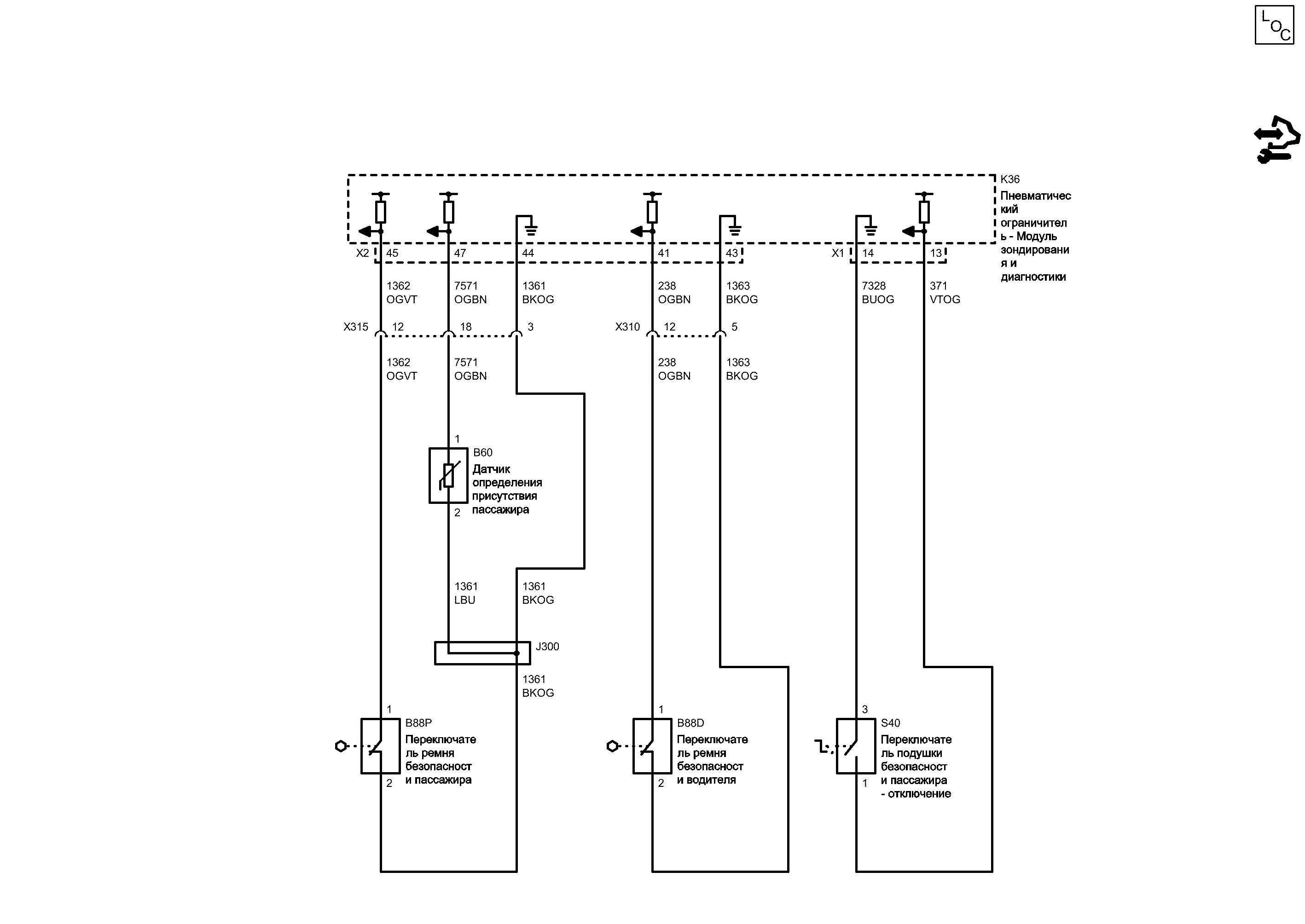
Выключатели ремней безопасности


            |                         |            
2203206RU.png


Display graphic

Display graphic

Компоненты
b60Датчик определения присутствия пассажираk36Пневматический ограничитель - Модуль зондирования и диагностики
b88dПереключатель ремня безопасности водителяs40Переключатель подушки безопасности пассажира - отключение
b88pПереключатель ремня безопасности пассажира
Разъемы
j300Жгут проводов кузоваx310Жгут проводов кузова и жгут проводов сиденья водителя
k36 (x1)Пневматический ограничитель - Модуль зондирования и диагностики x1x315Жгут проводов кузова и жгут проводов сиденья переднего пассажира
k36 (x2)Пневматический ограничитель - Модуль зондирования и диагностики x2
Цветовые коды
bkogЧерный-ОранжевыйogbnОранжевый-Коричневый
buogСиний-ОранжевыйogvtОранжевый-Фиолетовый
lbuСветло-синийvtogФиолетовый-Оранжевый
41
43
13
14
1
3
Возвратный сигнал переключателя отключения модуля панели приборов пассажира
BUOG Синий-Оранжевый
Сигнал переключателя ремня безопасности водителя
OGBN Оранжевый-Коричневый
Слабый опорный сигнал выключателя ремня безопасности водителя
BKOG Черный-Оранжевый
Сигнал переключателя отключения модуля панели приборов пассажира
VTOG Фиолетовый-Оранжевый
44
45
X2 Пневматический ограничитель - Модуль зондирования и диагностики X2

Расположение деталей (узлов) Трехмерная схема жгутов
Внешний вид разъема и ремонт С ПАССИВНОЙ СИСТЕМОЙ БЕЗОПАСНОСТИ ПЕРЕДНЕГО СИДЕНЬЯ, НАДУВН., ВОДИТЕЛЯ И ПАССАЖИРА, ПЕРЕДН. И БОКОВ., ИЛИ С ПАССИВНОЙ СИСТЕМОЙ БЕЗОПАСНОСТИ СИДЕНЬЯ, НАДУВН., ВОДИТЕЛЯ И ПАССАЖИРА, ПЕРЕДН. И БОКОВ. ОДНОСТУПЕНЧАТ., ИЛИ С ПАССИВНОЙ СИСТЕМОЙ БЕЗОПАСНОСТИ ПЕРЕ
Внешний вид разъема и ремонт БЕЗ ПАССИВНОЙ СИСТЕМЫ БЕЗОПАСНОСТИ ПЕРЕДНЕГО СИДЕНЬЯ, НАДУВН., ВОДИТЕЛЯ И ПАССАЖИРА, ПЕРЕДН. И БОКОВ., ИЛИ БЕЗ ПАССИВНОЙ СИСТЕМЫ БЕЗОПАСНОСТИ СИДЕНЬЯ, НАДУВН., ВОДИТЕЛЯ И ПАССАЖИРА, ПЕРЕДН. И БОКОВ. ОДНОСТУПЕНЧАТ., ИЛИ БЕЗ ПАССИВНОЙ СИСТЕМЫ БЕЗОПАСНОСТИ П
1
2
X1 Пневматический ограничитель - Модуль зондирования и диагностики X1

Расположение деталей (узлов) Трехмерная схема жгутов
Внешний вид разъема и ремонт
Слабый опорный сигнал выключателя ремня безопасности пассажира
BKOG Черный-Оранжевый
2
1
Сигнал выключателя ремня безопасности пассажира
OGVT Оранжевый-Фиолетовый
1
2
Сигнал напоминания о ремне безопасности пассажира
OGBN Оранжевый-Коричневый
47
LBU Светло-синий
B60 Датчик определения присутствия пассажира
B88P Переключатель ремня безопасности пассажира

Внешний вид разъема и ремонт
B88D Переключатель ремня безопасности водителя

Внешний вид разъема и ремонт
S40 Переключатель подушки безопасности пассажира - отключение
K36 Пневматический ограничитель - Модуль зондирования и диагностики

Расположение деталей (узлов) Трехмерная схема жгутов
J300 Жгут проводов кузова

Электрическая схема Стеклоподъемники - дверь пассажира
Электрическая схема Стеклоподъемники - дверь водителя СТЕКЛО С МЕХАНИЧЕСКИМ ПРИВОДОМ - СО СТОРОНЫ ВОДИТЕЛЯ - СРОЧНО ВВЕРХ/ВНИЗ
Электрическая схема Стеклоподъемники - дверь водителя СТЕКЛО С МЕХАНИЧЕСКИМ ПРИВОДОМ - СО СТОРОНЫ ВОДИТЕЛЯ - СРОЧНО ВНИЗ
Сигнал
Слабый опорный сигнал
Слабый опорный сигнал
Слабый опорный сигнал
Сигнал
Сигнал
Сигнал
OGBN Оранжевый-Коричневый
OGVT Оранжевый-Фиолетовый
BKOG Черный-Оранжевый
BKOG Черный-Оранжевый
BKOG Черный-Оранжевый
OGBN Оранжевый-Коричневый
5
X310 Жгут проводов кузова и жгут проводов сиденья водителя

Расположение деталей (узлов) Трехмерная схема жгутов Левостороннее управление
Расположение деталей (узлов) Трехмерная схема жгутов Правостороннее управление
Внешний вид разъема и ремонт Гнездо Левостороннее управление
Внешний вид разъема и ремонт Гнездо Правостороннее управление
12
18
X315 Жгут проводов кузова и жгут проводов сиденья переднего пассажира

Расположение деталей (узлов) Трехмерная схема жгутов Левостороннее управление
Расположение деталей (узлов) Трехмерная схема жгутов Правостороннее управление
Внешний вид разъема и ремонт Гнездо Левостороннее управление
Внешний вид разъема и ремонт Гнездо Правостороннее управление
12
3
Справочные данные по контроллерам

Справочные данные по контроллерам
Перечень основных электрических компонентов

Перечень основных электрических компонентов
   


https://vnx.su/ 🛠 Руководства по ремонту и эксплуатации для автомобилей

Поиск по сайту

Остались вопросы или пожелания? Пишите на почту: support@vnx.su

Карта Сайта