Cruze
   
GMDE Start Page Load static TOC Load dynamic TOC Help?
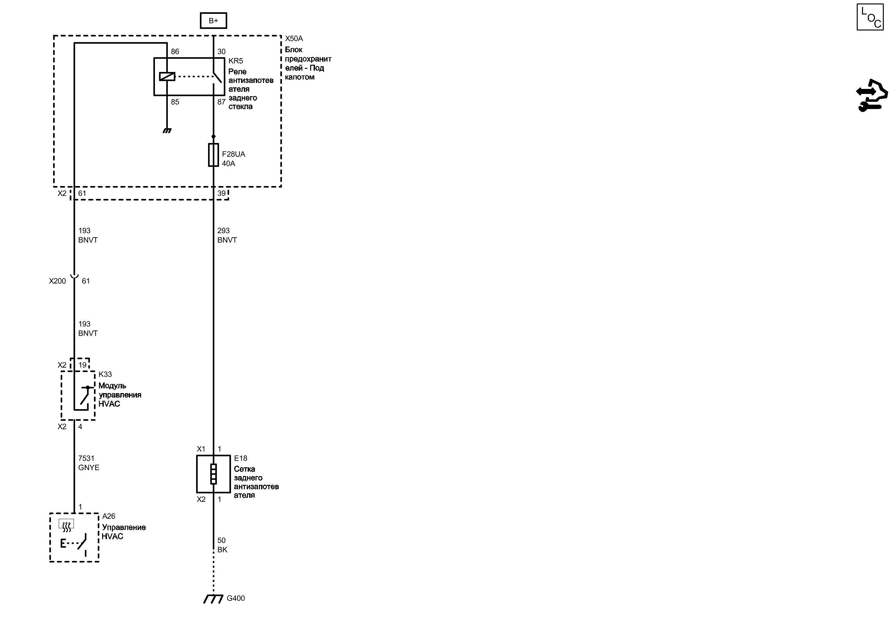
Антизапотеватель


            |                         |            
2202797RU.png


Display graphic

Display graphic

Компоненты
a26Управление hvack33Модуль управления hvac
e18Сетка заднего антизапотевателяkr5Реле антизапотевателя заднего стекла
f28uaПредохранительx50aБлок предохранителей - Под капотом
Разъемы
e18 (x1)Сетка заднего антизапотевателя x1x50a (x2)Блок предохранителей - Под капотом x2
e18 (x2)Сетка заднего антизапотевателя x2x200Жгут проводов кузова и жгут проводов панели приборов
k33 (x2)Модуль управления hvac x2
Точки соединения с массой
g400Задняя панель, правая
Сокращения
b+Вывод b+
Цветовые коды
bkЧерныйgnyeЗеленый-Желтый
bnvtКоричневый-Фиолетовый
1
1
X2 Сетка заднего антизапотевателя X2

Расположение деталей (узлов) Трехмерная схема жгутов
Внешний вид разъема и ремонт
X1 Сетка заднего антизапотевателя X1

Расположение деталей (узлов) Трехмерная схема жгутов
Внешний вид разъема и ремонт
G400 Задняя панель, правая

Расположение деталей (узлов) Трехмерная схема жгутов
Внешний вид разъема и ремонт
Электрическая схема G100, G102, G121, G122, G204 и G400
Управление элементом заднего антизапотевателя
BNVT Коричневый-Фиолетовый
Вывод B+
F28UA Предохранитель

Электрическая схема Дерево Предохранители F12UA, F28UA, F56UA, F60UA и F65UA
Электрическая схема Питание Шина B+ UEC (6 из 6)
39
X2 Блок предохранителей - Под капотом X2

Внешний вид разъема и ремонт
61
X200 Жгут проводов кузова и жгут проводов панели приборов

Расположение деталей (узлов) Трехмерная схема жгутов
Внешний вид разъема и ремонт Вилка
Внешний вид разъема и ремонт Гнездо
61
19
X2 Модуль управления HVAC X2

Внешний вид разъема и ремонт
Масса
BK Черный
Релейное управление задним антизапотевателем
BNVT Коричневый-Фиолетовый
30
86
87
85
Управление
K33 Модуль управления HVAC

Расположение деталей (узлов) Трехмерная схема жгутов ПЕРЕДНИЙ ВОЗДУШНЫЙ КОНДИЦИОНЕР С СИСТЕМОЙ HVAC, АВТОМ., ЭЛЕКТРОННЫЕ ОРГАНЫ УПРАВЛЕНИЯ
Имеется только одно место для компонента
X50A Блок предохранителей - Под капотом

Расположение деталей (узлов) Трехмерная схема жгутов
KR5 Реле антизапотевателя заднего стекла
E18 Сетка заднего антизапотевателя

Расположение деталей (узлов) Трехмерная схема жгутов
Расположение деталей (узлов) Трехмерная схема жгутов
A26 Управление HVAC
1
Линейная межкомпонентная сетевая шина 9
GNYE Зеленый-Желтый
X2 Модуль управления HVAC X2

Внешний вид разъема и ремонт
4
BNVT Коричневый-Фиолетовый
Справочные данные по контроллерам

Справочные данные по контроллерам
Перечень основных электрических компонентов

Перечень основных электрических компонентов
   


https://vnx.su/ 🛠 Руководства по ремонту и эксплуатации для автомобилей

Поиск по сайту

Остались вопросы или пожелания? Пишите на почту: support@vnx.su

Карта Сайта