Cruze
   
GMDE Start Page Load static TOC Load dynamic TOC Help?
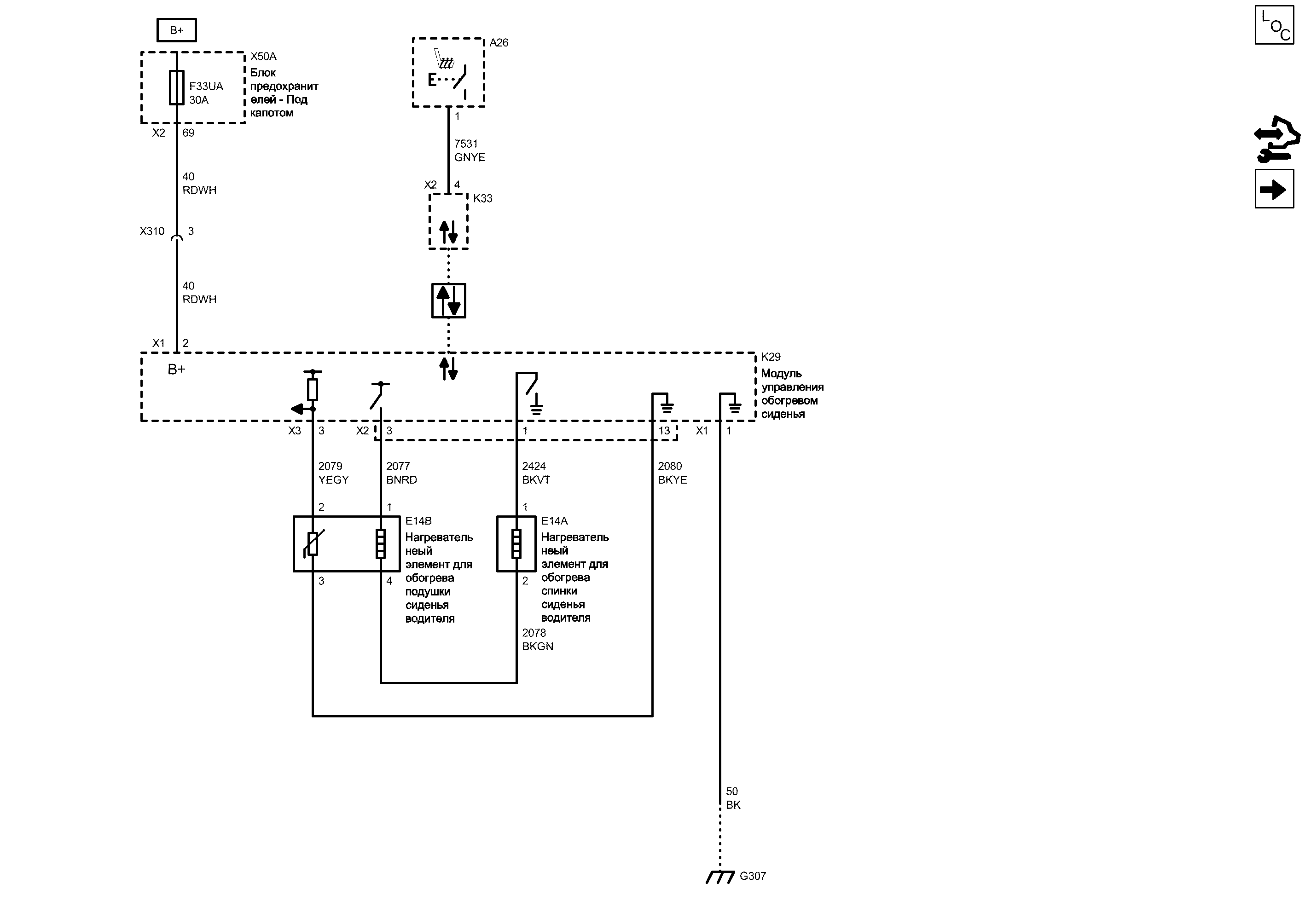
Сиденье водителя с обогревом/охлаждением


            |                         |            
2203237RU.png


Display graphic

Display graphic

Компоненты
a26Управление hvack29Модуль управления обогревом сиденья
e14aНагревательнеый элемент для обогрева спинки сиденья водителяk33Модуль управления hvac
e14bНагревательнеый элемент для обогрева подушки сиденья водителяx50aБлок предохранителей - Под капотом
f33uaПредохранитель
Разъемы
k29 (x1)Модуль управления обогревом сиденья x1k33 (x2)Модуль управления hvac x2
k29 (x2)Модуль управления обогревом сиденья x2x50a (x2)Блок предохранителей - Под капотом x2
k29 (x3)Модуль управления обогревом сиденья x3x310Жгут проводов кузова и жгут проводов сиденья водителя
Точки соединения с массой
g307Туннель
Сокращения
b+Вывод b+lscanНизкоскоростная шина can
Цветовые коды
bkЧерныйbnrdКоричневый-Красный
bkgnЧерный-ЗеленыйgnyeЗеленый-Желтый
bkvtЧерный-ФиолетовыйrdwhКрасный-Белый
bkyeЧерный-ЖелтыйyegyЖелтый-Серый
1
4
3
2
Управление элементом сиденья водителя с подогревом
BNRD Коричневый-Красный
X2 Модуль управления обогревом сиденья X2
3
Слабый опорный сигнал элемента сиденья водителя с подогревом
BKGN Черный-Зеленый
2
Возврат элемента спинки обогреваемого сиденья водителя
BKVT Черный-Фиолетовый
1
1
3
X3 Модуль управления обогревом сиденья X3
Сигнал NTC сиденья водителя с подогревом
YEGY Желтый-Серый
Слабый опорный сигнал NTC сиденья водителя с подогревом
BKYE Черный-Желтый
13
1
X1 Модуль управления обогревом сиденья X1
G307 Туннель

Расположение деталей (узлов) Трехмерная схема жгутов
Внешний вид разъема и ремонт
Электрическая схема G120 и G307
Масса
BK Черный
Положительное напряжение аккумуляторной батареи
RDWH Красный-Белый
X2 Блок предохранителей - Под капотом X2

Внешний вид разъема и ремонт
69
F33UA Предохранитель

Электрическая схема Дерево Предохранители F1UA, F2UA, F6UA, F26UA, F31UA, F33UA, F34UA, F64UA и F67UA
Электрическая схема Питание Шина B+ UEC (5 из 6)
Вывод B+
RDWH Красный-Белый
2
X1 Модуль управления обогревом сиденья X1
X50A Блок предохранителей - Под капотом

Расположение деталей (узлов) Трехмерная схема жгутов
E14B Нагревательнеый элемент для обогрева подушки сиденья водителя
E14A Нагревательнеый элемент для обогрева спинки сиденья водителя
K29 Модуль управления обогревом сиденья
Низкоскоростная шина CAN
K33 Модуль управления HVAC

Расположение деталей (узлов) Трехмерная схема жгутов ПЕРЕДНИЙ ВОЗДУШНЫЙ КОНДИЦИОНЕР С СИСТЕМОЙ HVAC, АВТОМ., ЭЛЕКТРОННЫЕ ОРГАНЫ УПРАВЛЕНИЯ
Имеется только одно место для компонента
4
X2 Модуль управления HVAC X2

Внешний вид разъема и ремонт
Линейная межкомпонентная сетевая шина 9
GNYE Зеленый-Желтый
1
A26 Управление HVAC
B+ (положительное напряжение аккумуляторной батареи)
Слабый опорный сигнал
Сигнал
Слабый опорный сигнал
Управление
Управление
Последовательные данные
Последовательные данные
X310 Жгут проводов кузова и жгут проводов сиденья водителя

Расположение деталей (узлов) Трехмерная схема жгутов Левостороннее управление
Расположение деталей (узлов) Трехмерная схема жгутов Правостороннее управление
Внешний вид разъема и ремонт Гнездо Левостороннее управление
Внешний вид разъема и ремонт Гнездо Правостороннее управление
3
Справочные данные по контроллерам

Справочные данные по контроллерам
Сиденье пассажира с обогревом/охлаждением

Сиденье пассажира с обогревом/охлаждением
Перечень основных электрических компонентов

Перечень основных электрических компонентов
   


https://vnx.su/ 🛠 Руководства по ремонту и эксплуатации для автомобилей

Поиск по сайту

Остались вопросы или пожелания? Пишите на почту: support@vnx.su

Карта Сайта