Cruze
   
GMDE Start Page Load static TOC Load dynamic TOC Help?
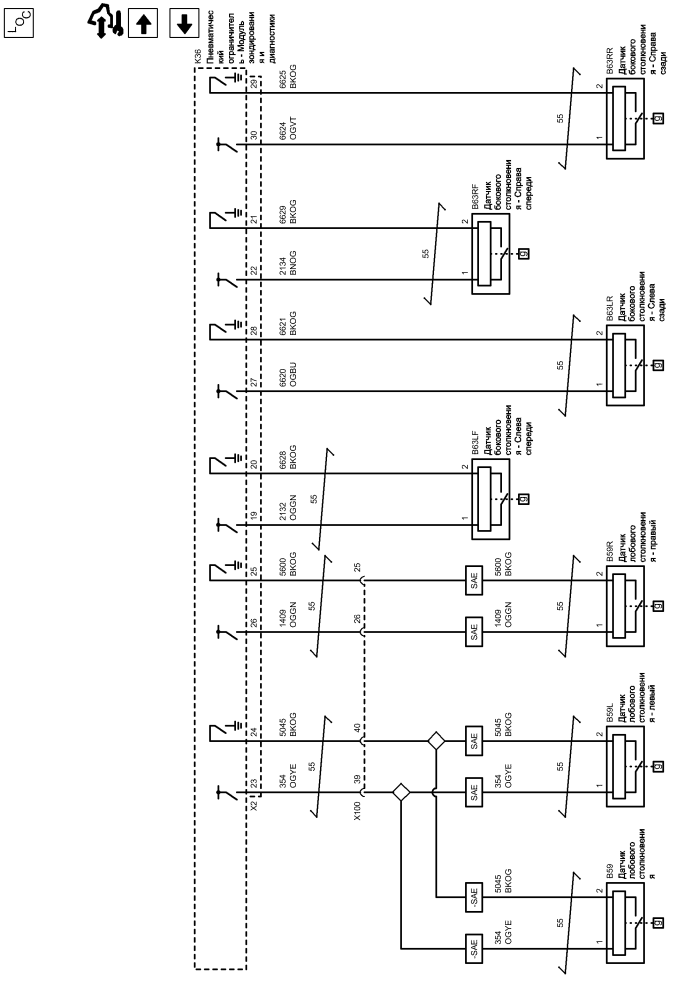
Датчики лобового, бокового и заднего удара


            |                         |            
2203219RU.png


Display graphic

Display graphic

Компоненты
b59Датчик лобового столкновенияb63lrДатчик бокового столкновения - Слева сзади
b59lДатчик лобового столкновения - левыйb63rfДатчик бокового столкновения - Справа спереди
b59rДатчик лобового столкновения - правыйb63rrДатчик бокового столкновения - Справа сзади
b63lfДатчик бокового столкновения - Слева спередиk36Пневматический ограничитель - Модуль зондирования и диагностики
Разъемы
k36 (x2)Пневматический ограничитель - Модуль зондирования и диагностики x2x100Жгут проводов кузова и жгут проводов передней части кузова
Сокращения
saeСТРАНЫ - СЕВЕРНАЯ АМЕРИКА-saeСТРАНЫ - КРОМЕ СЕВЕРНОЙ АМЕРИКИ
Цветовые коды
bkogЧерный-ОранжевыйoggnОранжевый-Зеленый
bnogКоричневый-ОранжевыйogvtОранжевый-Фиолетовый
ogbuОранжевый-СинийogyeОранжевый-Желтый
X100 Жгут проводов кузова и жгут проводов передней части кузова

Расположение деталей (узлов) Трехмерная схема жгутов
Внешний вид разъема и ремонт Вилка
Внешний вид разъема и ремонт Гнездо
39
1
СТРАНЫ - СЕВЕРНАЯ АМЕРИКА
OGYE Оранжевый-Желтый
B59 Датчик лобового столкновения

Расположение деталей (узлов) Трехмерная схема жгутов СТРАНЫ - КРОМЕ СЕВЕРНОЙ АМЕРИКИ
Внешний вид разъема и ремонт СТРАНЫ - КРОМЕ СЕВЕРНОЙ АМЕРИКИ
2
1
СТРАНЫ - КРОМЕ СЕВЕРНОЙ АМЕРИКИ
OGYE Оранжевый-Желтый
СТРАНЫ - КРОМЕ СЕВЕРНОЙ АМЕРИКИ
BKOG Черный-Оранжевый
1
2
B59L Датчик лобового столкновения - левый

Внешний вид разъема и ремонт
Доступен вид только с одним разъемом
2
B59R Датчик лобового столкновения - правый

Внешний вид разъема и ремонт
Доступен вид только с одним разъемом
СТРАНЫ - СЕВЕРНАЯ АМЕРИКА
BKOG Черный-Оранжевый
СТРАНЫ - СЕВЕРНАЯ АМЕРИКА
OGGN Оранжевый-Зеленый
40
26
1
СТРАНЫ - СЕВЕРНАЯ АМЕРИКА
BKOG Черный-Оранжевый
2
B63LF Датчик бокового столкновения - Слева спереди

Внешний вид разъема и ремонт
25
23
Сигнал левого переднего датчика приоритетности
OGYE Оранжевый-Желтый
Управление
X2 Пневматический ограничитель - Модуль зондирования и диагностики X2

Расположение деталей (узлов) Трехмерная схема жгутов
Внешний вид разъема и ремонт С ПАССИВНОЙ СИСТЕМОЙ БЕЗОПАСНОСТИ ПЕРЕДНЕГО СИДЕНЬЯ, НАДУВН., ВОДИТЕЛЯ И ПАССАЖИРА, ПЕРЕДН. И БОКОВ., ИЛИ С ПАССИВНОЙ СИСТЕМОЙ БЕЗОПАСНОСТИ СИДЕНЬЯ, НАДУВН., ВОДИТЕЛЯ И ПАССАЖИРА, ПЕРЕДН. И БОКОВ. ОДНОСТУПЕНЧАТ., ИЛИ С ПАССИВНОЙ СИСТЕМОЙ БЕЗОПАСНОСТИ ПЕРЕ
Внешний вид разъема и ремонт БЕЗ ПАССИВНОЙ СИСТЕМЫ БЕЗОПАСНОСТИ ПЕРЕДНЕГО СИДЕНЬЯ, НАДУВН., ВОДИТЕЛЯ И ПАССАЖИРА, ПЕРЕДН. И БОКОВ., ИЛИ БЕЗ ПАССИВНОЙ СИСТЕМЫ БЕЗОПАСНОСТИ СИДЕНЬЯ, НАДУВН., ВОДИТЕЛЯ И ПАССАЖИРА, ПЕРЕДН. И БОКОВ. ОДНОСТУПЕНЧАТ., ИЛИ БЕЗ ПАССИВНОЙ СИСТЕМЫ БЕЗОПАСНОСТИ П
26
Управление
Управление
Слабый опорный сигнал левого переднего датчика приоритетности
BKOG Черный-Оранжевый
24
Сигнал правого переднего датчика приоритетности
OGGN Оранжевый-Зеленый
Управление
Управление
Управление
Сигнал левого переднего модуля распознавания бокового удара
OGGN Оранжевый-Зеленый
19
Слабый опорный сигнал правого переднего датчика приоритетности
BKOG Черный-Оранжевый
25
Слабый опорный сигнал левого передего модуля распознавания бокового удара
BKOG Черный-Оранжевый
20
2
B63RR Датчик бокового столкновения - Справа сзади

Расположение деталей (узлов) Трехмерная схема жгутов
Внешний вид разъема и ремонт
2
1
B63LR Датчик бокового столкновения - Слева сзади

Расположение деталей (узлов) Трехмерная схема жгутов
Внешний вид разъема и ремонт
1
1
B63RF Датчик бокового столкновения - Справа спереди

Внешний вид разъема и ремонт
2
Слабый опорный сигнал правого среднего модуля распознавания бокового удара
BKOG Черный-Оранжевый
29
22
Управление
Управление
Управление
Слабый опорный сигнал левого среднего модуля распознавания бокового удара
BKOG Черный-Оранжевый
28
Сигнал левого среднего модуля распознавания бокового удара
OGBU Оранжевый-Синий
27
Сигнал правого переднего модуля распознавания бокового удара
BNOG Коричневый-Оранжевый
Управление
Управление
Управление
Слабый опорный сигнал правого переднего модуля распознавания бокового удара
BKOG Черный-Оранжевый
21
Сигнал правого среднего модуля распознавания бокового удара
OGVT Оранжевый-Фиолетовый
30
K36 Пневматический ограничитель - Модуль зондирования и диагностики

Расположение деталей (узлов) Трехмерная схема жгутов
Модули бокового удара и продольного бруса крыши и натяжитель ремня безопасности

Модули бокового удара и продольного бруса крыши и натяжитель ремня безопасности
Справочные данные по контроллерам

Справочные данные по контроллерам
Дисплей надувных подушек безопасности

Дисплей надувных подушек безопасности
Перечень основных электрических компонентов

Перечень основных электрических компонентов
   


https://vnx.su/ 🛠 Руководства по ремонту и эксплуатации для автомобилей

Поиск по сайту

Остались вопросы или пожелания? Пишите на почту: support@vnx.su

Карта Сайта