Cruze
   
GMDE Start Page Load static TOC Load dynamic TOC Help?
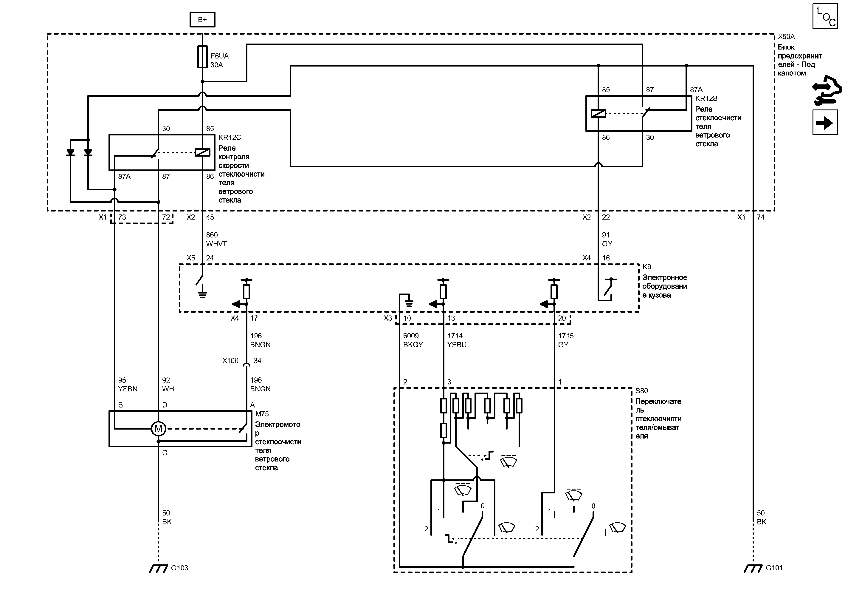
Передний стеклоочиститель


            |                         |            
2202840RU.png


Display graphic

Display graphic

Компоненты
f6uaПредохранительm75Электромотор стеклоочистителя ветрового стекла
k9Электронное оборудование кузоваs80Переключатель стеклоочистителя/омывателя
kr12bРеле стеклоочистителя ветрового стеклаx50aБлок предохранителей - Под капотом
kr12cРеле контроля скорости стеклоочистителя ветрового стекла
Разъемы
k9 (x3)Электронное оборудование кузова x3x50a (x1)Блок предохранителей - Под капотом x1
k9 (x4)Электронное оборудование кузова x4x50a (x2)Блок предохранителей - Под капотом x2
k9 (x5)Электронное оборудование кузова x5x100Жгут проводов кузова и жгут проводов передней части кузова
Точки соединения с массой
g101Моторный отсек - Передняя часть, слеваg103Моторный отсек - Передняя часть, слева
Сокращения
b+Вывод b+
Цветовые коды
bkЧерныйwhБелый
bkgyЧерный-СерыйwhvtБелый-Фиолетовый
bngnКоричневый-ЗеленыйyebnЖелтый-Коричневый
gyСерыйyebuЖелтый-Синий
B
C
A
D
G103 Моторный отсек - Передняя часть, слева

Расположение деталей (узлов) Трехмерная схема жгутов БЕЗ КОЖАНОЙ ОТДЕЛКИ СИДЕНЬЯ (TBD1-GSV)(GMDAT)
Расположение деталей (узлов) Трехмерная схема жгутов ЕВРОПА
Внешний вид разъема и ремонт
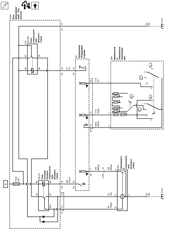
Электрическая схема G103 и G105
Управление электромотором стеклоочистителя ветрового стекла - Низкая скорость
YEBN Желтый-Коричневый
Управление электромотором стеклоочистителя ветрового стекла - Высокая скорость
WH Белый
Сигнал стояночного выключателя электромотора очистителя ветрового стекла
BNGN Коричневый-Зеленый
73
X1 Блок предохранителей - Под капотом X1

Расположение деталей (узлов) Трехмерная схема жгутов
Внешний вид разъема и ремонт
72
45
X2 Блок предохранителей - Под капотом X2

Внешний вид разъема и ремонт
F6UA Предохранитель

Электрическая схема Дерево Предохранители F1UA, F2UA, F6UA, F26UA, F31UA, F33UA, F34UA, F64UA и F67UA
Электрическая схема Питание Шина B+ UEC (5 из 6)
Вывод B+
22
Управление катушкой реле электромотора очистителя ветрового стекла
GY Серый
16
X4 Электронное оборудование кузова X4

Расположение деталей (узлов) Трехмерная схема жгутов
X5 Электронное оборудование кузова X5

Расположение деталей (узлов) Трехмерная схема жгутов
24
X2 Блок предохранителей - Под капотом X2

Внешний вид разъема и ремонт
X1 Блок предохранителей - Под капотом X1

Расположение деталей (узлов) Трехмерная схема жгутов
Внешний вид разъема и ремонт
74
Сильный сигнал переключателя очистителей ветрового стекла
WHVT Белый-Фиолетовый
17
X4 Электронное оборудование кузова X4

Расположение деталей (узлов) Трехмерная схема жгутов
X100 Жгут проводов кузова и жгут проводов передней части кузова

Расположение деталей (узлов) Трехмерная схема жгутов
Внешний вид разъема и ремонт Вилка
Внешний вид разъема и ремонт Гнездо
34
G101 Моторный отсек - Передняя часть, слева

Расположение деталей (узлов) Трехмерная схема жгутов БЕЗ КОЖАНОЙ ОТДЕЛКИ СИДЕНЬЯ (TBD1-GSV)(GMDAT)
Расположение деталей (узлов) Трехмерная схема жгутов ЕВРОПА
Внешний вид разъема и ремонт
Электрическая схема G101
10
Слабый опорный сигнал переключателя очистителей ветрового стекла
BKGY Черный-Серый
X3 Электронное оборудование кузова X3

Расположение деталей (узлов) Трехмерная схема жгутов
Низкий сигнал переключателя очистителей ветрового стекла
YEBU Желтый-Синий
13
20
Сигнал высокой скорости переключателя очистителей ветрового стекла
GY Серый
BNGN Коричневый-Зеленый
Масса
BK Черный
86
87
87A
30
85
85
87
86
87A
30
Масса
BK Черный
KR12B Реле стеклоочистителя ветрового стекла
K9 Электронное оборудование кузова

Расположение деталей (узлов) Трехмерная схема жгутов
X50A Блок предохранителей - Под капотом

Расположение деталей (узлов) Трехмерная схема жгутов
KR12C Реле контроля скорости стеклоочистителя ветрового стекла
M75 Электромотор стеклоочистителя ветрового стекла

Расположение деталей (узлов) Трехмерная схема жгутов
Внешний вид разъема и ремонт
Управление
Сигнал
Слабый опорный сигнал
Сигнал
Сигнал
Управление
S80 Переключатель стеклоочистителя/омывателя

Внешний вид разъема и ремонт
1
3
2
Справочные данные по контроллерам

Справочные данные по контроллерам
Датчик дождя

Датчик дождя
Перечень основных электрических компонентов

Перечень основных электрических компонентов
   


https://vnx.su/ 🛠 Руководства по ремонту и эксплуатации для автомобилей

Поиск по сайту

Остались вопросы или пожелания? Пишите на почту: support@vnx.su

Карта Сайта