Cruze
   
GMDE Start Page Load static TOC Load dynamic TOC Help?
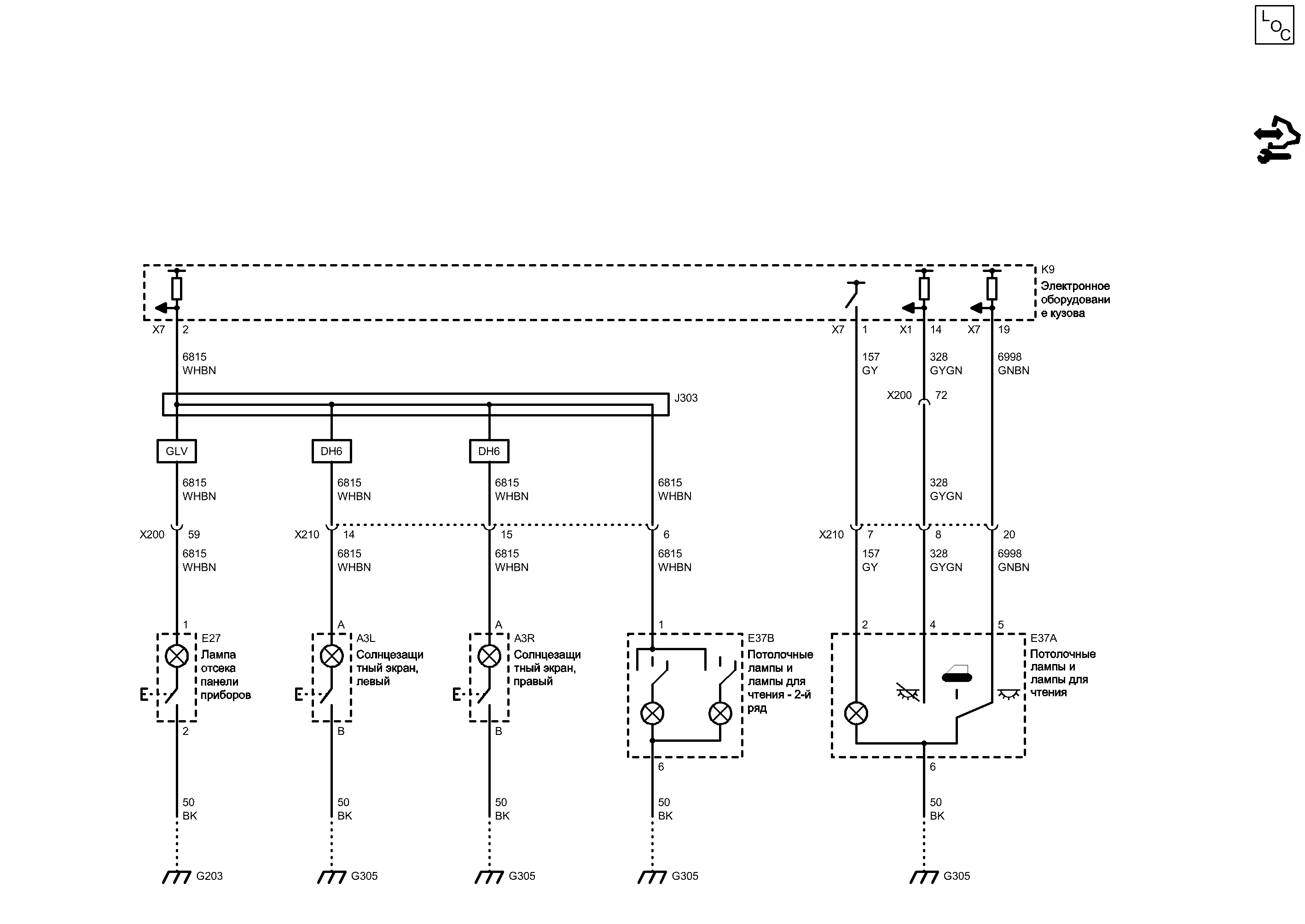
Лампа, лампа для чтения, потолочная лампа и лампа перчаточного ящика


            |                         |            
2202822RU.png


Display graphic

Display graphic

Компоненты
a3lСолнцезащитный экран, левыйe37aПотолочные лампы и лампы для чтения
a3rСолнцезащитный экран, правыйe37bПотолочные лампы и лампы для чтения - 2-й ряд
e27Лампа отсека панели приборовk9Электронное оборудование кузова
Разъемы
j303Жгут проводов кузоваx200Жгут проводов кузова и жгут проводов панели приборов
k9 (x1)Электронное оборудование кузова x1x210Жгут проводов кузова и жгут проводов крыши
k9 (x7)Электронное оборудование кузова x7
Точки соединения с массой
g203Поперечина, панель приборов - позади аудиосистемыg305Передняя стойка, левая
Сокращения
dh6ЗЕРКАЛО ВНУТР., ПЕРЕДН. ВЕНТ. , ЛЕВОСТ. И ПРАВОСТ., СОЛЦЕЗАЩИТНАЯ БЛЕНДА, ОСВЕЩ.glvПЕРЧАТОЧНЫЙ ЯЩИК ОСВЕЩЕН
Цветовые коды
bkЧерныйgygnСерый-Зеленый
gnbnЗеленый-КоричневыйwhbnБелый-Коричневый
gyСерый
1
X7 Электронное оборудование кузова X7

Расположение деталей (узлов) Трехмерная схема жгутов
2
Управление нерегулярным электропитанием
WHBN Белый-Коричневый
G203 Поперечина, панель приборов - позади аудиосистемы

Расположение деталей (узлов) Трехмерная схема жгутов
Внешний вид разъема и ремонт
Электрическая схема G203
Масса
BK Черный
G305 Передняя стойка, левая

Расположение деталей (узлов) Трехмерная схема жгутов
Внешний вид разъема и ремонт
Электрическая схема G305
Масса
BK Черный
J303 Жгут проводов кузова
ПЕРЧАТОЧНЫЙ ЯЩИК ОСВЕЩЕН
WHBN Белый-Коричневый
ЗЕРКАЛО ВНУТР., ПЕРЕДН. ВЕНТ. , ЛЕВОСТ. И ПРАВОСТ., СОЛЦЕЗАЩИТНАЯ БЛЕНДА, ОСВЕЩ....
WHBN Белый-Коричневый
ЗЕРКАЛО ВНУТР., ПЕРЕДН. ВЕНТ. , ЛЕВОСТ. И ПРАВОСТ., СОЛЦЕЗАЩИТНАЯ БЛЕНДА, ОСВЕЩ....
WHBN Белый-Коричневый
X210 Жгут проводов кузова и жгут проводов крыши

Расположение деталей (узлов) Трехмерная схема жгутов
Внешний вид разъема и ремонт Вилка
14
15
X200 Жгут проводов кузова и жгут проводов панели приборов

Расположение деталей (узлов) Трехмерная схема жгутов
Внешний вид разъема и ремонт Вилка
Внешний вид разъема и ремонт Гнездо
59
WHBN Белый-Коричневый
WHBN Белый-Коричневый
WHBN Белый-Коричневый
1
2
B
A
A
B
G305 Передняя стойка, левая

Расположение деталей (узлов) Трехмерная схема жгутов
Внешний вид разъема и ремонт
Электрическая схема G305
Масса
BK Черный
WHBN Белый-Коричневый
6
WHBN Белый-Коричневый
1
6
G305 Передняя стойка, левая

Расположение деталей (узлов) Трехмерная схема жгутов
Внешний вид разъема и ремонт
Электрическая схема G305
Масса
BK Черный
X7 Электронное оборудование кузова X7

Расположение деталей (узлов) Трехмерная схема жгутов
X1 Электронное оборудование кузова X1

Расположение деталей (узлов) Трехмерная схема жгутов
14
X7 Электронное оборудование кузова X7

Расположение деталей (узлов) Трехмерная схема жгутов
19
Управление светильниками салона
GY Серый
Нерегулярная нагрузка 1 - Напряжение питания
GNBN Зеленый-Коричневый
X200 Жгут проводов кузова и жгут проводов панели приборов

Расположение деталей (узлов) Трехмерная схема жгутов
Внешний вид разъема и ремонт Вилка
Внешний вид разъема и ремонт Гнездо
72
X210 Жгут проводов кузова и жгут проводов крыши

Расположение деталей (узлов) Трехмерная схема жгутов
Внешний вид разъема и ремонт Вилка
7
8
20
GNBN Зеленый-Коричневый
Сигнал переключателя отключения светильника салона
GYGN Серый-Зеленый
GY Серый
2
4
5
G305 Передняя стойка, левая

Расположение деталей (узлов) Трехмерная схема жгутов
Внешний вид разъема и ремонт
Электрическая схема G305
Масса
BK Черный
6
E37A Потолочные лампы и лампы для чтения
E37B Потолочные лампы и лампы для чтения - 2-й ряд

Расположение деталей (узлов) Трехмерная схема жгутов
A3R Солнцезащитный экран, правый

Внешний вид разъема и ремонт
A3L Солнцезащитный экран, левый

Внешний вид разъема и ремонт
E27 Лампа отсека панели приборов

Внешний вид разъема и ремонт
K9 Электронное оборудование кузова

Расположение деталей (узлов) Трехмерная схема жгутов
Сигнал
Сигнал
Сигнал
Управление
GYGN Серый-Зеленый
GYGN Серый-Зеленый
Справочные данные по контроллерам

Справочные данные по контроллерам
Перечень основных электрических компонентов

Перечень основных электрических компонентов
   


https://vnx.su/ 🛠 Руководства по ремонту и эксплуатации для автомобилей

Поиск по сайту

Остались вопросы или пожелания? Пишите на почту: support@vnx.su

Карта Сайта