К началу документа
Nubira-Lacetti
На предыдущую страницуНа следующую страницу
Главная страница GMDEЗагрузить нединамическое оглавлениеЗагрузить динамическое оглавлениеПомощь

РАЗДЕЛ 9Q

КРЫША

Внимание! Отсоедините провод от отрицательного вывода аккумулятора, прежде чем снимать или устанавливать какие-либо электрические устройства, а также в ситуации, когда есть возможность касания оголенных электрических контактов каким-либо инструментом или приспособлением. Отсоединение этого провода позволяет избежать травм и повреждения оборудования автомобиля. Кроме того, если не указано иное, зажигание должно находиться в положении LOCK.

ТЕХНИЧЕСКИЕ ХАРАКТЕРИСТИКИ

Моменты затяжки резьбовых соединений

ПРОГРАММА
Н•м
фунт-фут
фунт-дюйм
Винты переключателя управления люком в крыше с электроприводом
2
-
18
Винты крепления вспомогательных поручней для пассажира.
3
-
27
Винты солнцезащитного козырька
4
-
35
Опорный винт солнцезащитного козырька
1.5
-
13
Болты крепления корпуса люка в крыше
10
-
89
Винты мотора люка в крыше
3
-
27

СПЕЦИАЛЬНЫЕ ИНСТРУМЕНТЫ

Таблица специальных инструментов


KM475B
Показать иллюстрациюПеревод текста в иллюстрациях


km-475-b
Съемник обивки

ПРИНЦИПИАЛЬНЫЕ И МОНТАЖНЫЕ СХЕМЫ

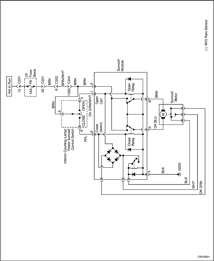
Система люка в крыше с электроприводом


J7B19Q01
Показать иллюстрациюПеревод текста в иллюстрациях


ДИАГНОСТИКА

Люк в крыше с электроприводом

Люк в крыше не работает

ШагОперацияЗначенияДаНет
1
Проверить предохранитель f8.
Перегорел ли один из этих предохранителей?
-
Перейдите на Шаг 2
Перейдите на Шаг 3
2
  1. Проверьте на предмет короткого замыкания и при необходимости устраните его.
  2. Заменить перегоревший предохранитель.
Ремонт закончен?
-
Система в норме
-
3
  1. Установите зажигание в положение on.
  2. Проверить напряжение на предохранителе f8.
Равны ли напряжения указанному значению?
11~14 В
Перейдите на Шаг 5
Перейдите на Шаг 4
4
Отремонтировать источник подачи питания на предохранитель, который не показывал напряжение батареи при включенном зажигании.
Ремонт закончен?
-
Система в норме
-
5
  1. Отсоединить освещение салона при открытии двери/разъем переключателя управления люком в крыше с электроприводом
  2. Установите зажигание в положение on.
  3. Проверить напряжение на клемме 5 освещения салона при открытии двери/разъеме переключателя управления люка в крыше с электроприводом.
Равно ли напряжение указанному значению?
11~14 В
Перейдите на Шаг 7
Перейдите на Шаг 6
6
Отремонтировать разомкнутую цепь между предохранителем f8 и разъемом переключателя освещения салона при открытии двери/управления люка в крыше с электроприводом.
Ремонт закончен?
-
Система в норме
-
7
  1. Присоединить разъем переключателя освещения салона при открытии двери/управления люком в крыше с электроприводом.
  2. При переключателе люка в положении open (Открыто) проверить напряжение на клемме 4 освещения салона при открытии двери/разъеме переключателя управления люка в крыше с электроприводом.
  3. При переключателе люка в положении close(закрыто) проверить напряжение на клемме 6 освещения салона при открытии двери/разъеме переключателя управления люка в крыше с электроприводом.
Оба напряжения равны указанным значениям?
11~14 В
Перейдите на Шаг 9
Перейдите на Шаг 8
8
Заменить контрольный переключатель освещения салона при открытии двери/люка в крыше с электроприводом.
Ремонт закончен?
-
Система в норме
-
9
  1. Отсоединить разъем модуля люка.
  2. При переключателе люка, установленном в положение open (открыто), проверить напряжение на клемме 1 разъема модуля люка.
  3. При переключателе люка, установленном в положение close(закрыто), проверить напряжение на клемме 6 разъема модуля люка.
Напряжения равны указанным значениям?
11~14 В
Перейдите на Шаг 11
Перейдите на Шаг 10
10
Отремонтировать разомкнутую цепь между контрольным переключателем освещения салона при открытии двери/люка в крыше с электроприводом и разъемом модуля люка.
Ремонт закончен?
-
Система в норме
-
11
  1. Присоединить модуль люка.
  2. Снять мотор люка, оставив прикрепленными соединители (разъемы).
  3. Установите зажигание в положение on.
  4. С помощью переключателя люка попробуйте работу мотора в обоих направлениях.
Мотор работает?
-
Перейдите на Шаг 12
Перейдите на Шаг 13
12
Отремонтировать застопоренный механизм люка в крыше.
Ремонт закончен?
-
Система в норме
-
13
  1. Отсоединить оба однопроводных разъема на моторе люка.
  2. Подключить вольтметр между однопроводными соединителями со стороны модуля.
  3. Установите зажигание в положение on.
  4. Поставить переключатель люка в положение open (открыто) и снять показания вольтметра.
  5. Поставить переключатель люка в положение close (закрыто) и снять показания вольтметра.
Вольтметр показывает указанное напряжение, когда переключатель находится в положении open (открыто) или close (закрыто) (одно из положений переключателя должно показывать обратную полярность)?
11~14 В
Перейдите на Шаг 15
Перейдите на Шаг 14
14
Заменить модуль люка крыши.
Ремонт закончен?
-
Система в норме
-
15
Заменить мотор люка в крыше.
Люк работает с новым мотором?
-
Система в норме
Перейдите на Шаг 14

ТЕХНИЧЕСКОЕ ОБСЛУЖИВАНИЕ И РЕМОНТ

ТЕХНИЧЕСКОЕ ОБСЛУЖИВАНИЕ БЕЗ ДЕМОНТАЖА С АВТОМОБИЛЯ



J3B19Q01
Показать иллюстрациюПеревод текста в иллюстрациях


Люк в крыше с электроприводом

Процедура снятия

  1. Отсоедините провод от отрицательного вывода аккумуляторной батареи.
  2. Снять обивку потолка салона. Перейти к "Фасонная обивка потолка салона "в этом разделе.
  3. Снять сливные шланги.


  4. J3B19Q02
    Показать иллюстрациюПеревод текста в иллюстрациях


  5. Отсоединить электрические разъемы.
  6. Снять винты и мотор.


  7. J3B19Q03
    Показать иллюстрациюПеревод текста в иллюстрациях


  8. Снять блок управления мотора.
  9. Снять болты и корпус с автомобиля.


J3B19Q03
Показать иллюстрациюПеревод текста в иллюстрациях


Процедура установки

    Примечание: Непосредственный контакт разнородных металлов может привести к быстрой коррозии. Во избежание преждевременной коррозии используйте надлежащий крепеж.

  1. Установить корпус на крыше автомобиля с помощью болтов.
  2. Затянуть
    Затянуть болты корпуса люка с усилием 10 Н•м (89 фунт-дюймов).



    J3B19Q02
    Показать иллюстрациюПеревод текста в иллюстрациях


  3. Установить блок управления мотора.
  4. Установить мотор с помощью винтов.
  5. Затянуть
    Затянуть винты электродвигателя люка в крыше с усилием 3 Н•м (27 фунт-дюймов).

  6. Подсоединить электрические разъемы.


  7. J3B19Q01
    Показать иллюстрациюПеревод текста в иллюстрациях


  8. Установить сливные шланги.
  9. Установить обивку потолка салона. Перейти к "Фасонная обивка потолка салона "в этом разделе.
  10. Присоедините провод к отрицательному выводу аккумуляторной батареи.


J3B19Q04
Показать иллюстрациюПеревод текста в иллюстрациях


Солнцезащитный козырек

Процедура снятия

  1. Снять люк в крыше. Перейти к "Люк в крыше с электроприводом"в этом разделе.
  2. Снять стопоры солнцезащитного козырька.
  3. Снять болты и сливной канал.
  4. Снять солнцезащитный козырек.


J3B19Q05
Показать иллюстрациюПеревод текста в иллюстрациях


Процедура установки

  1. Установить солнцезащитный козырек.
  2. Установить сливной канал с помощью болтов.
  3. Затянуть
    Затянуть болты сливного канала с усилием 3 Н•м (27 фунт-дюймов).

  4. Установить стопоры солнцезащитного козырька.
  5. Установить люк в крыше. Перейти к "Люк в крыше с электроприводом"в этом разделе.


J3B19Q06
Показать иллюстрациюПеревод текста в иллюстрациях


Стекло люка в крыше

Процедура снятия

  1. Приподнять люк, нажав переключатель люка.
  2. Снять болты и стекло люка.


J3B19Q06
Показать иллюстрациюПеревод текста в иллюстрациях


Процедура установки

  1. Установить стекло люка с помощью болтов.
  2. Затянуть
    Затянуть болты стекла люка с усилием 3 Н•м (27 фунт-дюймов).

  3. Вернуть люк в исходное положение.


J3B19Q07
Показать иллюстрациюПеревод текста в иллюстрациях


Фасонная обивка потолка салона

Необходимое оборудование

Съемник обивки KM-475-B

Процедура снятия

  1. Отсоедините провод от отрицательного вывода аккумуляторной батареи.
  2. Снять молдинг люка, если имеется.
  3. Снять вспомогательные поручни для пассажира. Перейти к "Вспомогательные поручни для пассажира"в этом разделе.
  4. Снять пластмассовые стопорные зажимы в обивке потолка салона со стороны водителя.
  5. Снять солнцезащитные козырьки. Перейти к "Солнцезащитные козырьки с косметическим зеркалом" в этом разделе.
  6. Снять переключатель управления люком в крыше с электроприводом. Перейти к "Переключатель управления люком в крыше с электроприводом" в этом разделе.
  7. Снять облицовочные панели передней, задней и средней стойки. См. Раздел 9G, Облицовка салона.


  8. J3B19Q08
    Показать иллюстрациюПеревод текста в иллюстрациях


  9. Снять пластмассовые фиксаторы в обивке потолка салона с помощью средства для снятия отделки КМ-475-В.
  10. Откинуть оба передних сиденья.
  11. Снять обивку потолка салона.


J5B39Q02
Показать иллюстрациюПеревод текста в иллюстрациях


Процедура установки

  1. Откинуть оба передних сиденья.
  2. Установить обивку потолка за сиденьями вокруг дверей.
  3. Установить пластмассовые фиксаторы.


  4. J3B19Q07
    Показать иллюстрациюПеревод текста в иллюстрациях


  5. Установить облицовочные панели передней, задней и средней стойки. См. Раздел 9G, Облицовка салона.
  6. Установить переключатель управления люком в крыше с электроприводом, если имеется. Перейти к "Переключатель управления люком в крыше с электроприводом" в этом разделе.
  7. Установить солнцезащитные козырьки. Перейти к "Солнцезащитные козырьки с косметическим зеркалом" в этом разделе.
  8. Установить пластмассовые фиксаторы в обивку потолка салона со стороны водителя.
  9. Установить вспомогательные поручни для пассажира. Перейти к "Вспомогательные поручни для пассажира"в этом разделе.
  10. Установить молдинг люка, если имеется.
  11. Присоедините провод к отрицательному выводу аккумуляторной батареи.


J3B19Q09
Показать иллюстрациюПеревод текста в иллюстрациях


Солнцезащитные козырьки с косметическим зеркалом

Процедура снятия

  1. Снять винты и солнцезащитный козырек с обивки потолка салона.
  2. Отсоединить электрический разъем косметического зеркала. Перейти к Раздела 9В, СИСТЕМА ОСВЕЩЕНИЯ.
  3. Снять винт и опору солнцезащитного козырька с обивки потолка салона.


J3B19Q09
Показать иллюстрациюПеревод текста в иллюстрациях


Процедура установки

    Примечание: Непосредственный контакт разнородных металлов может привести к быстрой коррозии. Во избежание преждевременной коррозии используйте надлежащий крепеж.

  1. Установить опору солнцезащитного козырька на обивке потолка салона с помощью винта.
  2. Затянуть
    Затянуть винт опоры солнцезащитного козырька с усилием 1,5 Н•м (13 фунт-дюймов).

  3. Присоединить электрический разъем косметического зеркала. Перейти к Раздела 9В, СИСТЕМА ОСВЕЩЕНИЯ.
  4. Прикрепить солнцезащитный козырек к обивке потолка салона с помощью винтов.
  5. Затянуть
    Затянуть винты солнцезащитного козырька с усилием 4 Н•м (35 фунт-дюймов).



J3B19Q07
Показать иллюстрациюПеревод текста в иллюстрациях


Вспомогательные поручни для пассажира

Процедура снятия

  1. Поставить пластмассовые колпачки на место, чтобы открыть винты вспомогательного поручня.
  2. cнять винты и вспомогательный поручень с обивки потолка салона.


J3B19Q07
Показать иллюстрациюПеревод текста в иллюстрациях


Процедура установки

    Примечание: Непосредственный контакт разнородных металлов может привести к быстрой коррозии. Во избежание преждевременной коррозии используйте надлежащий крепеж.

  1. Установить вспомогательный поручень на обивку потолка салона с помощью винтов.
  2. Затянуть
    Затянуть винты вспомогательного поручня со стороны пассажира с усилием 3 Н•м (27 фунт-дюймов).

  3. Установить пластмассовые колпачки на винты вспомогательного поручня.


J3B19Q10
Показать иллюстрациюПеревод текста в иллюстрациях


Переключатель управления люком в крыше с электроприводом

Процедура снятия

  1. Отсоедините провод от отрицательного вывода аккумуляторной батареи.
  2. Протереть линзу освещения салона при открытии двери .
  3. Снять винты и переключатель.
  4. Отсоединить электрический разъем.


J3B19Q10
Показать иллюстрациюПеревод текста в иллюстрациях


Процедура установки

  1. Подсоединить электрический разъем.
  2. Примечание: Непосредственный контакт разнородных металлов может привести к быстрой коррозии. Во избежание преждевременной коррозии используйте надлежащий крепеж.

  3. Установить переключатель управления люка в крыше.
  4. Затянуть
    Затянуть винты переключателя управления люком в крыше с электроприводом с усилием 2 Н•м (18 фунт-дюймов).

  5. Установить линзу освещения салона при открытии двери .
  6. Присоедините провод к отрицательному выводу аккумуляторной батареи.

ОБЩЕЕ ОПИСАНИЕ И РАБОТА СИСТЕМЫ

Крыша

Крыша представляет собой цельную окрашенную металлическую часть, которая содержит в себе цельную обивку потолка салона. Имеется два молдинга, по одному на каждую сторону крыши автомобиля, под которыми скрыты швы продольных брусьев крыши. Молдинги крыши ремонтируются по отдельности.
Цельная Фасонная обивка потолка салона состоит из литого материала, покрытого пенным тканым материалом. Цельная конструкция требует того, чтобы обивка потолка салона ремонтировалась как единый узел.

Люк в крыше с электроприводом/переключатель управления люком в крыше

Люк в крыше имеет следующие характеристики:
Переключатель управления люком представляет собой тумблер, расположенный с правой стороны узла освещения салона при открытии двери.
Чтобы привести люк в работу, нужно включить зажигание.

Приоткрывание, открытие и закрытие люка.

Чтобы приподнять заднюю часть люка, нажмите и удерживайте переднюю часть тумблера до тех пор, пока люк не приоткроется.
Чтобы закрыть люк в приподнятом положении, нажмите и удерживайте заднюю часть тумблера до тех пор, пока люк не закроется.

Смещение люка при открытии и закрытии.

Чтобы сдвинуть люк для открытия, нажимайте заднюю часть тумблера до тех пор, пока люк не сместится. Если солнцезащитный козырек закрыт, то во время смещения люк откроет его.
Чтобы закрыть люк из приоткрытого положения, нажимайте переднюю часть тумблера до тех пор, пока люк не закроется.

Солнцезащитные козырьки с косметическим зеркалом

Солнцезащитные козырьки опускаются, чтобы закрывать от яркого света. Они также сдвигаются в сторону, когда они сняты с суппорта. Чтобы заменить подсветку косметического зеркала, перейдите к Раздела 9В, СИСТЕМЫ ОСВЕЩЕНИЯ.

Вспомогательные поручни для пассажира

На каждом заднем боковом сиденье и на переднем пассажирском сиденье имеется вспомогательный поручень для пассажира. Пассажиры могут использовать эти поручни в качестве вспомогательного средства для удерживания равновесия при езде по плохим дорогам или во время крутых поворотов.

Крючки для верхней одежды

Крючки для верхней одежды расположены на левом и правом заднем вспомогательном поручне для пассажира.


На предыдущую страницуНа следующую страницу
https://vnx.su/ 🛠 Руководства по ремонту и эксплуатации для автомобилей

Поиск по сайту

Остались вопросы или пожелания? Пишите на почту: support@vnx.su

Карта Сайта