К началу документа
Nubira-Lacetti
На предыдущую страницуНа следующую страницу
Главная страница GMDEЗагрузить нединамическое оглавлениеЗагрузить динамическое оглавлениеПомощь

РАЗДЕЛ 9P

Двери.

Внимание! Отсоедините провод от отрицательного вывода аккумулятора, прежде чем снимать или устанавливать какие-либо электрические устройства, а также в ситуации, когда есть возможность касания оголенных электрических контактов каким-либо инструментом или приспособлением. Отсоединение этого провода позволяет избежать травм и повреждения оборудования автомобиля. Кроме того, если не указано иное, зажигание должно находиться в положении LOCK.

ТЕХНИЧЕСКИЕ ХАРАКТЕРИСТИКИ

Требования к моментам затяжки резьбовых соединений

ПРОГРАММА
n•m
фунт-фут
фунт-дюйм
Болты крепления дверных петель к кузову.
36
27
-
Болты крепления дверных петель к двери.
20
15
-
Болт крепления фиксатора открытого положения двери к кузову.
25
18
-
Болты крепления звена двери к двери.
9
-
80
Винты фиксатора замка двери
30
22
-
Винты кронштейна двери
3
-
27
Винты замка передней двери
8
-
71
Винт внутренней ручки двери
3
-
27
Винт наружного молдинга желобка
1.3
-
12
Болты наружной ручки двери
4.5
-
40
Болты направляющего рельса задней двери
8
-
71
Винт направляющего рельса задней двери
4
-
35
Винты замка задней двери
8
-
71
Гайки стеклоподъемника
8
-
71

ПРИНЦИПИАЛЬНЫЕ И МОНТАЖНЫЕ СХЕМЫ

Схема дверных замков с электроприводом


J5B19P01
Показать иллюстрациюПеревод текста в иллюстрациях


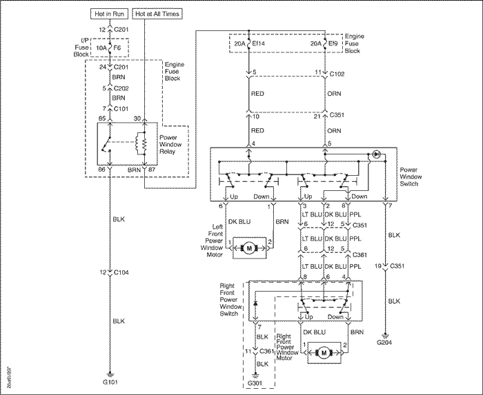
Схема электрических стеклоподъемников (только передние)


J5B19P02
Показать иллюстрациюПеревод текста в иллюстрациях


Схема электрических стеклоподъемников (передние и задние)


J5B19P03
Показать иллюстрациюПеревод текста в иллюстрациях


ДИАГНОСТИКА

Электрические стеклоподъемники

Система,в которой не работают только передние электрические стеклоподъемники , один или оба стеклоподъемника.

Внимание! Если питание на моторы стеклоподъемников подается непосредственно от аккумуляторной батареи с помощью перемычек, то убедитесь в том, что одна из перемычек содержит плавкий предохранитель. Если случайно перемычки соприкоснутся, предохранитель защитит от искрения и возгорания от внезапного нагрева разъема.

ШагОперацияЗначенияДаНет
1
  1. Установите зажигание в положение on.
  2. Попытайтесь поработать с обоими электрическими стеклоподъемниками.
Работает ли какой-нибудь из стеклоподъемников?
-
Перейти на Шаг 18
Перейдите на Шаг 2
2
Визуально осмотреть соединение на двойном переключателе электрического стеклоподъемника.
Электрический разъем правильно соединен с переключателем?
-
Перейдите на Шаг 4
Перейдите на Шаг 3
3
Правильно прикрепить электрический разъем к двойному переключателю электрического стеклоподъемника.
Ремонт закончен?
-
Система в норме
-
4
  1. Отсоединить электрический разъем от двойного переключателя электрического стеклоподъемника.
  2. Установите зажигание в положение on.
  3. Проверить напряжение на клемме 4 и 5 на разъеме главного переключателя электрического стеклоподъемника.
Равно ли напряжение указанному значению?
11~14 В
Перейдите на Шаг 16
Перейдите на Шаг 5
5
Проверить предохранители ef14 и ef9.
Перегорел ли один из этих предохранителей?
-
Перейдите на Шаг 6
Перейдите на Шаг 7
6
  1. Проверьте на предмет короткого замыкания и при необходимости отремонтируйте.
  2. Заменить сгоревший(ие) предохранитель(и).
Ремонт закончен?
-
Система в норме
-
7
  1. Установите зажигание в положение on.
  2. Проверить напряжение на предохранителях ef9 и ef14.
Равны ли напряжения указанному значению?
11~14 В
Перейдите на Шаг 9
Перейдите на Шаг 8
8
Отремонтировать источник подачи питания на предохранитель, который не показывал напряжение батареи при включенном зажигании.
Ремонт закончен?
-
Система в норме
-
9
  1. Снять реле электрического стеклоподъемника.
  2. Установите зажигание в положение on.
  3. Проверить напряжение на клемме 30 и 85 патрона реле электрического стеклоподъемника. (Клеммы патрона реле могут иметь маркировку на нижней части реле.)
Вольтметр показывает установленное значение на клеммах 30 и 85?
11~14 В
Перейдите на Шаг 11
Перейдите на Шаг 10
10
Отремонтировать разомкнутую цепь между предохранителями и реле электрического стеклоподъемника.
Ремонт закончен?
-
Система в норме
-
11
Оставив реле электрического стеклоподъемника снятым, с помощью омметра проверить сопротивление между массой и клеммой 86 патрона реле электрического стеклоподъемника.
Показывает ли омметр указанное значение?
≈ 0 Ом
Перейдите на Шаг 13
Перейдите на Шаг 12
12
Отремонтировать разомкнутую цепь между массой и клеммой 86 патрона реле электрического стеклоподъемника.
Ремонт закончен?
-
Система в норме
-
13
  1. Временно поставьте хорошее реле вместо реле электрического стеклоподъемника.
  2. Попытайтесь поработать с электрическими стеклоподъемниками.
Электрические стеклоподъемники работают с подменным реле?
-
Перейдите на Шаг 14
Перейдите на Шаг 15
14
  1. Установить заменявшее реле на место.
  2. Заменить исходное реле электрического стеклоподъемника.
Ремонт закончен?
-
Система в норме
-
15
Отремонтировать разомкнутую цепь между клеммой 87 патрона реле электрического стеклоподъемника и клеммой 4 и 5 двойного переключателя электрического стеклоподъемника.
Ремонт закончен?
-
Система в норме
-
16
При отключенном двойном переключателе электрического стеклоподъемника с помощью омметра проверьте сопротивление между массой и клеммой 7 разъема двойного переключателя электрического стеклоподъемника.
Равно ли сопротивление указанному значению?
≈ 0 Ом
Перейти на Шаг 18
Перейдите на Шаг 17
17
Отремонтировать разомкнутую цепь между массой и клеммой 7 разъема двойного переключателя стеклоподъемника.
Ремонт закончен?
-
Система в норме
-
18
  1. Снять панель обивки двери, на которой установлен неработающий электрический стеклоподъемник.
  2. Переместить аккумуляторную батарею поближе к двери так, чтобы мотор стеклоподъемника мог питаться непосредственно от батареи с помощью проволочных перемычек.
  3. Отсоединить двухштырьковый соединитель мотора стеклоподъемника в двери.

Важно: Чтобы избежать перегорания предохранителя в проводной перемычке, не прикасайтесь одновременно к обеим перемычкам.

  1. Закрепить проводную перемычку между отрицательной клеммой батареи и одной из клемм в двухштырьковом разъеме мотора стеклоподъемника.
  2. Закрепить проводную перемычку между положительной клеммой батареи и оставшейся клеммой в двухштырьковом разъеме мотора стеклоподъемника. Пока мотор не окажется в конце своего хода, стеклоподъемник должен двигаться с прикрепленными перемычками.
  3. Чтобы переместить стекло в обратном направлении, нужно поменять соединения проводных соединений на разъеме мотора электрического двигателя.
Электрический стеклоподъемник работает в обоих направлениях, если мотор приводится в работу непосредственно от батареи?
-
Перейти на Шаг 20
Перейти на Шаг 19
19
Заменить мотор стеклоподъемника.
Ремонт закончен?
-
Система в норме
-
20
  1. Перед присоединением двухштырькового разъема мотора стеклоподъемника подключить омметр между клеммами, чтобы проверить сопротивление мотора.
  2. Снять показание омметра для сопротивления мотора.
  3. Присоединить разъем мотора и установить панель обивки двери.
  4. Отсоединить электрический разъем от двойного переключателя электрического стеклоподъемника.
  5. На разъеме двойного переключателя электрического стеклоподъемника с помощью омметра проверить сопротивление между клеммами , которые ведут к мотору, проверенному во время шаг 15
Сопротивление на разъеме переключателя приблизительно равно сопротивлению, которое ранее было измерено на разъеме мотора?
-
Перейдите на Шаг 22
Перейдите на Шаг 21
21
Отремонтировать разомкнутую цепь между мотором стеклоподъемника и переключателем стеклоподъемника.
Ремонт закончен?
-
Система в норме
-
22
Заменить переключатель электрического стеклоподъемника.
Ремонт закончен?
-
Система в норме
-

Система с передними и задними электрическими стеклоподъемниками, при этом один или оба передних стеклоподъемника не работают.

Внимание! Если питание на моторы стеклоподъемников подается непосредственно от аккумуляторной батареи с помощью перемычек, то убедитесь в том, что одна из перемычек содержит плавкий предохранитель. Если случайно перемычки соприкоснутся, предохранитель защитит от искрения и возгорания от внезапного нагрева разъема.

ШагОперацияЗначенияДаНет
1
  1. Установите зажигание в положение ON.
  2. Установите зажигание в положение on.
  3. Попытайтесь поработать с каждым передним электрическим стеклоподъемником.
  4. Попытайтесь поработать с каждым передним электрическим стеклоподъемником.
Работает ли какой-нибудь из стеклоподъемников?
-
Перейти на Шаг 18
Перейдите на Шаг 2
2
Визуально проверить соединение на главном переключателе электрического стеклоподъемника.
Электрический разъем правильно соединен с главным переключателем?
-
Перейдите на Шаг 4
Перейдите на Шаг 3
3
Правильно прикрепить электрический разъем к главному переключателю электрического стеклоподъемника.
Ремонт закончен?
-
Система в норме
-
4
  1. Отсоединить электрический разъем от главного переключателя электрического стеклоподъемника.
  2. Установите зажигание в положение on.
  3. Проверить напряжение на клемме 3 и 10 на разъеме главного переключателя электрического стеклоподъемника.
Равно ли напряжение указанному значению?
11~14 В
Перейдите на Шаг 16
Перейдите на Шаг 5
5
Проверить предохранители ef14 и ef9.
Перегорел ли один из этих предохранителей?
-
Перейдите на Шаг 6
Перейдите на Шаг 7
6
  1. Проверьте на предмет короткого замыкания и при необходимости отремонтируйте.
  2. Заменить сгоревший(ие) предохранитель(и).
Ремонт закончен?
-
Система в норме
-
7
  1. Установите зажигание в положение on.
  2. Проверить напряжение на предохранителях ef9 и ef14.
Равны ли напряжения указанному значению?
11~14 В
Перейдите на Шаг 9
Перейдите на Шаг 8
8
Отремонтировать источник подачи питания на предохранитель, который не показывал напряжение батареи при включенном зажигании.
Ремонт закончен?
-
Система в норме
-
9
  1. Снять реле электрического стеклоподъемника.
  2. Установите зажигание в положение on.
  3. Проверить напряжение на клемме 30 и 86 патрона реле электрического стеклоподъемника. (Клеммы патрона реле могут иметь маркировку на нижней части реле.)
Показывает ли вольтметр указанное значение?
11~14 В
Перейдите на Шаг 11
Перейдите на Шаг 10
10
Отремонтировать разомкнутую цепь между предохранителями и реле электрического стеклоподъемника.
Ремонт закончен?
-
Система в норме
-
11
Оставив реле электрического стеклоподъемника снятым, с помощью омметра проверить сопротивление между массой и клеммой 85 патрона реле электрического стеклоподъемника.
Показывает ли омметр указанное значение?
≈ 0 Ом
Перейдите на Шаг 13
Перейдите на Шаг 12
12
Отремонтировать разомкнутую цепь между массой и клеммой 85 патрона реле электрического стеклоподъемника.
Ремонт закончен?
-
Система в норме
-
13
  1. Временно поставьте хорошее реле вместо реле электрического стеклоподъемника.
  2. Попытайтесь поработать с электрическими стеклоподъемниками.
Электрические стеклоподъемники работают с подменным реле?
-
Перейдите на Шаг 14
Перейдите на Шаг 15
14
  1. Установить заменявшее реле на место.
  2. Заменить исходное реле электрического стеклоподъемника.
Ремонт закончен?
-
Система в норме
-
15
Отремонтировать разомкнутую цепь между клеммой 87 патрона реле электрического стеклоподъемника и клеммой 3 и 10 переключателя электрического стеклоподъемника.
Ремонт закончен?
-
Система в норме
-
16
При отключенном главном переключателе электрического стеклоподъемника с помощью омметра проверьте сопротивление между массой и клеммой 11 разъема двойного переключателя электрического стеклоподъемника.
Равно ли сопротивление указанному значению?
≈ 0 Ом
Перейти на Шаг 18
Перейдите на Шаг 17
17
Отремонтировать разомкнутую цепь между массой и клеммой 8 разъема главного переключателя стеклоподъемника.
Ремонт закончен?
-
Система в норме
-
18
  1. Снять панель обивки передней двери, на которой установлен неработающий электрический стеклоподъемник.
  2. Переместить аккумуляторную батарею поближе к двери так, чтобы мотор стеклоподъемника мог питаться непосредственно от батареи с помощью проволочных перемычек.
  3. Отсоединить двухштырьковый соединитель мотора стеклоподъемника в двери.

Важно: Чтобы избежать перегорания предохранителя в проводной перемычке, не прикасайтесь одновременно к обеим перемычкам.

  1. Закрепить проводную перемычку между отрицательной клеммой батареи и одной из клемм в двухштырьковом разъеме мотора стеклоподъемника.
  2. Закрепить проводную перемычку между положительной клеммой батареи и оставшейся клеммой в двухштырьковом разъеме мотора стеклоподъемника. Пока мотор не окажется в конце своего хода, стеклоподъемник должен двигаться с прикрепленными перемычками.
  3. Чтобы переместить стекло в обратном направлении, нужно поменять соединения проводных соединений на разъеме мотора электрического двигателя.
Электрический стеклоподъемник работает в обоих направлениях, если мотор приводится в работу непосредственно от батареи?
-
Перейти на Шаг 20
Перейти на Шаг 19
19
Заменить мотор стеклоподъемника.
Ремонт закончен?
-
Система в норме
-
20
  1. Перед присоединением двухштырькового разъема мотора стеклоподъемника подключить омметр между клеммами, чтобы проверить сопротивление мотора.
  2. Снять показание омметра для сопротивления мотора.
  3. Присоединить разъем мотора и установить панель обивки двери.
  4. Отсоединить электрический разъем от переключателя электрического стеклоподъемника.
  5. На разъеме главного переключателя электрического стеклоподъемника с помощью омметра проверить сопротивление между клеммами и клеммами, которые ведут к мотору, проверенному во время шаг 15
Сопротивление на разъеме главного переключателя приблизительно равно сопротивлению, которое ранее было измерено на разъеме мотора?
-
Перейдите на Шаг 22
Перейдите на Шаг 21
21
Отремонтировать разомкнутую цепь между мотором стеклоподъемника и переключателем стеклоподъемника.
Ремонт закончен?
-
Система в норме
-
22
Заменить переключатель электрического стеклоподъемника.
Ремонт закончен?
-
Система в норме
-

Система с передними и задними электрическими стеклоподъемниками, при этом один или оба задних стеклоподъемника не работают.

Внимание! Если питание на моторы стеклоподъемников подается непосредственно от аккумуляторной батареи с помощью перемычек, то убедитесь в том, что одна из перемычек содержит плавкий предохранитель. Если случайно перемычки соприкоснутся, предохранитель защитит от искрения и возгорания от внезапного нагрева разъема.

ШагОперацияЗначенияДаНет
1
  1. Установите зажигание в положение ON.
  2. Установите зажигание в положение on.
  3. Проверьте, не установлен ли главный переключатель электрического стеклоподъемника в положение блокировки стеклоподъемника.
  4. Проверьте, не установлен ли главный переключатель электрического стеклоподъемника в положение блокировки стеклоподъемника.
Работает ли хотя бы одни из задних стеклоподъемников?
-
Перейти на Шаг 18
Перейдите на Шаг 2
2
Визуально проверить соединение на главном переключателе электрического стеклоподъемника.
Электрический разъем правильно соединен с главным переключателем?
-
Перейдите на Шаг 4
Перейдите на Шаг 3
3
Правильно прикрепить электрический разъем к главному переключателю электрического стеклоподъемника.
Ремонт закончен?
-
Система в норме
-
4
  1. Отсоединить электрический разъем от главного переключателя электрического стеклоподъемника.
  2. Установите зажигание в положение on.
  3. Проверить напряжение на клемме 3 и 10 на разъеме главного переключателя электрического стеклоподъемника.
Равно ли напряжение указанному значению?
11~14 В
Перейдите на Шаг 16
Перейдите на Шаг 5
5
Проверить предохранители ef9 и ef14.
Перегорел ли один из этих предохранителей?
-
Перейдите на Шаг 6
Перейдите на Шаг 7
6
  1. Проверьте на предмет короткого замыкания и при необходимости отремонтируйте.
  2. Заменить сгоревший(ие) предохранитель(и).
Ремонт закончен?
-
Система в норме
-
7
  1. Установите зажигание в положение on.
  2. Проверить напряжение на предохранителях ef9 и ef14.
Равны ли напряжения указанному значению?
11~14 В
Перейдите на Шаг 9
Перейдите на Шаг 8
8
Отремонтировать источник подачи питания на предохранитель, который не показывал напряжение батареи при включенном зажигании.
Ремонт закончен?
-
Система в норме
-
9
  1. Установите зажигание в положение on.
  2. Снять реле электрического стеклоподъемника.
  3. Проверить напряжение на клемме 30 и 86 патрона реле электрического стеклоподъемника. (Клеммы патрона реле могут иметь маркировку на нижней части реле.)
Показывает ли вольтметр указанное значение?
11~14 В
Перейдите на Шаг 11
Перейдите на Шаг 10
10
Отремонтировать разомкнутую цепь между предохранителями и реле электрического стеклоподъемника.
Ремонт закончен?
-
Система в норме
-
11
Оставив реле электрического стеклоподъемника снятым, с помощью омметра проверить сопротивление между массой и клеммой 85 патрона реле электрического стеклоподъемника.
Показывает ли омметр указанное значение?
≈ 0 Ом
Перейдите на Шаг 13
Перейдите на Шаг 12
12
Отремонтировать разомкнутую цепь между массой и клеммой 85 патрона реле электрического стеклоподъемника.
Ремонт закончен?
-
Система в норме
-
13
  1. Временно поставьте хорошее реле вместо реле электрического стеклоподъемника.
  2. Попытайтесь поработать с электрическими стеклоподъемниками.
Электрические стеклоподъемники работают с подменным реле?
-
Перейдите на Шаг 14
Перейдите на Шаг 15
14
  1. Установить заменявшее реле на место.
  2. Заменить исходное реле электрического стеклоподъемника.
Ремонт закончен?
-
Система в норме
-
15
Отремонтировать разомкнутую цепь между клеммой 87 патрона реле электрического стеклоподъемника и клеммой 3 и 10 главного переключателя электрического стеклоподъемника.
Ремонт закончен?
-
Система в норме
-
16
При отключенном главном переключателе электрического стеклоподъемника с помощью омметра проверьте сопротивление между массой и клеммой 11 разъема главного переключателя электрического стеклоподъемника.
Равно ли сопротивление указанному значению?
≈ 0 Ом
Перейти на Шаг 18
Перейдите на Шаг 17
17
Отремонтировать разомкнутую цепь между массой и клеммой 11 разъема переключателя электрического стеклоподъемника.
Ремонт закончен?
-
Система в норме
-
18
  1. Снять панель обивки задней двери, на которой установлен неработающий электрический стеклоподъемник.
  2. Переместить аккумуляторную батарею поближе к двери так, чтобы мотор стеклоподъемника мог питаться непосредственно от батареи с помощью проволочных перемычек.
  3. Отсоединить двухштырьковый соединитель мотора стеклоподъемника в двери.

Важно: Чтобы избежать перегорания предохранителя в проводной перемычке, не прикасайтесь одновременно к обеим перемычкам.

  1. Закрепить проводную перемычку между отрицательной клеммой батареи и одной из клемм в двухштырьковом разъеме мотора стеклоподъемника.
  2. Закрепить проводную перемычку между положительной клеммой батареи и оставшейся клеммой в двухштырьковом разъеме мотора электрического стеклоподъемника. Пока мотор не окажется в конце своего хода, электрический стеклоподъемник должен двигаться с прикрепленными перемычками.
  3. Чтобы переместить электрический стеклоподъемник в обратном направлении, нужно поменять соединения проводных перемычек на разъеме мотора электрического двигателя.
Электрический стеклоподъемник работает в обоих направлениях, если мотор приводится в работу непосредственно от батареи?
-
Перейти на Шаг 20
Перейти на Шаг 19
19
Заменить мотор электрического стеклоподъемника.
Ремонт закончен?
-
Система в норме
-
20
  1. Проверить, выключен ли блокиратор стеклоподъемника на главном переключателе.
  2. Установите зажигание в положение on.
  3. На разъеме переключателя заднего стеклоподъемника проверить напряжение на клемме 1.
Равно ли напряжение указанному значению?
11~14 В
Перейдите на Шаг 21
Перейдите на Шаг 29
21
  1. На двухштырьковом разъеме мотора электрического стеклоподъемника с помощью омметра измерить сопротивление мотора электрического стеклоподъемника. Снять показание сопротивления.
  2. Присоединить двухштырьковый разъем мотора электрического стеклоподъемника.
  3. Отсоединить разъем переключателя заднего стеклоподъемника.
  4. С помощью омметра измерить сопротивление между клеммами 2 и 6 разъема переключателя заднего стеклоподъемника.
Сопротивление, измеренное на разъеме переключателя заднего стеклоподъемника, равно сопротивлению, измеренному ранее на разъеме мотора заднего стеклоподъемника?
-
Перейдите на Шаг 23
Перейдите на Шаг 22
22
Отремонтировать разомкнутую цепь между переключателем заднего стеклоподъемника и разъемом мотора заднего стеклоподъемника.
Ремонт закончен?
-
Система в норме
-
23
  1. Снять переключатель заднего стеклоподъемника для испытаний.
  2. Соединить омметр между клеммами 4 и 2 переключателя заднего стеклоподъемника и снять показания омметра.
  3. Соединить омметр между клеммами 11 и 6 переключателя заднего стеклоподъемника и снять показания омметра.
Показывает ли вольтметр указанное значение при обоих испытаниях?
≈ 0 Ом
Перейдите на Шаг 25
Перейдите на Шаг 24
24
Заменить переключатель заднего электрического стеклоподъемника.
Ремонт закончен?
-
Система в норме
-
25
  1. После снятия переключателя заднего стеклоподъемника для испытаний соедините омметр между клеммами 1 и 2 и установите переключатель в положение down. Снять показания омметра.
  2. Соединить омметр между клеммами 1 и 6 , поставить переключатель в положение up и снять показания омметра.
Показывает ли вольтметр указанное значение при обоих испытаниях?
≈ 0 Ом
Перейдите на Шаг 26
Перейдите на Шаг 24
26
  1. Присоединить разъем переключателя заднего стеклоподъемника.
  2. Отсоединить электрический разъем от главного переключателя электрического стеклоподъемника.
  3. С помощью омметра измерить сопротивление на главном переключателе электрического стеклоподъемника между клеммами 8 и 12, если вы проверяете левый задний стеклоподъемник, или клеммаии 13 и 14, если вы проверяете правый задний стеклоподъемник.
Сопротивление равно значению, полученному ранее на разъеме мотора?
-
Перейдите на Шаг 28
Перейдите на Шаг 27
27
Отремонтировать разомкнутую цепь между главным переключателем электрического стеклоподъемника и переключателем заднего стеклоподъемника.
Ремонт закончен?
-
Система в норме
-
28
Заменить главный переключатель электрического стеклоподъемника.
Ремонт закончен?
-
Система в норме
-
29
  1. Снять главный переключатель электрического стеклоподъемника, но не отсоединять электрический разъем.
  2. Проверить, выключен ли блокиратор стеклоподъемника.
  3. Установите зажигание в положение on.
  4. Проверить напряжение на клемме 7 главного переключателя электрического стеклоподъемника.
Равно ли напряжение указанному значению?
11~14 В
Перейдите на Шаг 27
Перейдите на Шаг 28

ТЕХНИЧЕСКОЕ ОБСЛУЖИВАНИЕ И РЕМОНТ

РАБОТЫ НА АВТОМОБИЛЕ



J3B19P01
Показать иллюстрациюПеревод текста в иллюстрациях


Наружный молдинг желобка

(показана передняя дверь, задняя дверь-аналогично)

Процедура снятия

  1. Полностью опустить стекло.
  2. Снять винт внешнего молдинга желобка.
  3. Снять внешний молдинг желобка с двери.


J3B19P01
Показать иллюстрациюПеревод текста в иллюстрациях


Процедура установки

  1. Путем нажатия установить внешний молдинг желобка на дверь.
  2. Примечание: Непосредственный контакт разнородных металлов может привести к быстрой коррозии. Во избежание преждевременной коррозии используйте надлежащий крепеж.

  3. Установить винт внешнего молдинга желобка.
  4. Затянуть
    Затянуть винт наружного молдинга желобка с усилием 1,3 Н•м (12 фунт-дюймов).

  5. Поднять стекло.


J3B19P02
Показать иллюстрациюПеревод текста в иллюстрациях


Направляющая стекла передней двери.

Процедура снятия

  1. Снять наружное зеркало заднего вида. Перейти к раздела 9L, Стекла и зеркала.
  2. Снять стекло передней двери. Перейти к раздела 9L, Стекла и зеркала.
  3. Снять направляющую стекла.


J3B19P02
Показать иллюстрациюПеревод текста в иллюстрациях


Процедура установки

  1. Установить направляющую стекла.
  2. Установить стекло передней двери. Перейти к раздела 9L, Стекла и зеркала.
  3. Установить наружное зеркало заднего вида. Перейти к раздела 9L, Стекла и зеркала.


J3B19P03
Показать иллюстрациюПеревод текста в иллюстрациях


Уплотнитель двери

(показана передняя дверь, задняя дверь-аналогично)

Процедура снятия

  1. Снять болт крепления фиксатора открытого положения двери к кузову и фиксатор открытого положения двери .


  2. J3B19P04
    Показать иллюстрациюПеревод текста в иллюстрациях


  3. Снять уплотнитель двери.


J3B19P04
Показать иллюстрациюПеревод текста в иллюстрациях


Процедура установки

  1. Установить уплотнитель двери.


  2. J3B19P03
    Показать иллюстрациюПеревод текста в иллюстрациях


    Примечание: Непосредственный контакт разнородных металлов может привести к быстрой коррозии. Во избежание преждевременной коррозии используйте надлежащий крепеж.

  3. Установить фиксатор открытого положения двери к кузову с помощью болта.
  4. Затянуть
    Затянуть болт крепления фиксатора открытого положения двери к кузову до 25 Н•м(18 lb-ft).



J3B19P05
Показать иллюстрациюПеревод текста в иллюстрациях


Направляющая стекла задней двери.

Процедура снятия

  1. Снять стекло задней двери. Перейти к раздела 9L, Стекла и зеркала.
  2. Снять направляющую стекла задней двери.


J3B19P05
Показать иллюстрациюПеревод текста в иллюстрациях


Процедура установки

  1. Установить направляющую стекла задней двери.
  2. Установить стекло задней двери. Перейти к раздела 9L, Стекла и зеркала.


V3B39P06
Показать иллюстрациюПеревод текста в иллюстрациях


Дополнительный уплотнитель передней двери.

Процедура снятия

  1. Снять наружное зеркало заднего вида. Перейти к раздела 9L, Стекла и зеркала.
  2. Снять дополнительный уплотнитель передней двери.


V3B39P06
Показать иллюстрациюПеревод текста в иллюстрациях


Процедура установки

  1. Установить дополнительный уплотнитель передней двери.
  2. Установить наружное зеркало заднего вида. Перейти к раздела 9L, Стекла и зеркала.


J3B19P06
Показать иллюстрациюПеревод текста в иллюстрациях


Дополнительный уплотнитель задней двери

Процедура снятия

  1. Снять внутренний декоративный молдинг.
  2. Снять винты и наружный декоративный молдинг.
  3. Снять дополнительный уплотнитель задней двери.


J3B19P06
Показать иллюстрациюПеревод текста в иллюстрациях


Процедура установки

  1. Установить дополнительный уплотнитель задней двери.
  2. Примечание: Непосредственный контакт разнородных металлов может привести к быстрой коррозии. Во избежание преждевременной коррозии используйте надлежащий крепеж.

  3. Установить наружный декоративный молдинг с помощью винтов.
  4. Установить внутренний декоративный молдинг.


J3B19P07
Показать иллюстрациюПеревод текста в иллюстрациях


Уплотнитель проема передней двери.

Процедура снятия

  1. Снять предохранительную пластинку, переднюю панель порога и нижнюю панель обивки средней стойки. См. Раздел 9G, Облицовка салона.
  2. Снять уплотнитель проема передней двери.


J3B19P07
Показать иллюстрациюПеревод текста в иллюстрациях


Процедура установки

  1. Установить уплотнитель проема передней двери.
  2. Установить предохранительную пластинку, переднюю панель порога и нижнюю панель обивки средней стойки. См. Раздел 9G, Облицовка салона.


J3B19P08
Показать иллюстрациюПеревод текста в иллюстрациях


Уплотнитель проема задней двери.

Процедура снятия

  1. Снять заднюю панель порога и нижнюю панель обивки средней стойки. См. Раздел 9G, Облицовка салона.
  2. Снять уплотнитель проема задней двери.


J3B19P08
Показать иллюстрациюПеревод текста в иллюстрациях


Процедура установки

  1. Установить уплотнитель проема задней двери.
  2. Установить заднюю панель порога и нижнюю панель обивки средней стойки. См. Раздел 9G, Облицовка салона.


J3B19P09
Показать иллюстрациюПеревод текста в иллюстрациях


Декоративная накладка уплотнителя двери

(показана передняя дверь, задняя дверь-аналогично)

Процедура снятия

  1. Снять панель обивки двери. См. Раздел 9G, Облицовка салона.
  2. Снять декоративную накладку уплотнителя двери.


J3B19P09
Показать иллюстрациюПеревод текста в иллюстрациях


Процедура установки

  1. Установить декоративную накладку уплотнителя двери.
  2. Примечание: Непосредственный контакт разнородных металлов может привести к быстрой коррозии. Во избежание преждевременной коррозии используйте надлежащий крепеж.

  3. Установить панель обивки двери. См. Раздел 9G, Облицовка салона.


V3B39P11
Показать иллюстрациюПеревод текста в иллюстрациях


Фиксатор замка двери.

(показана передняя дверь, задняя дверь-аналогично)

Процедура снятия

  1. Снять винты и фиксатор замка двери. (показана передняя дверь, задняя дверь-аналогично).


V3B39P11
Показать иллюстрациюПеревод текста в иллюстрациях


Процедура установки

    Примечание: Непосредственный контакт разнородных металлов может привести к быстрой коррозии. Во избежание преждевременной коррозии используйте надлежащий крепеж.

  1. Установить винты и фиксатор замка двери.
  2. Затянуть
    Затянуть винты фиксатора замка двери с усилием 24 Н•м (18 фунт-футов).

Регулировка фиксатора замка двери.

(показана передняя дверь, задняя дверь-аналогично)
Фиксатор замка двери состоит из фиксатора с двумя винтами, которые ввинчиваются в секционную плавающую пластину сепаратора, расположенную в соответствующей стойке кузова. Эта плавающая пластина сепаратора позволяет легко регулировать фиксатор внутрь-наружу и вверх-вниз.
Дверь блокируется в закрытом положении, когда вилка дверного замка освобождается и приводит к зацеплению с фиксатором.

Примечание: Фиксатор замка двери является важной крепежной деталью, которая может повлиять на работу жизненно важных компонентов и систем. Это может привести к крупным расходам, связанных с ремонтом. Если необходима замена,то фиксатор замка двери должен быть заменен на фиксатор с таким же номером детали или аналогичный. Не пользоваться для замены деталью более низкого качества или подменной деталью. Указанные значения крутящего момента должны использоваться во время повторной сборки, чтобы обеспечить надлежащее использование детали.



V3B39P11
Показать иллюстрациюПеревод текста в иллюстрациях


Регулировка вверх/вниз или внутрь/наружу

    Регулировка фиксатора в направлении вверх и вниз и внутрь и наружу может понадобиться по нескольким причинам:
    Следовать следующей процедуре при регулировке фиксатора двери в направлении вверх-вниз и внутрь-наружу:
  1. Дверь должна быть выровнена надлежащим образом.
  2. Ослабить винты фиксатора.
  3. Плавающая сетчатая пластина может быть слегка подвинута с помощью кончиков винтов фиксатора. Передвинуть плавающую сетчатую пластину в нужное положение.
  4. Если для надлежащей регулировки необходимо переместить плавающую сетчатую пластину на расстояние, превышающее возможное, то с помощью ручной электродрели или 3/8-дюймового круглого надфиля с плоской головкой увеличьте проем кузова в нужном направлении.
  5. Примечание: Важно использовать сверло с плоской головкой, чтобы избежать повреждения плавающей сетчатой пластины. Винты фиксатора и секционированная сетчатая пластина являются важными крепежными деталями, которые могут оказывать влияние на работу жизненно значимых компонентов и систем.

  6. Затянуть винты фиксатора замка двери до нужного положения.
  7. Затянуть винты фиксатора замка двери до нужного положения.
  8. Затянуть
    Затянуть винты фиксатора замка двери с усилием 24 Н•м (18 фунт-футов).



J3B19P10
Показать иллюстрациюПеревод текста в иллюстрациях


Замок передней двери.

Процедура снятия

  1. Отсоедините провод от отрицательного вывода аккумуляторной батареи.
  2. Снять декоративную накладку уплотнителя. Перейти к "Декоративная накладка уплотнителя двери"в этом разделе.
  3. Снять винты и замок передней двери.
  4. Отсоединить стержни замка.
  5. Отсоединить электрический разъем.


J3B19P10
Показать иллюстрациюПеревод текста в иллюстрациях


Процедура установки

  1. Подсоединить электрический разъем.
  2. Присоединить тяги замка.
  3. Примечание: Непосредственный контакт разнородных металлов может привести к быстрой коррозии. Во избежание преждевременной коррозии используйте надлежащий крепеж.

  4. Установить замок передней двери с помощью винтов.
  5. Затянуть
    Затянуть винты замка передней двери с усилием 8 Н•м (71 фунт-дюйм).

  6. Установить декоративную накладку уплотнителя. Перейти к "Декоративная накладка уплотнителя двери"в этом разделе.
  7. Присоедините провод к отрицательному выводу аккумуляторной батареи.


J3B19P11
Показать иллюстрациюПеревод текста в иллюстрациях


Замок задней двери с блокировкой от детей

Процедура снятия

  1. Отсоедините провод от отрицательного вывода аккумуляторной батареи.
  2. Снять декоративную накладку уплотнителя двери. Перейти к "Декоративная накладка уплотнителя двери"в этом разделе.
  3. Снять внутренний переплет задней двери.
  4. Снять винты замка двери.
  5. Отсоединить стержни замка.
  6. Снять замок двери.
  7. Отсоединить электрический разъем.


J3B19P11
Показать иллюстрациюПеревод текста в иллюстрациях


Процедура установки

  1. Подсоединить электрический разъем.
  2. Примечание: Непосредственный контакт разнородных металлов может привести к быстрой коррозии. Во избежание преждевременной коррозии используйте надлежащий крепеж.

  3. Установить замок задней двери с помощью винтов.
  4. Затянуть
    Затянуть винты замка задней двери с усилием 8 Н•м (71 фунт-дюйм).

  5. Установить тяги замка.
  6. Установка внутреннего переплета задней двери.
  7. Установить декоративную накладку уплотнителя двери. Перейти к "Декоративная накладка уплотнителя двери"в этом разделе.
  8. Присоедините провод к отрицательному выводу аккумуляторной батареи.


J3B19P12
Показать иллюстрациюПеревод текста в иллюстрациях


Внутренняя ручка двери

(показана передняя дверь, задняя дверь-аналогично)

Процедура снятия

  1. Снять декоративную накладку двери. См. Раздел 9G, Облицовка салона.
  2. Снять репродуктор (если имеется) и винт.
  3. Подвинуть ручку вперед и снять ее с двери.
  4. Отсоединить внутреннюю ручку двери и тяги замка.


J3B19P12
Показать иллюстрациюПеревод текста в иллюстрациях


Процедура установки

  1. Присоединить внутреннюю ручку двери и тяги замка.
  2. Вставить внутреннюю ручку в пазы в двери.
  3. Повернуть ручку назад.
  4. Установить винт внутренней ручки двери.
  5. Примечание: Непосредственный контакт разнородных металлов может привести к быстрой коррозии. Во избежание преждевременной коррозии используйте надлежащий крепеж.

  6. Установить декоративную накладку уплотнителя двери. См. Раздел 9G, Облицовка салона.


J3B19P13
Показать иллюстрациюПеревод текста в иллюстрациях


Наружная ручка двери

(показана передняя дверь, задняя дверь-аналогично)

Процедура снятия

  1. Снять декоративную накладку уплотнителя двери. Перейти к "Декоративная накладка уплотнителя двери"в этом разделе.
  2. Отсоединить наружную ручку двери и тяги замка.
  3. Снять болты и ручку двери.


J3B19P13
Показать иллюстрациюПеревод текста в иллюстрациях


Процедура установки

  1. Присоединить наружную ручку двери и тяги замка.
  2. Примечание: Непосредственный контакт разнородных металлов может привести к быстрой коррозии. Во избежание преждевременной коррозии используйте надлежащий крепеж.

  3. Установить дверную ручку с помощью болтов.
  4. Затянуть
    Затянуть болты наружной дверной ручки с усилием 4,5 Н•м (40 фунт-дюймов).

  5. Установить декоративную накладку уплотнителя двери. Перейти к "Декоративная накладка уплотнителя двери"в этом разделе.


J3B19P10
Показать иллюстрациюПеревод текста в иллюстрациях


Внутренняя тяга замка

(показана передняя дверь, задняя дверь-аналогично)

Процедура снятия

  1. Снять декоративную накладку уплотнителя двери. Перейти к "Декоративная накладка уплотнителя двери"в этом разделе.
  2. Снять внутреннюю ручку двери. Перейти к "Внутренняя ручка двери"в этом разделе.
  3. Отсоединить внутренние тяги замка от замка.


J3B19P10
Показать иллюстрациюПеревод текста в иллюстрациях


Процедура установки

  1. Присоединить внутренние тяги замка к замку.
  2. Установить внутреннюю ручку двери. Перейти к "Внутренняя ручка двери"в этом разделе.
  3. Установить декоративную накладку уплотнителя двери. Перейти к "Внутренняя обивка двери"в этом разделе.


J3B19P15
Показать иллюстрациюПеревод текста в иллюстрациях


Цилиндр замка двери

(изображена передняя дверь)

Процедура снятия

  1. Снять декоративную накладку уплотнителя двери. Перейти к "Декоративная накладка уплотнителя двери"в этом разделе.
  2. Отсоединить тягу замка наружной ручки двери.
  3. Снять болт и цилиндр замка.


J3B19P15
Показать иллюстрациюПеревод текста в иллюстрациях


Процедура установки

  1. Установить цилиндр замка с помощью болта.
  2. Затянуть
    Затянуть болт наружной дверной ручки с усилием 4,5 Н•м (40 фунт-дюймов).

  3. Присоединить тягу замка наружной ручки двери.
  4. Установить декоративную накладку уплотнителя двери. Перейти к "Декоративная накладка уплотнителя двери"в этом разделе.


J3B19P16
Показать иллюстрациюПеревод текста в иллюстрациях


Электрический стеклоподъемник.

(показана передняя дверь, задняя дверь-аналогично)

Процедура снятия

  1. Отсоедините провод от отрицательного вывода аккумуляторной батареи.
  2. Снять стекло двери. Перейти к раздела 9L, Стекла и зеркала.
  3. Отсоединить электрический разъем.
  4. Снять гайки и стеклоподъемник.


J3B19P16
Показать иллюстрациюПеревод текста в иллюстрациях


Процедура установки

    Примечание: Непосредственный контакт разнородных металлов может привести к быстрой коррозии. Во избежание преждевременной коррозии используйте надлежащий крепеж.

  1. Установить стеклоподъмник с помощью гаек.
  2. Затянуть
    Затянуть гайки стеклоподъемника с усилием 8 Н•м (71 фунт-дюйм).

  3. Подсоединить электрический разъем.
  4. Установить стекло двери. Перейти к раздела 9L, Стекла и зеркала.
  5. Присоедините провод к отрицательному выводу аккумуляторной батареи.


J3B19P17
Показать иллюстрациюПеревод текста в иллюстрациях


Дверь в сборе

Процедура снятия

  1. Отсоедините провод от отрицательного вывода аккумуляторной батареи.
  2. Снять болт и фиксатор открытого положения двери с кузова.


  3. J3B19P18
    Показать иллюстрациюПеревод текста в иллюстрациях


  4. С помощью другого механика снять болты дверной петли и переднюю дверь. (изображена передняя дверь, задняя дверь-аналогично).
  5. Отсоединить резиновую втулку между кузовом и дверью и электрический разъем.


J3B19P18
Показать иллюстрациюПеревод текста в иллюстрациях


Процедура установки

  1. Соединить электрический разъем и резиновую втулку крепления кузова к двери.
  2. Примечание: Непосредственный контакт разнородных металлов может привести к быстрой коррозии. Во избежание преждевременной коррозии используйте надлежащий крепеж.

  3. С помощью другого механика слегка закрепить переднюю дверь посредством болтов дверной петли(Изображена передняя дверь, задняя дверь-аналогично).
  4. Отрегулировать посадку двери.
  5. Затянуть
    Затянуть болты, крепящие дверную петлю к кузову, с усилием 20 Н•м (15 фунт-футов).



    J3B19P17
    Показать иллюстрациюПеревод текста в иллюстрациях


  6. Установить фиксатор открытого положения двери к кузову .
  7. Затянуть
    Затянуть болт крепления фиксатора открытого положения двери к кузову до 25 Н·м(18 lb-ft).

  8. Присоедините провод к отрицательному выводу аккумуляторной батареи.
  9. Выполнить испытание на герметичность. Перейти к раздела 9I, Протекание воды.
  10. Проверить на наличие шума ветра. Перейти к раздела 9J, Шум ветра.


V3B39P21
Показать иллюстрациюПеревод текста в иллюстрациях


Дверная петля.

(показана передняя дверь, задняя дверь-аналогично)

Процедура снятия

  1. С помощью другого механика снять болты и петлю с двери и кузова.


V3B39P21
Показать иллюстрациюПеревод текста в иллюстрациях


Процедура установки

    Примечание: Непосредственный контакт разнородных металлов может привести к быстрой коррозии. Во избежание преждевременной коррозии используйте надлежащий крепеж.

  1. С помощью другого механика установить петлю на дверь и кузов с помощью болтов.
  2. Затянуть
    Затянуть болты, крепящие дверную петлю к кузову, с усилием 20 Н•м (15 фунт-футов)
    Затянуть болты, крепящие дверную петлю к двери, с усилием 20 Н•м (15 фунт-футов).



J3B19P19
Показать иллюстрациюПеревод текста в иллюстрациях


Фиксатор открытого положения двери.

(показана передняя дверь, задняя дверь-аналогично)

Процедура снятия

  1. Снять декоративную накладку уплотнителя двери. Перейти к "Декоративная накладка уплотнителя двери"в этом разделе.
  2. Снять болты на двери и кузове.
  3. Снять фиксатор открытого положения двери.


V3B39P22
Показать иллюстрациюПеревод текста в иллюстрациях


Процедура установки

    Примечание: Непосредственный контакт разнородных металлов может привести к быстрой коррозии. Во избежание преждевременной коррозии используйте надлежащий крепеж.

  1. Установить фиксатор открытого положения двери на дверь и кузов с помощью болтов.
  2. Затянуть
    Затянуть болт крепления фиксатора открытого положения двери к кузову до 25 Н•м(18 lb-ft).
    Затянуть болты крепления фиксатора открытого положения двери к кузову с усилием 9 Н•м (80 фунт-дюймов).

  3. Установить декоративную накладку уплотнителя двери. Перейти к "Декоративная накладка уплотнителя двери"в этом разделе.

ОБЩЕЕ ОПИСАНИЕ И РАБОТА СИСТЕМЫ

Фиксатор замка двери.

Фиксаторы замка передних и задних дверей состоят из фиксатора с двумя винтами, вворачиваемыми в плавающую сетчатую пластину в средних стойках и задних стойках. Дверь закрепляется в закрытом положении, когда вилка дверного замка осовбождается и приходит в зацепление с фиксатором.

Замок задней двери с блокировкой от детей

Замки задних дверей с блокировкой от детей помогают предотвращать открытие задних дверей автомобиля изнутри пассажирами, особенно детьми.
Чтобы активировать замки,нужно передвинуть рычаги обеих задних дверей в положение "закрыто". Затем закрыть обе двери. Пассажиры, сидящие сзади, не смогут открыть двери изнутри автомобиля.
Чтобы разблокировать замки, нужно отпереть дверь изнутри автомобиля и открыть ее снаружи. Переместить рычаг в положение "открыто". Теперь задняя дверь будет работать нормально.

Дверные замки с электроприводом.

В дверных замках с электроприводом используется электромагнитный клапан (соленоид), который содержится в каждом дверном замке. Дверные замки приводятся в действие с помощью привода на внутренней ручке двери или с помощью цилиндра замка, находящегося только со стороны водительской двери. Если водительская дверь запирается или отпирается с помощью привода или цилиндра замка, то соответствующим образом запираются или отпираются все двери.

Электрические стеклоподъемники

Электрические стеклоподъемники управляются с помощью электрических переключателей и работают от мотора на каждом стеклоподъемнике. На каждой двери есть переключатель для управления стеклоподъемником, а на водительской двери есть четыре переключателя для управления всеми стеклоподъемниками автомобиля. Стекла опускаются путем нажатия переключателя и поднимаются путем вытягивания переключателя. Стекло перестает двигаться при отпускании переключателя или когда стекло полностью открыто или закрыто.
Стекло со стороны водителя открывается автоматически. При нажатии и отпускании переключателя стекло со стороны водителя будет опускаться и остановится только когда переключатель снова активизируется или когда стекло полностью открыто.
Управление на водительской двери также содержит кнопку блокировки стекла, которая при нажатии предотвратит работу стеклоподъемника передней пассажирской двери или задних дверей.


На предыдущую страницуНа следующую страницу
https://vnx.su/ 🛠 Руководства по ремонту и эксплуатации для автомобилей

Поиск по сайту

Остались вопросы или пожелания? Пишите на почту: support@vnx.su

Карта Сайта