К началу документа
Epica
На предыдущую страницу На следующую страницу
Главная страница GMDE Загрузить нединамическое оглавление Загрузить динамическое оглавление Помощь

РАЗДЕЛ 7D

ОБОГРЕВ С АВТОМАТИЧЕСКИМ РЕГУЛИРОВАНИЕМ ТЕМПЕРАТУРЫ, ВЕНТИЛЯЦИЯ И СИСТЕМА КОНДИЦИОНИРОВАНИЯ ВОЗДУХА

Внимание! Отключить отрицательный кабель батаре перед снятием или установкой любых электрических узлов или при возможном контакте инструментов или оборудования с оголенными электрическими клеммами. Отключение кабеля поможет избежать травм и механических поврежений. Зажигание должно быть заблокировано, если не указано иное.

ТЕХНИЧЕСКИЕ ХАРАКТЕРИСТИКИ

Моменты затяжки резьбовых соединений

Применение
Н•м
lb-ft
lb-in
Гайка крышки воздушного фильтра
4
-
35
Крепежная гайка на кронштейне датчика температуры наружного воздуха
6
-
53
Винты резистора электровентилятора
6
-
53
Крепежные винты блока управления
2,5
-
22
Болты расширительного клапана
10
-
89
Винты корпуса обогревателя/воздушного распределителя в сборе
4
-
35
Крепежные гайки жидкостной трубки испарителя
10
-
89
Крепежные гайки всасывающего шланга
10
-
89

ПРИНЦИПИАЛЬНЫЕ И МОНТАЖНЫЕ СХЕМЫ

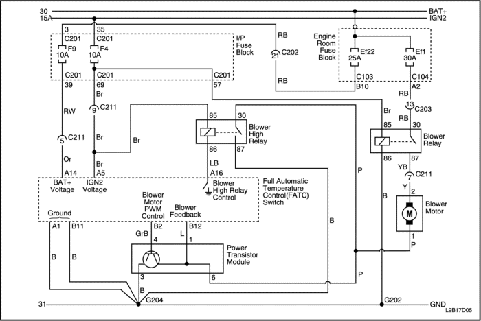
Схема датчиков кондиционера и управляющих электроприводов вентилятора


L9B17D01
Показать иллюстрациюПеревод текста в иллюстрациях


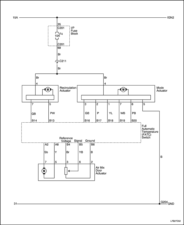
Схема органов управления воздушной смесительной заслонкой и заслонкой режима


L7B27D02
Показать иллюстрациюПеревод текста в иллюстрациях


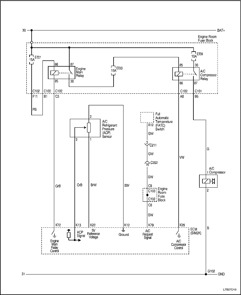
Схема управления компрессором кондиционера


L9B17D02
Показать иллюстрациюПеревод текста в иллюстрациях


Схема управления компрессором кондиционера (только дизель 2.0)


L7B27D15
Показать иллюстрациюПеревод текста в иллюстрациях


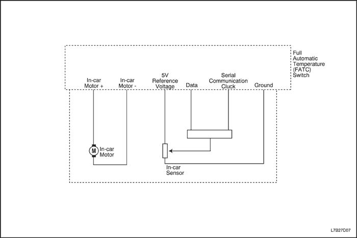
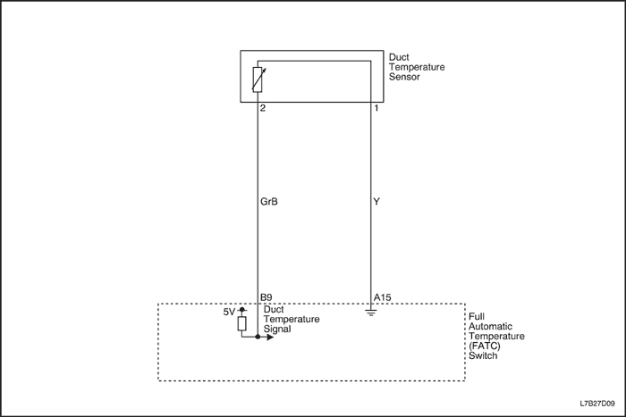
Схема датчика fatc


L9B17D03
Показать иллюстрациюПеревод текста в иллюстрациях


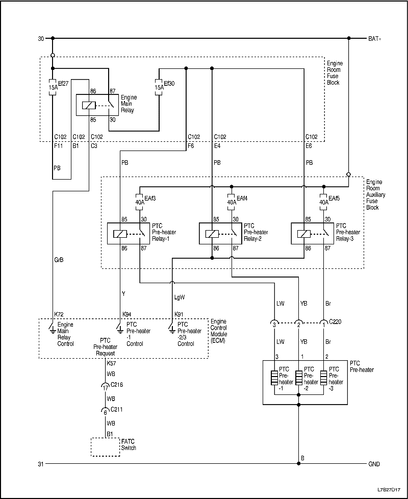
Схема предпускового нагревателя (только дизель 2.0)


L7B27D17
Показать иллюстрациюПеревод текста в иллюстрациях


ДИАГНОСТИКА

ОБЩАЯ ДИАГНОСТИКА КОНДИЦИОНЕРА

См. в разделе 7B, "Система отопления, вентиляции и кондиционирования воздуха с ручным управлением" подробные сведения по следующим процедурам:

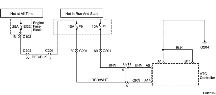
L9B17D04
Показать иллюстрациюПеревод текста в иллюстрациях


Автоматический регулятор температуры не функционирует при включенном зажигании

Шаг Операция Значения Да Нет
1
Проверить предохранитель f4.
Предохранитель f4 перегорел?
-
Перейти к операции 2
Перейти к операции 3
2
Заменить плавкий предохранитель f4.
Закончен ли ремонт?
-
Система в норме
-
3
  1. Снять регулятор.
  2. Измерить напряжение между выводами А5 и А14.
Измеренное напряжение находится в указанном диапазоне?
11-14 В
Перейти к операции 4
Перейти к операции 5
4
  1. Проверить регулятор на отсутствие повреждений.
  2. Заменить регулятор, если он поврежден.
Закончен ли ремонт?
-
Система в норме
-
5
Проверить напряжение между выводом a1 и массой.
Соответствует ли напряжение указанному?
0 В
Перейти к операции 6
Перейти к операции 7
6
  1. Проверить на отсутствие повреждений жгут проводов между предохранителями f4, f9 и выводами a5, a14.
  2. При обнаружении повреждения заменить жгут проводов.
Закончен ли ремонт?
-
Система в норме
-
7
  1. Проверить на отсутствие повреждений жгут проводов между выводом a14 и массой g204.
  2. При необходимости отремонтировать жгут проводов или соединение с массой.
Закончен ли ремонт?
-
Система в норме
-

L7B27D05
Показать иллюстрациюПеревод текста в иллюстрациях


Регулятор не светится при включенном переключателе света

Шаг Операция Значения Да Нет
1
Проверить подсветку остальных приборов.
Подсветка остальных приборов тоже не горит?
-
Перейти к операции 2
2
  1. Снять регулятор.
  2. Проверить напряжение между выводами a3 и a4 на разъеме регулятора.
Измеренное напряжение находится в указанном диапазоне?
11-14 В
Перейти к операции 4
Перейти к операции 3
3
Отремонтировать жгут проводов между соединителем s203 и выводом a4 на разъеме регулятора или между соединителем s203 и выводом a3 на разъеме регулятора.
Закончен ли ремонт?
-
Система в норме
-
4
Проверить лампы подсветки.
Лампа перегорела?
-
Перейти к операции 5
Перейти к операции 6
5
Заменить перегоревшую лампу подсветки.
Закончен ли ремонт?
-
Система в норме
-
6
Заменить автоматический регулятор температуры (atc).
Закончен ли ремонт?
-
Система в норме
-

Нет горячего воздуха от вентилятора

Шаг Операция Значения Да Нет
1
Проверить уровень охлаждающей жидкости.
Уровень охлаждающей жидкости в норме?
-
Перейти к операции 3
Перейти к операции 2
2
При необходимости долить охлаждающую жидкость.
Работает ли обогреватель?
-
Система в норме
Перейти к операции 3
3
  1. Повернуть ключ в замке зажигания в положение on.
  2. Наблюдать экран индикации температуры регулятора.
Мигают ли цифры?
-
Перейти к операции 4
Перейти к операции 5
4
Выполнить проверку цепи самодиагностики.
Показывается ли на индикаторе код неисправности?
-
Перейти к таблице устранения неисправности с этим кодом.
Перейти к операции 7
5
Наблюдать функционирование электровентилятора.
Функционирует ли вообще электровентилятор?
-
Перейти к операции 6
6
С помощью переключателя вентилятора последовательно включать разные скорости вентилятора.
Работает ли мотор вентилятора на разных скоростях?
-
Перейти к операции 7
7
  1. Включить вентилятор и вручную переключать переключатель режима mode.
  2. Проверить поток воздуха из разных выпускных отверстий.
Нормальный ли поток воздуха из разных выпускных отверстий?
-
Перейти к операции 9
Перейти к операции 8
8
  1. Отсоединить выпуск обогревателя и проверить наличие препятствий.
  2. Устранить найденные препятствия.
Работает ли обогреватель?
-
Система в норме
Перейти к операции 9
9
Наблюдать электропривод воздушной смесительной заслонки (amd), изменяя установленную температуру с 18 до 32°c (с 64 до 90°f), а затем с 32 до 18°c (с 90 до 64°f).
Нормально ли функционирует электропривод воздушной смесительной заслонки (amd)?
-
Перейти к операции 10
10
Проверить шланги охлаждающей жидкости на отсутствие утечки или перегибов.
Шланги охлаждающей жидкости в нормальном состоянии?
-
Перейдите к Шагу 12
Перейти к операции 11
11
Устранить неисправности шлангов охлаждающей жидкости.
Работает ли обогреватель?
-
Система в норме
Перейдите к Шагу 12
12
Проверить крышку расширительного бачка.
Крышка расширительного бачка в нормальном состоянии?
-
Перейти к операции 14
Перейти к операции 13
13
При необходимости отремонтировать или заменить крышку расширительного бачка.
Работает ли обогреватель?
-
Система в норме
Перейти к операции 14
14
  1. Установить выключатель кондиционера в положение off (ВЫКЛ).
  2. Установить регулятор температуры на 32°c (90°f).
  3. Установить скорость электровентилятора на максимальное значение (на индикаторе горят все сегменты).
  4. Снять крышку расширительного бачка.
  5. Запустить двигатель и дать ему поработать на холостом ходу.
  6. Наблюдать протекание охлаждающей жидкости, когда откроется термостат.
Протекает ли охлаждающая жидкость?
-
Перейти к операции 16
Перейдите к шагу 15
15
  1. Проверить
    • Неисправность термостата.
    • Неисправность крыльчатки водяного насоса.
    • Ограничения протекания в системе охлаждения.
  2. При необходимости отремонтировать.
Закончен ли ремонт?
-
Система в норме
-
16
Проверить на ощупь температуру впускного и выпускного шлангов обогревателя.
Впускной шланг обогревателя горячий, а выпускной - теплый?
-
Перейдите к Шагу 18
Перейти к операции 17
17
Промыть теплообменник обогревателя обратным потоком или заменить его.
Закончен ли ремонт?
-
Система в норме
-
18
Проверить наличие на автомобиле утечки холодного воздуха в следующих местах:
  • Передняя панель.
  • Корпус обогревателя.
  • Вентиляционные отверстия.
Обнаружена ли утечка?
-
Перейти к операции 20
Перейти к операции 19
19
Устранить выявленную утечку холодного воздуха.
Закончен ли ремонт?
-
Система в норме
-
20
Проверить датчик температуры охлаждающей жидкости с помощью процедур в пункте "Код 3 - отказ датчика температуры охлаждающей жидкости."
Обнаружена ли проблема в датчике, проводке датчика или регуляторе?
-
Перейти к операции 21
Перейти к операции 22
21
При необходимости отремонтировать или заменить датчик, проводку или регулятор.
Закончен ли ремонт?
-
Система в норме
-
22
Проверить датчик в салоне с помощью процедур в пункте "Код 1 - отказ датчика температуры в салоне."
Обнаружена ли проблема в датчике, проводке датчика или регуляторе?
-
Перейти к операции 23
Перейти к операции 24
23
При необходимости отремонтировать или заменить датчик, проводку или регулятор.
Закончен ли ремонт?
-
Система в норме
-
24
Проверить датчик температуры наружного воздуха с помощью процедур в пункте "Код 2 - отказ датчика температуры наружного воздуха."
Обнаружена ли проблема в датчике, проводке датчика или регуляторе?
-
Перейти к операции 25
Перейти к операции 26
25
При необходимости отремонтировать или заменить датчик, проводку или регулятор.
Закончен ли ремонт?
-
Система в норме
-
26
Проверить датчик солнечного освещения с помощью процедур в пункте "Код 5 - отказ датчика солнечного освещения."
Обнаружена ли проблема в датчике, проводке датчика или регуляторе?
-
Перейти к операции 27
Перейти к операции 28
27
При необходимости отремонтировать или заменить датчик, проводку или регулятор.
Закончен ли ремонт?
-
Система в норме
-
28
Заменить автоматический регулятор температуры (atc).
Закончен ли ремонт?
-
Система в норме
-

Нет холодного воздуха от вентилятора

Шаг Операция Значения Да Нет
1
  1. Повернуть ключ в замке зажигания в положение on.
  2. Наблюдать экран индикации температуры регулятора.
Мигают ли цифры?
-
Перейти к операции 2
Перейти к операции 3
2
Выполнить проверку цепи самодиагностики.
Показывается ли на индикаторе код неисправности?
-
Перейти к таблице устранения неисправности с кодом, который мигает.
Перейти к операции 7
3
Наблюдать функционирование электровентилятора.
Функционирует ли вообще электровентилятор?
-
Перейти к операции 4
4
С помощью переключателя вентилятора последовательно включать разные скорости вентилятора.
Работает ли мотор вентилятора на разных скоростях?
-
Перейти к операции 5
5
  1. Включить вентилятор и вручную переключать переключатель режима mode.
  2. Проверить поток воздуха из разных выпускных отверстий.
Нормальный ли поток воздуха из разных выпускных отверстий?
-
Перейти к операции 7
Перейти к операции 6
6
  1. Отсоединить выпуск обогревателя и проверить наличие препятствий.
  2. Устранить найденные препятствия.
Работает ли обогреватель?
-
Система в норме
Перейти к операции 9
7
Наблюдать электропривод воздушной смесительной заслонки (amd), изменяя установленную температуру с 18 до 32°c (с 64 до 90°f), а затем с 32 до 18°c (с 90 до 64°f).
Нормально ли функционирует электропривод воздушной смесительной заслонки (amd)?
-
Перейти к операции 8
8
Выполнить проверки, указанные в пункте "Диагностика недостаточного охлаждения."
Теперь система функционирует нормально?
-
Система в норме
Перейти к операции 9
9
Переключить регулятор в режим auto.
Втягивается ли дым во впускное отверстие датчика температуры в салоне?
-
Перейдите к Шагу 12
Перейти к операции 10
10
Проверить впускной шланг датчика температуры в салоне.
Шланг в нормальном состоянии?
-
Перейдите к Шагу 12
Перейти к операции 11
11
Отремонтировать или заменить впускной шланг.
Закончен ли ремонт?
-
Система в норме
-
12
Проверить датчик в салоне с помощью процедур в пункте "Код 1 - отказ датчика температуры в салоне."
Обнаружена ли проблема в датчике, проводке датчика или регуляторе?
-
Перейти к операции 13
Перейти к операции 14
13
При необходимости отремонтировать или заменить датчик, проводку или регулятор.
Закончен ли ремонт?
-
Система в норме
-
14
Проверить датчик температуры наружного воздуха с помощью процедур в пункте "Код 2 - отказ датчика температуры наружного воздуха."
Обнаружена ли проблема в датчике, проводке датчика или регуляторе?
-
Перейдите к шагу 15
Перейти к операции 16
15
При необходимости отремонтировать или заменить датчик, проводку или регулятор.
Закончен ли ремонт?
-
Система в норме
-
16
Проверить датчик солнечного освещения с помощью процедур в пункте "Код 5 - отказ датчика солнечного освещения."
Обнаружена ли проблема в датчике, проводке датчика или регуляторе?
-
Перейти к операции 17
Перейдите к Шагу 18
17
При необходимости отремонтировать или заменить датчик, проводку или регулятор.
Закончен ли ремонт?
-
Система в норме
-
18
Выполнить проверку датчика температуры охлаждающей жидкости.
Датчик температуры охлаждающей жидкости неисправен?
-
Перейти к операции 19
Перейти к операции 20
19
Заменить датчик температуры охлаждающей жидкости.
Закончен ли ремонт?
-
Система в норме
-
20
Заменить автоматический регулятор температуры (atc).
Закончен ли ремонт?
-
Система в норме
-

L9B17D05
Показать иллюстрациюПеревод текста в иллюстрациях


Электровентилятор вообще не работает

Шаг Операция Значения Да Нет
1
  1. Повернуть ключ в замке зажигания в положение on.
  2. Наблюдать экран индикации температуры регулятора.
Цифры загораются и гаснут?
-
Перейти к операции 2
Перейти к операции 3
2
Выполнить проверку цепи самодиагностики.
Показывается ли на индикаторе код неисправности?
-
Перейти к таблице устранения неисправности с кодом, который мигает.
-
3
Проверить предохранитель f4 в блоке предохранителей панели приборов.
Этот предохранитель в нормальном состоянии?
-
Перейти к операции 5
Перейти к операции 4
4
Заменить плавкий предохранитель f4.
Закончен ли ремонт?
-
Система в норме
-
5
Проверить предохранитель ef1 в блоке предохранителей двигателя.
Этот предохранитель в нормальном состоянии?
-
Перейти к операции 7
Перейти к операции 6
6
Заменить предохранитель ef1.
Закончен ли ремонт?
-
Система в норме
-
7
  1. Включить зажигание.
  2. Измерить напряжение между массой и выводом 85 реле вентилятора.
Измеренное напряжение находится в указанном диапазоне?
11-14 В
Перейдите к шагу 15
Перейти к операции 8
8
Измерить напряжение между массой и выводом 30 на реле вентилятора.
Измеренное напряжение находится в указанном диапазоне?
11-14 В
Перейти к операции 10
Перейти к операции 9
9
  1. Повернуть ключ в замке зажигания в положение off.
  2. Проверить цепь между выводом 85 реле вентилятора и предохранителем f4 в блоке предохранителей панели приборов.
  3. Устранить проблемы, обнаруженные в проводке, на выводах гнезда реле или разъема c201.
Закончен ли ремонт?
-
Система в норме
-
10
Измерить напряжение между массой и выводом 30 на реле вентилятора.
Измеренное напряжение находится в указанном диапазоне?
11-14 В
Перейдите к Шагу 12
Перейти к операции 11
11
  1. Повернуть ключ в замке зажигания в положение off.
  2. Проверить цепь между выводом 30 реле вентилятора и предохранителем f4 в блоке предохранителей панели приборов.
  3. Устранить проблемы, обнаруженные в проводке или на выводах разъема на блоке предохранителей c104, на разъеме c201 или на гнезде реле.
Закончен ли ремонт?
-
Система в норме
-
12
  1. Повернуть ключ в замке зажигания в положение off.
  2. Проверить целостность цепи в жгуте проводов между выводом реле вентилятора 86 и массой.
Измеренное сопротивление соответствует указанному в таблице?
0 Ом
Перейти к операции 14
Перейти к операции 13
13
Устранить проблемы, обнаруженные в цепи вывода 86 разъема реле, на соединителе s201 или массе g202.
Закончен ли ремонт?
-
Система в норме
-
14
Заменить реле вентилятора.
Закончен ли ремонт?
-
Система в норме
-
15
  1. Повернуть ключ в замке зажигания в положение off.
  2. Отсоединить жгут проводов от электровентилятора.
  3. Включить зажигание.
  4. Измерить напряжение между массой и выводом 2 разъема вентилятора.
Измеренное напряжение находится в указанном диапазоне?
11-14 В
Перейти к операции 17
Перейти к операции 16
16
  1. Повернуть ключ в замке зажигания в положение off.
  2. Проверить цепь между выводом 2 разъема вентилятора и выводом 87 реле вентилятора.
  3. Устранить проблемы, обнаруженные в проводке или на выводах разъема вентилятора, на разъеме c211 или в гнезде реле вентилятора.
Закончен ли ремонт?
-
Система в норме
-
17
Измерить сопротивление между выводами разъема на электровентиляторе.
Измеренное сопротивление соответствует указанному в таблице?
≈ 5 Ом
Перейти к операции 19
Перейдите к Шагу 18
18
Заменить электровентилятор.
Закончен ли ремонт?
-
Система в норме
-
19
Измерить сопротивление цепи между выводом 1 разъема вентилятора и выводом 30 реле максимальной скорости, а также выводом 6 силового транзистора.
Измеренное сопротивление соответствует указанному в таблице?
≈ 0 Ом
Перейти к операции 21
Перейти к операции 20
20
Устранить проблемы, обнаруженные в цепи.
Закончен ли ремонт?
-
Система в норме
-
21
Измерить сопротивление цепи между выводом 3 силового транзистора и массой.
Измеренное сопротивление соответствует указанному в таблице?
0 Ом
Перейти к операции 23
Перейти к операции 22
22
  1. Проверить цепь (ЧЕР) между выводом 3 разъема силового транзистора и выводом 87 реле высокой скорости и массой g204.
  2. Устранить проблемы, обнаруженные в проводке и соединении с массой g204.
Закончен ли ремонт?
-
Система в норме
-
23
Заменить автоматический регулятор температуры (atc).
Закончен ли ремонт?
-
Система в норме
-

Управление режимами не работает

См. электрическую схему цепей, описываемых в этой процедуре в разделе "Схема вентилятора кондиционера и управляющих электроприводов".

Переключатель режимов не работает

Шаг Операция Значения Да Нет
1
Измерить напряжение между выводом 4 и массой на приводах заслонки режима и заслонки htr/def (обогрев салона/стекол).
Находится ли измеренное напряжение в указанных пределах на обоих приводах?
11-14 В
Перейти к операции 3
Перейти к операции 2
2
  1. Проверить разъем и цепь (КОР) на наличие неисправности проводки или выводов.
  2. Устранить все обнаруженные неисправности.
Закончен ли ремонт?
-
Система в норме
-
3
  1. С помощью таблицы параметров управляющих электроприводов измерить напряжение на указанных выводах разъемов соответствующих электроприводов.
  2. Изменить параметры режима и наблюдать изменение напряжений.
Соответствуют ли напряжения указанным значениям?
Перейти к операции 4
Перейти к операции 5
4
Заменить электропривод, работа которого нарушена.
Закончен ли ремонт?
-
Система в норме
-
5
  1. С помощью таблицы параметров управляющих электроприводов измерить напряжение на указанных выводах разъемов регулятора.
  2. Изменить параметры режима и наблюдать изменение напряжений.
Соответствуют ли напряжения указанным значениям?
Перейти к операции 6
Перейти к операции 7
6
  1. Проверить жгут проводов и разъемы между регулятором и электроприводом, работа которого нарушена.
  2. Отремонтировать или заменить жгут проводов или неисправный разъем.
Закончен ли ремонт?
-
Система в норме
-
7
Проверить разъем на регуляторе.
Обнаружен ли поврежденный контакт?
-
Перейти к операции 8
Перейти к операции 9
8
Отремонтировать или заменить разъем.
Закончен ли ремонт?
-
Система в норме
-
9
Заменить регулятор.
Закончен ли ремонт?
-
Система в норме
-

Таблица параметров управляющих электроприводов

Установленный режим
Электропривод режима
Электропривод htr/def (салон/стекла)
.
Вывод разъема
Регулятор/мотор
Регулятор/мотор
Регулятор/мотор
Регулятор/мотор
Регулятор/мотор
Регулятор/мотор
b20/3
b19/2
b18/1
b17/2
b16/1
b15/7
Вентиляция
11-14 В
11-14 В
0 В
0 В
11-14 В
11-14 В
Двухуровневый
11-14 В
0 В
11-14 В
11-14 В
11-14 В
0 В
Ноги
0 В
11-14 В
11-14 В
11-14 В
11-14 В
0 В
Ноги/обогрев стекол
0 В
11-14 В
11-14 В
0 В
11-14 В
11-14 В
Обогрев стекол
0 В
11-14 В
11-14 В
0 В
11-14 В
11-14 В

Без управления выбором источника воздуха

См. электрическую схему цепей, описываемых в этой процедуре в разделе "Схема вентилятора кондиционера и управляющих электроприводов".

Без управления выбором источника воздуха

Шаг Операция Значения Да Нет
1
Измерить напряжение на выводе 4 впускного электропривода.
Напряжение в пределах установленного значения?
11-14 В
Перейти к операции 3
Перейти к операции 2
2
  1. Проверить разъем и цепь (КОР) на наличие неисправности проводки или выводов.
  2. Устранить все обнаруженные неисправности.
Закончен ли ремонт?
-
Система в норме
-
3
  1. С помощью таблицы параметров впускного электропривода измерить напряжение на указанных выводах разъема привода.
  2. Изменить параметры впуска и наблюдать изменение напряжения.
Соответствуют ли напряжения указанным значениям?
См. "Таблицу параметров впускного электропривода"
Перейти к операции 4
Перейти к операции 5
4
Заменить впускной электропривод.
Закончен ли ремонт?
-
Система в норме
-
5
  1. С помощью таблицы параметров впускного электропривода измерить напряжение на указанных выводах разъема регулятора.
  2. Изменить параметры впуска и наблюдать изменение напряжения.
Соответствуют ли напряжения указанным значениям?
См. "Таблицу параметров впускного электропривода"
Перейти к операции 6
Перейти к операции 7
6
  1. Проверить жгут проводов и разъемы между регулятором и электроприводом, работа которого нарушена.
  2. Отремонтировать или заменить жгут проводов или неисправный разъем.
Закончен ли ремонт?
-
Система в норме
-
7
Проверить разъем на регуляторе.
Обнаружен ли поврежденный контакт?
-
Перейти к операции 8
Перейти к операции 9
8
Отремонтировать или заменить разъем.
Закончен ли ремонт?
-
Система в норме
-
9
Заменить регулятор.
Закончен ли ремонт?
-
Система в норме
-

Таблица параметров впускного электропривода

Режим впуска
Впускной электропривод
.
Вывод разъема
Регулятор/мотор
Регулятор/мотор
Регулятор/мотор
b14/7
a15/6
b13/5
Рециркуляция
0 В
11-14 В
11-14 В
Вентиляция
11-14 В
11-14 В
0 В

Электромагнитная муфта компрессора не входит в зацепление

См. электрическую схему цепей, описываемых в этой процедуре, в разделах "Схема управления компрессором кондиционера, SOHC" или "Схема управления компрессором кондиционера, DOHC".

Электромагнитная муфта компрессора не включается

Шаг Операция Значения Да Нет
1
  1. Снять автоматический регулятор температуры (atc) с панели приборов, не отключая жгут проводов.
  2. Включить зажигание.
  3. Установить выключатель кондиционера в положение on (ВКЛ).
  4. Проверить напряжение между массой и выводом a11 на регуляторе.
Измеренное напряжение находится в указанном диапазоне?
11-14 В
Перейти к операции 2
2
Заменить автоматический регулятор температуры (atc).
Закончен ли ремонт?
-
Система в норме
-

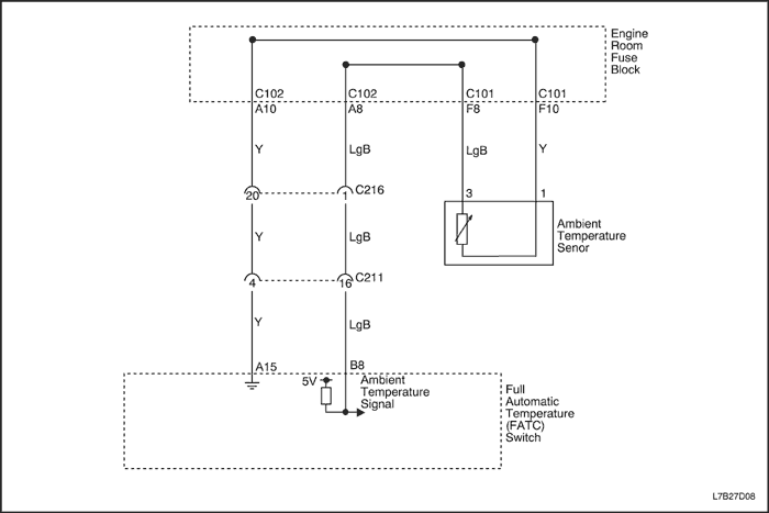
ДИАГНОСТИЧЕСКИЕ КОДЫ НЕИСПРАВНОСТЕЙ


L7B27D07
Показать иллюстрациюПеревод текста в иллюстрациях


Код 1 - Ошибка внутрисалонного датчика

Этот код устанавливается, если сигнал датчика температуры в салоне указывает на вероятное короткое замыкание или разрыв цепи в датчике или соответствующем жгуте проводов, или же на неисправность автоматического регулятора температуры ATC.

Код 1 - Ошибка внутрисалонного датчика

Шаг Операция Значения Да Нет
1
  1. Отключить разъем датчика температуры в салоне от автоматического регулятора температуры atc.
  2. Осмотреть проводку от датчика до разъема и разъем на наличие признаков повреждения.
  3. Измерить сопротивление между выводами разъема датчика температуры в салоне.
Обнаружены ли признаки повреждения проводки или разъема, или сопротивление находится за пределами допустимых значений при 20-25°c (68-77 f°)?
2600-2100 Ом
Перейти к операции 2
Перейти к операции 3
2
При необходимости отремонтировать поврежденную проводку или разъем, или же заменить датчик температуры в салоне.
Закончен ли ремонт?
-
Система в норме
-
3
  1. Повернуть ключ в замке зажигания в положение on.
  2. Измерить сопротивление между двумя выводами разъема на корпусе регулятора.
Соответствует ли напряжение указанному значению?
> 4 В
Перейти к операции 7
Перейти к операции 4
4
Проверить выводы на разъеме датчика температуры в салоне.
Обнаружены ли неисправности в разъеме?
-
Перейти к операции 5
Перейти к операции 6
5
При необходимости отремонтировать выводы разъема или заменить датчик температуры в салоне или автоматический регулятор температуры atc.
Закончен ли ремонт?
-
Система в норме
-
6
  1. Подключить датчик температуры в салоне к регулятору.
  2. Включить зажигание.
  3. Наблюдать область отображения температуры.
Показывает ли индикатор постоянное наличие неисправности с кодом 1?
-
Перейти к операции 7
Система в норме
7
Заменить автоматический регулятор температуры (atc).
Закончен ли ремонт?
-
Система в норме
-

L7B27D08
Показать иллюстрациюПеревод текста в иллюстрациях


Код 2 - Ошибка датчика температуры наружного воздуха

Этот код устанавливается, если сигнал датчика температуры наружного воздуха указывает на вероятное короткое замыкание или разрыв цепи в датчике или соответствующем жгуте проводов, или же на неисправность автоматического регулятора температуры ATC.

Код 2 - Ошибка датчика температуры наружного воздуха

Шаг Операция Значения Да Нет
1
  1. Отключить разъем датчика температуры наружного воздуха от жгута проводов переднего бампера.
  2. Измерить сопротивление между выводами разъема датчика температуры наружного воздуха.
Соответствует ли сопротивление указанному значению при 20-25°c (68-77 f°)?
2600-2100 Ом
Перейти к операции 5
Перейти к операции 2
2
  1. Снять датчик температуры наружного воздуха с тыльной стороны переднего бампера.
  2. Осмотреть проводку на наличие разрывов или коротких замыканий, осмотреть разъем на наличие повреждений.
Обнаружены ли неисправности проводки или разъема?
-
Перейти к операции 3
Перейти к операции 4
3
Устранить проблемы, обнаруженные в проводке или разъеме датчика температуры наружного воздуха.
Закончен ли ремонт?
-
Система в норме
-
4
Заменить датчик температуры наружного воздуха.
Закончен ли ремонт?
-
Система в норме
-
5
  1. Повернуть ключ в замке зажигания в положение on.
  2. Измерить напряжение между двумя выводами в разъеме датчика температуры наружного воздуха на жгуте проводов переднего бампера.
Соответствует ли напряжение указанному значению?
> 4 В
Перейти к операции 7
Перейти к операции 6
6
  1. Подключить датчик температуры в салоне к регулятору.
  2. Включить зажигание.
  3. Наблюдать область отображения температуры.
Показывает ли индикатор постоянное наличие неисправности с кодом 2?
-
Перейти к операции 8
Система в норме
7
  1. Снять автоматический регулятор температуры (atc) с панели приборов, не отключая жгут проводов.
  2. Измерить напряжение между выводами a13 и b8 на тыльной стороне разъемов.
Соответствует ли напряжение указанному значению?
< 4 В
Перейти к операции 8
Перейти к операции 9
8
Заменить автоматический регулятор температуры atc.
Закончен ли ремонт?
-
Система в норме
-
9
  1. Осмотреть проводку датчика температуры наружного воздуха от автоматического регулятора температуры atc, через разъемы c217, c102, c103 и c101 на блоке предохранителей двигателя и c108, до разъема датчика температуры наружного воздуха на жгуте проводов переднего бампера.
  2. Устранить найденные разрывы цепи или места повышенного сопротивления в проводке или на выводах разъема.
Закончен ли ремонт?
-
Система в норме
-

L7B27D09
Показать иллюстрациюПеревод текста в иллюстрациях


Код 3 - Ошибка датчика воздуховода

Этот код устанавливается, если сигнал датчика температуры охлаждающей жидкости указывает на вероятное короткое замыкание или разрыв цепи в датчике или соответствующем жгуте проводов, или же на неисправность автоматического регулятора температуры ATC.

Код 3 - отказ датчика температуры охлаждающей жидкости

Шаг Операция Значения Да Нет
1
  1. Отключить разъем датчика температуры охлаждающей жидкости от жгута проводов автоматического регулятора температуры.
  2. Осмотреть проводку от датчика до разъема и сам разъем на наличие признаков повреждения.
  3. Измерить сопротивление между выводами разъема датчика температуры охлаждающей жидкости.
Обнаружены ли признаки повреждения проводки или разъема, или сопротивление находится за пределами допустимых значений при 20-25°c (68-77 f°)?
2600-2100 Ом
Перейти к операции 2
Перейти к операции 3
2
Отремонтировать поврежденную проводку или разъем, или при необходимости заменить датчик температуры охлаждающей жидкости.
Закончен ли ремонт?
-
Система в норме
-
3
  1. Повернуть ключ в замке зажигания в положение on.
  2. Измерить напряжение между двумя выводами в разъеме датчика температуры охлаждающей жидкости на жгуте проводов автоматического регулятора температуры.
Измеренное напряжение соответствует указанному в таблице?
< 4 В
Перейти к операции 7
Перейти к операции 4
4
Проверить выводы на разъеме датчика температуры охлаждающей жидкости.
Обнаружены ли неисправности в разъеме?
-
Перейти к операции 5
Перейти к операции 6
5
Отремонтировать выводы разъема или при необходимости заменить датчик температуры охлаждающей жидкости или автоматический регулятор температуры atc.
Закончен ли ремонт?
-
Система в норме
-
6
  1. Подключить датчик температуры охлаждающей жидкости к жгуту проводов автоматического регулятора температуры atc.
  2. Включить зажигание.
  3. Наблюдать область отображения температуры.
Показывает ли индикатор постоянное наличие неисправности с кодом 3?
-
Перейти к операции 9
Система в норме
7
  1. Снять автоматический регулятор температуры (atc) с панели приборов, не отключая жгут проводов.
  2. Измерить напряжение между выводами a15 и b9 на тыльной стороне разъемов.
Соответствует ли напряжение указанному значению?
< 4 В
Перейти к операции 9
Перейти к операции 8
8
  1. Осмотреть проводку от выводов a15 и b9 регулятора до выводов датчика температуры охлаждающей жидкости на разъеме жгута проводов автоматического регулятора температуры.
  2. Устранить найденные разрывы цепи или места повышенного сопротивления в проводке или на выводах разъема.
Закончен ли ремонт?
-
Система в норме
-
9
Заменить автоматический регулятор температуры (atc).
Закончен ли ремонт?
-
Система в норме
-

L7B27D10
Показать иллюстрациюПеревод текста в иллюстрациях


Код 4 - Ошибка воздушной смесительной заслонки

Этот код устанавливается, если сигнал датчика положения смесительной заслонки показывает, что угол открытия заслонки вне допустимых пределов, или его значение не изменяется в то время, когда заслонка должна перемещаться. Это свидетельствует о том, что в датчике или его проводке имеется короткое замыкание или разрыв, отказал электропривод заслонки или неисправен автоматический регулятор температуры ATC.

Код 4 - Ошибка воздушной смесительной заслонки

Шаг Операция Значения Да Нет
1
  1. Отключить разъем жгута проводов панели приборов от электропривода воздушной смесительной заслонки (amd).
  2. С помощью омметра измерить сопротивление между выводами 5 и 7 на электроприводе amd.
Указывает ли измеренное сопротивление на наличие разрыва или короткого замыкания?
Разрыв = ∞, короткое замыкание = 0 Ом
Перейти к операции 4
Перейти к операции 2
2
Измерить сопротивление между выводами 2 и 3 на электроприводе amd.
Соответствует ли сопротивление указанному значению?
3000 Ом
Перейти к операции 3
Перейти к операции 4
3
Измерить сопротивление между выводами 6 и 2, а также между выводами 6 и 3 электропривода amd.
Соответствует ли сумма этих сопротивлений значению, измеренному между выводами 2 и 3?
3000 Ом
Перейти к операции 5
Перейти к операции 4
4
Заменить электропривод amd.
Закончен ли ремонт?
-
Система в норме
-
5
Проверить выводы разъема на электроприводе amd и проводку в жгуте проводов автоматического регулятора температуры atc.
Обнаружены ли неисправности на выводах разъема жгута проводов, разъема электропривода или в проводке?
-
Перейти к операции 6
Перейти к операции 7
6
Устранить неисправности, выявленные на выводах разъемов или в проводке, или при необходимости заменить электропривод.
Закончен ли ремонт?
-
Система в норме
-
7
  1. Снять автоматический регулятор температуры atc с панели приборов.
  2. Отключить разъемы жгута проводов от автоматического регулятора температуры atc.
  3. Осмотреть выводы на разъемах жгута проводов, разъемы регулятора и проводку жгута проводов.
Обнаружены ли неисправности этих разъемов или проводки?
-
Перейти к операции 8
Перейти к операции 9
8
Устранить неисправности, выявленные на выводах разъемов или в проводке.
Закончен ли ремонт?
-
Система в норме
-
9
Проверить целостность цепи в жгуте проводов между разъемами регулятора и разъемом электропривода заслонки amd.
  • Вывод регулятора 2 - вывод электропривода 7.
  • Вывод регулятора 3 - вывод электропривода 5.
  • Вывод регулятора 8 - вывод электропривода 6.
  • Вывод регулятора 7 - вывод электропривода 3.
Соответствует ли измеренное сопротивление указанному значению?
≈ 0 Ом
Перейти к операции 10
Перейти к операции 11
10
Устранить нарушения целостности цепи.
Закончен ли ремонт?
-
Система в норме
-
11
  1. Подключить электропривод заслонки amd к жгуту проводов автоматического регулятора температуры atc.
  2. Подключить к регулятору разъемы жгута проводов автоматического регулятора температуры.
  3. Повернуть ключ в замке зажигания в положение on.
  4. Измерять напряжение на тыльной стороне разъемов.
  5. Измерить напряжение между массой и выводом 8 на регуляторе.
Измеренное напряжение соответствует указанному в таблице?
< 4 В
Перейдите к Шагу 12
Перейти к операции 14
12
  1. Установить регулятор температуры на 18°c (64°f).
  2. Подключить вольтметр между массой и выводом 7 на регуляторе. Он должен показывать около 12 В.
  3. Повысить заданную температуру на регуляторе до 32°c (90°f).
Соответствует напряжение указанному значению?
Падает с 12 В до 0 В
Перейти к операции 13
Перейдите к шагу 15
13
  1. Подключить вольтметр между массой и выводом 7 на регуляторе. Он должен показывать около 12 В.
  2. Изменить заданную температуру на 18°c (64°f).
Соответствует напряжение указанному значению?
Падает с 12 В до 0 В
Перейти к операции 20
Перейдите к шагу 15
14
  1. Проверить жгут проводов и выводы разъемов, связанные с выводами регулятора 7 и 8, а также выводами электропривода amd 2, 6 и 3.
  2. Устранить выявленные неисправности.
Закончен ли ремонт?
-
Система в норме
-
15
Проверить все цепи проводки между регулятором и электроприводом заслонки amd.
Обнаружены ли неисправности проводки или разъемов?
-
Перейти к операции 16
Перейти к операции 17
16
Устранить неисправности проводки между регулятором atc и электроприводом заслонки amd.
Закончен ли ремонт?
-
Система в норме
-
17
Проверить электропривод заслонки amd.
Обнаружены ли неисправности электропривода заслонки amd?
-
Перейдите к Шагу 18
Перейти к операции 19
18
Заменить электропривод amd.
Закончен ли ремонт?
-
Система в норме
-
19
Заменить регулятор.
Закончен ли ремонт?
-
Система в норме
-
20
Наблюдать работу воздушной смесительной заслонки при изменении заданной температуры.
Нормально ли перемещается заслонка?
-
Перейти к операции 22
Перейти к операции 21
21
Отремонтировать или заменить воздушную смесительную заслонку.
Закончен ли ремонт?
-
Система в норме
-
22
Наблюдать работу электропривода воздушной смесительной заслонки при изменении заданной температуры.
Нормально ли работает электропривод?
-
Перейти к операции 24
Перейти к операции 23
23
Заменить электропривод amd.
Закончен ли ремонт?
-
Система в норме
-
24
Восстановить все соединения и проверить систему.
Устанавливается ли код 4 снова?
-
Перейти к операции 25
Система в норме
25
Заменить регулятор.
Закончен ли ремонт?
-
Система в норме
-

L9B17D06
Показать иллюстрациюПеревод текста в иллюстрациях


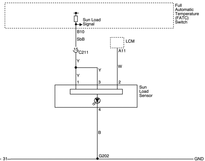
Код 5 - Ошибка датчика солнечного освещения

Этот код устанавливается, если сигнал датчика солнечного освещения указывает на вероятное короткое замыкание или разрыв цепи в датчике или соответствующем жгуте проводов, или же на неисправность автоматического регулятора температуры ATC.

Код 5 - Ошибка датчика солнечного освещения

Шаг Операция Значения Да Нет
1
  1. Поднять датчик солнечного освещения с верхней части передней панели.
  2. Закрепить жгут проводов автоматического регулятора температуры под датчиком солнечного освещения так, чтобы он не мог упасть через отверстие сверху передней панели.
  3. Отсоединить разъем датчика солнечного освещения от жгута автоматического регулятора температуры atc.
  4. Осмотреть проводку от датчика до разъема и разъем на наличие признаков повреждения.
  5. Измерить сопротивление между выводами разъема датчика солнечного освещения.
Обнаружены ли признаки повреждения проводки или разъема, и соответствует ли сопротивление указанному значению?
≈ 0 Ом
Перейти к операции 2
Перейти к операции 3
2
Отремонтировать поврежденную проводку или разъем, или при необходимости заменить датчик солнечного освещения.
Закончен ли ремонт?
-
Система в норме
-
3
  1. Повернуть ключ в замке зажигания в положение on.
  2. Измерить напряжение между двумя выводами в разъеме датчика солнечного освещения на жгуте проводов автоматического регулятора температуры.
Измеренное напряжение соответствует указанному в таблице?
< 4 В
Перейти к операции 7
Перейти к операции 4
4
Проверить выводы в разъеме датчика солнечного освещения.
Обнаружены ли неисправности в разъеме?
-
Перейти к операции 5
Перейти к операции 6
5
Отремонтировать выводы разъема или при необходимости заменить датчик солнечного освещения или автоматический регулятор температуры atc.
Закончен ли ремонт?
-
Система в норме
-
6
  1. Подключить датчик солнечного освещения к жгуту проводов автоматического регулятора температуры atc.
  2. Включить зажигание.
  3. Наблюдать область отображения температуры.
Показывает ли индикатор постоянное наличие неисправности с кодом 5?
-
Перейти к операции 9
Система в норме
7
  1. Снять автоматический регулятор температуры (atc) с панели приборов, не отключая жгут проводов.
  2. Измерить напряжение между выводами 3 и 1 на тыльной стороне разъемов.
Соответствует ли напряжение указанному значению?
< 4 В
Перейти к операции 9
Перейти к операции 8
8
  1. Осмотреть проводку от выводов 3 и 1 регулятора до выводов датчика солнечного освещения на разъеме жгута проводов автоматического регулятора температуры atc.
  2. Устранить найденные разрывы цепи или места повышенного сопротивления в проводке или на выводах разъема.
Закончен ли ремонт?
-
Система в норме
-
9
Заменить автоматический регулятор температуры (atc).
Закончен ли ремонт?
-
Система в норме
-

L9B17D05
Показать иллюстрациюПеревод текста в иллюстрациях


Код 6 - Ошибка силового транзистора

Шаг Операция Значения Да Нет
1
  1. Отключить разъемы a и b автоматического регулятора температуры.
  2. Отключить разъемы от силового транзистора.
  3. Измерить сопротивление цепи между выводом 4 силового транзистора и выводом b2 автоматического регулятора температуры atc.
Соответствует ли измеренное сопротивление указанному значению?
≈ 0 Ом
Перейти к операции 2
Перейти к операции 6
2
Измерить сопротивление цепи между выводом 1 блока управления силовым модулем и выводом b12 автоматического регулятора температуры atc.
Соответствует ли измеренное сопротивление указанному значению?
≈ 0 Ом
Перейти к операции 3
Перейти к операции 6
3
  1. Подключить жгут проводов на место на автоматическом регуляторе температуры atc и блоке управления силовым модулем.
  2. Включить зажигание.
  3. Измерить напряжение между массой и выводом b12 на автоматическом регуляторе температуры atc.
  4. Вручную последовательно переключать регулятор скорости вентилятора с низшей скорости (ступень 1) на высшую (5).
Соответствуют ли измеренные напряжения указанным значениям с погрешностью ±0,5 В?
1: 8,8 В; 2: 6,8 В; 3: 4,4 В; 4: 2,7 В; 5: 0 В
Перейти к операции 4
Перейти к операции 5
4
Заменить автоматический регулятор температуры (atc).
Закончен ли ремонт?
-
Система в норме
-
5
Измерить сопротивление цепи между выводом 6 силового транзистора и выводом 1 электровентилятора.
Соответствует ли измеренное сопротивление указанному значению?
≈ 0 Ом
Перейти к операции 7
Перейти к операции 6
6
Отремонтировать или заменить жгут проводов, соответствующий цепи.
Закончен ли ремонт?
-
Система в норме
-
7
Проверить жгут проводов мотора и электропитания.
  • Проверить реле вентилятора.
  • Проверить предохранитель ef1.
Обнаружены ли неисправности проводки, реле или предохранителя?
-
Перейти к операции 9
Перейти к операции 8
8
Заменить силовой транзистор.
Закончен ли ремонт?
-
Система в норме
-
9
Отремонтировать или при необходимости заменить жгут проводов, реле или предохранитель.
Закончен ли ремонт?
-
Система в норме
-

L9B17D05
Показать иллюстрациюПеревод текста в иллюстрациях


Код 7 - Ошибка реле максимального повышения

Шаг Операция Значения Да Нет
1
  1. Включить зажигание.
  2. Вручную установить переключатель скорости вентилятора в положение 5.
  3. Измерить напряжение между выводом автоматического регулятора температуры a16 и массой.
Соответствует ли напряжение указанному значению?
≈ 0 Ом
Перейти к операции 3
Перейти к операции 2
2
Заменить автоматический регулятор температуры (atc).
Закончен ли ремонт?
-
Система в норме
-
3
  1. Проверить жгут проводов, связанный с реле высокой скорости, на наличие дефектов и повышенного сопротивления контактов.
  2. Устранить все выявленные дефекты.
Закончен ли ремонт?
-
Система в норме
Перейти к операции 4
4
Заменить реле высокой скорости.
Закончен ли ремонт?
-
Система в норме
-


На предыдущую страницу На следующую страницу
https://vnx.su/ 🛠 Руководства по ремонту и эксплуатации для автомобилей

Поиск по сайту

Остались вопросы или пожелания? Пишите на почту: support@vnx.su

Карта Сайта