К началу документа
Epica
На предыдущую страницуНа следующую страницу
Главная страница GMDEЗагрузить нединамическое оглавлениеЗагрузить динамическое оглавлениеПомощь

РАЗДЕЛ 9E

ПРИБОРЫ / СИСТЕМА ИНФОРМИРОВАНИЯ ВОДИТЕЛЯ

Внимание! Отсоедините провод от отрицательного вывода аккумулятора, прежде чем снимать или устанавливать какие-либо электрические устройства, а также в ситуации, когда есть возможность касания оголенных электрических контактов каким-либо инструментом или приспособлением. Отсоединение этого провода позволяет избежать травм и повреждения оборудования автомобиля. Кроме того, если не указано иное, зажигание должно находиться в положении LOCK.

ТЕХНИЧЕСКИЕ ХАРАКТЕРИСТИКИ

Моменты затяжки резьбовых соединений

ПРОГРАММА
Н•м
фунт-фут
фунт-дюйм
Винты цифровых часов
2
-
18
Винты информационного центра водителя
2.2
-
19
Винты комбинации приборов
2
-
18
Винты щитка панели приборов
2.5
-
22
Винты боковой крышки панели приборов
2.5
-
22
Винты вентиляционного сопла панели приборов
2
-
18
Болты панели приборов
10
-
86
Винт блока предохранителей панели приборов
2.5
-
22
Гайки панели приборов
10
-
86
Винты наружного вентиляционного сопла в сборе со стороны пассажира
3
-
27

ПРИНЦИПИАЛЬНЫЕ И МОНТАЖНЫЕ СХЕМЫ

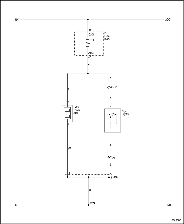
Прикуриватель и дополнительная розетка


L7B19E02
Показать иллюстрациюПеревод текста в иллюстрациях


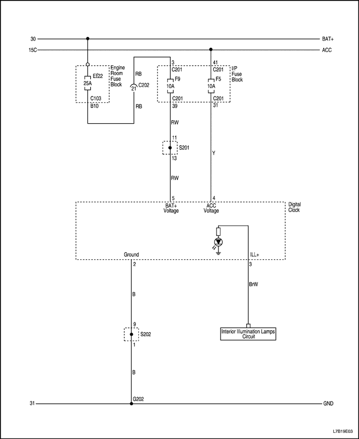
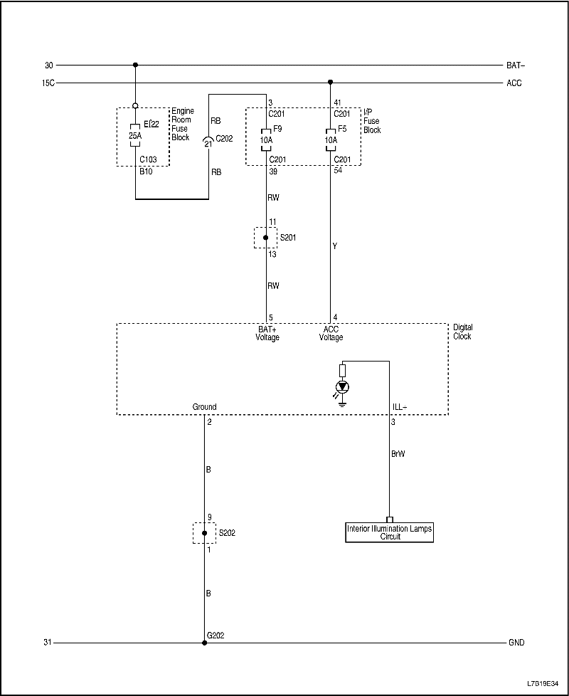
Часы


L7B19E03
Показать иллюстрациюПеревод текста в иллюстрациях


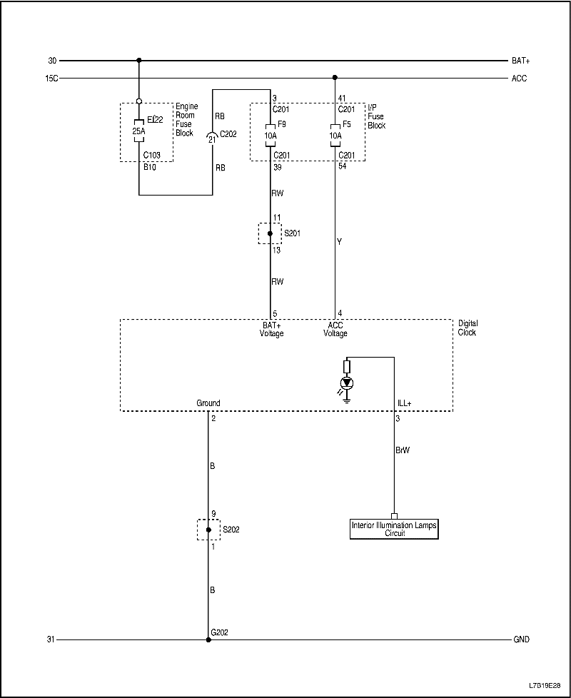
Дизель


L7B19E28
Показать иллюстрациюПеревод текста в иллюстрациях


Правостороннее управление (дизель)


L7B19E03
Показать иллюстрациюПеревод текста в иллюстрациях


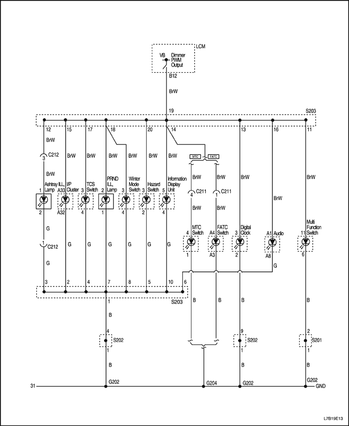
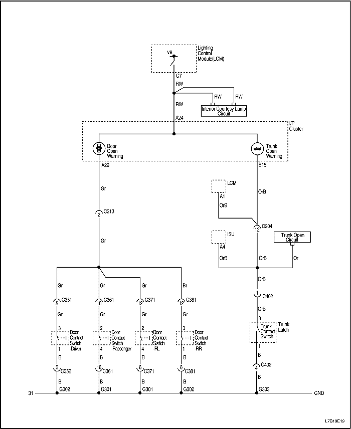
Внутреннее освещение салона


L7B19E13
Показать иллюстрациюПеревод текста в иллюстрациях


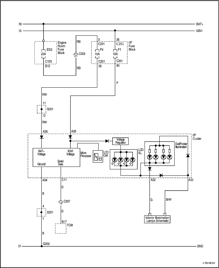
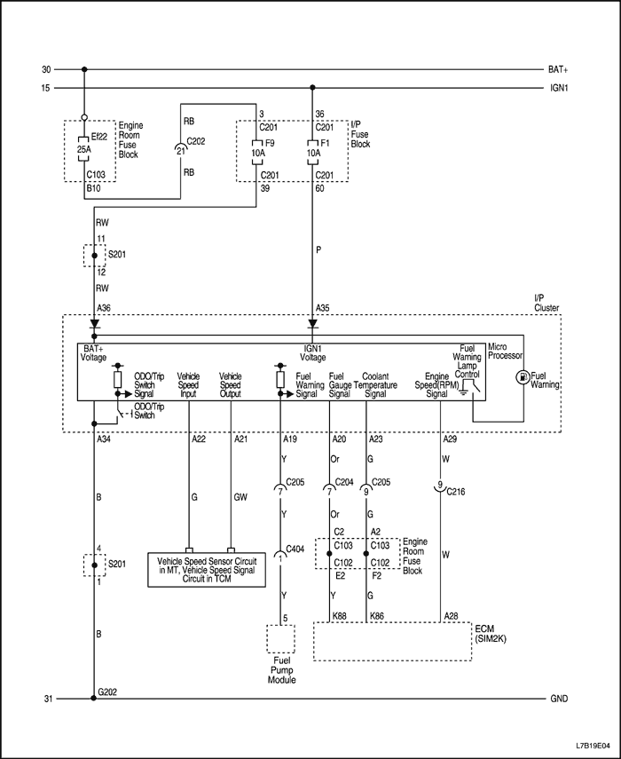
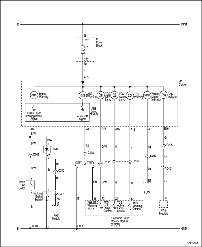
Комбинация панели приборов

Левостороннее управление


L7B19E04
Показать иллюстрациюПеревод текста в иллюстрациях


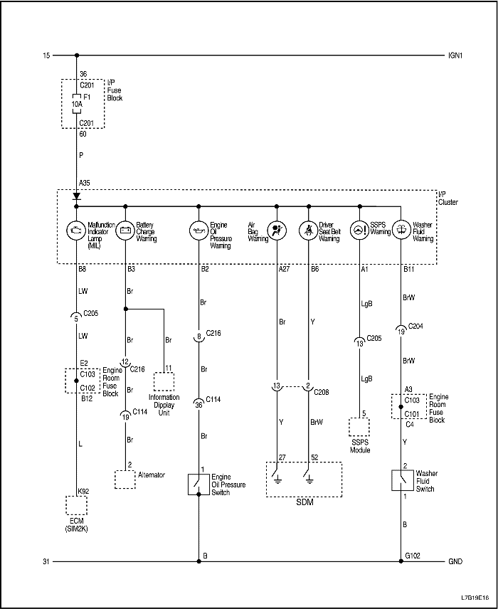
Правостороннее управление (исключая holden)


L7B19E14
Показать иллюстрациюПеревод текста в иллюстрациях


Правостороннее управление (только holden)


L7B19E15
Показать иллюстрациюПеревод текста в иллюстрациях


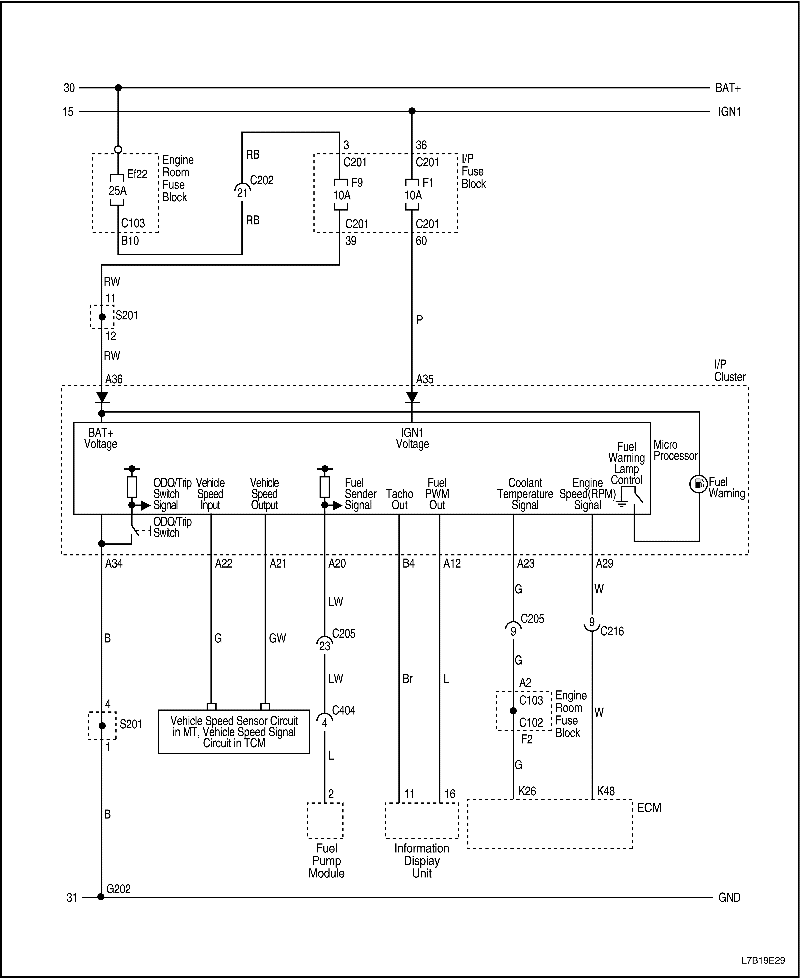
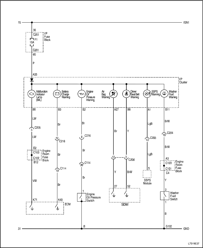
Дизель


L7B19E29
Показать иллюстрациюПеревод текста в иллюстрациях


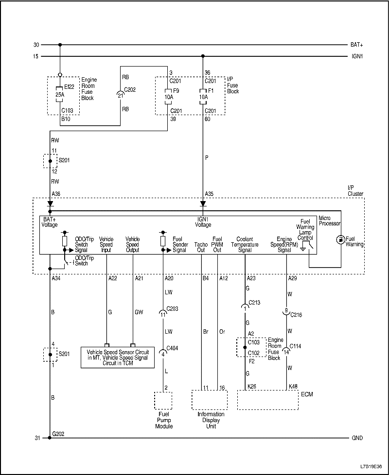
Правостороннее управление (дизель)


L7B19E36
Показать иллюстрациюПеревод текста в иллюстрациях



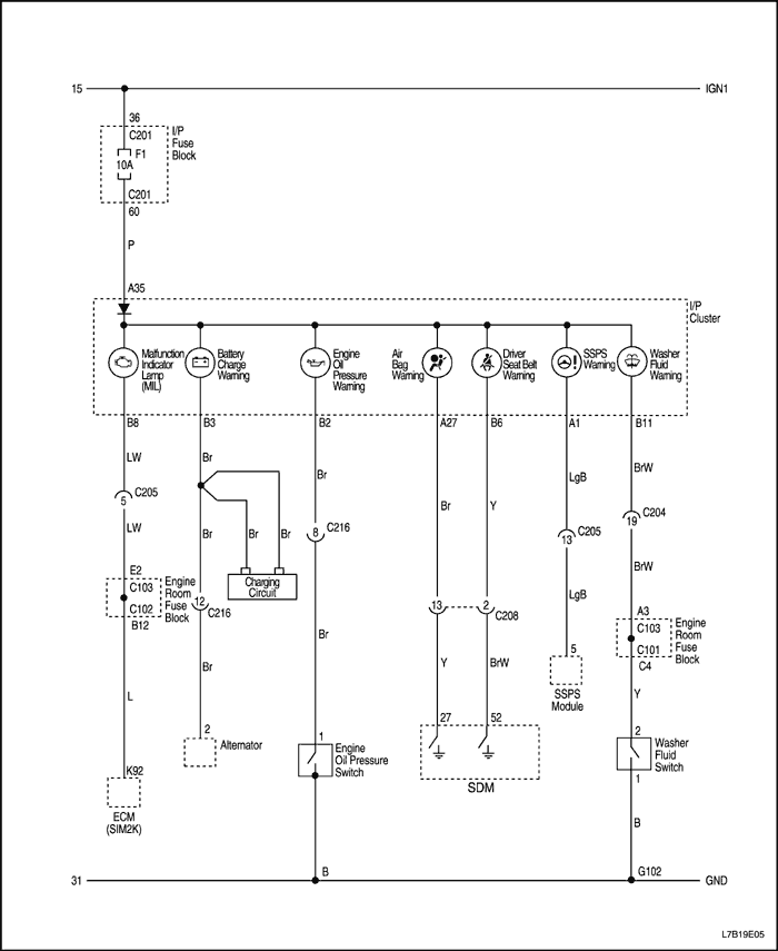
L7B19E05
Показать иллюстрациюПеревод текста в иллюстрациях


Правостороннее управление (только holden)


L7B19E16
Показать иллюстрациюПеревод текста в иллюстрациях


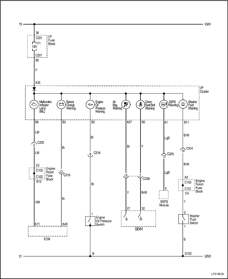
Дизель


L7B19E30
Показать иллюстрациюПеревод текста в иллюстрациях


Правостороннее управление (дизель)


L7B19E37
Показать иллюстрациюПеревод текста в иллюстрациях


Левостороннее управление


L7B19E06
Показать иллюстрациюПеревод текста в иллюстрациях


Правостороннее управление (исключая holden)


L7B19E17
Показать иллюстрациюПеревод текста в иллюстрациях


Правостороннее управление (только holden)


L7B19E18
Показать иллюстрациюПеревод текста в иллюстрациях


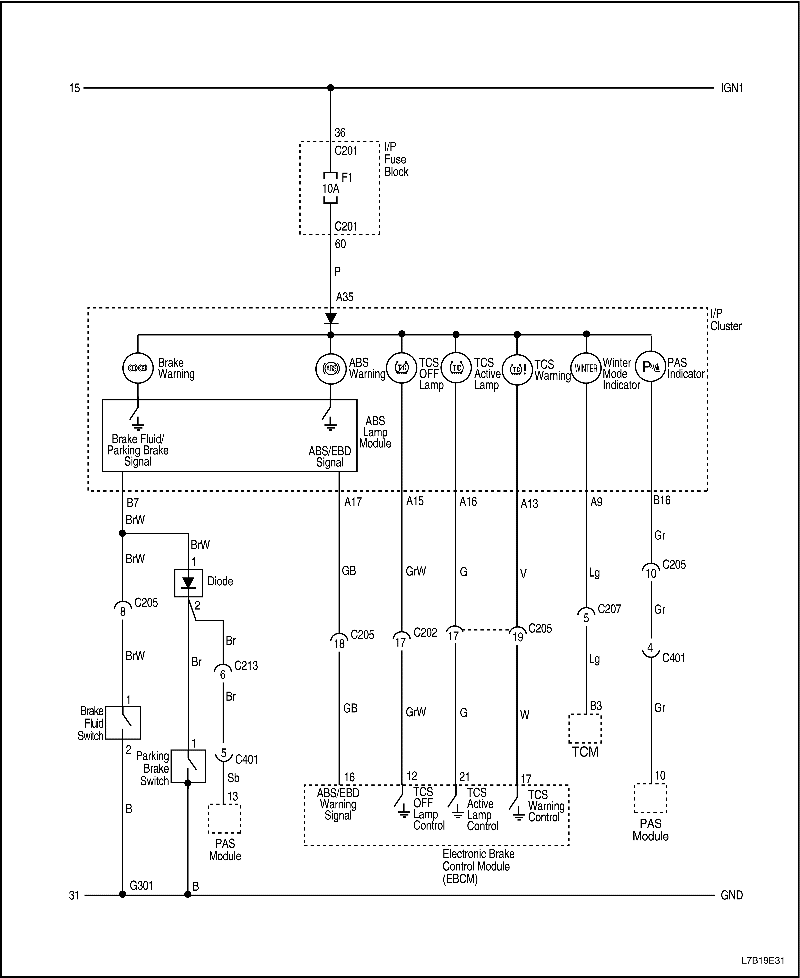
Дизель


L7B19E31
Показать иллюстрациюПеревод текста в иллюстрациях


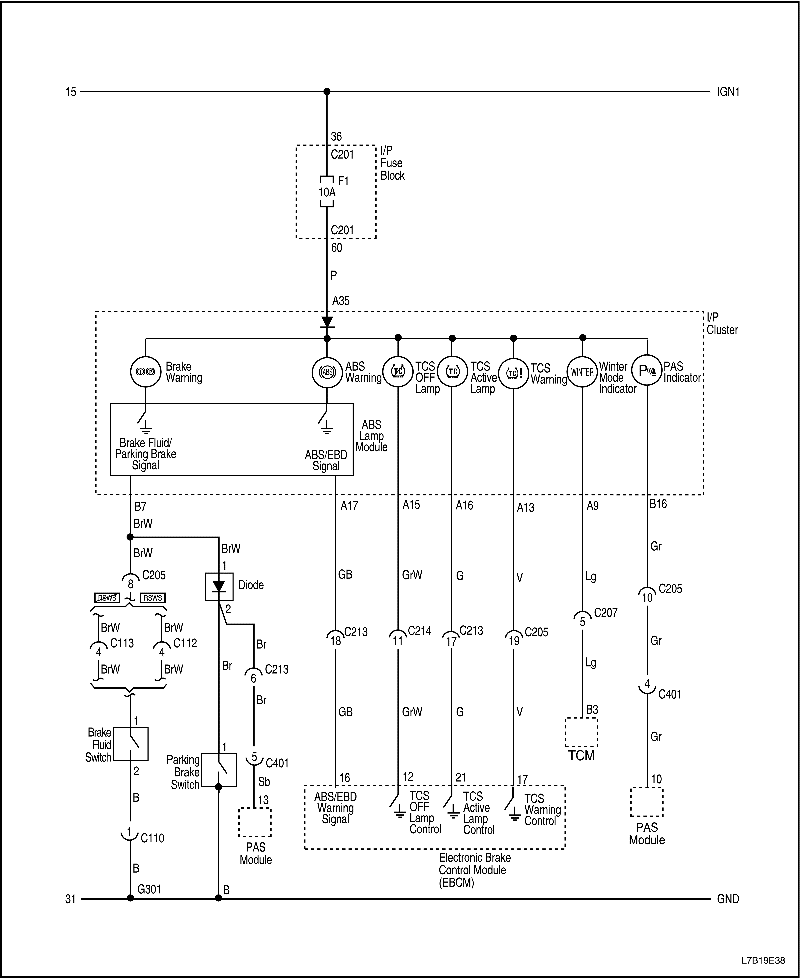
Правостороннее управление (дизель)


L7B19E38
Показать иллюстрациюПеревод текста в иллюстрациях


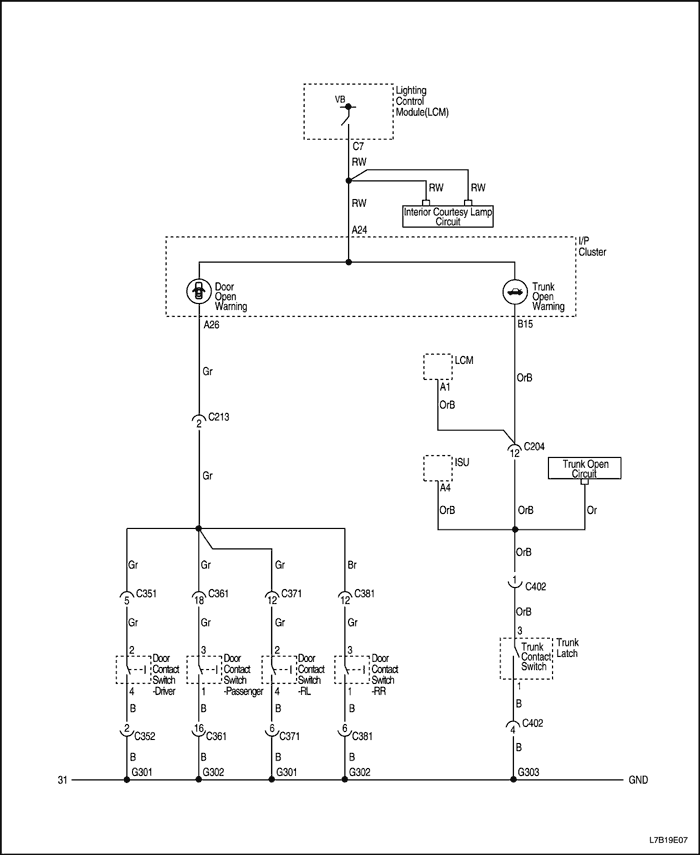
Левостороннее управление


L7B19E07
Показать иллюстрациюПеревод текста в иллюстрациях


Правостороннее управление


L7B19E19
Показать иллюстрациюПеревод текста в иллюстрациях



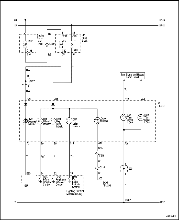
L7B19E20
Показать иллюстрациюПеревод текста в иллюстрациях


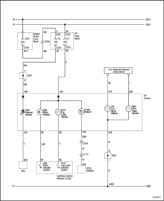
Правостороннее управление (только holden)


L7B19E21
Показать иллюстрациюПеревод текста в иллюстрациях


Дизель


L7B19E32
Показать иллюстрациюПеревод текста в иллюстрациях


Правостороннее управление (дизель)


L7B19E39
Показать иллюстрациюПеревод текста в иллюстрациях



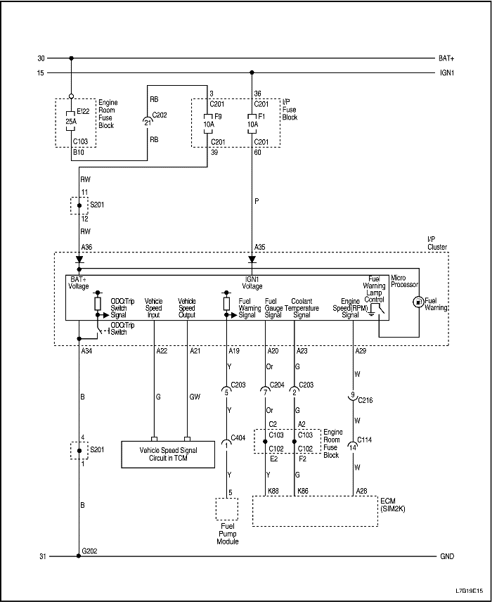
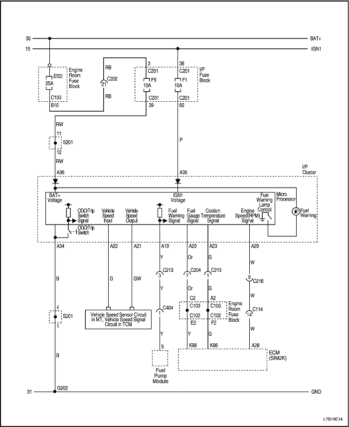
L7B19E22
Показать иллюстрациюПеревод текста в иллюстрациях


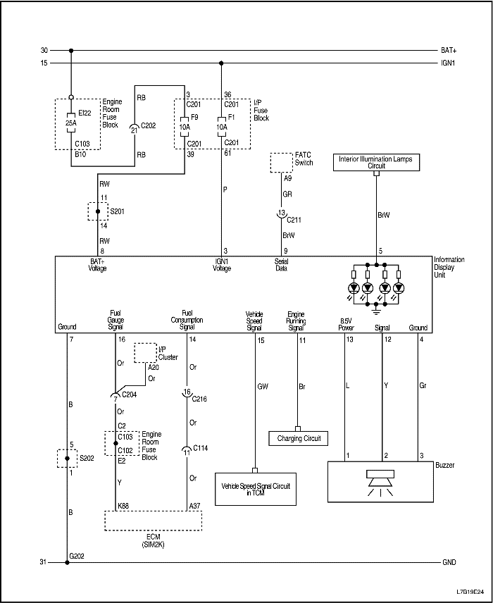
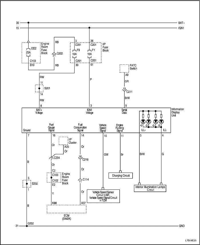
Информационный центр водителя


L7B19E23
Показать иллюстрациюПеревод текста в иллюстрациях


Правостороннее управление (только holden)


L7B19E24
Показать иллюстрациюПеревод текста в иллюстрациях


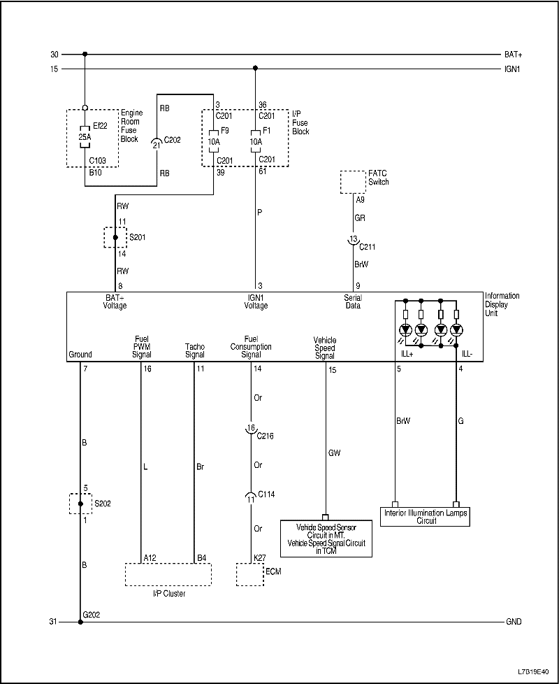
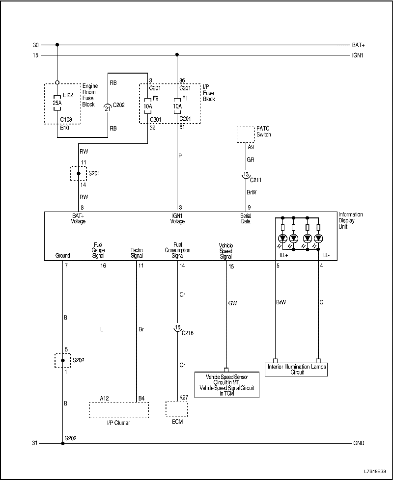
Дизель


L7B19E33
Показать иллюстрациюПеревод текста в иллюстрациях


Правостороннее управление (дизель)


L7B19E40
Показать иллюстрациюПеревод текста в иллюстрациях


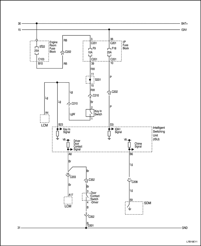
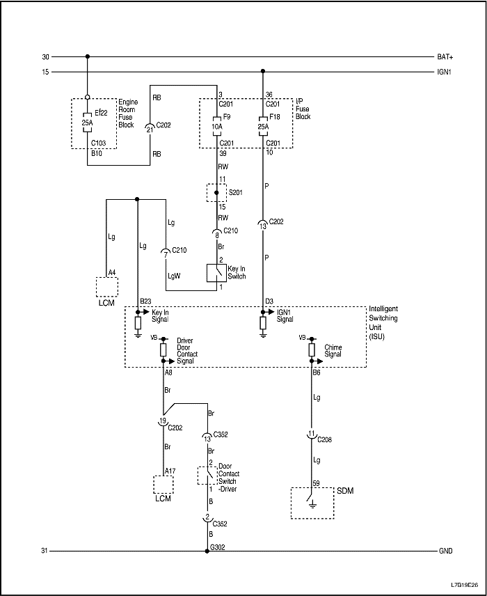
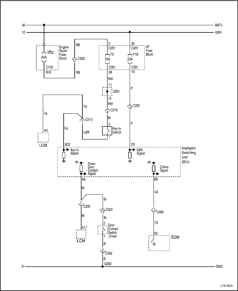
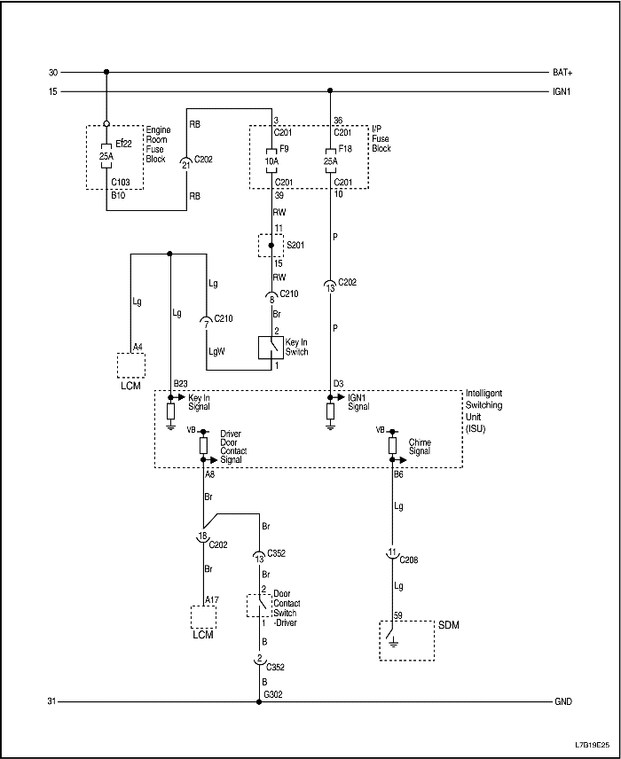
Звуковое предупреждение

Левостороннее управление


L7B19E11
Показать иллюстрациюПеревод текста в иллюстрациях


Правостороннее управление (исключая holden)


L7B19E25
Показать иллюстрациюПеревод текста в иллюстрациях


Правостороннее управление (только holden)


L7B19E26
Показать иллюстрациюПеревод текста в иллюстрациях


Дизель


L7B19E34
Показать иллюстрациюПеревод текста в иллюстрациях


Правостороннее управление (дизель)


L7B19E41
Показать иллюстрациюПеревод текста в иллюстрациях


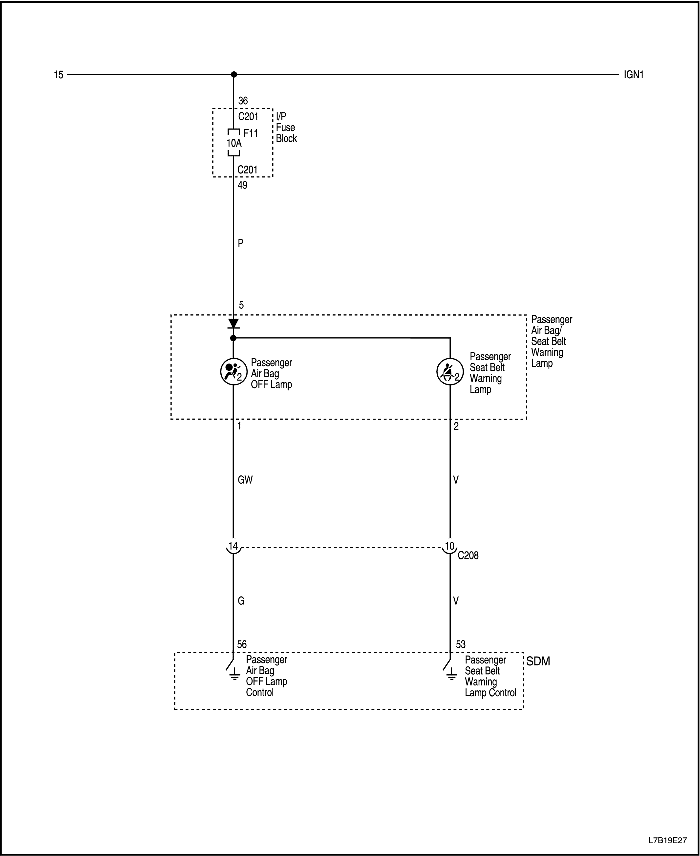
Контрольная лампа подушки безопасности/ремня безопасности пассажира

Левостороннее управление


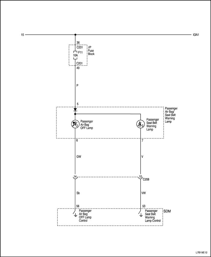
L7B19E12
Показать иллюстрациюПеревод текста в иллюстрациях


Правостороннее управление


L7B19E27
Показать иллюстрациюПеревод текста в иллюстрациях


ДИАГНОСТИКА

Прикуриватель

Прикуриватель не работает

ШагОперацияЗначенияДаНет
1
Проверить предохранитель f14.
Перегорел ли предохранитель?
-
Перейдите на Шаг 2
Перейдите на Шаг 3
2
  1. Проверьте на предмет короткого замыкания и при необходимости устраните его.
  2. Замените предохранитель.
Ремонт закончен?
-
Система в норме
-
3
  1. Перевести зажигание в положение acc.
  2. С помощью вольтметра проверить напряжение на предохранителе f14.
Равно ли напряжение указанному значению?
11~14 В
Перейдите на Шаг 5
Перейдите на Шаг 4
4
Устранить разрыв цепи подачи электропитания на предохранитель f14.
Ремонт закончен?
-
Система в норме
-
5
  1. Снять электрический разъем с обратной стороны прикуривателя.
  2. Перевести зажигание в положение acc.
  3. С помощью вольтметра проверить напряжение на выводе 2 электрического разъема прикуривателя.
Равно ли напряжение указанному значению?
11~14 В
Перейдите на Шаг 7
Перейдите на Шаг 6
6
Устранить разрыв цепи между предохранителем f14 и прикуривателем.
Ремонт закончен?
-
Система в норме
-
7
Поместив ключ зажигания в положение acc, подключить вольтметр между выводом 1 и выводом 2 разъема прикуривателя.
Равно ли подаваемое батареей напряжение указанному значению?
11~14 В
Перейдите на Шаг 9
Перейдите на Шаг 8
8
Устранить разрыв цепи массы.
Ремонт закончен?
-
Система в норме
-
9
Заменить прикуриватель.
Ремонт закончен?
-
Система в норме
-

Цифровые часы

Цифровые часы не работают

ШагОперацияЗначенияДаНет
1
Проверить предохранитель f5 и f9.
Перегорел ли какой-либо из предохранителей f5 или f9?
-
Перейдите на Шаг 2
Перейдите на Шаг 3
2
  1. Проверьте на предмет короткого замыкания и при необходимости устраните его.
  2. Заменить перегоревшие предохранители.
Ремонт закончен?
-
Система в норме
-
3
  1. Установите зажигание в положение on.
  2. С помощью вольтметра проверить подаваемое батареей напряжение на предохранителях f5 и f9.
Равно ли напряжение указанному значению?
11~14 В
Перейдите на Шаг 6
Перейдите на Шаг 2
4
Устранить разрыв цепи подачи электропитания на этот предохранитель.
Ремонт закончен?
-
Система в норме
-
5
  1. Установите зажигание в положение on.
  2. С помощью вольтметра проверить подаваемое батареей напряжение на вывод 4 разъема часов.
Равно ли напряжение указанному значению?
11~14 В
Перейдите на Шаг 7
Перейдите на Шаг 6
6
Устранить разрыв цепи между выводом 4 разъема часов и предохранителем f5.
Ремонт закончен?
-
Система в норме
-
7
Установите зажигание в положение on.
Присутствует ли подаваемое батареей напряжение на выводе 5 разъема часов?
-
Перейдите на Шаг 9
Перейдите на Шаг 8
8
Устранить разрыв цепи между выводом 5 разъема часов и предохранителем f9.
Ремонт закончен?
-
Система в норме
-
9
Проверить отсутствие обрывов цепи между выводом 2 разъема часов и массой.
Равна ли электропроводность указанному значению?
≈ 0 Ом
Перейдите на Шаг 10
Перейдите на Шаг 11
10
Заменить часы.
Ремонт закончен?
-
Система в норме
-
11
Устранить разрыв цепи массы между выводом 2 разъема часов и массой g202.
Ремонт закончен?
-
Система в норме
-

Спидометр

Спидометр не работает

ШагОперацияЗначенияДаНет
1
Проверить предохранитель f1.
Перегорел ли предохранитель f1?
-
Перейдите на Шаг 2
Перейдите на Шаг 3
2
  1. Проверьте на предмет короткого замыкания и при необходимости устраните его.
  2. Заменить предохранитель f1.
Ремонт закончен?
-
Система в норме
-
3
  1. Установите зажигание в положение on.
  2. Проверить напряжение на предохранителе f1.
Равно ли напряжение указанному значению?
11~14 В
Перейдите на Шаг 5
Перейдите на Шаг 4
4
Восстановить подачу электропитания на реле зажигания 1.
Ремонт закончен?
-
Система в норме
-
5
  1. Подключить сканирующий инструмент.
  2. Проверить наличие кодов неисправности диагностики управления двигателем.
Задан ли диагностический код неисправности p052 датчика скорости автомобиля?
-
Перейдите на Шаг 6
6
  1. Снимите приборную панель.
  2. Установите зажигание в положение on.
  3. Проверить напряжение на выводе a35 разъема комбинации приборов.
Равно ли напряжение указанному значению?
11~14 В
Перейдите на Шаг 8
Перейдите на Шаг 7
7
Устранить разрыв цепи между предохранителем f1 и комбинацией приборов.
Ремонт закончен?
-
Система в норме
-
8
С помощью омметра проверить сопротивление между массой и выводом a34 разъёма комбинации приборов.
Равно ли сопротивление указанному значению?
≈ 0 Ом
Система в норме
Перейдите на Шаг 9
9
Устранить разрыв цепи между массой и выводом a34 разъема комбинации приборов.
Ремонт закончен?
-
Система в норме
-

Указатель уровня топлива

Указатель уровня топлива не работает

ШагОперацияЗначенияДаНет
1
  1. Подключить сканирующий инструмент.
  2. Проверить наличие кодов неисправности диагностики управления двигателем.
Задан ли диагностический код неисправности p0461 датчика скорости автомобиля?
-
Перейдите на Шаг 2
2
  1. Снимите приборную панель.
  2. Установите зажигание в положение on.
  3. Проверить напряжение на выводе a35 разъема комбинации приборов.
Равно ли напряжение указанному значению?
11 - 14 В
Перейдите на Шаг 4
Перейдите на Шаг 3
3
Устранить разрыв цепи между предохранителем f1 и комбинацией приборов.
Ремонт закончен?
-
Система в норме
-
4
С помощью омметра проверить сопротивление между выводом k88 разъёма ecm и выводом a20 разъема комбинации приборов.
Равно ли сопротивление указанному значению?
≈ 0 Ом
Перейдите на Шаг 6
Перейдите на Шаг 5
5
Устранить разрыв цепи между ecm и комбинацией приборов.
Ремонт закончен?
-
Система в норме
-
6
Замените приборную панель.
Ремонт закончен?
-
Система в норме
-

Указатель температуры

Указатель температуры не работает, другие приборы исправны

Описание проверки

Указанные ниже цифры обозначают шаг(и) в диагностической таблице.
  1. Если проблема заключается в том, что указатель температуры всегда показывает "полный", следует начать выполнение действий в диагностической таблице с шага 1. Если проблема заключается в том, что указатель температуры всегда показывает "пустой", следует начать выполнение действий в диагностической таблице с шага 7.
ШагОперацияЗначенияДаНет
1
Дать двигателю остыть до комнатной температуры.
Когда выключатель зажигания находится в положении on, всегда ли стрелка указателя температуры находится в крайнем верхнем положении на шкале?
-
Перейдите на Шаг 3
Перейдите на Шаг 2
2
Отсоединить электрический разъем датчика температуры охлаждающей жидкости.
Упала ли стрелка указателя температуры в крайнее нижнее положение на шкале?
-
Перейдите на Шаг 3
Перейдите на Шаг 4
3
Заменить датчик температуры охлаждающей жидкости.
Ремонт закончен?
-
Система в норме
-
4
Проверить наличие замыкания на массу между датчиком температуры охлаждающей жидкости и указателем температуры.
Присутствует ли замыкание на массу?
-
Перейдите на Шаг 5
Перейдите на Шаг 6
5
Устранить замыкание на массу.
Ремонт закончен?
-
Система в норме
-
6
Заменить комбинацию приборов.
Ремонт закончен?
-
Система в норме
-
7
  1. Отсоединить датчик температуры охлаждающей жидкости.
  2. Установите зажигание в положение on.
  3. Проверить напряжение на разъеме датчика температуры охлаждающей жидкости.
Равно ли напряжение указанному значению?
11~14 В
Перейдите на Шаг 10
Перейдите на Шаг 8
8
Проверить наличие разрывов цепи между датчиком температуры охлаждающей жидкости и указателем температуры.
Цепь разомкнута?
-
Перейдите на Шаг 9
Перейдите на Шаг 6
9
Устранить разрыв цепи между датчиком температуры охлаждающей жидкости и указателем температуры.
Ремонт закончен?
-
Система в норме
-
10
  1. Отсоединить датчик температуры охлаждающей жидкости.
  2. Подсоединить проволочную перемычку между разъемом датчика температуры охлаждающей жидкости и массой.
  3. Установите зажигание в положение on.
Переместилась ли стрелка указателя температуры в крайнее верхнее положение на шкале?
-
Перейдите на Шаг 3
Перейдите на Шаг 6

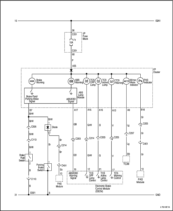
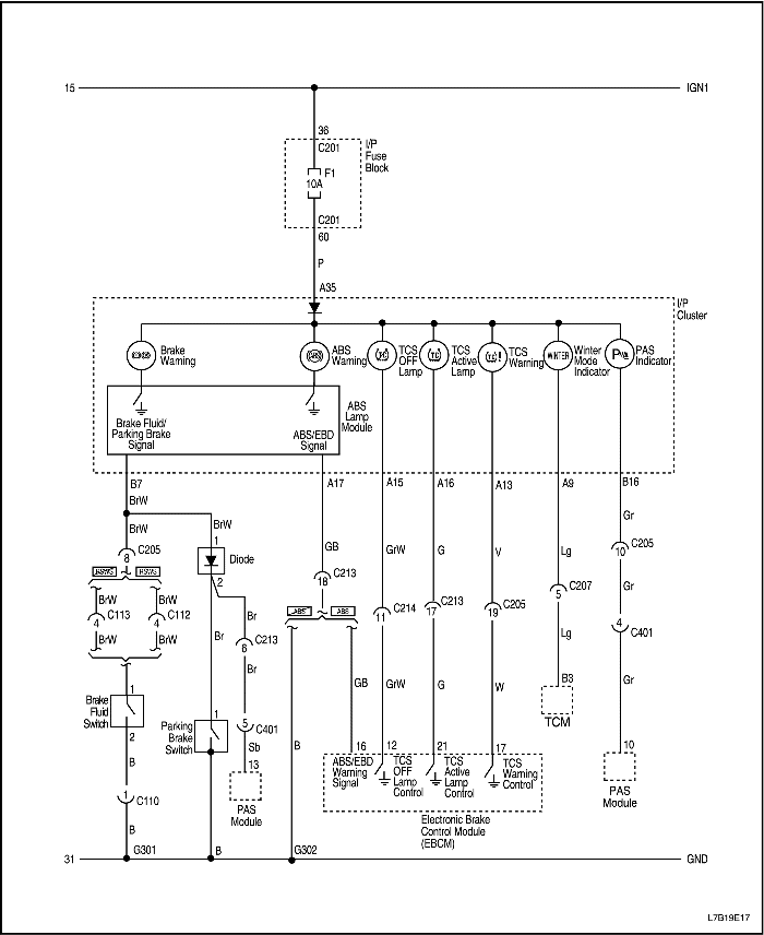
Контрольные лампы комбинации приборов

Контрольные лампы комбинации приборов не работают

ШагОперацияЗначенияДаНет
1
Проверить предохранитель f1 и f9.
Перегорел ли предохранитель f1 и f9?
-
Перейдите на Шаг 2
Перейдите на Шаг 3
2
  1. Проверьте на предмет короткого замыкания и при необходимости устраните его.
  2. Заменить перегоревший предохранитель.
Ремонт закончен?
-
Система в норме
-
3
  1. Установите зажигание в положение on.
  2. Проверить напряжение на предохранителе f9 и f1.
Равно ли подаваемое батареей напряжение указанному значению?
11~14 В
Перейдите на Шаг 5
Перейдите на Шаг 4
4
Устранить разрыв цепи подачи электропитания на предохранитель f1 и f9.
Ремонт закончен?
-
Система в норме
-
5
  1. Снимите приборную панель.
  2. Проверить напряжение на выводе a35 и a36.
Равно ли подаваемое батареей напряжение указанному значению?
11~14 В
Система в норме
Перейдите на Шаг 6
6
Устранить разрыв цепи между предохранителями f9 и f1 и разъемами a35 и a36 комбинации приборов.
Ремонт закончен?
-
Система в норме
-

Модуль звуковой сигнализации

Нет звуковой сигнализации, когда ремень безопасности не пристегнут, а ключ находится в замке зажигания

Рекомендации по диагностике

Для диагностики напоминания о фарах, см. Раздел 9B, Системы освещения.

Описание проверки

Указанные ниже цифры обозначают шаг(и) в диагностической таблице.
  1. Модуль звуковой сигнализации находится под панелью приборов с левой стороны.
  2. В переключателе зажигания могут быть КРС и ЧЕР провода, но в двухштырьковом разъеме они соединяются с ОРЖ и СВ ЗЕЛ.
ШагОперацияЗначенияДаНет
1
Проверить предохранитель f9 и f18.
Перегорел ли предохранитель f9 и f18?
-
Перейдите на Шаг 2
Перейдите на Шаг 3
2
  1. Проверьте на предмет короткого замыкания и при необходимости устраните его.
  2. Заменить перегоревший предохранитель.
Ремонт закончен?
-
Система в норме
-
3
Проверить напряжение на предохранителе f9.
Равно ли напряжение указанному значению?
11~14 В
Перейдите на Шаг 5
Перейдите на Шаг 4
4
Восстановить подачу электропитания на предохранитель f9.
Ремонт закончен?
-
Система в норме
-
5
  1. Установите зажигание в положение on.
  2. Проверить напряжение на предохранителе f18.
Равно ли напряжение указанному значению?
11~14 В
Перейдите на Шаг 7
Перейдите на Шаг 6
6
Восстановить подачу электропитания на предохранитель f18.
Ремонт закончен?
-
Система в норме
-
7
  1. Отсоединить разъем isu.
  2. Установите зажигание в положение on.
  3. Проверить напряжение на выводе d3 разъема isu.
Равно ли напряжение указанному значению?
11~14 В
Перейдите на Шаг 9
Перейдите на Шаг 8
8
Устранить разрыв цепи между предохранителем f18 и выводом d3 разъема isu.
Ремонт закончен?
-
Система в норме
-
9
  1. Вставить ключ в переключатель зажигания.
  2. Проверить напряжение на выводе В23 разъема isu.
Равно ли напряжение указанному значению?
11~14 В
Система в норме
Перейдите на Шаг 10
10
  1. От выключателя напоминания о ключе отходят два провода, которые идут к разъему жгута комбинации приборов. Отсоединить этот двухштырьковый разъем.
  2. Проверить напряжение на проводе цепи от вывода 2.
Равно ли напряжение указанному значению?
11~14 В
Перейдите на Шаг 12
Перейдите на Шаг 11
11
Устранить разрыв цепи между предохранителем f9 и выключателем напоминания о ключе.
Ремонт закончен?
-
Система в норме
-
12
  1. Вставить ключ в переключатель зажигания.
  2. При отсоединенном двухштырьковом разъеме напоминания о ключе присоединять один провод омметра к каждому проводу, идущему на выключатель напоминания о ключе.
Равна ли электропроводность указанному значению?
≈ 0 Ом
Перейдите на Шаг 14
Перейдите на Шаг 13
13
Заменить переключатель зажигания.
Ремонт закончен?
-
Система в норме
-
14
Устранить разрыв цепи между разъемом выключателя напоминания о ключе и выводом b23 разъема isu.
Ремонт закончен?
-
Система в норме
-

Нет звуковой сигнализации, когда открыта дверь, а ключ находится в замке зажигания

Описание проверки

Указанные ниже цифры обозначают шаг(и) в диагностической таблице.
  1. Модуль звуковой сигнализации находится под панелью приборов с левой стороны.
  2. В переключателе зажигания могут быть КРС и ЧЕР провода, но в двухштырьковом разъеме они соединяются с ОРЖ и СВ ЗЕЛ.
ШагОперацияЗначенияДаНет
1
Проверить предохранитель f9 и f18.
Перегорел ли предохранитель f9 и f18?
-
Перейдите на Шаг 2
Перейдите на Шаг 3
2
  1. Проверьте на предмет короткого замыкания и при необходимости устраните его.
  2. Заменить перегоревший предохранитель.
Ремонт закончен?
-
Перейдите на Шаг 5
Перейдите на Шаг 4
3
Проверить напряжение на предохранителе f9.
Равно ли напряжение указанному значению?
11~14 В
Перейдите на Шаг 5
Перейдите на Шаг 4
4
Восстановить подачу электропитания на предохранитель f9.
Ремонт закончен?
-
Система в норме
-
5
  1. Установите зажигание в положение on.
  2. Проверить напряжение на предохранителе f18.
Равно ли напряжение указанному значению?
11~14 В
Перейдите на Шаг 7
Перейдите на Шаг 6
6
Восстановить подачу электропитания на предохранитель f18.
Ремонт закончен?
-
Система в норме
-
7
  1. Отсоединить электрический разъем модуля звуковой сигнализации.
  2. Установите зажигание в положение on.
  3. Проверить напряжение на выводе d3 разъема isu.
Равно ли напряжение указанному значению?
11~14 В
Перейдите на Шаг 9
Перейдите на Шаг 8
8
Устранить разрыв цепи между предохранителем f18 и выводом d3 разъема isu.
Ремонт закончен?
-
Система в норме
-
9
  1. Вставить ключ в переключатель зажигания.
  2. Проверить напряжение на выводе В23 разъема isu.
Равно ли напряжение указанному значению?
11~14 В
Система в норме
Перейдите на Шаг 10
10
Устранить разрыв цепи между предохранителем f9 и выключателем напоминания о ключе.
Ремонт закончен?
-
Система в норме
-
11
  1. Вставить ключ в переключатель зажигания.
  2. При отсоединенном двухштырьковом разъеме напоминания о ключе присоединять один провод омметра к каждому проводу, идущему на выключатель напоминания о ключе.
Равна ли электропроводность указанному значению?
≈ 0 Ом
Система в норме
Перейдите на Шаг 13
12
Заменить переключатель зажигания.
Ремонт закончен?
-
Система в норме
-
13
Устранить разрыв цепи между разъемом выключателя напоминания о ключе и выводом b23 разъема isu.
Ремонт закончен?
-
Система в норме
-


На предыдущую страницуНа следующую страницу
https://vnx.su/ 🛠 Руководства по ремонту и эксплуатации для автомобилей

Поиск по сайту

Остались вопросы или пожелания? Пишите на почту: support@vnx.su

Карта Сайта