К началу документа
Epica
На предыдущую страницу На следующую страницу
Главная страница GMDE Загрузить нединамическое оглавление Загрузить динамическое оглавление Помощь

РАЗДЕЛ 7B

СИСТЕМА ОТОПЛЕНИЯ, ВЕНТИЛЯЦИИ И КОНДИЦИОНИРОВАНИЯ ВОЗДУХА С РУЧНЫМ УПРАВЛЕНИЕМ

Внимание! Отключить отрицательный кабель батаре перед снятием или установкой любых электрических узлов или при возможном контакте инструментов или оборудования с оголенными электрическими клеммами. Отключение кабеля поможет избежать травм и механических поврежений. Зажигание должно быть заблокировано, если не указано иное.

ТЕХНИЧЕСКИЕ ХАРАКТЕРИСТИКИ

Объем зарядки системы кондиционирования

Применение
Описание
Система r-134a
Левостороннее управление
820 г
Только правостороннее управление
880 г
Компрессорное масло в системе кондиционирования
Синтетическое полиалкиленгликолевое масло, 220 мл

Моменты затяжки резьбовых соединений

Применение
Н•м
lb-ft
lb-in
Крепежные болты воздушного фильтра в сборе
12
-
106
Болт ленточного хомута
5
-
44
Болты хомутов
4
-
35
Крепежная гайка ведомого диска и ступицы муфты в сборе
17
13
-
Гайка крепления соединительного блока выпускного шланга к компрессору
33
24
-
Гайка крепления соединительного блока выпускного шланга к конденсатору
16
12
-
Болты расширительного клапана
10
-
89
Передние болты крепления компрессора к кронштейну
27
26
-
Гайка соединительного блока трубки высокого давления к фланцу испарителя
10
-
89
Гайка соединительного блока трубки высокого давления к ресиверу-осушителю
10
-
89
Болт хомута жидкостной трубки испарителя
5
-
44
Предохранительный клапан
16
12
-
Датчик давления
7
-
62
Задние болты крепления компрессора к кронштейну
20
15
-
Гайка крепления ресивера-осушителя к трубке конденсатора
14
10
-
Болт хомута всасывающего шланга
10
-
89
Крепежные гайки соединительного блока всасывающего шланга
10
-
89
Крепежный болт опорного хомута всасывающего шланга
5
-
44
Крепежная гайка опорного хомута всасывающего шланга
5
-
44
Стяжные болты
10
-
89
Гайки крепления конденсатора
8,5
-
35
Гайка трубки хладагента конденсатора
15
11
-

СПЕЦИАЛЬНЫЕ ИНСТРУМЕНТЫ

Таблица специальных инструментов


J84331
Показать иллюстрациюПеревод текста в иллюстрациях


j-8433-1
Поперечина съемника

J84333
Показать иллюстрациюПеревод текста в иллюстрациях


j-8433-3
Нажимной винт

J9625A
Показать иллюстрациюПеревод текста в иллюстрациях


j-9625-a
Соединительное устройство проверки давления

J33013B
Показать иллюстрациюПеревод текста в иллюстрациях


j-33013-b
Приспособление для снятия и установки ступицы и ведущего диска

J33017
Показать иллюстрациюПеревод текста в иллюстрациях


j-33017
Приспособление для установки диска шкива и подшипника

J33022
Показать иллюстрациюПеревод текста в иллюстрациях


j-33022
Насадка для гайки вала

J33023A
Показать иллюстрациюПеревод текста в иллюстрациях


j-33023-a
Направляющая съемника

J33024
Показать иллюстрациюПеревод текста в иллюстрациях


j-33024
Переходник для установки зажимного кольца

J33025
Показать иллюстрациюПеревод текста в иллюстрациях


j-33025
Лапы съемника соленоида муфты

J34992
Показать иллюстрациюПеревод текста в иллюстрациях


j-34992
Зажимное приспособление

J33027
Показать иллюстрациюПеревод текста в иллюстрациях


j-33027
Удерживающее приспособление для зажимающей втулки

ПРИНЦИПИАЛЬНЫЕ И МОНТАЖНЫЕ СХЕМЫ

Система кондиционирования - Типовая


V3B17B01
Показать иллюстрациюПеревод текста в иллюстрациях


  1. Компрессор
  2. Предохранительный клапан
  3. Конденсатор
  4. Ресивер-осушитель
  5. Испаритель
  6. Расширительный клапан

Схема ручного управления кондиционером


L9B17B01
Показать иллюстрациюПеревод текста в иллюстрациях


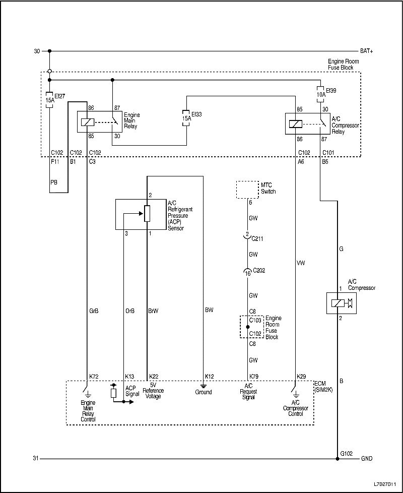
Схема ручного управления кондиционером (только дизель 2.0)


L7B27B11
Показать иллюстрациюПеревод текста в иллюстрациях


ДИАГНОСТИКА

ОБЩАЯ ДИАГНОСТИКА

Проверка холодильной системы

При подозрении на неисправность в холодильной системе необходимо выполнить следующие проверки:
  1. Проверить наружные поверхности теплообменников радиатора и конденсатора и убедиться в том, что потоку воздуха не препятствует грязь, листья и прочий посторонний материал. Проверить между конденсатором и радиатором, а также все наружные поверхности.
  2. Проверить наличие препятствий или перегибов в теплообменнике конденсатора, шлангах и трубках.
  3. Проверить функционирование электровентилятора.
  4. Проверить все воздуховоды на утечку или препятствия. Слабый поток воздуха может свидетельствовать о том, что забился теплообменник испарителя.
  5. Проверить проскальзывание муфты компрессора.
  6. Проверить натяжение приводного ремня.

Процедура быстрой проверки при недостаточном охлаждении

Выполнить следующую процедуру "ощупывания вручную", чтобы быстро проверить наличие в системе кондиционирования надлежащего заряда хладагента R-134a. Температура воздуха должна быть выше 21°C (70°F) для большинства моделей,
  1. Прогреть двигатель. Дать двигателю поработать на холостом ходу.
  2. Открыть капот и все двери.
  3. Включить кондиционер.
  4. Установить регулятор температуры в положение максимального охлаждения.
  5. Установить переключатель скорости вентилятора в положение максимальной скорости.
  6. Вручную пощупать температуру выпускной трубки испарителя. Трубка должна быть холодной.
  7. Проверить другие проблемы. См. "Проверка холодильной системы" в этом разделе.
  8. Проверить систему на наличие утечки. См. "Проверка утечки холодильной системы" в этом разделе. При обнаружении утечки разрядить систему и устранить утечку. По окончании ремонта вакуумировать систему и зарядить ее.
  9. Если утечка отсутствует, см. "Диагностика недостаточного охлаждения" в этом разделе.

Зависимость давления от температуры в системе r-134a

ТЕМПЕРАТУРА °c (°f)*
ДАВЛЕНИЕ кПа (psig)*
ТЕМПЕРАТУРА °c (°f)*
ДАВЛЕНИЕ кПа (psig)*
-8 (17,6)
113,1 (16,4)
9 (48,2)
296,2 (43,0)
-7 (19,4)
121,5 (17,6)
10 (50,0)
309,6 (44,9)
-6 (21,2)
130,2 (18,9)
15 (59,0)
383,7 (55,7)
-5 (23,0)
139,1 (20,2)
20 (68,0)
467,7 (67,8)
-4 (24,8)
148,4 (21,5)
25 (77,0)
567,5 (82,3)
-3 (26,6)
157,9 (22,9)
30 (86,0)
667,8 (96,9)
-2 (28,4)
167,6 (24,3)
35 (95,0)
785,6 (113,9)
-1 (30,2)
177,8 (25,8)
40 (104,0)
916,4 (133,0)
0 (32,0)
188,2 (27,3)
45 (113,0)
1 062,2 (154,0)
1 (33,8)
198,8 (28,8)
50 (122,0)
1 222,1 (177,2)
2 (35,6)
209,9 (30,4)
55 (131,0)
1 398,2 (202,8)
3 (37,4)
221,2 (32,1)
60 (140,0)
1 589,6 (230,5)
4 (39,2)
232,9 (33,8)
65 (149,0)
1 799,0 (260,9)
5 (41,0)
245,0 (35,5)
70 (158,0)
2 026,6 (293,9)
6 (42,8)
257,4 (37,3)
75 (167,0)
2 272,2 (329,5)
7 (44,6)
269,8 (39,1)
80 (176,0)
2 544,0 (369,0)
8 (46,4)
282,9 (41,0)
-
-
* Все рассчитанные значения округлены до одного знака после запятой.
Диапазон испарителя: От -7 до 7°С (от 19,4 до 44,6°f), данные температурные значения представляют собой температурные значения газов внутри соленоида, а не на поверхности соленоида. Прибавьте от 2 до 6°С (от 4 до 11°F) к температурным значениям соленоида и заслонки, регулирующей поступление основного потока воздуха в карбюратор.
Диапазон конденсатора: От 45 до 70°С (от 113°до 158°f), данные температурные значения не являются значениями окружающей среды. Прибавьте от 19 до 22°С (от 34 до 40°F) к температурным значениям окружающей среды для надлежащей передачи тепла. Затем обратитесь к таблице давления.
Пример:
32°c (90°f) Наружная температура +22°C (40°F) = 54°С (130°F)
Температура конденсатора, при которой достигается давление 1379 кПа (200 psig), при потоке воздуха 50 км/ч (31 миль/ч).

Проверка утечки холодильной системы; Проверка утечки хладагента

Проверить на наличие утечки при подозрении на утечку хладагента из системы. Кроме того, необходимо проверять на утечку после всех работ по обслуживанию, связанных с разборкой трубок или соединений. Как правило утечки происходят на фитингах холодильной системы и в местах соединений. Обычно утечки вызываются следующими причинами:

Жидкостные детекторы утечки

Жидкостные детекторные растворы используются для обнаружения утечки на фитингах. Нанести раствор на предполагаемое место утечки помазком, поставляемым в комплекте с раствором. Наблюдать за появлением пузырьков. Они указывают на наличие и место расположения утечки.
Для таких мест, где применение этого метода затруднено, например, на секциях испарителя и конденсатора, более удобен электронный детектор утечки.

Электронные детекторы утечки

Соблюдать инструкции изготовителя по калибровке, эксплуатации и обслуживанию электронного детектора утечки. Для обеспечения точности портативной модели особое значение имеет состояние батареи. Перед началом проверки установить детектор в режим R-134a.

Примечание: Электронные детекторы утечки чувствительны к моющим растворам для лобового стекла, растворителям и чистящим средствам, а также некоторым типам автомобильного клея. Во избежание ложных обнаружений необходимо следить за чистотой поверхности. Во избежание повреждения детектора следует убедиться в том, что все поверхности сухие.

Общие указания по проверке

  1. Проследить весь контур холодильной системы.
  2. Описать полную окружность вокруг каждого соединения со скоростью 25-50 мм/с (1-2 дюйм/с).
  3. Удерживать наконечник щупа на расстоянии до 6 мм (1/4 дюйма) от поверхности.
  4. Не закрывать воздухозаборник.
  5. Прерывистый звуковой сигнал 1-2 щелчка в секунду при обнаружении утечки сменится непрерывным тоном. Отрегулировать регулятор баланса для поддержания частоты 1-2 щелчка в секунду.
  6. Проверить все следующие области даже после того, как утечка была найдена и подтверждена:

Проверка сервисных портов/клапанов доступа

Сервисные порты защищены уплотнительными колпачками. Необходимо следить за тем, чтобы эти колпачки не откручивались и не терялись. Для каждого порта предназначен свой колпачок.

Проверка теплообменника испарителя

Утечки на теплообменнике испарителя найти трудно. Проверить теплообменник испарителя, выполнив следующую процедуру:
  1. Включить электровентилятор на максимальной скорости не менее, чем на 15 минут.
  2. Выключить вентилятор.
  3. Подождать 10 минут.
  4. Снять резистор электровентилятора. См. раздел 7A, "Система отопления и вентиляции".
  5. Вставить щуп детектора утечки как можно ближе к теплообменнику испарителя. Детектор укажет утечку непрерывным звуковым сигналом.
  6. Для поиска компрессорного масла на поверхности теплообменника воспользоваться фонарем.

Проверка уплотнения вала компрессора

  1. Обдувать сжатым воздухом позади и спереди муфты/шкива компрессора не менее 15 минут.
  2. Подождать 1-2 минуты.
  3. Проверить область перед шкивом. Если детектор издает непрерывный звуковой сигнал, значит, имеется утечка.

ДИАГНОСТИКА СИСТЕМЫ КОНДИЦИОНИРОВАНИЯ ВОЗДУХА V5

Диагностика недостаточного охлаждения

Описание проверки

Указанные ниже числа соответствуют шагам в диагностической таблице.
  1. См. важные сведения ниже.

Важно: Эту проверку следует выполнять в условиях гаражного помещения при температуре воздуха 21-32°C (70-90°F) при отсутствии прямого солнечного облучения. Для получения точных результатов необходимо строго соблюдать указания по этой проверке.

  1. См. важные сведения ниже.

Важно: Процедуру выполнять в точности, как описано, чтобы получить точные результаты.

Диагностика недостаточного охлаждения

Шаг Операция Значения Да Нет
1
Записать жалобу клиента.
Подтверждается ли жалоба клиента?
-
Перейти к операции 2
Система в норме
2
  1. Проверить предохранитель кондиционера.
  2. Проверить функционирование электровентилятора.
  3. Проверить функционирование вентилятора охлаждения двигателя.
  4. Проверить приводной ремень компрессора кондиционера.
  5. Проверить, не ограничен ли воздушный поток через конденсатор кондиционера.
  6. Проверить соединение соленоида муфты.
  7. При необходимости отремонтировать или заменить узлы.
  8. Проверить температуру выпускаемого воздуха при включенном кондиционере.
В норме ли температура выпускаемого воздуха?
Не менее, чем на 7°c (12°f) ниже температуры наружного воздуха
Система в норме
Перейти к операции 3
3
  1. Повернуть ключ зажигания в положение блокировки.
  2. Присоединить манометры высокого и низкого давления.
Находятся ли оба значения давления в указанных пределах?
69-345 кПа (10-50 фунтов/кв. дюйм)
Перейти к операции 4
Перейти к операции 5
4
  1. Проверить систему кондиционирования на наличие утечек.
  2. При необходимости устранить утечку хладагента.
  3. Откачать, вакуумировать и зарядить систему кондиционирования.
  4. Наблюдать показания двух манометров.
Находятся ли оба значения давления выше указанного предела?
345 кПа (50 фунтов/кв. дюйм)
Перейти к операции 7
-
5
Наблюдать показания двух манометров.
Находятся ли оба значения давления ниже указанного предела?
69 кПа (10 фунтов/кв. дюйм)
Перейти к операции 6
Перейти к операции 7
6
  1. Добавить 0,45 кг (1 фунт) хладагента r-134a.
  2. Проверить систему кондиционирования на наличие утечек.
  3. При необходимости устранить утечку хладагента.
  4. Откачать, вакуумировать и зарядить систему кондиционирования.
  5. Наблюдать показания двух манометров.
Находятся ли оба значения давления выше указанного предела?
345 кПа (50 фунтов/кв. дюйм)
Перейти к операции 7
-
7
  1. Запустить двигатель и дать ему поработать на холостом ходу.
  2. Установить органы управления кондиционером в следующие положения:
    • Выключатель кондиционера в положение on (ВКЛ).
    • Переключатель вентиляции в положение подачи свежего воздуха (сигнальная лампа не горит).
    • Переключатель вентилятора в положение 4.
    • Регулятор температуры на максимальное охлаждение.
Муфта компрессора системы кондиционирования включается?
-
Перейти к операции 8
Перейти к операции 10
8
  1. Проверить наличие стука из компрессора кондиционера.
  2. Попеременно включать и выключать компрессор кондиционера, чтобы удостоверится в источнике шума.
Слышен ли громкий стук?
-
Перейти к операции 9
Перейти к операции 13
9
  1. Откачать хладагент из системы кондиционера.
  2. Заменить компрессор кондиционера.
  3. Вакуумировать и зарядить систему кондиционирования.
  4. Проверить систему кондиционирования на наличие утечек.
Компрессор работает нормально?
-
Перейти к операции 13
-
10
  1. Повернуть ключ зажигания в положение блокировки.
  2. Отсоединить разъем соленоида муфты компрессора кондиционера.
  3. Присоединить перемычку с массы к одному из выводов соленоида муфты компрессора кондиционера.
  4. Присоединить через предохранитель перемычку с положительного вывода аккумулятора к другому выводу соленоида муфты компрессора кондиционера.
Сцепляется ли муфта компрессора кондиционера?
-
Перейти к операции 11
Перейдите к Шагу 12
11
Отремонтировать электрическую цепь соленоида муфты компрессора кондиционера.
Сцепляется ли муфта компрессора кондиционера?
-
Перейти к операции 8
-
12
Заменить соленоид муфты компрессора кондиционера.
Сцепляется ли муфта компрессора кондиционера?
-
Перейти к операции 8
-
13
  1. Закрыть все окна и двери автомобиля.
  2. Закрыть все окна и двери автомобиля.
  3. Установить органы управления кондиционером в следующие положения:
    • Выключатель кондиционера в положение on (ВКЛ).
    • Переключатель вентиляции в положение подачи свежего воздуха.
    • Переключатель вентилятора в положение 4.
    • Регулятор температуры на максимальное охлаждение.
  4. Запустить двигатель и дать ему 5 минут поработать на холостом ходу.
  5. Пощупать впускную и выпускную трубки испарителя.
Заметна ли разница температуры впускной и выпускной трубок испарителя?
-
Перейдите к шагу 15
Перейти к операции 14
14
  1. Повернуть ключ зажигания в положение блокировки.
  2. Откачать хладагент из системы кондиционера.
  3. Проверить наличие препятствий в трубке высокого давления.
  4. Проверить расширительный клапан на наличие препятствий или неисправности.
  5. Устранить препятствия или, при необходимости, заменить расширительный клапан.
  6. Вакуумировать и зарядить систему кондиционирования.
  7. Проверить систему кондиционирования на наличие утечек.
  8. Записать температуру выпускаемого воздуха при включенном кондиционере.
В норме ли температура на выпуске?
Не менее, чем на 7°c (12°f) ниже температуры наружного воздуха
Перейдите к шагу 15
Перейти к операции 13
15
  1. Записать значения давления на сторонах низкого и высокого давления после того, как система кондиционирования поработала не менее 5 минут с включенным вентилятором охлаждения двигателя.
  2. Найти на графике точку пересечения значений давления на сторонах низкого и высокого давления. См. "График зависимости значений давления на сторонах высокого и низкого давления" в этом разделе.
Значения давления на сторонах низкого и высокого давления пересекаются в белой области графика?
-
Система в норме
Перейти к операции 16
16
Проверить значения давления на сторонах высокого и низкого давления.
Значения давления на сторонах низкого и высокого давления пересекаются в серой области графика?
-
Перейти к операции 17
Перейти к операции 20
17
Пощупать трубку хладагента между конденсатором и расширительным клапаном.
Трубка холодная?
-
Перейдите к Шагу 18
Перейти к операции 19
18
  1. Осмотреть конденсатор на наличие ограничений воздушного потока.
  2. Проверить правильность функционирования вентиляторов системы охлаждения.
  3. При необходимости устранить ограничения воздушного потока или отремонтировать вентиляторы.
Теперь температура трубки нормальная?
Не менее, чем на 7°c (12°f) ниже температуры наружного воздуха
Перейти к операции 13
-
19
  1. Откачать, вакуумировать и зарядить систему кондиционирования.
  2. Проверить систему кондиционирования на наличие утечек.
Утечка в системе отсутствует?
-
Перейти к операции 13
-
20
Наблюдать показания манометров.
Соответствуют ли друг другу значения давления компрессора кондиционера на сторонах высокого и низкого давления?
207 кПа (30 фунтов/кв. дюйм)
Перейти к операции 21
Перейти к операции 26
21
  1. Повысить обороты двигателя до 3000 об/мин.
  2. Установить органы управления кондиционером в следующие положения:
    • Выключатель кондиционера в положение on (ВКЛ).
    • Переключатель вентиляции в положение подачи свежего воздуха.
    • Переключатель вентилятора в положение 4.
    • Регулятор температуры на максимальное охлаждение.
  3. Закрыть все окна и двери автомобиля.
  4. Включать и выключать выключатель кондиционера через каждые 20 секунд в течение 3 минут.
Соответствуют ли друг другу значения давления компрессора кондиционера на сторонах высокого и низкого давления?
207 кПа (30 фунтов/кв. дюйм)
Перейти к операции 22
Перейти к операции 13
22
Наблюдать возрастание давления на обоих манометрах, а также температуры в обеих (впускной и выпускной) трубках компрессора.
Поднимается ли давление медленно на обоих манометрах, впускная трубка теплая, а выпускная очень горячая?
-
Перейти к операции 25
Перейти к операции 23
23
  1. Повернуть ключ зажигания в положение блокировки.
  2. Убедиться в том, что муфта компрессора разъединена.
  3. Попытаться повернуть привод муфты (не шкив).
Можно ли свободно провернуть привод муфты рукой?
-
Перейти к операции 25
Перейти к операции 24
24
  1. Запустить двигатель.
  2. Наблюдать манометр на стороне низкого давления при оборотах двигателя между 3000 и 3800 об/мин.
Возрастает ли быстро давление на стороне низкого давления?
-
Перейти к операции 32
Перейти к операции 25
25
  1. Откачать хладагент из системы кондиционера.
  2. Заменить компрессор кондиционера.
  3. Вакуумировать и зарядить систему кондиционирования.
Нормально ли функционирует компрессор?
-
Перейти к операции 13
-
26
Проверить давление на стороне низкого давления.
Соответствует ли давление на стороне низкого давления указанному значению?
172-241 кПа (27-38 фунтов/кв. дюйм)
Перейти к операции 27
Перейти к операции 32
27
Пощупать трубку высокого давления, ведущую на соединительный блок расширительного клапана.
Холодная ли трубка перед соединительным блоком?
-
Перейти к операции 28
Перейти к операции 29
28
  1. Проверить наличие ограничений в трубке высокого давления перед расширительным клапаном.
  2. Отремонтировать или заменить трубку высокого давления.
Нормально ли функционирует трубка?
-
Перейти к операции 13
-
29
Дозаправить указанное количество хладагента в систему кондиционирования.
Улучшилось ли качество охлаждения?
0,40 кг (14 унций)
Перейти к операции 30
Перейти к операции 31
30
  1. Проверить систему кондиционирования на наличие утечек.
  2. При необходимости устранить утечку хладагента.
  3. Вакуумировать и зарядить систему кондиционирования.
  4. Проверить систему кондиционирования на наличие утечек.
Утечка в системе отсутствует?
-
Перейти к операции 13
-
31
  1. Откачать хладагент.
  2. Проверить наличие ограничений в расширительном клапане.
  3. При необходимости отремонтировать или заменить расширительный клапан.
  4. Вакуумировать и зарядить систему кондиционирования.
  5. Проверить систему кондиционирования на наличие утечек.
Утечка в системе отсутствует?
-
Перейти к операции 13
-
32
  1. Дать поработать двигателю 5 минут на оборотах 2000 об/мин.
  2. Установить органы управления кондиционером в следующие положения:
    • Выключатель кондиционера в положение on (ВКЛ).
    • Переключатель подачи свежего воздуха в положение рециркуляции (сигнальная лампа горит).
    • Переключатель вентилятора в положение 1.
    • Регулятор температуры на максимальное охлаждение.
  3. Закрыть все окна и двери автомобиля.
  4. Открыть капот автомобиля.
Соответствует ли давление на стороне низкого давления указанному значению?
172-241 кПа (25-35 фунтов/кв. дюйм)
Перейти к операции 13
Перейти к операции 33
33
  1. Откачать хладагент из системы кондиционера.
  2. Заменить управляющий клапан компрессора кондиционера.
  3. Вакуумировать и зарядить систему кондиционирования.
  4. Проверить систему кондиционирования на наличие утечек.
Утечка в системе отсутствует?
-
Перейти к операции 13
-

ДИАГНОСТИКА ПРИЗНАКОВ НЕИСПРАВНОСТЕЙ

Карта проверки давления (система r-134a)

Результаты проверки
Связанный признак
Вероятная причина
Устранение
Чрезмерно высокое давление на выпуске (сторона высокого давления)
После остановки компрессора давление быстро падает приблизительно до 299 кПа (28 фунтов/кв. дюйм), затем понижается медленно.
Наличие воздуха в системе.
Откачать, вакуумировать и зарядить систему указанным количеством хладагента.
Конденсатор чрезмерно горячий.
Излишек хладагента в системе.
Откачать, вакуумировать и зарядить систему указанным количеством хладагента.
Понижен или отсутствует поток воздуха через конденсатор.
Засорены ребра конденсатора или радиатора.
Очистить ребра конденсатора или радиатора.
.
Нарушение работы конденсатора или вентилятора радиатора.
  • Проверить напряжение питания и обороты вентилятора.
  • Проверить направление вращения вентилятора.
Трубка на конденсатор чрезмерно горячая.
Ограничен поток хладагента в системе.
Найти и устранить ограничение.
Давление на выпуске чрезмерно низкое
Конденсатор не горячий.
Недостаток хладагента в системе.
  • Проверить систему на наличие утечек.
  • Зарядить систему.
Высокое и низкое давление выравниваются вскоре после остановки компрессора.
Неисправен предохранительный клапан компрессора.
Отремонтировать или заменить компрессор.
Давление на стороне низкого давления ниже нормального.
Неисправно уплотнение компрессора.
.
Выпуск расширительного клапана не покрыт инеем, манометр низкого давления показывает вакуум.
Неисправен расширительный клапан.
Заменить расширительный клапан.
.
Влага в системе.
Откачать, вакуумировать и зарядить систему.
Давление на впуске (сторона низкого давления) чрезмерно низкое
Конденсатор не горячий.
Недостаток хладагента в системе.
Устранить утечку. Откачать, вакуумировать и зарядить систему.
Расширительный клапан не покрыт инеем, а трубка низкого давления не холодная.
Заморожен расширительный клапан.
Заменить расширительный клапан.
Манометр низкого давления показывает вакуум.
Неисправен расширительный клапан.
.
Температура на выпуске низкая, а поток воздуха из вентиляционных отверстий ограничен.
Испаритель заморожен.
Прочистить засоренный дренаж корпуса испарителя.
Расширительный клапан заморожен.
Засорен расширительный клапан.
Очистить или заменить расширительный клапан.
Выпуск ресивера-осушителя прохладный, а впуск теплый.
Засорен ресивер-осушитель.
Заменить ресивер-осушитель.
Давление всасывания чрезмерно высокое
Шланг низкого давления и контрольный соединитель холоднее, чем воздух вокруг испарителя.
Расширительный клапан открыт слишком долго.
Заменить расширительный клапан.
.
Ослабло соединение капиллярной трубки.
.
Давление всасывания понижается, когда конденсатор охлаждается водой.
Излишек хладагента в системе.
Откачать, вакуумировать и зарядить систему.
Высокое и низкое давление выравниваются, как только останавливается компрессор, а оба манометра колеблются, когда работает компрессор.
Дефект прокладки.
Отремонтировать или заменить компрессор.
.
Дефект клапана высокого давления.
.
.
В клапане высокого давления застряли посторонние частицы.
.
Чрезмерно высокое давление всасывания и выпуска
Пониженный поток воздуха через конденсатор.
Засорены ребра конденсатора или радиатора.
Очистить конденсатор и радиатор.
.
Нарушение работы вентиляторов охлаждения радиатора.
  • Проверить напряжение питания и обороты вентилятора радиатора.
  • Проверить направление вращения вентилятора.
Конденсатор чрезмерно горячий.
Излишек хладагента в системе.
Откачать, вакуумировать и зарядить систему.
Чрезмерно низкое давление всасывания и выпуска
Шланг низкого давления и металлические детали холоднее, чем испаритель.
Засорен или перегнут шланг низкого давления.
Отремонтировать или заменить шланг низкого давления.
Температура вокруг расширительного клапана ниже, чем вокруг ресивера-осушителя.
Засорена линия высокого давления.
Отремонтировать или заменить трубку высокого давления.
Утечка хладагента
Загрязнение муфты компрессора.
Утечка в уплотнении вала компрессора.
Отремонтировать или заменить компрессор.
Загрязнение болтов компрессора.
Утечка вокруг болта корпуса компрессора.
Затянуть болты или заменить компрессор.
Замаслена прокладка компрессора.
Утечка в прокладке компрессора.
Отремонтировать или заменить компрессор.

Схема зависимости давления на стороне всасывания и на стороне нагнетания


T3B17B82
Показать иллюстрациюПеревод текста в иллюстрациях




На предыдущую страницу На следующую страницу
https://vnx.su/ 🛠 Руководства по ремонту и эксплуатации для автомобилей

Поиск по сайту

Остались вопросы или пожелания? Пишите на почту: support@vnx.su

Карта Сайта