К началу документа
Epica
На предыдущую страницуНа следующую страницу
Главная страница GMDEЗагрузить нединамическое оглавлениеЗагрузить динамическое оглавлениеПомощь

L7B11F14
Показать иллюстрациюПеревод текста в иллюстрациях


Диагностический код неисправности p0057

Цепь управления нагревателем датчика ho2s, ряд цилиндров 2, датчик 2, низкое напряжение

Описание схемы

DTC P0057 контролирует ток в цепи нагревателя датчика HO2S. Питание на нагреватель подается через выключатель зажигания и заземляется через схему управления нагревателем контроллера ЭСУД. Контроллер ЭСУД включает нагреватель, заземляя цепь управления нагревателем. Для точного измерения содержания кислорода в отработавших газах датчик HO2S должен находиться при рабочей температуре. Нагреватель позволяет быстро достичь рабочей температуры датчика HO2S.

Условия установки кода неисправности.

Действия, выполняемые при установке кода неисправности

Условия очистки кода неисправности/индикации неисправности

Диагностическая информация

Непостоянная неисправность может быть вызвана неполадкой в электрической цепи датчика HO2S. Проверить, нет ли перемежающихся сбоев в жгуте проводов или отдельных компонентах. См. "Непостоянные неисправности".
Если диагностический код неисправности Р0057 не удается повторить, то для определения условий, которые привели к первому появлению кода неисправности, полезно проанализировать информацию, содержащуюся в буфере записей состояния.

dtc p0057 - Цепь управления нагревателем датчика ho2s, ряд цилиндров 2, датчик 2, низкое напряжение

ШагОперацияЗначенияДаНет
1
Провести проверку системы диагностики.
Проверка системы завершена?
-
Перейти к операции 2
Перейти к пункту "Проверка диагностической системы".
2
  1. Выключить зажигание.
  2. Отсоединить электрический разъем датчика ho2s.
  3. Включить зажигание при неработающем двигателе.
  4. Подключенной к массе контрольной лампой проверить цепь выключателя зажигания нагревателя ho2s на разъеме со стороны жгута.
Контрольная лампа горит?
-
Перейти к операции 3
Перейти к операции 7
3
  1. Измерить электрическое сопротивление нагревательного элемента датчика ho2s.
  2. Подключить цифровой вольтметр к клеммам 2 и 4 разъема датчика ho2s со стороны датчика.
Находится ли сопротивление нагревателя датчика ho2s в пределах установленного значения?
4.5~5.7 Ом
Перейти к операции 4
Перейти к операции 9
4
  1. Подключить контрольную лампу между b+ и стороной контроллера ЭСУД цепи управления нагревателем датчика HO2S.
  2. Запустите двигатель.
Горит ли контрольная лампа только при работающем двигателе?
-
Перейти к "Диагностическая информация"
Перейти к операции 5
5
  1. Выключить зажигание.
  2. Присоединить электрический разъем ho2s.
  3. Отсоединить электрический разъём контроллера ЭСУД.
  4. Включить зажигание при неработающем двигателе.
  5. Измерить со стороны жгута напряжение цепи управления нагревателем ho2s у контроллера ЭСУД.
Напряжение выше указанного?
10 В
Перейти к операции 8
Перейти к операции 6
6
Устранить разрыв цепи или короткое замыкание на массу в цепи управления нагревателем ho2s.
Ремонт завершен?
-
Перейти к операции 11
-
7
Устранить разрыв в цепи положительного напряжения зажигания.
Ремонт завершен?
-
Перейти к операции 11
-
8
  1. Проверить на плохой контакт в разъемах контроллера ЭСУД и датчика ho2s.
  2. При необходимости отремонтировать.
Потребовался ли ремонт?
-
Перейти к операции 11
Перейти к операции 10
9
Заменить диагностический датчик кислорода ho2s.
Замена произведена?
-
Перейти к операции 11
-
10
Заменить контроллер ЭСУД.
Замена произведена?
-
Перейти к операции 11
-
11
  1. Запустите двигатель.
  2. Совершить поездку для установки кодов неисправности, как указано во вспомогательном тексте.
Диагностический код неисправности возникает и проходит?
-
Перейти к операции 12
Перейти к операции 2
12
Сканирующим прибором считать сохраненную информацию.
На сканирующем приборе отображаются какие-либо диагностические коды неисправности, которые вы не продиагностировали?
-
Перейти к соответствующей таблице диагностических кодов неисправности
Система в норме

L7B11F14
Показать иллюстрациюПеревод текста в иллюстрациях


Диагностический код неисправности p0058

Цепь управления нагревателем датчика ho2s, ряд цилиндров 2, датчик 2, высокое напряжение

Описание схемы

DTC P0058 контролирует ток в цепи нагревателя датчика HO2S. Питание на нагреватель подается через выключатель зажигания и заземляется через схему управления нагревателем контроллера ЭСУД. Контроллер ЭСУД включает нагреватель, заземляя цепь управления нагревателем. Для точного измерения содержания кислорода в отработавших газах датчик HO2S должен находиться при рабочей температуре. Нагреватель позволяет быстро достичь рабочей температуры датчика HO2S.

Условия установки кода неисправности.

Действия, выполняемые при установке кода неисправности

Условия очистки кода неисправности/индикации неисправности

Диагностическая информация

Непостоянная неисправность может быть вызвана неполадкой в электрической цепи датчика HO2S. Проверить, нет ли перемежающихся сбоев в жгуте проводов или отдельных компонентах. См. "Непостоянные неисправности".
Если диагностический код неисправности Р0058 не удается повторить, то для определения условий, которые привели к первому появлению кода неисправности, полезно проанализировать информацию, содержащуюся в буфере записей состояния.

dtc p0058 - Цепь управления нагревателем датчика ho2s, ряд цилиндров 2, датчик 2, высокое напряжение

ШагОперацияЗначенияДаНет
1
Провести проверку системы диагностики.
Проверка системы завершена?
-
Перейти к операции 2
Перейти к пункту "Проверка диагностической системы".
2
  1. Измерить электрическое сопротивление нагревательного элемента датчика ho2s.
  2. Подключить цифровой вольтметр к клеммам 2 и 4 разъема датчика ho2s со стороны датчика.
Находится ли сопротивление нагревателя датчика ho2s в пределах установленного значения?
4.5~5.7 Ом
Перейти к операции 3
Перейти к операции 5
3
  1. Выключить зажигание.
  2. Отсоединить электрические разъемы датчика ho2s и контроллера ЭСУД.
  3. Включить зажигание при неработающем двигателе.
  4. Проверить цепь управления нагревателем между ho2s и контроллером ЭСУД на короткое замыкание на напряжение питания. При необходимости отремонтировать.
Потребовался ли ремонт?
-
Перейти к операции 7
Перейти к операции 4
4
  1. Включить зажигание при неработающем двигателе.
  2. Используя сканирующий прибор, обнулить код неисправности.
  3. Совершить поездку согласно записанным в буфере записей состояний условиям.
Код dtc устанавливается вновь?
-
Перейти к операции 6
Перейти к "Диагностическая информация"
5
Заменить диагностический датчик кислорода ho2s.
Замена произведена?
-
Перейти к операции 7
-
6
Заменить контроллер ЭСУД.
Замена произведена?
-
Перейти к операции 7
-
7
  1. Запустите двигатель.
  2. Совершить поездку для установки кодов неисправности, как указано во вспомогательном тексте.
Диагностический код неисправности возникает и проходит?
-
Перейти к операции 8
Перейти к операции 2
8
Сканирующим прибором считать сохраненную информацию.
На сканирующем приборе отображаются какие-либо диагностические коды неисправности, которые вы не продиагностировали?
-
Перейти к соответствующей таблице диагностических кодов неисправности
Система в норме

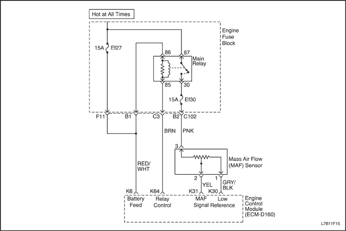
L7B11F15
Показать иллюстрациюПеревод текста в иллюстрациях


Диагностический код неисправности p0101

Работоспособность датчика массового расхода воздуха (maf)

Описание схемы

DTC P0101 проверяет точность сигнала датчика массового расхода воздуха. Датчик массового расхода воздуха измеряет количество воздуха, проходящего через датчик в единицу времени. Контроллер электронной системы управления двигателем (ЭСУД) на основании этой информации определяет режим работы двигателя для регулировки подачи топлива. Контроллер ЭСУД вычисляет потребность двигателя в топливе, контролируя ток, поступающий по сигнальному проводу от датчика массового расхода воздуха. Когда расход воздуха, проходящего через датчик, увеличивается, соответственно увеличивается ток, поступающий с датчика на контроллер ЭСУД. Когда расход воздуха уменьшается, ток, поступающий на контроллер ЭСУД, также уменьшается.

Условия установки кода неисправности.

Действия, выполняемые при установке кода неисправности

Условия очистки кода неисправности/индикации неисправности

Диагностическая информация

Проверить на наличие одного из следующих состояний:
Непостоянная неисправность может быть вызвана неполадкой в электрической цепи датчика массового расхода воздуха. Проверить, нет ли периодически возникающих неполадок в жгуте проводов или отдельных компонентах.
Если диагностический код неисправности Р0101 не удается повторить, то для определения условий, которые привели к первому появлению кода неисправности, полезно проанализировать информацию, содержащуюся в буфере записей состояния.

dtc p0101 - Работоспособность датчика массового расхода воздуха (maf)

ШагОперацияЗначенияДаНет
1
Провести проверку системы диагностики.
Проверка системы завершена?
-
Перейти к операции 2
Перейти к пункту "Проверка диагностической системы".
2
  1. Проверить на наличие одного из следующих состояний:
    • Засорение входного сетчатого фильтра датчика массового расхода воздуха посторонними предметами.
    • Утечка вакуума во впускном коллекторе.
    • Утечка вакуума через корпус дроссельной заслонки.
    • Утечки в клапанах системы рециркуляции отработавших газов.
    • Неисправный, отсутствующий или неправильно установленный клапан принудительной вентиляции картера (pcv).
  2. При необходимости отремонтировать.
Потребовался ли ремонт?
-
Перейти к операции 13
Перейти к операции 3
3
  1. Включить зажигание при неработающем двигателе.
  2. Используя сканирующий прибор, обнулите код неисправности.
  3. Совершить поездку согласно условиям буфера записей состояний, как указано.
Устанавливается ли код Р0101?
-
Перейти к операции 4
Перейти к "Диагностическая информация"
4
  1. Выключить зажигание.
  2. Отсоединить электрический разъем датчика массового расхода воздуха.
  3. Включить зажигание при неработающем двигателе.
  4. Подключенной к массе контрольной лампой проверить цепь от выключателя зажигания на разъеме жгута датчика массового расхода воздуха.
Контрольная лампа загорелась?
-
Перейти к операции 5
Перейти к операции 9
5
Включить контрольную лампу между цепью питания датчика массового расхода воздуха от выключателя зажигания и массой на разъеме жгута датчика массового расхода воздуха.
Контрольная лампа загорелась?
-
Перейти к операции 6
Перейти к операции 10
6
  1. Выключить зажигание.
  2. Присоединить разъем датчика массового расхода воздуха.
  3. Запустите двигатель.
  4. Цифровым вольтметром измерить сигнал в цепи датчика массового расхода воздуха у контроллера ЭСУД.
  5. Измерять напряжение при холостом ходе двигателя.
Напряжение в пределах указанного?
0.5~1.0 В
Перейти к операции 7
Перейти к операции 8
7
  1. Проверить, нет ли плохого контакта в разъемах датчика массового расхода воздуха и контроллера ЭСУД.
  2. При необходимости отремонтировать.
Потребовался ли ремонт?
-
Перейти к операции 13
Перейти к операции 12
8
  1. Проверить сигнальную цепь датчика массового расхода воздуха на следующие ситуации:
    • Разрыв цепи между контроллером ЭСУД и датчиком массового расхода воздуха.
    • Короткое замыкание между контроллером ЭСУД и датчиком массового расхода воздуха.
    • Плохой контакт у датчика массового расхода воздуха.
  2. При необходимости отремонтировать.
Потребовался ли ремонт?
-
Перейти к операции 13
Перейти к операции 11
9
Найти и отремонтировать разрыв цепи от выключателя зажигания до датчика массового расхода воздуха.
Закончен ли ремонт?
-
Перейти к операции 13
-
10
Найти и отремонтировать разрыв цепи от массы до датчика массового расхода воздуха.
Закончен ли ремонт?
-
Перейти к операции 13
-
11
Заменить датчик массового расхода воздуха.
Замена закончена?
-
Перейти к операции 13
-
12
Заменить контроллер ЭСУД.
Замена закончена?
-
Перейти к операции 13
-
13
  1. Запустите двигатель.
  2. Совершить поездку для установки кодов неисправности, как указано во вспомогательном тексте.
Диагностический код неисправности возникает и проходит?
-
Перейти к операции 14
Перейти к операции 2
14
Сканирующим прибором считать сохраненную информацию.
На сканирующем приборе отображаются какие-либо диагностические коды неисправности, которые вы не продиагностировали?
-
Перейти к соответствующей таблице диагностических кодов неисправности
Система в норме

L7B11F15
Показать иллюстрациюПеревод текста в иллюстрациях


Диагностический код неисправности p0102

Цепь датчика массового расхода воздуха (maf), низкая частота

Описание схемы

DTC P0102 проверяет сигнал датчика массового расхода воздуха. Датчик массового расхода воздуха измеряет количество воздуха, проходящего через датчик в единицу времени. Контроллер электронной системы управления двигателем (ЭСУД) на основании этой информации определяет режим работы двигателя для регулировки подачи топлива. Контроллер ЭСУД вычисляет потребность двигателя в топливе, контролируя ток, поступающий по сигнальному проводу от датчика массового расхода воздуха. Когда расход воздуха, проходящего через датчик, увеличивается, соответственно увеличивается ток, поступающий с датчика на контроллер ЭСУД. Когда расход воздуха уменьшается, ток, поступающий на контроллер ЭСУД, также уменьшается.

Условия установки кода неисправности.

Действия, выполняемые при установке кода неисправности

Условия очистки кода неисправности/индикации неисправности

Диагностическая информация

Проверить на наличие одного из следующих состояний:
Непостоянная неисправность может быть вызвана неполадкой в электрической цепи датчика массового расхода воздуха. Проверить, нет ли периодически возникающих неполадок в жгуте проводов или отдельных компонентах.
Если диагностический код неисправности Р0102 не удается повторить, то для определения условий, которые привели к первому появлению кода неисправности, полезно проанализировать информацию, содержащуюся в буфере записей состояния.

dtc p0102 - Цепь датчика массового расхода воздуха (maf), низкая частота

ШагОперацияЗначенияДаНет
1
Провести проверку системы диагностики.
Проверка системы завершена?
-
Перейти к операции 2
Перейти к пункту "Проверка диагностической системы".
2
  1. Запустите двигатель.
  2. Установите диагностический прибор.
  3. При закрытой дроссельной заслонке выбрать на сканирующем приборе параметр датчика массового расхода воздуха (maf).
Находится ли параметр maf в указанных пределах?
90~130 mg/stk
Перейти к операции 3
Перейти к операции 4
3
  1. С помощью сканирующего прибора обнулить диагностические коды неисправности.
  2. Выключить зажигание на 30 секунд.
  3. Запустите двигатель.
  4. Провести эксплуатацию автомобиля в режиме, вызвавшем появление dtc, как указано в сопроводительном тексте, или до запуска диагностики dtc.
Диагностический код неисправности возникает и проходит?
-
Перейти к операции 4
Перейти к "Диагностическая информация"
4
  1. Выключить зажигание.
  2. Отсоединить разъем датчика массового расхода воздуха.
  3. Включить зажигание при неработающем двигателе.
  4. С помощью цифрового вольтметра, подключенного к массе, измерить напряжение на цепи от выключателя зажигания к датчику массового расхода воздуха.
Уровень сигнала близок к установленному значению?
В+
Перейти к операции 5
Перейти к операции 6
5
  1. Выключить зажигание.
  2. Присоединить разъем датчика массового расхода воздуха.
  3. Запустите двигатель.
  4. Цифровым вольтметром измерить сигнал в цепи датчика массового расхода воздуха у контроллера ЭСУД.
  5. Измерять напряжение при холостом ходе двигателя.
Напряжение в пределах указанного?
0.5~1.0 В
Перейти к операции 9
Перейти к операции 7
6
Устранить разрыв цепи или короткое замыкание в цепи от выключателя зажигания к датчику массового расхода воздуха.
Закончен ли ремонт?
-
Перейти к операции 10
-
7
  1. Проверить сигнальную цепь датчика массового расхода воздуха на следующие ситуации:
    • Разрыв цепи между контроллером ЭСУД и датчиком массового расхода воздуха.
    • Короткое замыкание между контроллером ЭСУД и датчиком массового расхода воздуха.
    • Плохой контакт у датчика массового расхода воздуха.
  2. При необходимости отремонтировать.
Потребовался ли ремонт?
-
Перейти к операции 10
Перейти к операции 8
8
Заменить датчик массового расхода воздуха.
Замена закончена?
-
Перейти к операции 10
-
9
Заменить контроллер ЭСУД.
Замена закончена?
-
Перейти к операции 10
-
10
  1. Запустите двигатель.
  2. Провести эксплуатацию автомобиля в режиме, вызвавшем появление dtc, как указано в сопроводительном тексте, или до запуска диагностического теста dtc.
Диагностический код неисправности возникает и проходит?
-
Перейти к операции 11
Перейти к операции 2
11
Сканирующим прибором считать сохраненную информацию.
На сканирующем приборе отображаются какие-либо диагностические коды неисправности, которые вы не продиагностировали?
-
Перейти к соответствующей таблице диагностических кодов неисправности
Система в норме

L7B11F15
Показать иллюстрациюПеревод текста в иллюстрациях


Диагностический код неисправности p0103

Цепь датчика массового расхода воздуха (maf), высокая частота

Описание схемы

DTC P0103 проверяет сигнал датчика массового расхода воздуха. Датчик массового расхода воздуха измеряет количество воздуха, проходящего через датчик в единицу времени. Контроллер электронной системы управления двигателем (ЭСУД) на основании этой информации определяет режим работы двигателя для регулировки подачи топлива. Контроллер ЭСУД вычисляет потребность двигателя в топливе, контролируя ток, поступающий по сигнальному проводу от датчика массового расхода воздуха. Когда расход воздуха, проходящего через датчик, увеличивается, соответственно увеличивается ток, поступающий с датчика на контроллер ЭСУД. Когда расход воздуха уменьшается, ток, поступающий на контроллер ЭСУД, также уменьшается.

Условия установки кода неисправности.

Действия, выполняемые при установке кода неисправности

Условия очистки кода неисправности/индикации неисправности

Диагностическая информация

Проверить на наличие одного из следующих состояний:
Непостоянная неисправность может быть вызвана неполадкой в электрической цепи датчика массового расхода воздуха. Проверить, нет ли периодически возникающих неполадок в жгуте проводов или отдельных компонентах.
Если диагностический код неисправности Р0103 не удается повторить, то для определения условий, которые привели к первому появлению кода неисправности, полезно проанализировать информацию, содержащуюся в буфере записей состояния.

dtc p0103 - Цепь датчика массового расхода воздуха (maf), высокая частота

ШагОперацияЗначенияДаНет
1
Провести проверку системы диагностики.
Проверка системы завершена?
-
Перейти к операции 2
Перейти к пункту "Проверка диагностической системы".
2
  1. Запустите двигатель.
  2. Установите диагностический прибор.
  3. При закрытой дроссельной заслонке выбрать на сканирующем приборе параметр датчика массового расхода воздуха (maf).
Находится ли параметр maf в указанных пределах?
90~130 mg/stk
Перейти к операции 4
Перейти к операции 3
3
  1. Включить зажигание при неработающем двигателе.
  2. Используя сканирующий прибор, обнулите код неисправности.
  3. Совершить поездку согласно условиям буфера записей состояний, как указано.
Диагностический код неисправности установлен?
-
Перейти к операции 4
Перейти к "Диагностическая информация"
4
  1. Запустите двигатель.
  2. Цифровым вольтметром, подключенным к массе, проверить сигнал датчика массового расхода воздуха на контроллере ЭСУД.
  3. Измерять напряжение при холостом ходе двигателя.
Напряжение в пределах указанного?
0.5~1.0 В
Перейти к операции 5
Перейти к операции 6
5
  1. Оставить цифровой вольтметр подключенным.
  2. Запустите двигатель.
  3. Измерить напряжение при кратковременном увеличении оборотов двигателя примерно до 4000 об./мин.
Увеличивается ли напряжение приблизительно до указанного значения, когда обороты двигателя увеличиваются?
2,5 В
Перейти к операции 10
Перейти к операции 11
6
  1. Выключить зажигание.
  2. Отсоединить электрический разъем датчика массового расхода воздуха.
  3. Проверить цепь массы датчика массового расхода воздуха контрольной лампой, подключенной к b+.
Контрольная лампа загорелась?
-
Перейти к операции 7
Перейти к операции 8
7
  1. Проверить, нет ли плохого контакта в разъемах датчика массового расхода воздуха и контроллера ЭСУД.
  2. При необходимости отремонтировать.
Потребовался ли ремонт?
-
Перейти к операции 12
Перейти к операции 9
8
Устранить разрыв в цепи массы датчика массового расхода воздуха.
Закончен ли ремонт?
-
Перейти к операции 12
-
9
  1. Проверить на короткое замыкание сигнальную цепь датчика массового расхода воздуха.
  2. При необходимости отремонтировать.
Потребовался ли ремонт?
-
Перейти к операции 12
Перейти к операции 11
10
Заменить контроллер ЭСУД.
Замена закончена?
-
Перейти к операции 12
-
11
Заменить датчик массового расхода воздуха.
Замена закончена?
-
Перейти к операции 12
-
12
  1. Запустите двигатель.
  2. Провести эксплуатацию автомобиля в режиме, вызвавшем появление dtc, как указано в сопроводительном тексте, или до запуска диагностического теста dtc.
Диагностический код неисправности возникает и проходит?
-
Перейти к операции 13
Перейти к операции 2
13
Сканирующим прибором считать сохраненную информацию.
На сканирующем приборе отображаются какие-либо диагностические коды неисправности, которые вы не продиагностировали?
-
Перейти к соответствующей таблице диагностических кодов неисправности
Система в норме

L7B11F10
Показать иллюстрациюПеревод текста в иллюстрациях


Диагностический код неисправности p0107

Цепь датчика абсолютного давления в коллекторе (МАР), низкий уровень сигнала

Описание схемы

Контроллер электронной системы управления двигателем (ЭСУД) использует датчик абсолютного давления в коллекторе (МАР) для управления подачей топлива и моментом зажигания. Датчик MAP измеряет изменения давления во впускном коллекторе, связанные с изменением нагрузки на двигатель (разряжение во впускном коллекторе) и изменением частоты вращения и конвертирует эти изменения в выходные сигналы. Контроллер ЭСУД подает контрольный сигнал 5 В на датчик МАР. При изменении давления коллектора выходной сигнал датчика MAP также изменяется. Контролируя выходные сигналы датчика МАР, контроллер ЭСУД определяет давление в коллекторе. Выходной сигнал низкого давления (низкий уровень сигнала) будет составлять примерно 1,1 - 1,5 В на холостом ходу, в то время как выходной сигнал высокого давления (высокий уровень сигнала) будет составлять примерно 4,5 - 5,0 В при полностью открытой дроссельной заслонке (WOT). Датчик МАР показывает барометрическое давление, позволяя контроллеру ЭСУД производить корректировку для различных высот.

Условия установки кода неисправности.

Действия, выполняемые при установке кода неисправности

Условия очистки кода неисправности/индикации неисправности

Диагностическая информация

При включенном зажигании и остановленном двигателе, давление в коллекторе равно атмосферному и напряжение сигнала высокое.
Контроллер ЭСУД использует эту информацию как показатель высоты. Сравнение этого показателя с показателем того же датчика на исправном автомобиле позволяет проверить точность сомнительного датчика. Показания должны быть одинаковыми ± 0,4 В.
Если DTC P0107 неустойчив, см. "Проверка абсолютного давления в коллекторе" в этом разделе для последующей диагностики.
Если соединения в норме, обратить внимание на уровень сигнала датчика абсолютного давления в коллекторе, двигая соответствующие разъемы и жгуты проводов. Если неисправность имеется, показания сканирующего прибора изменятся. Это поможет локализовать место неустойчивой неисправности.

dtc p0107 - Цепь датчика абсолютного давления в коллекторе (МАР), низкий уровень сигнала

ШагОперацияЗначенияДаНет
1
Провести проверку системы диагностики.
Проверка системы завершена?
-
Перейти к операции 2
Перейти к пункту "Проверка диагностической системы".
2
  1. Подключить сканирующий прибор к колодке диагностики.
  2. Поверните ключ зажигания в положение on.
Сканирующий прибор показывает уровень сигнала датчика абсолютного давления в коллекторе ниже установленного значения?
4,1 В
Перейти к операции 3
Перейти к операции 4
3
  1. Отсоединить вакуумную линию от датчика map.
  2. Приложить к датчику МАР разрежение 60 кПа (17,7 дюймов рт.ст.).
Сканирующий прибор показывает уровень сигнала датчика абсолютного давления в коллекторе в пределах установленного значения?
1,0-1,5 В
Перейти к "Диагностическая информация"
Перейти к операции 4
4
  1. Поверните замок зажигание в положение lock.
  2. Отсоединить разъем датчика МАР.
  3. Поверните ключ зажигания в положение on.
  4. Измерить уровень сигнала между клеммами А и С разъема датчика map.
Измеренный уровень сигнала в пределах установленного значения?
4,5-5,5 В
Перейти к операции 5
Перейти к операции 6
5
Присоединить предохранительную перемычку между клеммами В и С разъема датчика map.
Сканирующий прибор показывает уровень сигнала датчика абсолютного давления в коллекторе выше установленного значения?
4,5 В
Перейти к операции 13
Перейти к операции 11
6
Измерить уровень сигнала между клеммой А разъема датчика map и массой.
Измеренный уровень сигнала в пределах установленного значения?
4,5-5,5 В
Перейти к операции 7
Перейти к операции 8
7
  1. Поверните замок зажигание в положение lock.
  2. Проверить обрыв цепи между клеммой А разъема датчика map и клеммой a13 разъема контроллера ЭСУД.
Неисправность обнаружена?
-
Перейти к операции 8
Перейти к операции 9
8
  1. Отремонтировать провод или клемму разъема между клеммой a разъема датчика map и клеммой a13 разъема контроллера ЭСУД.
  2. Используя сканирующий прибор, очистить диагностические коды неисправностей.
  3. Провести проверку системы диагностики.
Закончен ли ремонт?
-
Система в норме
-
9
  1. Поверните замок зажигание в положение lock.
  2. Проверить на наличие обрыва или замыкания на массу в проводе между клеммой c разъема датчика map и клеммой К48 разъема контроллера ЭСУД.
Проблема найдена?
-
Перейти к операции 10
Перейти к операции 11
10
  1. Отремонтировать провод или клемму разъема, если необходимо.
  2. Очистить все диагностические коды неисправности в контроллере ЭСУД.
  3. Провести проверку системы диагностики.
Закончен ли ремонт?
-
Система в норме
-
11
Проверить на наличие обрыва или замыкания на массу в проводе между клеммой b разъема датчика map и клеммой a14 разъема контроллера ЭСУД.
Проблема найдена?
-
Перейти к операции 12
Перейти к операции 14
12
  1. Отремонтировать провод или клемму разъема между клеммой b разъема датчика map и клеммой a14 разъема контроллера ЭСУД.
  2. Используя сканирующий прибор, очистить диагностические коды неисправностей.
  3. Провести проверку системы диагностики.
Закончен ли ремонт?
-
Система в норме
-
13
  1. Заменить датчик map.
  2. Используя сканирующий прибор, очистить диагностические коды неисправностей.
  3. Провести проверку системы диагностики.
Закончен ли ремонт?
-
Система в норме
-
14
  1. Поверните замок зажигание в положение lock.
  2. Заменить контроллер ЭСУД.
  3. Провести проверку системы диагностики.
Закончен ли ремонт?
-
Система в норме
-

L7B11F10
Показать иллюстрациюПеревод текста в иллюстрациях


Диагностический код неисправности p0108

Цепь датчика абсолютного давления в коллекторе (МАР), высокий уровень сигнала

Описание схемы

Контроллер электронной системы управления двигателем (ЭСУД) использует датчик абсолютного давления в коллекторе (МАР) для управления подачей топлива и моментом зажигания. Датчик MAP измеряет изменения давления во впускном коллекторе, связанные с изменением нагрузки на двигатель (разряжение во впускном коллекторе) и изменением частоты вращения и конвертирует эти изменения в выходные сигналы. Контроллер ЭСУД подает контрольный сигнал 5 В на датчик МАР. При изменении давления коллектора выходной сигнал датчика MAP также изменяется. Контролируя выходные сигналы датчика МАР, контроллер ЭСУД определяет давление в коллекторе. Выходной сигнал низкого давления (низкий уровень сигнала) будет составлять примерно 1,1 - 1,5 В на холостом ходу, в то время как выходной сигнал высокого давления (высокий уровень сигнала) будет составлять примерно 4,5 - 5,0 В при полностью открытой дроссельной заслонке (WOT). Датчик МАР показывает барометрическое давление, позволяя контроллеру ЭСУД производить корректировку для различных высот.

Условия установки кода неисправности.

Действия, выполняемые при установке кода неисправности

Условия очистки кода неисправности/индикации неисправности

Диагностическая информация

При включенном зажигании и остановленном двигателе, давление в коллекторе равно атмосферному и напряжение сигнала высокое.
Контроллер ЭСУД использует эту информацию как показатель высоты. Сравнение этого показателя с показателем того же датчика на исправном автомобиле позволяет проверить точность сомнительного датчика. Показания должны быть одинаковыми ± 0,4 В.
Если DTC P0108 неустойчив, см. "Проверка абсолютного давления в коллекторе" в этом разделе для последующей диагностики.
Если соединения в норме, обратить внимание на уровень сигнала датчика абсолютного давления в коллекторе, двигая соответствующие разъемы и жгуты проводов. Если неисправность имеется, показания сканирующего прибора изменятся. Это поможет локализовать место неустойчивой неисправности.

dtc p0108 - Цепь датчика абсолютного давления в коллекторе (МАР), высокий уровень сигнала

ШагОперацияЗначенияДаНет
1
Провести проверку системы диагностики.
Проверка системы завершена?
-
Перейти к операции 2
Перейти к пункту "Проверка диагностической системы".
2
Проверить наличие трещин, утечек вакуума или засора в вакуумной линии датчика map.
Неисправность обнаружена?
-
Перейти к операции 3
Перейти к операции 4
3
  1. Отремонтировать или заменить вакуумную линию датчика map.
  2. Провести дорожное испытание.
  3. Провести проверку системы диагностики.
Закончен ли ремонт?
-
Система в норме
-
4
  1. Подключить сканирующий прибор к колодке диагностики (dlc).
  2. Поверните ключ зажигания в положение on.
  3. Сканирующий прибор показывает уровень сигнала датчика абсолютного давления в коллекторе ниже установленного значения?
4,1 В
Перейти к операции 5
Перейти к операции 6
5
  1. Отсоединить вакуумную линию от датчика map.
  2. Приложить к датчику МАР разрежение 60 кПа (17,7 дюймов ртутного столба).
Сканирующий прибор показывает уровень сигнала датчика абсолютного давления в коллекторе в установленных пределах?
1,1~1,5 В
Перейти к "Диагностическая информация"
Перейти к операции 6
6
  1. Поверните замок зажигание в положение lock.
  2. Отсоединить разъем датчика МАР.
  3. Поверните ключ зажигания в положение on.
  4. Измерить напряжение между клеммами a и c датчика map.
Напряжение в указанных пределах?
4,5~5,5 В
Перейти к операции 7
Перейти к операции 8
7
Присоединить перемычку с предохранителем между клеммами В и С разъема датчика map.
Сканирующий прибор показывает уровень сигнала датчика абсолютного давления в коллекторе выше установленного значения?
4,5 В
Перейти к операции 15
Перейти к операции 13
8
Измерить уровень сигнала между клеммой c разъема датчика map и массой.
Напряжение в указанных пределах?
4,5~5,5 В
Перейти к операции 9
Перейти к операции 11
9
Проверить на короткое замыкание цепь между клеммой А разъема датчика map и клеммой a13 разъема контроллера ЭСУД.
Неисправность обнаружена?
-
Перейти к операции 10
Перейти к операции 11
10
  1. Отремонтировать провод или клемму разъема между клеммой a разъема датчика map и клеммой a13 разъема контроллера ЭСУД.
  2. Используя сканирующий прибор, очистить диагностические коды неисправностей.
  3. Провести проверку системы диагностики.
Закончен ли ремонт?
-
Система в норме
-
11
Проверить на короткое замыкание провод между клеммой c разъема датчика map и клеммой k48 разъема контроллера ЭСУД.
Неисправность обнаружена?
-
Перейти к операции 12
Перейти к операции 13
12
  1. Отремонтировать провод или клемму разъема между клеммой c разъема датчика map и клеммой k48 разъема контроллера ЭСУД.
  2. Используя сканирующий прибор, очистить диагностические коды неисправностей.
  3. Провести проверку системы диагностики.
Закончен ли ремонт?
-
Система в норме
-
13
Проверить на короткое замыкание провод между клеммой b разъема датчика map и клеммой a14 разъема контроллера ЭСУД.
Неисправность обнаружена?
-
Перейти к операции 14
Перейти к операции 16
14
  1. Отремонтировать провод или клемму разъема между клеммой b разъема датчика map и клеммой a14 разъема контроллера ЭСУД.
  2. Используя сканирующий прибор, очистить диагностические коды неисправностей.
  3. Провести проверку системы диагностики.
Закончен ли ремонт?
-
Система в норме
-
15
  1. Заменить датчик map.
  2. Используя сканирующий прибор, очистить диагностические коды неисправностей.
  3. Провести проверку системы диагностики.
Закончен ли ремонт?
-
Система в норме
-
16
  1. Поверните замок зажигание в положение lock.
  2. Заменить контроллер ЭСУД.
  3. Провести проверку системы диагностики.
Закончен ли ремонт?
-
Система в норме
-

L7B11F16
Показать иллюстрациюПеревод текста в иллюстрациях


Диагностический код неисправности p0112

Цепь датчика температуры воздуха на впуске, низкий уровень сигнала

Описание схемы

Датчик температуры впускного воздуха (IAT) использует термистор для управления уровнем сигнала на контроллер ЭСУД. Контроллер электронной системы управления двигателем (ЭСУД) подает контрольный сигнал 5 В и сигнал массы на датчик. При холодном воздухе сопротивление высоко, поэтому сигнал датчика температуры впускного воздуха будет высоким. При теплом впускном воздухе сопротивление низкое, поэтому сигнал датчика температуры впускного воздуха будет низким.

Условия установки кода неисправности.

Действия, выполняемые при установке кода неисправности

Условия очистки кода неисправности/индикации неисправности

Диагностическая информация

Если автомобиль имеет температуру окружающей среды, сравнить показания датчика IAT с показаниями датчика температуры охлаждающей жидкости (ЕСТ). Показания датчиков IAT и ЕСТ должны быть относительно близки друг к другу. Использовать значения таблицы зависимости сопротивления от температуры для определения неверно работающего датчика. См. "Зависимость сопротивления от температуры" в этом разделе.

dtc Р0112 - Цепь датчика температуры воздуха на впуске, низкий уровень сигнала

ШагОперацияЗначенияДаНет
1
Провести проверку системы диагностики.
Проверка системы завершена?
-
Перейти к операции 2
Перейти к пункту "Проверка диагностической системы".
2
  1. Подключить сканирующий прибор к колодке диагностики.
  2. Запустить двигатель и дать ему нагреться до рабочей температуры.
Сканирующий прибор показывает уровень сигнала датчика iat в пределах установленного значения?
20~80°С (68~176°f)
Перейти к "Диагностическая информация"
Перейти к операции 3
3
  1. Поверните замок зажигание в положение lock.
  2. Отсоединить разъем датчика iat.
  3. Поверните ключ зажигания в положение on.
Сканирующий прибор показывает уровень сигнала датчика iat ниже установленного значения?
-30°С (-22°f)
Перейти к операции 4
Перейти к операции 5
4
  1. Соединить перемычкой клеммы 2 и 1 разъема датчика iat.
  2. Поверните ключ зажигания в положение on.
Сканирующий прибор показывает уровень сигнала датчика iat выше установленного значения?
120°С (248°f)
Перейти к операции 5
Перейти к операции 6
5
  1. Заменить датчик iat.
  2. Используя сканирующий прибор, очистить диагностические коды неисправностей.
  3. Провести проверку системы диагностики.
Закончен ли ремонт?
-
Система в норме
-
6
  1. Поверните замок зажигание в положение lock.
  2. Отсоединить разъём контроллера ЭСУД.
  3. Проверить на короткое замыкание провод между клеммой 1 разъема датчика iat и клеммой k58 разъема контроллера ЭСУД.
Неисправность обнаружена?
-
Перейти к операции 7
Перейти к операции 8
7
  1. Отремонтировать провод или клемму разъема между клеммой 1 разъема датчика iat и клеммой k58 разъема контроллера ЭСУД.
  2. Используя сканирующий прибор, очистить диагностические коды неисправностей.
  3. Провести проверку системы диагностики.
Закончен ли ремонт?
-
Система в норме
-
8
Проверить на короткое замыкание провод между клеммой 2 разъема датчика iat и клеммой k59 разъема контроллера ЭСУД.
Неисправность обнаружена?
-
Перейти к операции 9
Перейти к операции 10
9
  1. Отремонтировать провод или клемму разъема между клеммой 2 разъема датчика iat и клеммой k59 разъема контроллера ЭСУД.
  2. Используя сканирующий прибор, очистить диагностические коды неисправностей.
  3. Провести проверку системы диагностики.
Закончен ли ремонт?
-
Система в норме
-
10
  1. Поверните замок зажигание в положение lock.
  2. Заменить контроллер ЭСУД.
  3. Провести проверку системы диагностики.
Закончен ли ремонт?
-
Система в норме
-


На предыдущую страницуНа следующую страницу
https://vnx.su/ 🛠 Руководства по ремонту и эксплуатации для автомобилей

Поиск по сайту

Остались вопросы или пожелания? Пишите на почту: support@vnx.su

Карта Сайта