РАЗДЕЛ
ПРИНЦИПИАЛЬНЫЕ И МОНТАЖНЫЕ СХЕМЫ
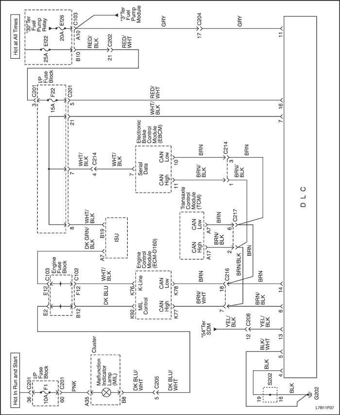
Электрическая схема контроллера системы управления двигателем (1 ИЗ 7)
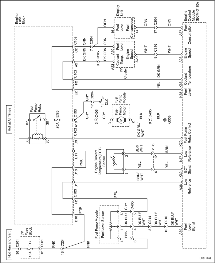
Электрическая схема контроллера системы управления двигателем (2 ИЗ 7)
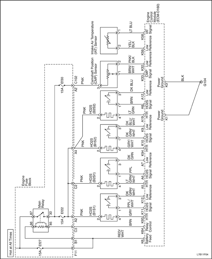
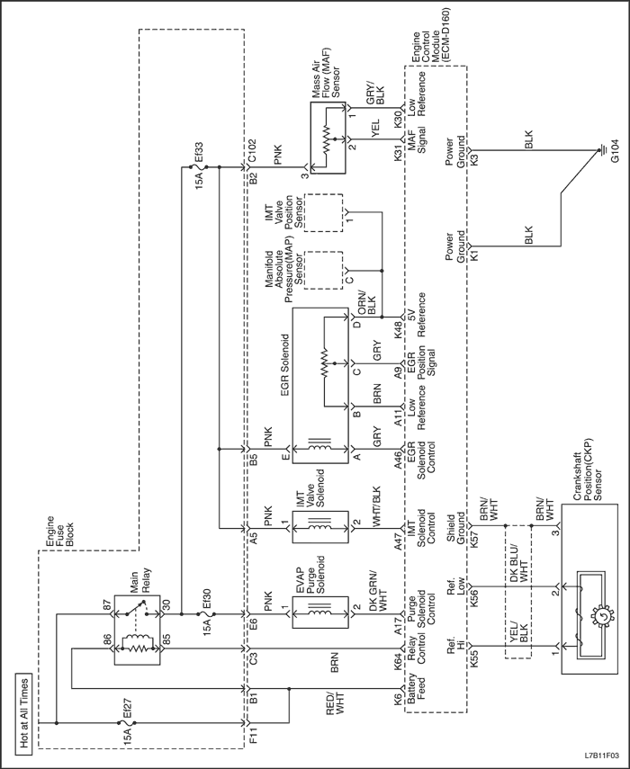
Электрическая схема контроллера системы управления двигателем (3 ИЗ 7)
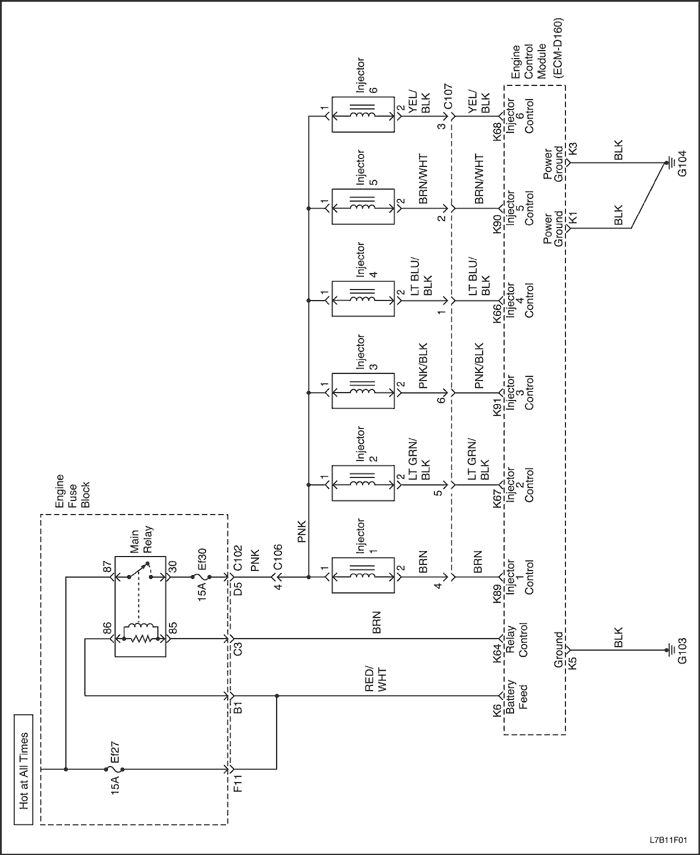
Электрическая схема контроллера системы управления двигателем (4 ИЗ 7)
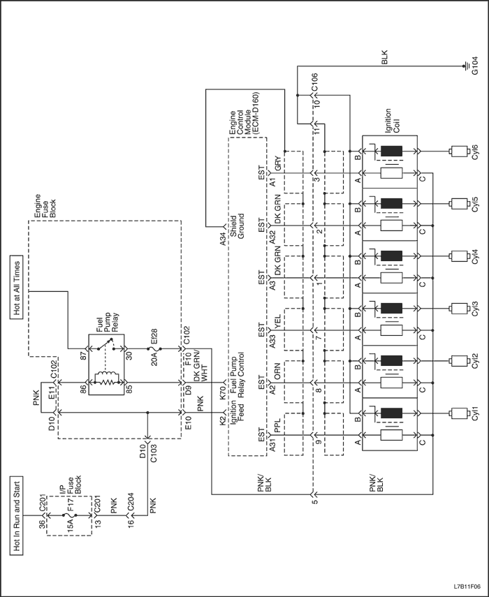
Электрическая схема контроллера системы управления двигателем (5 ИЗ 7)
Электрическая схема контроллера системы управления двигателем (6 ИЗ 7)
Электрическая схема контроллера системы управления двигателем (7 ИЗ 7)
Колодка (вид спереди); Колодка (вид со стороны разъема)
РАСПОЛОЖЕНИЕ КОМПОНЕНТОВ


Компоненты на жгуте проводов контроллера ЭСУД
- Контроллер электронной системы управления двигателем (ЭСУД)
- Колодка диагностики
- Контрольная лампа индикации неисправности
- Масса жгута проводов ЭСУД/АБС
- Блок предохранителей
Устройства, управляемые ЭСУД
- Клапан рециркуляции отработавших газов (EGR)
- Топливная форсунка
- Электронное управление дроссельной заслонкой
- Реле топливного насоса
- Реле высоких оборотов вентилятора системы охлаждения
- Реле управления вентилятора системы охлаждения (только с кондиционером)
- Катушка электронной системы зажигания
- Клапан продувки адсорбера СУПБ
- Главное реле
- Реле компрессора кондиционера
- Реле низких оборотов вентилятора системы охлаждения
Информационные датчики
- Датчик абсолютного давления в коллекторе (МАР)
- Управляющий датчик кислорода (HO2S1)
- Датчик положения дроссельной заслонки (TP).
- Датчик температуры охлаждающей жидкости (ЕТС)
- Датчик температуры впускного воздуха (IAT)
- Датчик положения коленчатого вала (CKP)
- Датчик детонации
- Диагностический датчик кислорода (HO2S2)
- Датчик положения распределительного вала (СМР)
Подключен не контроллер ЭСУД
- Адсорбер СУПБ (под автомобилем, за правым задним колесом)
- Датчик давления моторного масла
- Воздухоочиститель