К началу документа
Epica
На предыдущую страницуНа следующую страницу
Главная страница GMDEЗагрузить нединамическое оглавлениеЗагрузить динамическое оглавлениеПомощь

РАЗДЕЛ 1D

СИСТЕМА ОХЛАЖДЕНИЯ ДВИГАТЕЛЯ; ОХЛАЖДЕНИЕ ДВИГАТЕЛЯ

Внимание! Отключите отрицательный кабель батаре перед снятием или установкой любых электрических узлов или при возможном контакте инструментов или оборудования с оголенными электрическими клеммами. Отключение кабеля поможет избежать травм и механических поврежений. Зажигание должно быть заблокировано, если не указано иное.

ТЕХНИЧЕСКИЕ ХАРАКТЕРИСТИКИ

Технические характеристики системы охлаждения

ПРОГРАММА
Описание
Агрегат
Стандартно
Система охлаждения
Вид охлаждения
-
принудительное водяное охлаждение
Охлаждающая жидкость
Вместимость охладителя
л/qt
8.0 (8.5)
Тип охлаждающей жидкости
-
Охлаждающая жидкость на силикатной основе
Термостат
Тип термостата
-
восковой тип
.
Температура (приоткрыт)
°С (°f)
82 ± 2 (179.6 ± 35.6)
.
Температура (в полностью открытом состоянии)
°С (°f)
97 (206.6)
.
Температура (в полностью закрытом состоянии)
°С (°f)
79 ± 2 (174.2 ± 35.6)
.
Ход (в полностью открытом состоянии)
мм (in.)
8 (0.315)
Расширительный бачок
Давление открытия запорного клапана
кПа (psi)
125~155 (18.13~22.48)
.
Давление открытия вакуумного клапана
кПа (psi)
10 (1.45)
Насос охлаждающей жидкости; Водяной насос
Тип водяного насоса
-
Центробежный
.
Диаметр крыльчатки
мм (in.)
65 (2.56)
.
Номер лопасти крыльчатки
ЕА
6
Радиатор
Тип
-
Сливной
Ширина сердцевины
мм (in.)
701 (27.60)
Высота сердцевины
мм (in.)
372 (14.65)
Глубина сердцевины
мм (in.)
18 (0.71)
Минимальная хладопроизводительность
кал/час
a/t : 48,000
h/t: 38000

Моменты затяжки резьбовых соединений

ПРОГРАММА
Н•м
lb-ft
lb-in
Крепежные болты водяного насоса
10
-
89
Крепежные винты узла вентилятора
4
-
35
Стопорные винты двигателя вентилятора
4
-
35
Стопорные винты радиатора, верхний левый и верхний правый
14
10
-
Крепежные гайки расширительного бачка
5
-
44
Крепежные винты корпуса термостата
20
15
-

ДИАГНОСТИКА

Проверка термостата

  1. Снимите термостат с автомобиля. Следуйте пункту "Термостат" в этом разделе.
  2. Убедитесь, что пружины клапана сжата, когда термостат полностью закрыт. Если пружина не сжата, замените термостат.
  3. Подвесьте термостат и термометр в поддон со смесью 50/50 этиленгликоля и воды. Не позволяйте термостату и термометру находиться у дна поддона, потому что неравномерная концентрация тепла у дна может отразиться на корректности измерения температуры.
  4. Нагрейте поддон горелкой.
  5. Используйте термометр для измерения температуры нагретого раствора.
  6. Термостат должен начинать открываться при температуре 87°С (189°f) и должен быть полностью открыт при 102°С (216°f). Если термостат не открывается при этих температурах, замените термостат.

Диагностика системы охлаждения

Перегревы двигателя

Пункты проверки
Операция, действие
Проверьте утечку охлаждающей жидкости.
Добавьте охлаждающую жидкость.
Проверьте концентрацию раствора охлаждающей жидкости.
Раствор охлаждающей жидкости должен состоять из смеси 50/50 этиленгликоля и воды.
Проверьте переднюю сторону радиатора на наличие загрязнений, листвы или насекомых.
Почистите переднюю сторону радиатора.
Проверьте на утечки из шлангов, водяного насоса, нагревателя, корпуса термостата, радиатора, стержневых пробок или прокладки головки цилиндра.
Замените поврежденные компоненты.
Проверьте исправность термостата.
Замените поврежденный термостат.
Проверьте запаздывание зажигания.
Проведите диагностику кода ЕСМ. Проверьте сохранность приводного ремня.
Проверьте работоспособность электровентилятора системы охлаждения.
Замените электровентилятор системы охлаждения.
Проверьте шланги радиатора на забитость или изношенность.
Замените поврежденные шланги радиатора.
Проверьте исправность насоса охлаждающей жидкости.
Замените неисправный насос охлаждающей жидкости.
Проверьте исправность пробки расширительного бачка.
Замените неисправную пробку расширительного бачка.
Проверьт головку цилиндров или блок цилиндров на повреждения или засоренность.
Отремонтируйте поврежденную головку цилиндров или поврежденный блок цилиндров.

Утечка охлаждающей жидкости

Пункты проверки
Операция, действие
Проверьте радиатор на утечки.
Замените поврежденный радиатор.
Проверьте утечки в следующих местах:
  • Расширительный бачок.
  • Шланг.
Замените следующие детали, если необходимо.
  • Расширительный бачок.
  • Шланг.
Проверьте ослабленные и поврежденные шланги радиатора, шланги нагревателя и разъемы.
Правильно закрепите шланги.
Замените шланги или хомуты шлангов.
Проверьте уплотнение водяного насоса на утечки.
Замените уплотнение водяного насоса.
Проверьте уплотнение водяного насоса на утечки.
Замените уплотнение водяного насоса.
Проверьте затяжку головки цилиндров.
Затяните винты головки цилиндров до заданных значений.
Замените прокладку головки цилиндров, если необходимо.
Проверьте утечки в следующих местах:
  • Впускной коллектор.
  • Прокладка головки цилиндров.
  • Заглушка блока цилиндров.
  • Теплообменник нагревателя.
  • Пробка сливного отверстия радиатора
Отремонтируйте или замените компоненты для устранения утечки, если необходимо.

Двигатель не достигает нормальной рабочей температуры или холодный воздух из нагревателя

Пункты проверки
Операция, действие
Проверьте, застревает ли термостат в открытом положении или термостат неправильного типа.
Установите термостат правильного типа и диапазона нагрева.
Проверьте, достигает уровень охлаждающей жидкости отметки min на расширительном бачке.
Добавьте охлаждающую жидкость до обозначенной отметки на расширительном бачке.

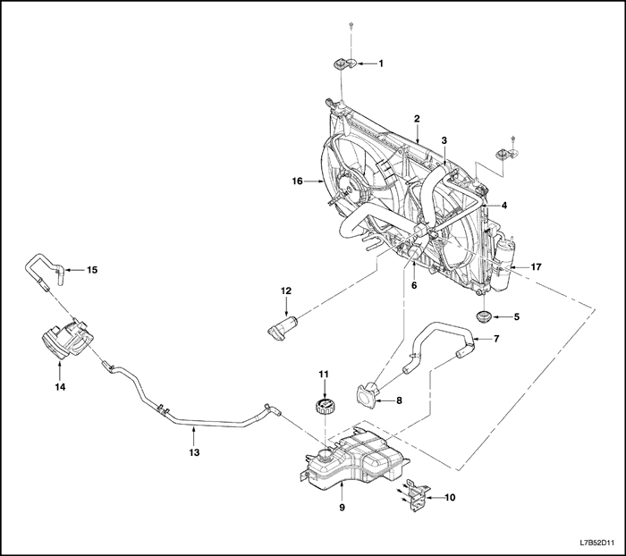
РАСПОЛОЖЕНИЕ КОМПОНЕНТОВ

Система охлаждения


L7B52D11
Показать иллюстрациюПеревод текста в иллюстрациях


  1. Верхний кронштейн радиатора
  2. Радиатор в сборе
  3. Верхний шланг радиатора
  4. Переливной шланг
  5. Нижний амортизатор радиатора
  6. Нижний шланг радиатора
  7. Шланг от расширительного бачка к двигателю
  8. Термостат
  9. Расширительный бачок
  10. Кронштейн расширительного бачка
  11. Крышка расширительного бачка
  12. Выход воды
  13. Возвратный шланг корпуса дроссельной заслонки
  14. Корпус дроссельной заслонки
  15. Впускной шланг корпуса дроссельной заслонки
  16. Вентилятор системы охлаждения
  17. Конденсатор

Насос охлаждающей жидкости/термостат; Водяной насос/термостат


V3B31D02
Показать иллюстрациюПеревод текста в иллюстрациях


  1. Термостат
  2. Уплотнительное кольцо термостата
  3. Насос охлаждающей жидкости; Водяной насос
  4. Резиновая прокладка водяного насоса
  5. Крепежный болт водяного насоса
  6. Выход охлаждающей жидкости
  7. Прокладка выхода охлаждающей жидкости

ТЕХНИЧЕСКОЕ ОБСЛУЖИВАНИЕ И РЕМОНТ

ТЕХНИЧЕСКОЕ ОБСЛУЖИВАНИЕ БЕЗ ДЕМОНТАЖА С АВТОМОБИЛЯ



V3B31D03
Показать иллюстрациюПеревод текста в иллюстрациях


Слив и заправка системы охлаждения

    Внимание! Не снимайте заглушку расширительного бачка на горячем двигателе и радиаторе. Горячая жидкость и пар могут выходить под давлением и вызвать ожоги.

  1. Подставьте поддон под автомобиль для слива охлаждающей жидкости.
  2. Снимите заглушку расширительного бачка.
  3. Снимите сливную пробку.


  4. L7B52D02
    Показать иллюстрациюПеревод текста в иллюстрациях


    Внимание! Использованную охлаждающую жидкость хранить в соответствующей емкости и утилизировать с отработанным маслом. Не сливайте использованную жидкость в канализацию. Антифриз из этиленгликоля очень ядовит. Утилизация в канализацию или грунтовые воды может сильно повредить окружающей среде.

  5. Соберите жидкость в сливной поддон.
  6. Удалите весь шлам и загрязнения из расширительного бачка. Следуйте пункту "Расширительный бачок" в этом разделе.
  7. Установите сливную пробку.
  8. Добавьте чистую воду в расширительный бачок.
  9. Медленно заполните бачок так, чтобы верхний шланг емкости находился над уровнем воды. Это позволит воздуху выйти из системы охлаждения.
  10. Запустите двигатель.
  11. Дайте двигателю поработать до открытия термостата. Термостат открыт, когда оба шланга радиатора становятся горячими на ощупь.


  12. L7B52D03
    Показать иллюстрациюПеревод текста в иллюстрациях


  13. Остановите двигатель.
  14. Повторите шаги 1 - 9 до тех пор, пока сливная вода не станет чистой и свободной от охлаждающей жидкости и ржавчины.
  15. Примечание: Не используйте смесь с концентрацией более 60 процентов антифриза на 40 процентов воды. Выше этой концентрации возрастает точка замерзания раствора.

    Внимание! Не смешивайте разные типы антифризов и ингибиторов коррозии, т.к. они могут быть несовместимы. Если в системе охлаждения используется жидкость другого типа, промойте систему чистой водой.

  16. Заполните систему охлаждения через заглушку расширительного бачка смесью антифриза из этиленгликоля и воды. Смесь должна быть антифризом не менее, чем на 50 процентов, но не более, чем на 60 процентов.
  17. Заправьте охлаждающую жидкость до отметки МАХ на наружной стороне расширительного бачка.


V3B31D06
Показать иллюстрациюПеревод текста в иллюстрациях


Термостат

Процедура снятия

    Внимание! С целью предупреждения травм не снимайте заглушку расширительного бачка на горячем двигателе и радиаторе, поскольку теплота поддерживает давление в системе. Горячая жидкость и пар могут выходить под давлением и вызвать ожоги.

  1. Слейте охлаждающую жидкость. Следуйте пункту "Слив и заправка системы охлаждения" в этом разделе.
  2. Освободите хомут шланга охлаждающей жидкости на корпусе термостата.
  3. Отсоедините шланг охлаждающей жидкости от корпуса термостата.


  4. V3B31D07
    Показать иллюстрациюПеревод текста в иллюстрациях


  5. Снимите крепежные болты, удерживающие корпус термостата на головке цилиндров.
  6. Снимите корпус термостата с головки.
  7. Снимите уплотнительное кольцо с головки.
  8. Проверьте седло клапана на посторонние материалы, которые могут помешать правильной посадке клапана.
  9. Проверьте работоспособность термостата. Следуйте пункту "Проверка термостата" в этом разделе.
  10. Почистите корпус термостата и уплотнительные поверхности головки цилиндров.


V3B31D07
Показать иллюстрациюПеревод текста в иллюстрациях


Процедура установки

  1. Нанесите на уплотнительную поверхность нового уплотнительного кольца lubriplater®.
  2. Устновите новое уплотнительное кольцо в выемку головки цилиндров.
  3. Закрепите корпус термостата на головке цилиндров крепежными винтами.
  4. Затянуть
    Затяните крепежные винты корпуса термостата до 10 Н•м (89 lb-in).



    V3B31D06
    Показать иллюстрациюПеревод текста в иллюстрациях


  5. Присоедините шланг охлаждающей жидкости к корпусу термостата.
  6. Закрепите шланг охлаждающей жидкости на корпусе термостата шланговым хомутом.
  7. Заправьте систему охлаждения двигателя. Следуйте пункту "Слив и заправка системы охлаждения" в этом разделе.


F202E202
Показать иллюстрациюПеревод текста в иллюстрациях


Насос охлаждающей жидкости; Водяной насос

Процедура снятия

  1. Слейте охлаждающую жидкость из системы охлаждения двигателя до уровня ниже корпуса термостата. Следуйте пункту "Слив и заправка системы охлаждения" в этом разделе.
  2. Снимите вспомогательный приводной ремень. Следуйте разделу 6В, Насос рулевого управления с усилителем.


  3. V3B31D06
    Показать иллюстрациюПеревод текста в иллюстрациях


  4. Ослабьте хомуты на шланге охлаждающей жидкости на корпусе термостата и на водяном насосе.
  5. Отсоедините шланг охлаждающей жидкости от корпуса термостата и водяного насоса.


  6. V3B31D09
    Показать иллюстрациюПеревод текста в иллюстрациях


  7. Удалите крепежные болты насоса гидроусилителя.
  8. Снимите генератор. Следуйте разделу 1Е, Электрооборудование двигателя.
  9. Снимите компрессор. Следуйте разделу 7В, Управление системами отопления, вентиляции и кондиционирования.


  10. V3B31D10
    Показать иллюстрациюПеревод текста в иллюстрациях


  11. Удалите болты кронштейна.


  12. V3B31D11
    Показать иллюстрациюПеревод текста в иллюстрациях


  13. Удалите болт крепления автоматического натяжителя
  14. Снимите автоматический натяжитель.


  15. V3B31D12
    Показать иллюстрациюПеревод текста в иллюстрациях


  16. Снимите крепежные винты насоса охлаждающей жидкости.
  17. Снимите водяной насос.
  18. Снимите прокладку водяного насоса.
  19. Проверьте корпус насоса охлаждающей жидкости на поломки и утечку.
  20. Почистите сопрягаемые поверхности насоса охлаждающей жидкости и блока цилиндров.


V3B31D13
Показать иллюстрациюПеревод текста в иллюстрациях


Процедура установки

  1. Установите новую прокладку на водяной насос.
  2. Закрепите насос охлаждающей жидкости на блоке цилиндров крепежными винтами.
  3. Затянуть
    Затяните крепежные винты водяного насоса до 23 Н•м (17 lb-ft).



    V3B31D14
    Показать иллюстрациюПеревод текста в иллюстрациях


  4. Закрепите автоматический натяжитель крепежным болтом.
  5. Затянуть
    Затяните крепежный болт автоматического натяжителя до 45 Н•м (33 lb-ft).

  6. Установите кронштейн.


  7. V3B31D15
    Показать иллюстрациюПеревод текста в иллюстрациях


  8. Установите крепежные болты кронштейна.
  9. Затянуть
    Затяните крепежные болты кронштейна до 45 Н•м (33 lb-ft).



    V3B31D09
    Показать иллюстрациюПеревод текста в иллюстрациях


  10. Установите насос рулевого управления с гидроусилителем.
  11. Установите крепежные болты насоса гидроусилителя рулевого управления.
  12. Затянуть
    Затяните крепежные болты гидроусилителя рулевого управления до 25 Н•м (18 lb-ft).

  13. Установить генератор. Следуйте разделу 1Е, Электрооборудование двигателя.
  14. Установите компрессор. Следуйте разделу 7В, Управление системами отопления, вентиляции и кондиционирования.


  15. V3B31D06
    Показать иллюстрациюПеревод текста в иллюстрациях


  16. Установите изгибающийся вспомогательный приводной ремень. Следуйте разделу 6В, Насос рулевого управления с усилителем.
  17. Заправьте систему охлаждения двигателя. Следуйте пункту "Слив и заправка системы охлаждения" в этом разделе.


V3B31D16
Показать иллюстрациюПеревод текста в иллюстрациях


Вентилятор системы охлаждения

Процедура снятия

  1. Отсоедините отрицательный кабель аккумулятора.
  2. Удалите крепежные болты впускного шланга воздушного фильтра.
  3. Отсоедините впускной шланг воздушного фильтра.


  4. L7B52D02
    Показать иллюстрациюПеревод текста в иллюстрациях


  5. Слейте охлаждающую жидкость. Следуйте пункту "Слив и заправка системы охлаждения" в этом разделе.
  6. Отсоедините верхний шланг радиатора.


  7. V3B31D18
    Показать иллюстрациюПеревод текста в иллюстрациях


  8. Отсоедините электрический разъем вентилятора системы охлаждения.


  9. V3B31D19
    Показать иллюстрациюПеревод текста в иллюстрациях


  10. Поднимите кожух вентилятора наверх и снимите узел кожуха вентилятора с автомобиля.


V3B31D19
Показать иллюстрациюПеревод текста в иллюстрациях


Процедура установки

    Внимание! Убедитесь, что монтажная цапфа на кожухе вентилятора правильно сидит в гнезде левого бака радиатора. Проследите, чтобы выступ на нижнем краю кожуха попал в фиксатор рядом с центром радиатора.

  1. Установите кожух вентилятора на радиатора.
  2. Закрепите кожух на верху радиатора крепежными винтами.
  3. Затянуть
    Затяните узел вентилятора крепежными винтами до 4 Н•м (35 lb-in).



    V3B31D18
    Показать иллюстрациюПеревод текста в иллюстрациях


  4. Присоедините электрический разъем вентилятора системы охлаждения.


  5. L7B52D02
    Показать иллюстрациюПеревод текста в иллюстрациях


  6. Присоедините верхний шланг радиатора.


  7. V3B31D16
    Показать иллюстрациюПеревод текста в иллюстрациях


  8. Присоедините впускной шланг воздушного фильтра.
  9. Установите крепежные болты впускного шланга воздушного фильтра.
  10. Затянуть
    Затяните крепежные болты впускного шланга до 6 Н•м (53 lb-in).

  11. Присоедините отрицательный кабель аккумулятора.


L7B52D01
Показать иллюстрациюПеревод текста в иллюстрациях


Расширительный бачок

Процедура снятия

    Внимание! С целью предупреждения травм не снимайте заглушку расширительного бачка на горячем двигателе и радиаторе, поскольку теплота поддерживает давление в системе. Горячая жидкость и пар могут выходить под давлением и вызвать ожоги.

  1. Слейте охлаждающую жидкость двигателя до уровня расширительного бачка.
  2. Освободите хомут обратного шланга и отсоедините обратный шланг от верха расширительного бачка.
  3. Освободите хомут шланга корпуса дроссельной заслонки и отсоедините шланг корпуса дроссельной заслонки от верха расширительного бачка.
  4. Освободите хомут подающего шланга и отсоедините подающий шланг от низа расширительного бачка.


  5. L7B52D04
    Показать иллюстрациюПеревод текста в иллюстрациях


  6. Снимите крепежные гайки расширительного бачка.
  7. Снимите расширительный бачок с держателя.
  8. Вымойте расширительный бачок внутри и снаружи и заглушку расширительного бачка мылом и водой.
  9. Тщательно промойте расширительный бачок и заглушку.


L7B52D04
Показать иллюстрациюПеревод текста в иллюстрациях


Процедура установки

  1. Установите расширительный бачок на держатель.
  2. Зафиксировать расширительный бачок крепежными гайками.
  3. Затянуть
    Затяните крепежные гайки расширительного бачка до 5 Н•м (44 lb-in).



    L7B52D05
    Показать иллюстрациюПеревод текста в иллюстрациях


  4. Присоедините обратный шланг и шланг корпуса дроссельной заслонки к верху расширительного бачка.
  5. Присоедините подающий шланг к низу расширительного бачка.
  6. Закрепите обратный шланг, шланг корпуса дроссельной заслонки и подающий шланг на расширительном бачке шланговыми хомутами.
  7. Заправьте расширительный бачок охлаждающей жидкостью до центральной риски или до отметки МАХ.


V3B31D19
Показать иллюстрациюПеревод текста в иллюстрациях


Радиатор

Процедура снятия

  1. Отсоедините отрицательный кабель аккумулятора.
  2. Слейте охлаждающую жидкость из системы охлаждения двигателя. Следуйте пункту "Слив и заправка системы охлаждения" в этом разделе.
  3. Снимите основной и вспомогательный вентиляторы системы охлаждения. См. "Электровентилятор системы охлаждения" в данном разделе.
  4. Снимите верхний стопорный винт радиатора.
  5. Снимите верхний стопорный кронштейн радиатора.
  6. Снимите верхний шланговый хомут радиатора.
  7. Отсоедините верхний шланг радиатора от радиатора.


  8. V3B31D22
    Показать иллюстрациюПеревод текста в иллюстрациях


  9. Снимите шланговый хомут со шланга расширительного бачка на радиаторе.
  10. Отсоедините шланг расширительного бачка от радиатора.
  11. Снимите нижний шланговый хомут радиатора.
  12. Отсоедините нижний шланг радиатора от радиатора.


  13. V3B31D23
    Показать иллюстрациюПеревод текста в иллюстрациях


  14. Отсоедините трубы радиатора коробки передач с главной передачей в сборе от нижнего бака радиатора, если имеется.
  15. Снимите винт и хомут трубы коробки передач с главной передачей в сборе с радиатора.
  16. Снимите радиатор с автомобиля.
  17. Важно: В радиаторе все еще находится значительное количество охлаждающей жидкости. Слейте остатки охлаждающей жидкости в сливной поддон.



V3B31D22
Показать иллюстрациюПеревод текста в иллюстрациях


Процедура установки

  1. Установите радиатор на место нижними штырями в резиновые амортизаторы.


  2. V3B31D23
    Показать иллюстрациюПеревод текста в иллюстрациях


  3. Присоедините трубы радиатора коробки передач с главной передачей в сборе к нижнему баку радиатора, если имеется.
  4. Установите трубу коробки передач с главной передачей в сборе с хомутом и винтом на радиатор.
  5. Присоедините шланг расширительного бачка к радиатору.
  6. Закрепите шланг расширительного бачка шланговым хомутом.
  7. Присоедините нижний шланг радиатора и верхний шланг радиатора к радиатору.
  8. Закрепите каждый шланг шланговым хомутом.
  9. Установите на место держатели радиатора.
  10. Установите верхний стопорный кронштейн радиатора.
  11. Установите верхний стопорный винт генератора.


  12. L7B11D01
    Показать иллюстрациюПеревод текста в иллюстрациях


  13. Установите основной и вспомогательный вентиляторы системы охлаждения. См. "Электровентилятор системы охлаждения" в данном разделе.
  14. Заправьте систему охлаждения двигателя. Следуйте пункту "Слив и заправка системы охлаждения" в этом разделе.
  15. Присоедините отрицательный кабель аккумулятора.
  16. Затянуть
    Затяните крепежные болты радиатора до 14 Н•м (10 lb-ft).

ОБЩЕЕ ОПИСАНИЕ И РАБОТА СИСТЕМЫ

Общее описание

Система охлаждения двигателя обеспечивает температуру двигателя на эффективном уровне во всех рабочих режимах двигателя. Когда двигатель холодный, система охлаждения охлаждает двигатель медленно или не охлаждает совсем. Это медленное охлаждение позволяет двигателю быстро нагреться.
Система охлаждения включает в себя радиатор и подсистему рециркуляции, вентиляторы системы охлаждения, термостат и корпус, насос охлаждающей жидкости и приводной ремень насоса охлаждающей жидкости. Водяной насос приводится приводным ремнем.
Для обеспечения функционирования системы охлаждения все компоненты должны работать надлежащим образом. Насос охлаждающей жидкости подсасывает охлаждающую жидкость из радиатора. Охлаждающая жидкость циркулирует через водяные рубашки в блоке цилиндров, впускном коллектора и головке цилиндров. Когда температура охлаждающей жидкости достигает рабочей температуры термостата, термостат открывается. Затем охлаждающая жидкость возвращается в радиатор, где она охлаждается.
Система направляет часть охлаждающей жидкости через шланги в теплообменник нагревателя. Тем самым обеспечивается нагрев и размораживание. Расширительный бачок соединен с радиатором, чтобы принимать охлаждающую жидкость вытесненную высокой температурой. Расширительный бачок обеспечивает правильный уровень охлаждающей жидкости.
Система охлаждения этого двигателя не имеет крышки радиатора или заливного патрубка. Охлаждающая жидкость доливается в систему через расширительный бачок.

Радиатор

Этот автомобиль имеет алюминиевый радиатор с пластинчатой трубой легкого исполнения. Пластиковые баки установлены на правой и левой стороне теплообменника радиатора.
На автомобилях с автоматической коробкой передач с главной передачей в сборе, трубопроводы охлаждения трансмиссионной жидкости проходят через левый бак радиатора. Сливная пробка находится на этом радиаторе.
Для опорожнения системы охлаждения откройте сливную пробку.

Расширительный бачок

Расширительный бачок представляет собой пластиковую емкость, похожую на бачок омывателя ветрового стекла.
Расширительный бачок соединен с радиатором шлангом, а система охлаждения двигателя - другим шлангом. При работе автомобиля охлаждающая жидкость двигателя нагревается и расширяется. Часть охлаждающей жидкости двигателя, вытесненная этим расширением, перетекает из радиатора и двигателя в расширительный бачок. Воздух, находящийся в радиаторе и двигателе, вытесняется в расширительный бачок.
После остановки двигателя охлаждающая жидкость охлаждается и сжимается. Вытесненная охлаждающая жидкость двигателя возвращается назад в радиатор и двигатель. Это поддерживает необходимый уровень охлаждающей жидкости в радиаторе и увеличивает эффективность охлаждения.
Установите уровень охлаждающей жидкости между отметками MIN и МАХ расширительного бачка на холодной системе.

Насос охлаждающей жидкости; Водяной насос

Центробежный насос охлаждающей жидкости с ременным приводом состоит из крыльчатки, приводного вала и ременного шкива. Насос охлаждающей жидкости установлен на передней части двигателя поперечного расположения и приводится в движение приводным ремнем.
Крыльчатка находится на герметичном подшипнике.
Насос охлаждающей жидкости обслуживается как единый узел и поэтому не может быть разобран.

Термостат

Восковой термостат контролирует расход охлаждающей жидкости двигателя через систему охлаждения двигателя. Термостат установлен на корпусе термостата на передней части головки цилиндров.
Термостат останавливает поток охлаждающей жидкости от двигателя к радиатору, чтобы обеспечить быстрый нагрев и регулировку температуры охлаждающей жидкости. Термостат остается закрытым при низкой температуре охлаждающей жидкости, не допуска циркуляцию охлаждающей жидкости двигателя через радиатор. В это время охлаждающая жидкость двигателя циркулирует только через теплообменник для быстрого и равномерного нагрева.
После нагрева двигателя термостат открывается. Это позволяет охлаждающей жидкости двигателя протекать через радиатор, где тепло рассеивается через радиатор. Открывание и закрывание термостата позволяет охлаждающей жидкости двигателя поступать в радиатор и удерживать температуру двигателя в рабочем диапазоне.
Восковой шарик в термостате герметично закрыт в металлической оболочке. Восковой элемент термостата расширяется при нагреве и сужается при охлаждении.
При работе автомобиля и нагреве двигателя температура охлаждающей жидкости увеличивается. Когда температура охлаждающей жидкости достигает заданного значения, восковой элемент термостата расширяется и давит на металлическую оболочку, заставляя клапан открываться. Это позволяет охлаждающей жидкости двигателя протекать через систему охлаждения двигателя и охлаждать двигатель.
При охлаждении воскового шарика его сужение позволяет пружине закрыть клапан.
Термостат начинает открываться при температуре 82°С (179.6°F) и полностью открывается при 97°С (206.6°F). Термостат закрывается при 79 °С (174.2°F).

Вентилятор системы охлаждения

Внимание! Для предупреждения травм держите руки, инструмент и одежду вдали от вентилятора системы охлаждения. Вентилятор электрический и может включиться независимо от того, работает двигатель или нет.

Внимание! Если лопатка вентилятора погнута или повреждена каким-либо образом, не пытайтесь починить или повторно использовать поврежденную деталь. Погнутый или поврежденный вентилятор обязательно следует заменить новым. Несоблюдение этого условия может привести к травмам.

Вентиляторы системы охлаждения установлены за радиатором в моторном отсеке. Электровентиляторы системы охлаждения увеличивают ток воздуха через ламели радиатора и через конденсатор на автомобилях оснащенных кондиционером. Это позволяет ускорить охлаждение на холостых оборотах или при низких скоростях.
Размер главного вентилятора - 300 мм (11,8 дюйма) в диаметре, он имеет шесть лопастей, которые прогоняют воздух через радиатор и конденсатор. Электродвигатель, закрепленный на кожухе, вращает вентилятор.
Модели с кондиционером имеют два вентилятора - основной и вспомогательный. Вспомогательный вентилятор имеет 300 мм (11.8 inches) в диаметре. Модели без кондиционера имеют только один основной вентилятор.

При отключенном кондиционере или у модели без кондиционера

Кондиционер включен

Нагреватель блока цилиндров двигателя

Автомобиль сконструирован для установки нагревателя блока цилиндров двигателя, который помогает нагреть двигатель и облегчить его запуск в холодную погоду. Он также помогает сократить расход топлива при прогреве холодного двигателя.
Нагреватель блока цилиндров двигателя расположен под впускным коллектором и использует имеющуюся расширительную пробку для монтажа.


На предыдущую страницуНа следующую страницу
https://vnx.su/ 🛠 Руководства по ремонту и эксплуатации для автомобилей

Поиск по сайту

Остались вопросы или пожелания? Пишите на почту: support@vnx.su

Карта Сайта