К началу документа
Epica
На предыдущую страницуНа следующую страницу
Главная страница GMDEЗагрузить нединамическое оглавлениеЗагрузить динамическое оглавлениеПомощь

РАЗДЕЛ 1E

ЭЛЕКТРООБОРУДОВАНИЕ ДВИГАТЕЛЯ

Внимание! Отключите отрицательный кабель батаре перед снятием или установкой любых электрических узлов или при возможном контакте инструментов или оборудования с оголенными электрическими клеммами. Отключение кабеля поможет избежать травм и механических поврежений. Зажигание должно быть заблокировано, если не указано иное.

ТЕХНИЧЕСКИЕ ХАРАКТЕРИСТИКИ

Технические характеристики стартера

Описание
Агрегат
2.0 XK
2.5 XK
Тип
-
pg260g
Производительность (емкость)
кВт
1.55
Проверка без нагрузки при 12.2 В Обороты приводной звездочки
a
об/мин
85 макс.
2,550 мин.
Длина щеток
мм (in.)
7.30

Технические характеристики генератора

Описание
Агрегат
2.0 XK
2.5 XK
Тип
-
ad237
Регулятор напряжения
В
12
Длина щеток
мм (in.)
18,8
Производительность (емкость)
a
120

Технические характеристики аккумуляторной батареи

Описание
Агрегат
2.0 XK
2.5 XK
Тип
-
mf
Емкость; Объем; Производительность; Мощность; Рабочий объем
а/ч
55
66
Сила тока при холодном пуске
cca
610
Резервная емкость, мин.
мин.
110
Проверка с нагрузкой
А
300
Минимальное напряжение:
.
.
9,6
9,5
9,4
9,3
9,1
8,9
8,7
8,5
В
В
В
В
В
В
В
В
70°f (21°c) и выше
60°f (15,6°С)
50°f (10°С)
40°f (4,4°С)
30°f (-1,1°С)
20°f (-6,7°С)
10°f (-12,2°С)
0°f (-17,8°С)

Моменты затяжки резьбовых соединений

ПРОГРАММА
Н•м
lb-ft
lb-in
Верхний болт кронштейна генератора
35
26
-
Нижний болт кронштейна генератора
40
30
-
Болт крепления стартера на блоке цилиндров двигателя
45
33
-
Болт крепления КПП к стартеру
50
37
-
Гайка электромагнитного реле стартера
7
-
61
Болт впускного воздушного шланга
6
-
53
Гайки проводов аккумуляторной батареи
15
11
-
Болты аккумуляторной полки
20
15
-
Гайка винтовой передачи от аккумуляторной батареи к генератору
15
11
-
Сквозные винты генератора
25
18
-
Сквозные винты стартера
6
-
53
Винт крепления стартера к коробке передач
50
37
-

ПРИНЦИПИАЛЬНЫЕ И МОНТАЖНЫЕ СХЕМЫ

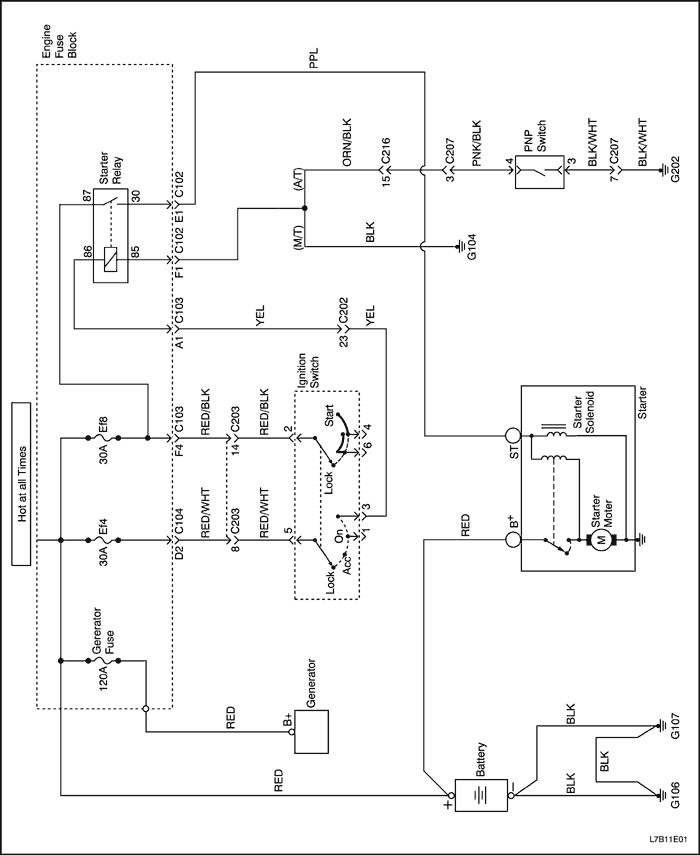
СИСТЕМА ПУСКА ДВИГАТЕЛЯ


L7B11E01
Показать иллюстрациюПеревод текста в иллюстрациях


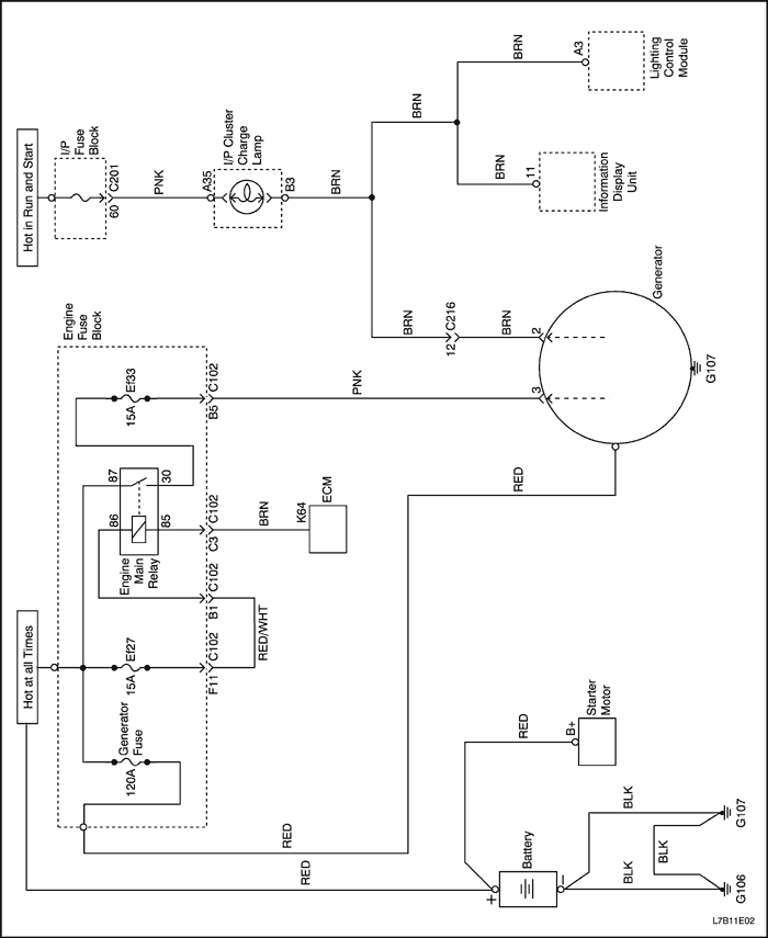
Система зарядки


L7B11E02
Показать иллюстрациюПеревод текста в иллюстрациях


ДИАГНОСТИКА

Стартер не проворачивает двигатель

ШагОперацияЗначенияДаНет
1
  1. Включите фары.
  2. Включите освещение салона.
  3. Включите зажигание на СТАРТ.
Лампы темнеют или выключаются?
-
Перейти к операции 2
Перейти к операции 8
2
Проверьте зарядку аккумуляторной батареи.
Видна ли зеленая точка на встроенном ареометре?
-
Перейти к операции 3
3
  1. Присоедините положительный провод вольтметра к положительной клемме аккумулятора.
  2. Присоедините отрицательный провод вольтметра к отрицательной клемме аккумулятора.
  3. Включите зажигание на СТАРТ.
Вольтметр показывает заданное значение?
< 9,6 В
Перейти к операции 4
4
  1. Присоедините отрицательный провод вольтметра к отрицательной клемме аккумулятора.
  2. Присоедините положительный провод вольтметра к блоку цилиндров.
Вольтметр показывает заданное значение?
> 0,5 В
Перейти к операции 5
Перейти к операции 6
5
Почистите, затяните или замените отрицательный провод аккумулятора.
Закончен ли ремонт?
-
Система в норме
-
6
  1. Присоедините положительный провод вольтметра к клемме "В" стартера.
  2. Присоедините отрицательный провод вольтметра к отрицательной клемме аккумулятора.
Соответствует ли измеренное напряжение указанному значению?
< 9 В
Перейти к операции 7
Перейти к операции 13
7
Почистите, затяните или замените положительный провод аккумулятора.
Закончен ли ремонт?
-
Система в норме
-
8
Проверьте предохранитель ef4 блока предохранителей.
Предохранитель в норме?
-
Перейти к операции 10
Перейти к операции 9
9
Замените предохранитель ef4.
Закончен ли ремонт?
-
Система в норме
-
10
Проверьте соединение на клемме стартера "SТ".
Соединение в норме?
-
Перейти к операции 12
Перейти к операции 11
11
Почистите или затяните соединение, если необходимо.
Закончен ли ремонт?
-
Система в норме
-
12
  1. Присоедините положительный провод вольтметра к клемме стартера "SТ".
  2. Присоедините отрицательный провод вольтметра к отрицательной клемме аккумулятора.
  3. Включите зажигание на СТАРТ.
Соответствует ли измеренное напряжение указанному значению?
> 7 В
Перейти к операции 13
Перейти к операции 14
13
Отремонтируйте или замените стартер, если необходимо.
Закончен ли ремонт?
-
Система в норме
-
14
Определите тип коробки передач с главной передачей в сборе.
Автомобиль оснащен автоматической коробкой передач?
-
Перейти к операции 15
Перейти к операции 32
15
  1. Отсоедините разъём реле положения парковка/нейтраль (pnp).
  2. Присоедините отрицательный провод вольтметра к клемме 85 разъема реле pnp.
  3. Присоедините положительный провод вольтметра к положительной клемме аккумулятора.
Вольтметр показывает заданное значение?
11-14 В
Перейти к операции 20
Перейти к операции 16
16
  1. Отсоедините переключатель pnp.
  2. Присоедините отрицательный провод вольтметра к клемме 4 разъема переключателя pnp.
  3. Присоедините положительный провод вольтметра к положительной клемме аккумулятора.
Вольтметр показывает заданное значение?
11-14 В
Перейти к операции 17
Перейти к операции 25
17
  1. Соедините перемычкой клеммы 3 и 4 разъема переключателя pnp.
  2. Присоедините отрицательный провод вольтметра к клемме 85 разъема реле p/n.
  3. Присоедините положительный провод вольтметра к положительной клемме аккумулятора.
Вольтметр показывает заданное значение?
11-14 В
Перейти к операции 18
Перейти к операции 19
18
Замените переключатель pnp.
Закончен ли ремонт?
-
Система в норме
-
19
Устраните разрыв проводки между клеммой 3 разъема переключателя pnp и клеммой 85.главного реле двигателя.
Закончен ли ремонт?
-
Система в норме
-
20
  1. Присоедините положительный провод вольтметра к клемме 30 разъема главного реле двигателя.
  2. Присоедините отрицательный провод вольтметра к массе.
  3. Включите зажигание на СТАРТ.
Вольтметр показывает заданное значение?
11-14 В
Перейти к операции 21
Перейти к операции 27
21
  1. Присоедините положительный провод вольтметра к клемме 86 главного реле двигателя.
  2. Присоедините отрицательный провод вольтметра к массе.
  3. Включите зажигание на СТАРТ.
Вольтметр показывает заданное значение?
11-14 В
Перейти к операции 22
Перейти к операции 26
22
  1. Соедините перемычкой клеммы 30 и 87 главного реле двигателя.
  2. Включите зажигание на СТАРТ.
Стартер проворачивает коленчатый вал?
-
Перейдите к операции 31
Перейти к операции 23
23
Проверьте, нет ли разрыва цепи между клеммой 30 главного реле двигателя и клеммой st стартера.
Неисправность обнаружена?
-
Перейти к операции 24
Перейти к операции 13
24
Отремонтируйте провод, если необходимо.
Закончен ли ремонт?
-
Система в норме
-
25
Устраните разрыв цепи между клеммой 4 разъема переключателя pnp и массой.
Закончен ли ремонт?
-
Система в норме
-
26
Устраните разрыв цепи между клеммой 86 разъема главного реле двигателя и клеммой 3 разъема выключателя зажигания.
Закончен ли ремонт?
-
Система в норме
-
27
  1. Присоедините положительный провод вольтметра к клемме 5 выключателя зажигания, задвинув сзади разъема приспособление совкового типа между корпусом и проводом.
  2. Присоедините отрицательный провод вольтметра к массе.
Вольтметр показывает заданное значение?
11-14 В
Перейдите к операции 29
Перейти к операции 28
28
Устраните разрыв цепи между предохранителем ef4 блока цилиндров двигателя и клеммой 5 разъема выключателя зажигания.
Закончен ли ремонт?
-
Система в норме
-
29
  1. Присоедините положительный провод вольтметра к клемме 2 разъема выключателя зажигания, подключившись к разъему сзади.
  2. Присоедините отрицательный провод вольтметра к массе.
  3. Включите зажигание на СТАРТ.
Вольтметр показывает заданное значение?
11-14 В
Перейти к операции 30
Перейти к операции 36
30
Устраните разрыв проводки между клеммой 3 разъема выключателя зажигания и клеммой 86 разъема главного реле двигателя.
Закончен ли ремонт?
-
Система в норме
-
31
Замените главное реле двигателя.
Закончен ли ремонт?
-
Система в норме
-
32
  1. Присоедините положительный провод вольтметра к клемме 2 разъема выключателя зажигания, подключившись к разъему сзади.
  2. Присоедините отрицательный провод вольтметра к массе.
Вольтметр показывает заданное значение?
11-14 В
Перейти к операции 34
Перейти к операции 33
33
Устраните разрыв цепи между предохранителем ef3 блока цилиндров и клеммой 5 разъема выключателя зажигания.
Закончен ли ремонт?
-
Система в норме
-
34
  1. Присоедините положительный провод вольтметра к клемме 2 разъема выключателя зажигания, подключившись к разъему сзади.
  2. Присоедините отрицательный провод вольтметра к массе.
  3. Включите зажигание на СТАРТ.
Вольтметр показывает заданное значение?
11-14 В
Перейти к операции 35
Перейти к операции 36
35
Устраните разрыв цепи между клеммой 2 разъема выключателя зажигания и клеммой sТ стартера.
Закончен ли ремонт?
-
Система в норме
-
36
Замените выключатель зажигания.
Закончен ли ремонт?
-
Система в норме
-

Шум стартера

Чтобы устранить шум стартера при запуски, выполните следующие шаги:
Пункты проверки
Операция, действие
Обратите внимание на воющий шум коленчатого вала перед запуском двигателя. Коленчатый вал двигателя проворачивается и запускается нормально.
Слишком большое расстояние между шестернями стартера и маховиком. Необходимо придвинуть стартер к маховику при помощи компенсационной шайбы.
Проверьте наличие воющего шума после запуска двигателя и отпускания ключа зажигания. Коленчатый вал двигателя проворачивается и запускается нормально. Периодически возникающий шум часто диагностируется как "залипание стартера" или "ослабленное тяговое реле".
Слишком малое расстояние между шестернями стартера и маховиком. Необходимо отодвинуть стартер от маховика при помощи компенсационной шайбы.
Обратите внимание на громкий шум после запуска двигателя и при включенном стартере. Звук похож на сирену, когда при включенном стартере подается газ.
Возможной причиной является неисправное сцепление. Новое сцепление часто помогает решить эту проблему.
Обратите внимание на "гул", "грохот" или в тяжелых случаях "стучание", когда стартер после запуска двигателя останавливается.
Возможной причиной является погнутый или несбалансированный якорь стартера. Новый якорь часто помогает решить эту проблему.
Шумы могут быть устранены подбором исправной компенсационной шайбы.
  1. Обратите внимание на изогнутый или изношенный маховик.
  2. Запустите двигатель и осторожно пометьте вращающийся диск маховика мелом или цветным карандашом, чтобы отметить наибольший зазор между зубьями. Остановите двигатель и поверните маховик так, чтобы помеченные зубья оказались в зоне шестерни стартера.
  3. Отсоедините отрицательный кабель аккумулятора, чтобы предотвратить проворачивание коленчатого вала.
  4. Проверьте зазор между шестерней и маховиком используя калиброванный провод 0,5 мм (0,02 in.) минимальной толщины (или диаметра). Отцентруйте зуб шестерни между маховиком и калиброванным проводом. Не измеряйте в углах, так как размер там может быть ошибочно более значительным. Если зазор ниже минимума, необходимо отодвинуть стартер от маховика при помощи компенсационной шайбы.
  5. Если зазор достигает 1,5 мм (0.06 in.) или больше, необходимо придвинуть стартер к маховику при помощи компенсационной шайбы. Это обычно является причиной повреждения зубьев маховика или корпуса стартера. Придвиньте стартер к маховику при помощи компенсационной шайбы на опорной пластине маховика. Компенсационная шайба толщиной 0,40 мм (0.016 inch) в этом месте уменьшит зазор примерно на 0,30 мм (0.012 in.). Если нет компенсационных шайб, используйте обыкновенные подкладные шайбы или другой подходящий материал.

Проверка аккумуляторной батареи под нагрузкой

  1. Проверьте аккумуляторную батарею на видимые повреждения, такие как сломанный корпус или крышка, которые могут вызвать потерю электролита. Если имеются видимые повреждения, замените аккумуляторную батарею.
  2. Проверьте аккумуляторную батарею на видимые повреждения, такие как сломанный корпус или крышка, которые могут вызвать потерю электролита. Если имеются видимые повреждения, замените аккумуляторную батарею.

Внимание! Не заряжайте аккумуляторную батарею, если ареометр прозрачный или светло-желтый. Вместо этого замените аккумуляторную батарею. Если батарея горячая на ощупь и через вентиляционное отверстие выходит газ или кислота, прервите зарядку или уменьшите ток зарядки во избежание травм.

  1. Проверьте ареометр. Если видна зеленая точка, перейдите к процедуре проверки с нагрузкой. Если индикатор темный, но зеленого цвета не видно, зарядите батарею. Для зарядки снятой аккумуляторной батареи следуйте пункту "Зарядка полностью разряженной аккумуляторной батареи" в этом разделе.
  2. Проверьте ареометр. Если видна зеленая точка, перейдите к процедуре проверки с нагрузкой. Если индикатор темный, но зеленого цвета не видно, зарядите батарею. Для зарядки снятой аккумуляторной батареи следуйте пункту "Зарядка полностью разряженной аккумуляторной батареи" в этом разделе.
  3. Присоедините вольтметр и устройство проверки аккумуляторной батареи под нагрузкой к клеммам батареи.
  4. Подайте ток 300 А на 15 секунд, чтобы снять напряжение на поверхности аккумуляторной батареи.
  5. Уберите нагрузку.
  6. Подождите 15 секунд и подайте нагрузку в 270 А.

Важно: Температуру аккумуляторной батареи оценить на ощупь с учетом температуры окружающей среды за предшествующие несколько часов.

  1. Если напряжение не падает ниже заданного минимума, батарея в норме и может быть установлена на место. Если напряжение ниже заданного минимума, замените аккумуляторную батарею. Следуйте пункту "Технические характеристики аккумуляторной батареи" в этом разделе.
  2. Если напряжение не падает ниже заданного минимума, батарея в норме и может быть установлена на место. Если напряжение ниже заданного минимума, замените аккумуляторную батарею. Следуйте пункту "Технические характеристики аккумуляторной батареи" в этом разделе.

Проверка выходной мощности генератора

  1. Выполните проверку систем генератора. Следуйте пункту "Проверка систем генератора" в этом разделе.
  2. Выполните проверку систем генератора. Следуйте пункту "Проверка систем генератора" в этом разделе.
  3. Замените генератор, если он не прошел проверку. Следуйте пункту "Генератор" в части Обслуживание автомобиля этого раздела. Если он прошел проверку, выполните проверку выходной мощности на автомобиле следующим образом.

Важно: Всегда проверяйте выходную мощность генератора, прежде чем предположить поломку генератора от замыкания на массу клеммы "L".

  1. Присоедините к автомобилю цифровой мультеметр, амперметр и углеродистый пленочный резистор.
  2. Присоедините к автомобилю цифровой мультеметр, амперметр и углеродистый пленочный резистор.

Важно: Убедитесь, что аккумуляторная батарея полностью заряжена и углеродистый пленочный резистор отключен.

  1. При выключенном выключателе зажигания проверьте и запишите напряжение аккумуляторной батареи.
  2. При выключенном выключателе зажигания проверьте и запишите напряжение аккумуляторной батареи.
  3. Снимите разъем жгута проводов с генератора.
  4. Включите зажигание на run при выключенном двигателе. Используйте цифровой мультиметр для проверки напряжения на клемме "L" разъема кабельного жгута.
  5. Показания должны быть примерно равны заданному напряжению 12 В аккумуляторной батареи. Если напряжение слишком мало, проверьте цепь клеммы "L" на замыкание на корпус и обрыв цепи, которые могут вызвать падение напряжения. Исправьте обрывы провода, подключения клемм и т.д., если необходимо. Следуйте пункту "Система зарядки" в этом разделе.
  6. Присоедините разъем жгута проводов генератора.
  7. Запустите двигатель на среднем холостом ходу и измерьте напряжение между клеммами аккумуляторной батареи. Показания должны быть больше, чем записанные в операции 14, но меньше, чем 16 В. Если показания выше 16 В или меньше прежде зафиксированных, замените генератор. Следуйте пункту "Генератор" Обслуживание автомобиля этого раздела.
  8. Запустите двигатель на среднем холостом ходу и измерьте выходной ток генератора.
  9. Включите углеродистый пленочный резистор и отрегулируйте его, чтобы получить максимальный ток при напряжении аккумуляторной батареи выше 13 В.
  10. Если показания в пределах 15 А, помеченных на генераторе, генератор в порядке. Если нет, замените генератор. Следуйте пункту "Генератор" Обслуживание автомобиля этого раздела.
  11. На генераторе, работающем с максимальной выходной мощностью, измерьте напряжение между корпусом генератора и отрицательной клеммой аккумуляторной батареи. Падение напряжения должно составлять 0,5 В или меньше. Если падение напряжение больше 0,5 В, проверьте соединение между корпусом генератора и отрицательным проводом аккумуляторной батареи.
  12. Проверьте, почистите, затяните и перепроверьте все соединения на массу.

T3B11E03
Показать иллюстрациюПеревод текста в иллюстрациях


Проверка систем генератора

При нормальной работе контрольная лампа генератора включается, когода зажигание находится в положении RUN, и выключается при запуске двигателя. Если лампа работает не нормально или аккумуляторная батарея перезаряжена или разряжена, используйте следующую процедуру для диагностики системы зарядки. Помните, что разряженная аккумуляторная батарея бывает следствием не выключенных на ночь приборов, неисправных выключателей ламп, крышки багажника или вещевого ящика.
Проведите проверку генератора следующим образом:
  1. Осмотрите ремень и проводку.
  2. При включенном зажигании и остановленном двигателе, контрольная лампа зарядки должна гореть. Если это не так, отсоедините жгут проводов от генератора и подключите к массе клемму "L" через 5-амперную перемычку.
  1. При включенном зажигании и двигателе, работающем на средних оборотах, контрольная лампа зарядки не должна гореть. Если это не так, отсоедините жгут проводов от генератора.
  2. При включенном зажигании и двигателе, работающем на средних оборотах, контрольная лампа зарядки не должна гореть. Если это не так, отсоедините жгут проводов от генератора.

Важно: Всегда проверяйте выходную мощность генератора, прежде чем предположить поломку генератора от замыкания на массу клеммы "L". Следуйте пункту "Генератор" в разделе Ремонт агрегата.



На предыдущую страницуНа следующую страницу
https://vnx.su/ 🛠 Руководства по ремонту и эксплуатации для автомобилей

Поиск по сайту

Остались вопросы или пожелания? Пишите на почту: support@vnx.su

Карта Сайта