К началу документа
Aveo
На предыдущую страницу На следующую страницу
Главная страница GMDE Загрузить нединамическое оглавление Загрузить динамическое оглавление Помощь

РАЗДЕЛ 9Q

КРЫША

ТЕХНИЧЕСКИЕ ХАРАКТЕРИСТИКИ

Моменты затяжки резьбовых соединений

ПРОГРАММА
Н•м
фунт-фут
фунт-дюйм
Болты ремня безопасности на средней стойке
38
28
-
Винты освещения салона при открытии двери/переключателя управления люком в крыше с электроприводом
2.5
-
22
Винты крепления вспомогательных поручней для пассажира.
3.5
-
31
Винты стекла люка в крыше
7
-
62
Болты крепления корпуса люка в крыше
7
-
62
Винты мотора люка в крыше
5
-
44
Винты солнцезащитного козырька
1.5
-
13
Опорный винт солнцезащитного козырька
1.5
-
13

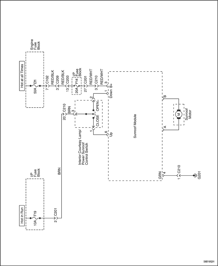
ПРИНЦИПИАЛЬНЫЕ И МОНТАЖНЫЕ СХЕМЫ

Система люка в крыше с электроприводом


S6B19Q01
Показать иллюстрациюПеревод текста в иллюстрациях


ДИАГНОСТИКА

Люк в крыше с электроприводом

Люк в крыше не работает

Шаг Операция Значения Да Нет
1
Проверить предохранители f19 и ef1.
Перегорел ли один из этих предохранителей?
-
Перейдите на Шаг 2
Перейдите на Шаг 3
2
  1. Проверьте на предмет короткого замыкания и при необходимости устраните его.
  2. Заменить сгоревший(ие) предохранитель(и).
Ремонт закончен?
-
Система в норме
-
3
  1. Установите зажигание в положение on.
  2. Проверить напряжение на предохранителях f19 и ef1.
Равны ли напряжения указанному значению?
11-14 В
Перейдите на Шаг 5
Перейдите на Шаг 4
4
Отремонтировать источник подачи питания на предохранитель, который не показывал напряжение батареи при включенном зажигании.
Ремонт закончен?
-
Система в норме
-
5
  1. Отсоединить освещение салона при открытии двери/разъем переключателя управления люком в крыше с электроприводом
  2. Установите зажигание в положение on.
  3. Проверить напряжение на клемме 3 освещения салона при открытии двери/разъеме переключателя управления люка в крыше с электроприводом.
Равно ли напряжение указанному значению?
11-14 В
Перейдите на Шаг 7
Перейдите на Шаг 6
6
Устранить разрыв в цепи между предохранителем f19 и разъемом переключателя освещения салона при открытии двери/управления люком в крыше с электроприводом.
Ремонт закончен?
-
Система в норме
-
7
  1. Присоединить разъем переключателя освещения салона при открытии двери/управления люком в крыше с электроприводом.
  2. При переключателе люка в положении open (Открыто) проверить напряжение на клемме 2 освещения салона при открытии двери/разъеме переключателя управления люка в крыше с электроприводом.
  3. При переключателе люка в положении close(закрыто) проверить напряжение на клемме 1 освещения салона при открытии двери/разъеме переключателя управления люка в крыше с электроприводом.
Оба напряжения равны указанным значениям?
11-14 В
Перейдите на Шаг 9
Перейдите на Шаг 8
8
Заменить контрольный переключатель освещения салона при открытии двери/люка в крыше с электроприводом.
Ремонт закончен?
-
Система в норме
-
9
  1. Отсоединить разъем модуля люка.
  2. При переключателе люка, установленном в положение open (открыто), проверить напряжение на клемме 1 разъема модуля люка.
  3. При переключателе люка, установленном в положение close(закрыто), проверить напряжение на клемме 6 разъема модуля люка.
Напряжения равны указанным значениям?
11-14 В
Перейдите на Шаг 11
Перейдите на Шаг 10
10
Отремонтировать разомкнутую цепь между контрольным переключателем освещения салона при открытии двери/люка в крыше с электроприводом и разъемом модуля люка.
Ремонт закончен?
-
Система в норме
-
11
  1. Присоединить модуль люка.
  2. Снять мотор люка, оставив прикрепленными соединители (разъемы).
  3. Установите зажигание в положение on.
  4. С помощью переключателя люка попробуйте работу мотора в обоих направлениях.
Мотор работает?
-
Перейдите на Шаг 12
Перейдите на Шаг 13
12
Отремонтировать застопоренный механизм люка в крыше.
Ремонт закончен?
-
Система в норме
-
13
  1. Отсоединить оба однопроводных разъема на моторе люка.
  2. Подключить вольтметр между однопроводными соединителями со стороны модуля.
  3. Установите зажигание в положение on.
  4. Поставить переключатель люка в положение open (открыто) и снять показания вольтметра.
  5. Поставить переключатель люка в положение close (закрыто) и снять показания вольтметра.
Вольтметр показывает указанное напряжение, когда переключатель находится в положении open (открыто) или close (закрыто) (одно из положений переключателя должно показывать обратную полярность)?
11-14 В
Перейдите на Шаг 15
Перейдите на Шаг 14
14
Заменить модуль люка крыши.
Ремонт закончен?
-
Система в норме
-
15
Заменить мотор люка в крыше.
Люк работает с новым мотором?
-
Система в норме
Перейдите на Шаг 14

ТЕХНИЧЕСКОЕ ОБСЛУЖИВАНИЕ И РЕМОНТ

РАБОТЫ НА АВТОМОБИЛЕ



T3B19Q02
Показать иллюстрациюПеревод текста в иллюстрациях


Люк в крыше с электроприводом

Процедура снятия

  1. Отсоедините провод от отрицательного вывода аккумуляторной батареи.
  2. Снять обивку потолка салона. Перейти к "Фасонная обивка потолка салона "в этом разделе.
  3. Снять сливные шланги.
  4. Снять стяжку.
  5. Отсоединить электрический разъем.
  6. Снять болты и электродвигатель.


  7. T3B19Q03
    Показать иллюстрациюПеревод текста в иллюстрациях


  8. Отсоединить электрический разъем.
  9. Снять стяжку.
  10. Снять блок управления мотора.


  11. T3B19Q04
    Показать иллюстрациюПеревод текста в иллюстрациях


  12. Снять болты и корпус люка в крыше с автомобиля.


  13. T3B19Q05
    Показать иллюстрациюПеревод текста в иллюстрациях


  14. Снять сливной желобок.
  15. Снять солнцезащитный экран.


T3B19Q05
Показать иллюстрациюПеревод текста в иллюстрациях


Процедура установки

    Примечание: Непосредственный контакт разнородных металлов может привести к быстрой коррозии. Во избежание преждевременной коррозии используйте надлежащий крепеж.

  1. Установить солнцезащитный экран.


  2. T3B19Q04
    Показать иллюстрациюПеревод текста в иллюстрациях


  3. Установить корпус люка в крыше.
  4. Затянуть
    Затянуть болты корпуса люка с усилием 7 Н•м (62 фунт-дюйм).



    T3B19Q03
    Показать иллюстрациюПеревод текста в иллюстрациях


  5. Установить блок управления мотора.


  6. T3B19Q02
    Показать иллюстрациюПеревод текста в иллюстрациях


  7. Установить электродвигатель.
  8. Затянуть
    Затянуть винты электродвигателя люка в крыше с усилием 5 Н•м (44 фунт-дюйм).

  9. Установить сливные шланги.
  10. Установить обивку потолка салона. Перейти к "Фасонная обивка потолка салона "в этом разделе.
  11. Присоединить провод к отрицательному выводу аккумуляторной батареи


T3B19B27
Показать иллюстрациюПеревод текста в иллюстрациях


Освещение салона при открытии двери/переключатель управления люком в крыше с электроприводом

Процедура снятия

  1. Отсоедините провод от отрицательного вывода аккумуляторной батареи.
  2. Протереть линзу освещения салона при открытии двери .
  3. Снять винты и освещение/переключатель управления люком в крыше с электроприводом.
  4. Отсоединить электрический разъем.


T3B19B27
Показать иллюстрациюПеревод текста в иллюстрациях


Процедура установки

  1. Подсоединить электрический разъем.
  2. Примечание: Непосредственный контакт разнородных металлов может привести к быстрой коррозии. Во избежание преждевременной коррозии используйте надлежащий крепеж.

  3. Установить освещение/переключатель управления люком в крыше с электроприводом с помощью винтов.
  4. Затянуть
    Затянуть винты освещения салона при открытии двери/переключателя управления люком в крыше с электроприводом с усилием 2,5 Н•м (22 фунт-дюйм).

  5. Установить линзу освещения салона при открытии двери .
  6. Присоедините провод к отрицательному выводу аккумуляторной батареи.


T3B19Q06
Показать иллюстрациюПеревод текста в иллюстрациях


Фасонная обивка потолка салона

Процедура снятия

  1. Снять вспомогательные поручни для пассажира. Перейти к "Вспомогательные поручни для пассажира"в этом разделе.
  2. Снять пластмассовые фиксаторы в обивке потолка салона со стороны водителя.


  3. T3B19G23
    Показать иллюстрациюПеревод текста в иллюстрациях


  4. Снять солнцезащитные козырьки. См. "Солнцезащитные козырьки" в этом разделе.
  5. Снять лампу освещения салона при открытии двери. См. "Освещение салона при открытии двери/переключатель управления люком в крыше с электроприводом" в этом разделе.
  6. Снять левые и правые панели обивки передней стойки.


  7. T3B19G06
    Показать иллюстрациюПеревод текста в иллюстрациях


  8. Открутить болты и снять крепления ремней безопасности с левой и правой средних стоек. См. раздел 8А, Ремни безопасности.
  9. Снять панели обивки левой и правой средних стоек. См.


  10. S6B59Q01
    Показать иллюстрациюПеревод текста в иллюстрациях


  11. Снять левые и правые панели обивки передней стойки.
  12. Снять молдинг люка, если имеется.
  13. Снять пластмассовые фиксаторы в обивке вдоль заднего стекла.
  14. Сдвинуть и наклонить оба передних сиденья вперед.
  15. Оттянуть обивку потолка салона вниз и повернуть ее на 45 градусов.
  16. Извлечь обивку потолка салона через заднюю дверь.


S6B59Q01
Показать иллюстрациюПеревод текста в иллюстрациях


Процедура установки

  1. Откинуть оба передних сиденья.
  2. Наклонить обивку потолка салона набок и задвинуть ее через заднюю дверь.
  3. Наклонить обивку потолка салона и повернуть ее до тех пор, пока она не займет свое положение. Втолкнуть ее на место до тех пор, пока уплотнители вокруг дверей не покроют края обивки потолка салона.
  4. Установить пластмассовые фиксаторы вдоль заднего стекла.


  5. T3B19Q06
    Показать иллюстрациюПеревод текста в иллюстрациях


  6. Установить пластмассовые фиксаторы в обивку потолка салона со стороны водителя.


  7. T3B19G06
    Показать иллюстрациюПеревод текста в иллюстрациях


  8. Установить молдинг люка, если имеется.
  9. Установить левые и правые панели обивки задней стойки.
  10. Установить панели обивки левой и правой средних стоек в исходное положение.


  11. T3B19Q07
    Показать иллюстрациюПеревод текста в иллюстрациях


    Примечание: Непосредственный контакт разнородных металлов может привести к быстрой коррозии. Во избежание преждевременной коррозии используйте надлежащий крепеж.

  12. Установить крепления ремней безопасности с помощью болтов в левую и правую панели средних стоек. См. Раздел 8A, Ремни безопасности.
  13. Затянуть
    Затянуть болты ремня безопасности на средней стойке с усилием 38 Н•м (28 фунт-футов).



    T3B19G23
    Показать иллюстрациюПеревод текста в иллюстрациях


  14. Установить левые и правые панели обивки передней стойки.
  15. Установить лампу освещения салона при открытии двери. См. "Освещение салона при открытии двери/переключатель управления люком в крыше с электроприводом" в этом разделе.
  16. Установить солнцезащитные козырьки. См. "Солнцезащитные козырьки" в этом разделе.
  17. Установить вспомогательные поручни для пассажира. Перейти к "Вспомогательные поручни для пассажира"в этом разделе.


S6B59Q02
Показать иллюстрациюПеревод текста в иллюстрациях


Солнцезащитные козырьки

Процедура снятия

  1. Снять винты и солнцезащитный козырек с обивки потолка салона.


  2. S6B59Q03
    Показать иллюстрациюПеревод текста в иллюстрациях


  3. Снять винт и опору солнцезащитного козырька с обивки потолка салона.


S6B59Q03
Показать иллюстрациюПеревод текста в иллюстрациях


Процедура установки

    Примечание: Непосредственный контакт разнородных металлов может привести к быстрой коррозии. Во избежание преждевременной коррозии используйте надлежащий крепеж.

  1. Установить опору солнцезащитного козырька на обивке потолка салона с помощью винта.
  2. Затянуть
    Затянуть винт опоры солнцезащитного козырька с усилием 1,5 Н•м (13 фунт-дюймов).



    S6B59Q02
    Показать иллюстрациюПеревод текста в иллюстрациях


  3. Прикрепить солнцезащитный козырек к обивке потолка салона с помощью винтов.
  4. Затянуть
    Затянуть винты солнцезащитного козырька с усилием 1,5 Н•м (13 фунт-дюймов).



S6B59Q04
Показать иллюстрациюПеревод текста в иллюстрациях


Вспомогательные поручни для пассажира

Процедура снятия

  1. cнять винты и вспомогательный поручень с обивки потолка салона.


S6B59Q04
Показать иллюстрациюПеревод текста в иллюстрациях


Процедура установки

    Примечание: Непосредственный контакт разнородных металлов может привести к быстрой коррозии. Во избежание преждевременной коррозии используйте надлежащий крепеж.

  1. Установить вспомогательный поручень на обивку потолка салона с помощью винтов.
  2. Затянуть
    Затянуть винты вспомогательного поручня со стороны пассажира с усилием 3,5 Н•м (31 фунт-дюйм).

ОБЩЕЕ ОПИСАНИЕ И РАБОТА СИСТЕМЫ

Крыша

Крыша представляет собой цельный окрашенный металлический блок, в который входит одна сплошная обивка потолка салона и два молдинга, по одному с каждого бока крыши автомобиля.
Молдинги, которые закрывают и прячут швы продольного бруса крыши, являются отдельными обслуживаемыми блоками.
Цельная фасонная обивка потолка салона, общая как для нотчбэк, так и для хэтчбэк, состоит из литой подложки, покрытой тканевым внешним слоем с изнанкой из вспененного материала. Цельная конструкция требует обслуживания обивки потолка салона как одного целого.

Люк в крыше с электроприводом

Люк встраивается в крышу и изготавливается из стекла. Он предназначен для доступа света и воздуха через крышу автомобиля. Люк в крыше приводится электродвигателем и управляется тумблером, встроенным в блок освещения салона при открытии двери. Люк в крыше также оснащается солнцезащитным экраном, который открывается и закрывается вручную.

Переключатель управления люком в крыше с электроприводом

Переключатель управления люком в крыше с электроприводом представляет собой тумблер, расположенный на правой стороне узла освещения салона при открытии двери/переключателя управления люком в крыше с электроприводом.

Работа люка в крыше с электроприводом

Для работы люка в крыше с электроприводом зажигание должно находиться в положении ON.

Приподнятие люка в крыше с электроприводом при открытии и закрытии

Чтобы приподнять заднюю часть люка в крыше с электроприводом, нажать и удерживать переднюю часть тумблера до тех пор, пока люк в крыше с электроприводом не приоткроется.
Чтобы закрыть люк в крыше с электроприводом из приподнятого положения, нажать и удерживать заднюю часть тумблера до тех пор, пока люк в крыше с электроприводом не закроется.

Сдвиг люка в крыше с электроприводом при открытии и закрытии

Чтобы приоткрыть со сдвигом люк в крыше с электроприводом, нажать заднюю часть тумблера до тех пор, пока люк не сдвинется. Если солнцезащитный экран закрыт, то люк в крыше с электроприводом, втягивая, открывает солнцезащитный экран по мере открытия люка в крыше.
Чтобы закрыть люк в крыше с электроприводом из приоткрытого со сдвигом положения, нажать переднюю часть тумблера до тех пор, пока люк не закроется.

Солнцезащитные козырьки

Солнцезащитные козырьки опускаются, чтобы закрывать от яркого света. Они также сдвигаются в сторону, когда они сняты с суппорта. В каждом солнцезащитном козырьке имеется косметическое зеркало.

Вспомогательные поручни для пассажира

Вспомогательный поручень для пассажира устанавливается для правого заднего бокового и переднего сиденья пассажира. Пассажиры могут использовать эти поручни в качестве вспомогательного средства для удерживания равновесия при езде по плохим дорогам или во время крутых поворотов.

Крючок для одежды

Крючок для одежды крепится к обивке потолка салона над левым задним сиденьем пассажира.


На предыдущую страницу На следующую страницу
https://vnx.su/ 🛠 Руководства по ремонту и эксплуатации для автомобилей

Поиск по сайту

Остались вопросы или пожелания? Пишите на почту: support@vnx.su

Карта Сайта