К началу документа
Aveo
На предыдущую страницу На следующую страницу
Главная страница GMDE Загрузить нединамическое оглавление Загрузить динамическое оглавление Помощь

РАЗДЕЛ 9P

ДВЕРИ

Внимание! Отсоедините провод от отрицательного вывода аккумулятора, прежде чем снимать или устанавливать какие-либо электрические устройства, а также в ситуации, когда есть возможность касания оголенных электрических контактов каким-либо инструментом или приспособлением. Отсоединение этого провода позволяет избежать травм и повреждения оборудования автомобиля. Кроме того, если не указано иное, зажигание должно находиться в положении LOCK.

ТЕХНИЧЕСКИЕ ХАРАКТЕРИСТИКИ

Моменты затяжки резьбовых соединений

ПРОГРАММА
Н•м
фунт-фут
фунт-дюйм
Болты крепления дверных петель к кузову.
20
15
-
Болты крепления дверных петель к двери.
20
15
-
Болты крепления фиксатора открытого положения двери к кузову
35
26
-
Болты крепления звена двери к двери.
5
-
44
Винты замка двери
8
-
71
Винты фиксатора замка двери
24
18
-
Винты кронштейна двери
3.5
-
31
Болты направляющей рельсы
7
-
62
Винт внутренней ручки двери
3
-
27
Болты наружной ручки двери
4.5
-
40
Гайки стеклоподъемника
7
-
62

ПРИНЦИПИАЛЬНЫЕ И МОНТАЖНЫЕ СХЕМЫ

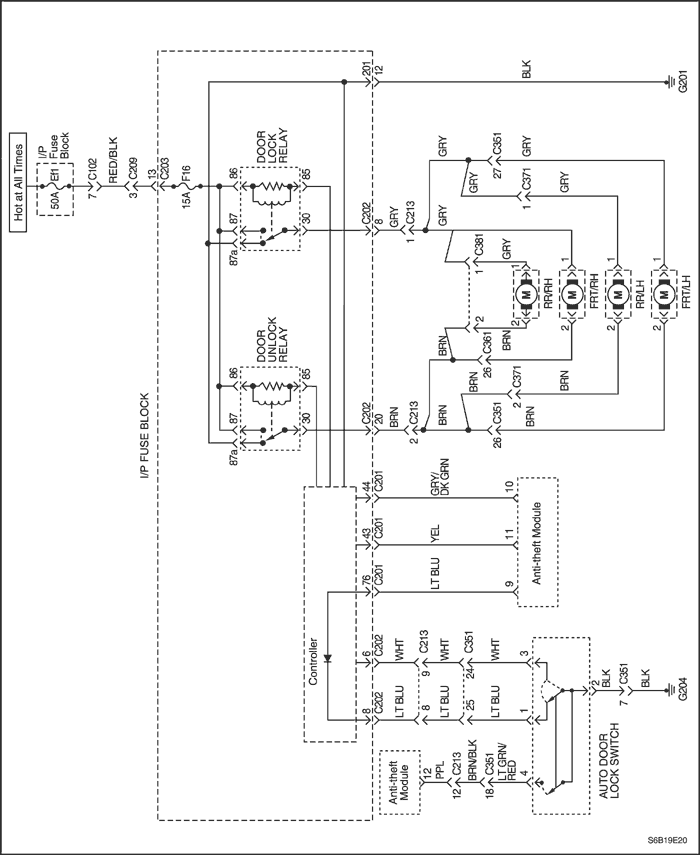
Цепь замков двери с электроприводом


S6B19E20
Показать иллюстрациюПеревод текста в иллюстрациях


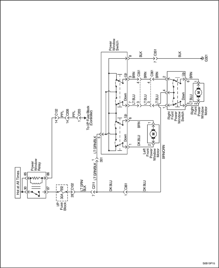
Цепь электрических стеклоподъемников - только спереди


S6B19P15
Показать иллюстрациюПеревод текста в иллюстрациях


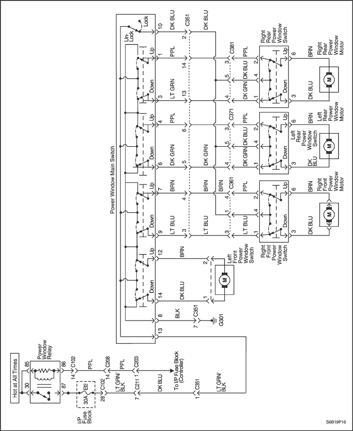
Цепь электрических стеклоподъемников - спереди и сзади


S6B19P16
Показать иллюстрациюПеревод текста в иллюстрациях


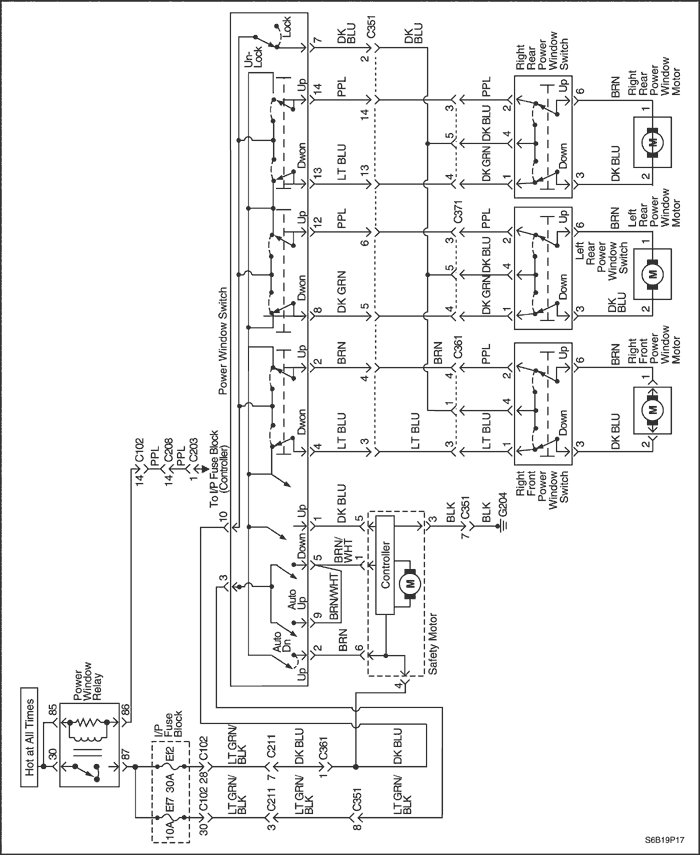
Цепь электрических стеклоподъемников - спереди и сзади: с функцией безопасности


S6B19P17
Показать иллюстрациюПеревод текста в иллюстрациях


ДИАГНОСТИКА

Электрические стеклоподъемники

Система, в которой не работают только передние электрические стеклоподъемники, один или оба стеклоподъемника.

Внимание! Если питание на моторы стеклоподъемников подается непосредственно от аккумуляторной батареи с помощью перемычек, то убедитесь в том, что одна из перемычек содержит плавкий предохранитель. Если случайно перемычки соприкоснутся, предохранитель защитит от искрения и возгорания от внезапного нагрева разъема.

Шаг Операция Значения Да Нет
1
  1. Установите зажигание в положение on.
  2. Попытайтесь поработать с обоими электрическими стеклоподъемниками.
Работает ли какой-нибудь из стеклоподъемников?
-
Перейти на Шаг 18
Перейдите на Шаг 2
2
Визуально осмотреть соединение на двойном переключателе электрического стеклоподъемника.
Электрический разъем правильно соединен с переключателем?
-
Перейдите на Шаг 4
Перейдите на Шаг 3
3
Правильно прикрепить электрический разъем к двойному переключателю электрического стеклоподъемника.
Ремонт закончен?
-
Система в норме
-
4
  1. Отсоединить электрический разъем от двойного переключателя электрического стеклоподъемника.
  2. Установите зажигание в положение on.
  3. Проверить напряжение на клемме 3 разъема главного переключателя электрического стеклоподъемника.
Равно ли напряжение указанному значению?
11-14 В
Перейдите на Шаг 16
Перейдите на Шаг 5
5
Проверить предохранители ef2.
Перегорел ли один из этих предохранителей?
-
Перейдите на Шаг 6
Перейдите на Шаг 7
6
  1. Проверьте на предмет короткого замыкания и при необходимости отремонтируйте.
  2. Заменить перегоревший предохранитель.
Ремонт закончен?
-
Система в норме
-
7
  1. Установите зажигание в положение on.
  2. Проверить напряжения на предохранителях ef2.
Равны ли напряжения указанному значению?
11-14 В
Перейдите на Шаг 9
Перейдите на Шаг 8
8
Отремонтировать источник подачи питания на предохранитель, который не показывал напряжение батареи при включенном зажигании.
Ремонт закончен?
-
Система в норме
-
9
  1. Снять реле электрического стеклоподъемника.
  2. Установите зажигание в положение on.
  3. Проверить напряжение на клемме 30 и 85 патрона реле электрического стеклоподъемника. (Клеммы патрона реле могут иметь маркировку на нижней части реле.)
Вольтметр показывает установленное значение на клеммах 30 и 85?
11-14 В
Перейдите на Шаг 11
Перейдите на Шаг 10
10
Отремонтировать разомкнутую цепь между предохранителями и реле электрического стеклоподъемника.
Ремонт закончен?
-
Система в норме
-
11
Оставив реле электрического стеклоподъемника снятым, с помощью омметра проверить сопротивление между массой и клеммой 87 патрона реле электрического стеклоподъемника.
Показывает ли омметр указанное значение?
≈ 0 Ом
Перейдите на Шаг 13
Перейдите на Шаг 12
12
Отремонтировать разомкнутую цепь между массой и клеммой 86 патрона реле электрического стеклоподъемника.
Ремонт закончен?
-
Система в норме
-
13
  1. Временно поставьте хорошее реле вместо реле электрического стеклоподъемника.
  2. Попытайтесь поработать с электрическими стеклоподъемниками.
Электрические стеклоподъемники работают с подменным реле?
-
Перейдите на Шаг 14
Перейдите на Шаг 15
14
  1. Установить заменявшее реле на место.
  2. Заменить исходное реле электрического стеклоподъемника.
Ремонт закончен?
-
Система в норме
-
15
Устранить разрыв цепи между выводом 86 патрона реле электрического стеклоподъемника и выводом 5 двойного переключателя электрического стеклоподъемника.
Ремонт закончен?
-
Система в норме
-
16
При отключенном двойном переключателе электрического стеклоподъемника с помощью омметра проверить сопротивление между массой и выводом 8 разъема двойного переключателя электрического стеклоподъемника.
Равно ли сопротивление указанному значению?
≈ 0 Ом
Перейти на Шаг 18
Перейдите на Шаг 17
17
Устранить разрыв в цепи между массой и выводом 8 разъема двойного переключателя стеклоподъемника.
Ремонт закончен?
-
Система в норме
-
18
  1. Снять панель обивки двери, на которой установлен неработающий электрический стеклоподъемник.
  2. Переместить аккумуляторную батарею поближе к двери так, чтобы мотор стеклоподъемника мог питаться непосредственно от батареи с помощью проволочных перемычек.
  3. Отсоединить двухштырьковый соединитель мотора стеклоподъемника в двери.

Важно: Чтобы избежать перегорания предохранителя в проводной перемычке, не прикасайтесь одновременно к обеим перемычкам.

  1. Закрепить проводную перемычку между отрицательной клеммой батареи и одной из клемм в двухштырьковом разъеме мотора стеклоподъемника.
  2. Закрепить проводную перемычку между положительной клеммой батареи и оставшейся клеммой в двухштырьковом разъеме мотора стеклоподъемника. Пока мотор не окажется в конце своего хода, стеклоподъемник должен двигаться с прикрепленными перемычками.
  3. Чтобы переместить стекло в обратном направлении, нужно поменять соединения проводных соединений на разъеме мотора электрического двигателя.
Электрический стеклоподъемник работает в обоих направлениях, если мотор приводится в работу непосредственно от батареи?
-
Перейти на Шаг 20
Перейти на Шаг 19
19
Заменить мотор стеклоподъемника.
Ремонт закончен?
-
Система в норме
-
20
  1. Перед присоединением двухштырькового разъема мотора стеклоподъемника подключить омметр между клеммами, чтобы проверить сопротивление мотора.
  2. Снять показание омметра для сопротивления мотора.
  3. Присоединить разъем мотора и установить панель обивки двери.
  4. Отсоединить электрический разъем от двойного переключателя электрического стеклоподъемника.
  5. На разъеме двойного переключателя электрического стеклоподъемника с помощью омметра проверить сопротивление между клеммами, которые ведут к мотору, проверенному во время шаг 15
Сопротивление на разъеме переключателя приблизительно равно сопротивлению, которое ранее было измерено на разъеме мотора?
-
Перейдите на Шаг 22
Перейдите на Шаг 21
21
Отремонтировать разомкнутую цепь между мотором стеклоподъемника и переключателем стеклоподъемника.
Ремонт закончен?
-
Система в норме
-
22
Заменить переключатель электрического стеклоподъемника.
Ремонт закончен?
-
Система в норме
-

Система с передними и задними электрическими стеклоподъемниками, при этом один или оба передних стеклоподъемника не работают.

Внимание! Если питание на моторы стеклоподъемников подается непосредственно от аккумуляторной батареи с помощью перемычек, то убедитесь в том, что одна из перемычек содержит плавкий предохранитель. Если случайно перемычки соприкоснутся, предохранитель защитит от искрения и возгорания от внезапного нагрева разъема.

Шаг Операция Значения Да Нет
1
  1. Установите зажигание в положение on.
  2. Попытайтесь поработать с каждым передним электрическим стеклоподъемником.
Работает ли какой-нибудь из стеклоподъемников?
-
Перейти на Шаг 18
Перейдите на Шаг 2
2
Визуально проверить соединение на главном переключателе электрического стеклоподъемника.
Электрический разъем правильно соединен с главным переключателем?
-
Перейдите на Шаг 4
Перейдите на Шаг 3
3
Правильно прикрепить электрический разъем к главному переключателю электрического стеклоподъемника.
Ремонт закончен?
-
Система в норме
-
4
  1. Отсоединить электрический разъем от главного переключателя электрического стеклоподъемника.
  2. Установите зажигание в положение on.
  3. Проверить напряжение на клемме 13 разъема главного переключателя электрического стеклоподъемника.
Равно ли напряжение указанному значению?
11-14 В
Перейдите на Шаг 16
Перейдите на Шаг 5
5
Проверить предохранители ef2.
Перегорел ли один из этих предохранителей?
-
Перейдите на Шаг 6
Перейдите на Шаг 7
6
  1. Проверьте на предмет короткого замыкания и при необходимости отремонтируйте.
  2. Заменить перегоревший предохранитель.
Ремонт закончен?
-
Система в норме
-
7
  1. Установите зажигание в положение on.
  2. Проверить напряжения на предохранителях ef2.
Равны ли напряжения указанному значению?
11-14 В
Перейдите на Шаг 9
Перейдите на Шаг 8
8
Отремонтировать источник подачи питания на предохранитель, который не показывал напряжение батареи при включенном зажигании.
Ремонт закончен?
-
Система в норме
-
9
  1. Снять реле электрического стеклоподъемника.
  2. Установите зажигание в положение on.
  3. Проверить напряжение на клемме 30 и 85 патрона реле электрического стеклоподъемника. (Клеммы патрона реле могут иметь маркировку на нижней части реле.)
Показывает ли вольтметр указанное значение?
11-14 В
Перейдите на Шаг 11
Перейдите на Шаг 10
10
Отремонтировать разомкнутую цепь между предохранителями и реле электрического стеклоподъемника.
Ремонт закончен?
-
Система в норме
-
11
Оставив реле электрического стеклоподъемника снятым, с помощью омметра проверить сопротивление между массой и клеммой 86 патрона реле электрического стеклоподъемника.
Показывает ли омметр указанное значение?
≈ 0 Ом
Перейдите на Шаг 13
Перейдите на Шаг 12
12
Отремонтировать разомкнутую цепь между массой и клеммой 86 патрона реле электрического стеклоподъемника.
Ремонт закончен?
-
Система в норме
-
13
  1. Временно поставьте хорошее реле вместо реле электрического стеклоподъемника.
  2. Попытайтесь поработать с электрическими стеклоподъемниками.
Электрические стеклоподъемники работают с подменным реле?
-
Перейдите на Шаг 14
Перейдите на Шаг 15
14
  1. Установить заменявшее реле на место.
  2. Заменить исходное реле электрического стеклоподъемника.
Ремонт закончен?
-
Система в норме
-
15
Устранить разрыв цепи между выводом 87 патрона реле электрического стеклоподъемника и выводом 13 переключателя электрического стеклоподъемника.
Ремонт закончен?
-
Система в норме
-
16
При отключенном главном переключателе электрического стеклоподъемника с помощью омметра проверьте сопротивление между массой и клеммой 8 разъема двойного переключателя электрического стеклоподъемника.
Равно ли сопротивление указанному значению?
≈ 0 Ом
Перейти на Шаг 18
Перейдите на Шаг 17
17
Отремонтировать разомкнутую цепь между массой и клеммой 8 разъема главного переключателя стеклоподъемника.
Ремонт закончен?
-
Система в норме
-
18
  1. Снять панель обивки передней двери, на которой установлен неработающий электрический стеклоподъемник.
  2. Переместить аккумуляторную батарею поближе к двери так, чтобы мотор стеклоподъемника мог питаться непосредственно от батареи с помощью проволочных перемычек.
  3. Отсоединить двухштырьковый соединитель мотора стеклоподъемника в двери.
  4. Закрепить проводную перемычку между отрицательной клеммой батареи и одной из клемм в двухштырьковом разъеме мотора стеклоподъемника.
  5. Закрепить проводную перемычку между положительной клеммой батареи и оставшейся клеммой в двухштырьковом разъеме мотора стеклоподъемника. Пока мотор не окажется в конце своего хода, стеклоподъемник должен двигаться с прикрепленными перемычками.
  6. Чтобы переместить стекло в обратном направлении, нужно поменять соединения проводных соединений на разъеме мотора электрического двигателя.
Электрический стеклоподъемник работает в обоих направлениях, если мотор приводится в работу непосредственно от батареи?

Важно: Чтобы избежать перегорания предохранителя в проводной перемычке, не прикасайтесь одновременно к обеим перемычкам.

-
Перейти на Шаг 20
Перейти на Шаг 19
19
Заменить мотор стеклоподъемника.
Ремонт закончен?
-
Система в норме
-
20
  1. Перед присоединением двухштырькового разъема мотора стеклоподъемника подключить омметр между клеммами, чтобы проверить сопротивление мотора.
  2. Снять показание омметра для сопротивления мотора.
  3. Присоединить разъем мотора и установить панель обивки двери.
  4. Отсоединить электрический разъем от переключателя электрического стеклоподъемника.
  5. На разъеме главного переключателя электрического стеклоподъемника с помощью омметра проверить сопротивление между клеммами и клеммами, которые ведут к мотору, проверенному во время шаг 15
Сопротивление на разъеме главного переключателя приблизительно равно сопротивлению, которое ранее было измерено на разъеме мотора?
-
Перейдите на Шаг 22
Перейдите на Шаг 21
21
Отремонтировать разомкнутую цепь между мотором стеклоподъемника и переключателем стеклоподъемника.
Ремонт закончен?
-
Система в норме
-
22
Заменить переключатель электрического стеклоподъемника.
Ремонт закончен?
-
Система в норме
-

Система с передними и задними электрическими стеклоподъемниками, при этом один или оба задних стеклоподъемника не работают.

Внимание! Если питание на моторы стеклоподъемников подается непосредственно от аккумуляторной батареи с помощью перемычек, то убедитесь в том, что одна из перемычек содержит плавкий предохранитель. Если случайно перемычки соприкоснутся, предохранитель защитит от искрения и возгорания от внезапного нагрева разъема.

Шаг Операция Значения Да Нет
1
  1. Установите зажигание в положение on.
  2. Проверьте, не установлен ли главный переключатель электрического стеклоподъемника в положение блокировки стеклоподъемника.
Работает ли хотя бы одни из задних стеклоподъемников?
-
Перейти на Шаг 18
Перейдите на Шаг 2
2
Визуально проверить соединение на главном переключателе электрического стеклоподъемника.
Электрический разъем правильно соединен с главным переключателем?
-
Перейдите на Шаг 4
Перейдите на Шаг 3
3
Правильно прикрепить электрический разъем к главному переключателю электрического стеклоподъемника.
Ремонт закончен?
-
Система в норме
-
4
  1. Отсоединить электрический разъем от главного переключателя электрического стеклоподъемника.
  2. Установите зажигание в положение on.
  3. Проверить напряжение на клемме 13 разъема главного переключателя электрического стеклоподъемника.
Равно ли напряжение указанному значению?
11-14 В
Перейдите на Шаг 16
Перейдите на Шаг 5
5
Проверить предохранители ef2.
Перегорел ли один из этих предохранителей?
-
Перейдите на Шаг 6
Перейдите на Шаг 7
6
  1. Проверьте на предмет короткого замыкания и при необходимости отремонтируйте.
  2. Заменить перегоревший предохранитель.
Ремонт закончен?
-
Система в норме
-
7
  1. Установите зажигание в положение on.
  2. Проверить напряжения на предохранителях ef2.
Равны ли напряжения указанному значению?
11-14 В
Перейдите на Шаг 9
Перейдите на Шаг 8
8
Отремонтировать источник подачи питания на предохранитель, который не показывал напряжение батареи при включенном зажигании.
Ремонт закончен?
-
Система в норме
-
9
  1. Установите зажигание в положение on.
  2. Снять реле электрического стеклоподъемника.
  3. Проверить напряжение на клемме 30 и 85 патрона реле электрического стеклоподъемника. (Клеммы патрона реле могут иметь маркировку на нижней части реле.)
Показывает ли вольтметр указанное значение?
11-14 В
Перейдите на Шаг 11
Перейдите на Шаг 10
10
Отремонтировать разомкнутую цепь между предохранителями и реле электрического стеклоподъемника.
Ремонт закончен?
-
Система в норме
-
11
Оставив реле электрического стеклоподъемника снятым, с помощью омметра проверить сопротивление между массой и клеммой 86 патрона реле электрического стеклоподъемника.
Показывает ли омметр указанное значение?
≈ 0 Ом
Перейдите на Шаг 13
Перейдите на Шаг 12
12
Отремонтировать разомкнутую цепь между массой и клеммой 86 патрона реле электрического стеклоподъемника.
Ремонт закончен?
-
Система в норме
-
13
  1. Временно поставьте хорошее реле вместо реле электрического стеклоподъемника.
  2. Попытайтесь поработать с электрическими стеклоподъемниками.
Электрические стеклоподъемники работают с подменным реле?
-
Перейдите на Шаг 14
Перейдите на Шаг 15
14
  1. Установить заменявшее реле на место.
  2. Заменить исходное реле электрического стеклоподъемника.
Ремонт закончен?
-
Система в норме
-
15
Устранить разрыв цепи между выводом 87 патрона реле электрического стеклоподъемника и выводом 13 главного переключателя электрического стеклоподъемника.
Ремонт закончен?
-
Система в норме
-
16
При отключенном главном переключателе электрического стеклоподъемника с помощью омметра проверьте сопротивление между массой и клеммой 8 разъема главного переключателя электрического стеклоподъемника.
Равно ли сопротивление указанному значению?
≈ 0 Ом
Перейти на Шаг 18
Перейдите на Шаг 17
17
Отремонтировать разомкнутую цепь между массой и клеммой 8 разъема переключателя электрического стеклоподъемника.
Ремонт закончен?
-
Система в норме
-
18
  1. Снять панель обивки задней двери, на которой установлен неработающий электрический стеклоподъемник.
  2. Переместить аккумуляторную батарею поближе к двери так, чтобы мотор стеклоподъемника мог питаться непосредственно от батареи с помощью проволочных перемычек.
  3. Отсоединить двухштырьковый соединитель мотора стеклоподъемника в двери.
  4. Закрепить проводную перемычку между отрицательной клеммой батареи и одной из клемм в двухштырьковом разъеме мотора стеклоподъемника.
  5. Закрепить проводную перемычку между положительной клеммой батареи и оставшейся клеммой в двухштырьковом разъеме мотора электрического стеклоподъемника. Пока мотор не окажется в конце своего хода, электрический стеклоподъемник должен двигаться с прикрепленными перемычками.
  6. Чтобы переместить электрический стеклоподъемник в обратном направлении, нужно поменять соединения проводных перемычек на разъеме мотора электрического двигателя.
Электрический стеклоподъемник работает в обоих направлениях, если мотор приводится в работу непосредственно от батареи?

Важно: Чтобы избежать перегорания предохранителя в проводной перемычке, не прикасайтесь одновременно к обеим перемычкам.

-
Перейти на Шаг 20
Перейти на Шаг 19
19
Заменить мотор электрического стеклоподъемника.
Ремонт закончен?
-
Система в норме
-
20
  1. Проверить, выключен ли блокиратор стеклоподъемника на главном переключателе.
  2. Установите зажигание в положение on.
  3. На разъеме переключателя заднего стеклоподъемника проверить напряжение на клемме 14.
Равно ли напряжение указанному значению?
11-14 В
Перейдите на Шаг 21
Перейдите на Шаг 29
21
  1. На двухштырьковом разъеме мотора электрического стеклоподъемника с помощью омметра измерить сопротивление мотора электрического стеклоподъемника. Снять показание сопротивления.
  2. Присоединить двухштырьковый разъем мотора электрического стеклоподъемника.
  3. Отсоединить разъем переключателя заднего стеклоподъемника.
  4. С помощью омметра измерить сопротивление между клеммами 12 и 7 разъема переключателя заднего стеклоподъемника.
Сопротивление, измеренное на разъеме переключателя заднего стеклоподъемника, равно сопротивлению, измеренному ранее на разъеме мотора заднего стеклоподъемника?
-
Перейдите на Шаг 23
Перейдите на Шаг 22
22
Отремонтировать разомкнутую цепь между переключателем заднего стеклоподъемника и разъемом мотора заднего стеклоподъемника.
Ремонт закончен?
-
Система в норме
-
23
  1. Снять переключатель заднего стеклоподъемника для испытаний.
  2. Соединить омметр между клеммами 9 и 12 переключателя заднего стеклоподъемника и снять показания омметра.
  3. Соединить омметр между клеммами 8 и 7 переключателя заднего стеклоподъемника и снять показания омметра.
Показывает ли вольтметр указанное значение при обоих испытаниях?
≈ 0 Ом
Перейдите на Шаг 25
Перейдите на Шаг 24
24
Заменить переключатель заднего электрического стеклоподъемника.
Ремонт закончен?
-
Система в норме
-
25
  1. После снятия переключателя заднего стеклоподъемника для испытаний соедините омметр между клеммами 14 и 12 и установите переключатель в положение down. Снять показания омметра.
  2. Соединить омметр между клеммами 14 и 7 , поставить переключатель в положение up и снять показания омметра.
Показывает ли вольтметр указанное значение при обоих испытаниях?
≈ 0 Ом
Перейдите на Шаг 26
Перейдите на Шаг 24
26
  1. Присоединить разъем переключателя заднего стеклоподъемника.
  2. Отсоединить электрический разъем от главного переключателя электрического стеклоподъемника.
  3. С помощью омметра измерить сопротивление на главном переключателе электрического стеклоподъемника между клеммами 6 и 4, если вы проверяете левый задний стеклоподъемник, или клеммами 3 и 1, если вы проверяете правый задний стеклоподъемник.
Сопротивление равно значению, полученному ранее на разъеме мотора?
-
Перейдите на Шаг 28
Перейдите на Шаг 27
27
Отремонтировать разомкнутую цепь между главным переключателем электрического стеклоподъемника и переключателем заднего стеклоподъемника.
Ремонт закончен?
-
Система в норме
-
28
Заменить главный переключатель электрического стеклоподъемника.
Ремонт закончен?
-
Система в норме
-
29
  1. Снять главный переключатель электрического стеклоподъемника, но не отсоединять электрический разъем.
  2. Проверить, выключен ли блокиратор стеклоподъемника.
  3. Установите зажигание в положение on.
  4. Проверить напряжение на клемме 10 главного переключателя электрического стеклоподъемника.
Равно ли напряжение указанному значению?
11-14 В
Перейдите на Шаг 27
Перейдите на Шаг 28

Перепрограммирование электродвигателей стеклоподъемников

Конструкция электродвигателя стеклоподъемника в сборе со стороны водителя позволяет запоминать шаги закрытия и открытия.
Если производилась замена или разборка-сборка электродвигателя стеклоподъемника в сборе со стороны водителя, его требуется сразу перепрограммировать для правильной работы функции безопасности. Это можно сделать с помощью манипуляций переключателем стеклоподъемника со стороны водителя. Если не выполнить процедуру перепрограммирования, то стекло со стороны водителя не будет автоматически закрываться.
Следующие шаги объясняют, как перепрограммировать электродвигатель стеклоподъемника в сборе со стороны водителя:
  1. Нажмите переключатель стеклоподъемника со стороны водителя до тех пор, пока стекло не будет находиться на 100 мм ниже верхней части рамы.
  2. Потяните переключатель стеклоподъемника со стороны водителя к первой стадии положения поднимания "Up" и удерживайте его до полного подъема стекла.

Важно: Не дотягивать переключатель стеклоподъемника до второй стадии положения поднимания "Up".

  1. Продолжайте удерживать переключатель стеклоподъемника в течение примерно 3 секунд после остановки электродвигателя стеклоподъемника.
  2. Теперь электродвигатель стеклоподъемника в сборе со стороны водителя запрограммирован на функцию безопасности.
  3. Подтвердить процедуру перепрограммирования, выполнив операцию автоматического поднимания.

ТЕХНИЧЕСКОЕ ОБСЛУЖИВАНИЕ И РЕМОНТ

ТЕХНИЧЕСКОЕ ОБСЛУЖИВАНИЕ БЕЗ ДЕМОНТАЖА С АВТОМОБИЛЯ



S6B19P01
Показать иллюстрациюПеревод текста в иллюстрациях


Направляющая стекла передней двери

Процедура снятия

  1. Снять наружное зеркало заднего вида. Перейти к раздела 9L, Стекла и зеркала.
  2. Снять стекло передней двери. Перейти к раздела 9L, Стекла и зеркала.
  3. Снять направляющую стекла.


S6B19P01
Показать иллюстрациюПеревод текста в иллюстрациях


Процедура установки

  1. Установить направляющую стекла.
  2. Установить стекло передней двери. Перейти к раздела 9L, Стекла и зеркала.
  3. Установить наружное зеркало заднего вида. Перейти к раздела 9L, Стекла и зеркала.


S6B19P02
Показать иллюстрациюПеревод текста в иллюстрациях


Направляющая стекла задней двери

Процедура снятия

  1. Снять стекло задней двери. Перейти к раздела 9L, Стекла и зеркала.
  2. Снять внутреннюю и наружную декоративную отделку задней двери.
  3. Снять направляющую стекла.


S6B19P02
Показать иллюстрациюПеревод текста в иллюстрациях


Процедура установки

  1. Установить направляющую стекла.
  2. Установить внутреннюю и наружную декоративную отделку задней двери.
  3. Установить стекло задней двери. Перейти к раздела 9L, Стекла и зеркала.


S6B19P03
Показать иллюстрациюПеревод текста в иллюстрациях


Дополнительный уплотнитель передней двери

Процедура снятия

  1. Снять наружное зеркало заднего вида. Перейти к раздела 9L, Стекла и зеркала.
  2. Снять дополнительный уплотнитель передней двери.


S6B19P03
Показать иллюстрациюПеревод текста в иллюстрациях


Процедура установки

  1. Установить дополнительный уплотнитель передней двери.
  2. Установить наружное зеркало заднего вида. Перейти к раздела 9L, Стекла и зеркала.


S6B19P04
Показать иллюстрациюПеревод текста в иллюстрациях


Дополнительный уплотнитель задней двери

Процедура снятия

  1. Снять внутреннюю и наружную декоративную отделку задней двери.
  2. Снять дополнительный уплотнитель задней двери.


S6B19P04
Показать иллюстрациюПеревод текста в иллюстрациях


Процедура установки

  1. Установить дополнительный уплотнитель задней двери.
  2. Установить внутреннюю и наружную декоративную отделку задней двери.


T3B19P08
Показать иллюстрациюПеревод текста в иллюстрациях


Фиксатор замка двери

Процедура снятия

  1. Снять винты и фиксатор замка двери.


T3B19P08
Показать иллюстрациюПеревод текста в иллюстрациях


Процедура установки

    Примечание: Непосредственный контакт разнородных металлов может привести к быстрой коррозии. Во избежание преждевременной коррозии используйте надлежащий крепеж.

  1. Установить винты и фиксатор замка двери.
  2. Затянуть
    Затянуть винты фиксатора замка двери с усилием 24 Н•м (18 фунт-футов).

Регулировка фиксатора замка двери

Примечание: Фиксатор замка двери является важной крепежной деталью, которая может оказывать влияние на работу жизненно значимых компонентов и систем и может вызывать расходы, связанные с капитальным ремонтом. Если необходима замена, то фиксатор замка двери должен быть заменен на фиксатор с таким же номером детали или аналогичную деталь. Не пользоваться для замены деталью более низкого качества или подменной деталью. Указанные значения крутящего момента должны использоваться во время повторной сборки, чтобы обеспечить надлежащее крепление детали.

Фиксатор замка двери состоит из фиксатора с двумя винтами, которые ввинчиваются в секционную плавающую пластину сепаратора, расположенную в соответствующей стойке кузова. Эта плавающая пластина сепаратора позволяет легко регулировать фиксатор внутрь-наружу или вверх-вниз. Дверь блокируется в закрытом положении, когда вилка дверного замка освобождается и приводит к зацеплению с фиксатором.


T3B19P08
Показать иллюстрациюПеревод текста в иллюстрациях


Регулировка вперед/назад

  1. Дверь должна быть выровнена надлежащим образом.
  2. Закрыть дверь до контакта вилки замка с фиксатором.
  3. Встать рядом с дверным проемом и медленно перемещать дверь внутрь и наружу, каждый раз едва прикасаясь к фиксатору.
  4. Выравнивание вилки замка и фиксатора можно легко увидеть. Вилка замка должна находиться в перпендикулярном положении и попадать возле середины фиксатора между средней стойкой и торцом фиксатора.


  5. T3B19P08
    Показать иллюстрациюПеревод текста в иллюстрациях


  6. Если требуется регулировка вперед или назад, выполнить следующие действия:
    1. Снять винты фиксатора.
    2. Чтобы переместить фиксатор в направлении задней части автомобиля, удалить прокладку.
    3. Чтобы переместить фиксатор в направлении передней части автомобиля, добавить прокладку 2 мм (0,08 дюйма).
    4. Установить винты фиксатора.
  7. Произвести регулировку вверх/вниз или внутрь/наружу. См. "Регулировка вверх/вниз или внутрь/наружу" в этом разделе.


T3B19P08
Показать иллюстрациюПеревод текста в иллюстрациях


Регулировка вверх/вниз или внутрь/наружу

    Регулировка фиксатора в направлении вверх/вниз или внутрь/наружу может понадобиться по нескольким причинам:
    Чтобы отрегулировать фиксатор двери в направлении вверх/вниз или внутрь/наружу, выполнить следующие действия:
  1. Дверь должна быть выровнена надлежащим образом.
  2. Дверь должна быть выровнена надлежащим образом.
  3. Ослабить винты фиксатора.
  4. Плавающая сетчатая пластина может быть слегка подвинута с помощью кончиков винтов фиксатора. Передвинуть плавающую сетчатую пластину в нужное положение.
  5. Примечание: Чтобы не повредить секционную плавающую пластину сепаратора, важно использовать вращающийся надфиль с плоской головкой. Винты фиксатора и секционированная сетчатая пластина являются важными крепежными деталями, которые могут оказывать влияние на работу жизненно значимых компонентов и систем.

  6. Если для надлежащей регулировки необходимо переместить плавающую пластину сепаратора на расстояние, превышающее возможное, то использовать ручную электродрель и 3/8-дюймовый вращающийся надфиль с плоской головкой, чтобы увеличить проем кузова в нужном направлении.
  7. Затянуть винты фиксатора до нужного положения.
  8. Затянуть
    Затянуть винты фиксатора замка двери с усилием 20 Н•м (15 фунт-футов).



T3B19L20
Показать иллюстрациюПеревод текста в иллюстрациях


Замок передней двери

Процедура снятия

  1. Отсоедините провод от отрицательного вывода аккумуляторной батареи.
  2. Снять декоративную накладку уплотнителя. Перейти к "Декоративная накладка уплотнителя двери"в этом разделе.
  3. Отсоединить внутреннюю ручку двери и тяги замка.


  4. S6B19P05
    Показать иллюстрациюПеревод текста в иллюстрациях


  5. Отсоединить наружную ручку двери и тяги замка.


  6. S6B19P06
    Показать иллюстрациюПеревод текста в иллюстрациях


  7. Снять наружную ручку двери.


  8. S6B19P07
    Показать иллюстрациюПеревод текста в иллюстрациях


  9. Снять болты и направляющую рельсу.
  10. Снять винты и замок передней двери.
  11. Отсоединить электрический разъем.


S6B19P07
Показать иллюстрациюПеревод текста в иллюстрациях


Процедура установки

  1. Подсоединить электрический разъем.
  2. Присоединить внутреннюю ручку двери и тяги замка.
  3. Присоединить наружную ручку двери и тяги замка.
  4. Примечание: Непосредственный контакт разнородных металлов может привести к быстрой коррозии. Во избежание преждевременной коррозии используйте надлежащий крепеж.

  5. Установить замок передней двери с помощью винтов.
  6. Затянуть
    Затянуть винты замка передней двери с усилием 8 Н•м (71 фунт-дюйм).

  7. Установить направляющую рельсу с помощью болтов.
  8. Затянуть
    Затянуть болты направляющей рельсы с усилием 7 Н•м (62 фунт-дюйм).

  9. Установить декоративную накладку уплотнителя. Перейти к "Декоративная накладка уплотнителя двери"в этом разделе.
  10. Присоедините провод к отрицательному выводу аккумуляторной батареи.


S6B19P08
Показать иллюстрациюПеревод текста в иллюстрациях


Замок задней двери с блокировкой от детей

Процедура снятия

  1. Отсоедините провод от отрицательного вывода аккумуляторной батареи.
  2. Снять декоративную накладку уплотнителя двери. Перейти к "Декоративная накладка уплотнителя двери"в этом разделе.
  3. Отсоединить внутреннюю ручку двери и тяги замка.


  4. S6B19P09
    Показать иллюстрациюПеревод текста в иллюстрациях


  5. Отсоединить наружную ручку двери и тяги замка.
  6. Снять болты и направляющую рельсу.


  7. T3B19P11
    Показать иллюстрациюПеревод текста в иллюстрациях


  8. Снять винты и замок.
  9. Отсоединить электрический разъем.
  10. Отсоединить тяги замка на замке.


T3B19P11
Показать иллюстрациюПеревод текста в иллюстрациях


Процедура установки

    Примечание: Непосредственный контакт разнородных металлов может привести к быстрой коррозии. Во избежание преждевременной коррозии используйте надлежащий крепеж.

  1. Установить замок задней двери с помощью винтов.
  2. Затянуть
    Затянуть винты замка задней двери с усилием 8 Н•м (71 фунт-дюйм).



    S6B19P09
    Показать иллюстрациюПеревод текста в иллюстрациях


  3. Подсоединить электрический разъем.
  4. Установить направляющую рельсу с помощью болтов.
  5. Затянуть
    Затянуть болты направляющей рельсы с усилием 7 Н•м (62 фунт-дюйм).

  6. Присоединить наружную ручку двери и тяги замка.


  7. T3B19L20
    Показать иллюстрациюПеревод текста в иллюстрациях


  8. Присоединить внутреннюю ручку двери и тяги замка.
  9. Установить декоративную накладку уплотнителя двери. Перейти к "Декоративная накладка уплотнителя двери"в этом разделе.
  10. Присоедините провод к отрицательному выводу аккумуляторной батареи.


S6B19P10
Показать иллюстрациюПеревод текста в иллюстрациях


Внутренняя ручка двери

Процедура снятия

  1. Снять декоративную накладку уплотнителя двери. Перейти к "Декоративная накладка уплотнителя двери"в этом разделе.
  2. Снять винт, крепящий дверную ручку к двери.
  3. Отсоединить внутреннюю ручку двери и тяги замка.


S6B19P10
Показать иллюстрациюПеревод текста в иллюстрациях


Процедура установки

  1. Присоединить внутреннюю ручку двери и тяги замка.
  2. Вставить внутреннюю ручку в пазы в двери.
  3. Примечание: Непосредственный контакт разнородных металлов может привести к быстрой коррозии. Во избежание преждевременной коррозии используйте надлежащий крепеж.

  4. Установить винт внутренней ручки двери.
  5. Затянуть
    Затянуть винт внутренней ручки двери с усилием 3 Н•м (27 фунт-фут).

  6. Установить декоративную накладку уплотнителя двери. Перейти к "Декоративная накладка уплотнителя двери"в этом разделе.


T3B19L20
Показать иллюстрациюПеревод текста в иллюстрациях


Внутренняя тяга замка

Процедура снятия

  1. Снять внутреннюю ручку двери. Перейти к "Внутренняя ручка двери"в этом разделе.
  2. Отсоединить внутренние тяги замка от ручки двери и замка.


T3B19L20
Показать иллюстрациюПеревод текста в иллюстрациях


Процедура установки

  1. Присоединить внутренние тяги замка к ручке двери и замку.
  2. Установить внутреннюю ручку двери. Перейти к "Внутренняя ручка двери"в этом разделе.


S6B19P05
Показать иллюстрациюПеревод текста в иллюстрациях


Наружная ручка двери

Процедура снятия

  1. Снять декоративную накладку уплотнителя двери. Перейти к "Декоративная накладка уплотнителя двери"в этом разделе.
  2. Отсоединить наружную ручку двери и тяги замка.
  3. Снять болты и ручку двери.


S6B19P06
Показать иллюстрациюПеревод текста в иллюстрациях


Процедура установки

  1. Присоединить наружную ручку двери и тяги замка.
  2. Примечание: Непосредственный контакт разнородных металлов может привести к быстрой коррозии. Во избежание преждевременной коррозии используйте надлежащий крепеж.

  3. Установить дверную ручку с помощью болтов.
  4. Затянуть
    Затянуть болты наружной дверной ручки с усилием 4,5 Н•м (40 фунт-дюймов).

  5. Установить декоративную накладку уплотнителя двери. Перейти к "Декоративная накладка уплотнителя двери"в этом разделе.


S6B19P14
Показать иллюстрациюПеревод текста в иллюстрациях


Личинка замка двери

Процедура снятия

  1. Снять декоративную накладку уплотнителя двери. Перейти к "Декоративная накладка уплотнителя двери"в этом разделе.
  2. Отсоединить наружную ручку двери и тяги замка.
  3. Снять фиксатор и цилиндр замка.


T3B19L20
Показать иллюстрациюПеревод текста в иллюстрациях


Управление электрическим стеклоподъемником

Процедура снятия

  1. Отсоедините провод от отрицательного вывода аккумуляторной батареи.
  2. Снять стекло двери. Перейти к раздела 9L, Стекла и зеркала.
  3. Снять гайки и стеклоподъемник.
  4. Отсоединить электрический разъем.


T3B19L20
Показать иллюстрациюПеревод текста в иллюстрациях


Процедура установки

  1. Подсоединить электрический разъем.
  2. Примечание: Непосредственный контакт разнородных металлов может привести к быстрой коррозии. Во избежание преждевременной коррозии используйте надлежащий крепеж.

  3. Установить стеклоподъемник с помощью гаек.
  4. Затянуть
    Затянуть гайки стеклоподъемника с усилием 7 Н•м (62 фунт-дюйм).

  5. Установить стекло передней двери. Перейти к раздела 9L, Стекла и зеркала.
  6. Присоедините провод к отрицательному выводу аккумуляторной батареи.
  7. Внимание! Если автомобиль оборудован функцией реагирования на одно касание, и заменялось управление электрическим стеклоподъемником со стороны водителя, выполните процесс перепрограммирования электродвигателя стеклоподъемника.



T3B19L20
Показать иллюстрациюПеревод текста в иллюстрациях


Передний механический стеклоподъемник

Процедура снятия

  1. Снять стекло передней двери. Перейти к раздела 9L, Стекла и зеркала.
  2. Снять гайки и стеклоподъемник.


T3B19L20
Показать иллюстрациюПеревод текста в иллюстрациях


Процедура установки

    Примечание: Непосредственный контакт разнородных металлов может привести к быстрой коррозии. Во избежание преждевременной коррозии используйте надлежащий крепеж.

  1. Установить стеклоподъемник и гайки.
  2. Затянуть
    Затянуть гайки стеклоподъемника с усилием 7 Н•м (62 фунт-дюйм).

  3. Установить стекло передней двери. Перейти к раздела 9L, Стекла и зеркала.


S6B19P08
Показать иллюстрациюПеревод текста в иллюстрациях


Задний механический стеклоподъемник

Процедура снятия

  1. Снять стекло задней двери. Перейти к раздела 9L, Стекла и зеркала.
  2. Снять гайки и стеклоподъемник.


S6B19P08
Показать иллюстрациюПеревод текста в иллюстрациях


Процедура установки

    Примечание: Непосредственный контакт разнородных металлов может привести к быстрой коррозии. Во избежание преждевременной коррозии используйте надлежащий крепеж.

  1. Установить стеклоподъемник с помощью гаек.
  2. Затянуть
    Затянуть гайки стеклоподъемника с усилием 7 Н•м (62 фунт-дюйм).

  3. Установить стекло задней двери. Перейти к раздела 9L, Стекла и зеркала.


S6B19P13
Показать иллюстрациюПеревод текста в иллюстрациях


Узел передней двери

Процедура снятия

  1. Отсоедините провод от отрицательного вывода аккумуляторной батареи.
  2. Снять фиксатор открытого положения двери. См. "Фиксатор открытого положения двери" в этом разделе.
  3. Снять резиновую втулку крепления кузова к двери и электрические провода.
  4. С помощью другого механика снять болты и переднюю дверь.


  5. T3B19P16
    Показать иллюстрациюПеревод текста в иллюстрациях


  6. Отсоединить резиновую втулку между кузовом и дверью и электрический разъем.


T3B19P16
Показать иллюстрациюПеревод текста в иллюстрациях


Процедура установки

  1. Соединить электрический разъем и резиновую втулку крепления кузова к двери.


  2. S6B19P13
    Показать иллюстрациюПеревод текста в иллюстрациях


    Примечание: Непосредственный контакт разнородных металлов может привести к быстрой коррозии. Во избежание преждевременной коррозии используйте надлежащий крепеж.

  3. С помощью другого механика слегка закрепить переднюю дверь болтами.
  4. Отрегулировать посадку двери.
  5. Затянуть
    Затянуть болты, крепящие дверную петлю к кузову, с усилием 20 Н•м (15 фунт-футов).
    Затянуть болты, крепящие дверную петлю к двери, с усилием 20 Н•м (15 фунт-футов).

  6. Установить фиксатор открытого положения двери. См. "Фиксатор открытого положения двери" в этом разделе.
  7. Присоедините провод к отрицательному выводу аккумуляторной батареи.
  8. Выполнить испытание на герметичность. Перейти к раздела 9I, Протекание воды.
  9. Проверить на наличие шума ветра. Перейти к раздела 9J, Шум ветра.


S6B19P11
Показать иллюстрациюПеревод текста в иллюстрациях


Задняя дверь в сборе

Процедура снятия

  1. Отсоедините провод от отрицательного вывода аккумуляторной батареи.
  2. Снять фиксатор открытого положения двери. См. "Фиксатор открытого положения двери" в этом разделе.
  3. С помощью другого механика снять болты и заднюю дверь.


  4. T3B19P18
    Показать иллюстрациюПеревод текста в иллюстрациях


  5. Отсоединить резиновую втулку между кузовом и дверью и электрический разъем.


T3B19P18
Показать иллюстрациюПеревод текста в иллюстрациях


Процедура установки

  1. Соединить электрический разъем и резиновую втулку крепления кузова к двери.


  2. S6B19P11
    Показать иллюстрациюПеревод текста в иллюстрациях


    Примечание: Непосредственный контакт разнородных металлов может привести к быстрой коррозии. Во избежание преждевременной коррозии используйте надлежащий крепеж.

  3. С помощью другого механика слегка закрепить заднюю дверь болтами.
  4. Отрегулировать посадку двери.
  5. Затянуть
    Затянуть болты, крепящие дверную петлю к кузову, с усилием 20 Н•м (15 фунт-футов).
    Затянуть болты, крепящие дверную петлю к двери, с усилием 20 Н•м (15 фунт-футов).

  6. Установить фиксатор открытого положения задней двери. См. "Фиксатор открытого положения двери" в этом разделе.
  7. Присоедините провод к отрицательному выводу аккумуляторной батареи.
  8. Выполнить испытание на герметичность. Перейти к раздела 9I, Протекание воды.
  9. Проверить на наличие шума ветра. Перейти к раздела 9J, Шум ветра.


S6B19P11
Показать иллюстрациюПеревод текста в иллюстрациях


Дверная петля

Процедура снятия

  1. С помощью другого механика снять болты и петлю с двери и кузова.


S6B19P11
Показать иллюстрациюПеревод текста в иллюстрациях


Процедура установки

    Примечание: Непосредственный контакт разнородных металлов может привести к быстрой коррозии. Во избежание преждевременной коррозии используйте надлежащий крепеж.

  1. С помощью другого механика установить петлю на дверь и кузов с помощью болтов.
  2. Затянуть
    Затянуть болты, крепящие дверную петлю к кузову, с усилием 20 Н•м (15 фунт-футов).
    Затянуть болты, крепящие дверную петлю к двери, с усилием 20 Н•м (15 фунт-футов).



T3B19P19
Показать иллюстрациюПеревод текста в иллюстрациях


Фиксатор открытого положения двери.

Процедура снятия

  1. Снять панель обивки двери. См. Раздел 9G, Облицовка салона.
  2. Повторно установить декоративную накладку уплотнителя двери.
  3. Снять болты на двери и кузове.
  4. Снять фиксатор открытого положения двери.


T3B19P19
Показать иллюстрациюПеревод текста в иллюстрациях


Процедура установки

    Примечание: Непосредственный контакт разнородных металлов может привести к быстрой коррозии. Во избежание преждевременной коррозии используйте надлежащий крепеж.

  1. Установить фиксатор открытого положения двери на дверь и кузов с помощью болтов.
  2. Затянуть
    Затянуть болты крепления фиксатора открытого положения двери к кузову с усилием 35 Н•м (26 фунт-фут).
    Затянуть болты крепления фиксатора открытого положения двери к кузову с усилием 5 Н•м (44 фунт-дюйм).

  3. Повторно установить декоративную накладку уплотнителя двери.
  4. Установить панель обивки двери. См. Раздел 9G, Облицовка салона.


S6B19P12
Показать иллюстрациюПеревод текста в иллюстрациях


Внутренний молдинг желобка

Процедура снятия

  1. Снять панель обивки двери. См. Раздел 9G, Облицовка салона.
  2. Разогнуть фиксирующие выступы, чтобы открепить молдинг желобка от панели обивки двери.
  3. Снять молдинг желобка.


S6B19P12
Показать иллюстрациюПеревод текста в иллюстрациях


Процедура установки

  1. Установить молдинг желобка в панель обивки двери.
  2. Загнуть фиксирующие выступы, чтобы прикрепить молдинг желобка к панели обивки двери.
  3. Установить панель обивки двери. См. Раздел 9G, Облицовка салона.


S6B19P01
Показать иллюстрациюПеревод текста в иллюстрациях


Внешний молдинг желобка

Процедура снятия

  1. Полностью опустить стекло.
  2. Снять внешний молдинг желобка с двери.


S6B19P01
Показать иллюстрациюПеревод текста в иллюстрациях


Процедура установки

  1. Путем нажатия установить внешний молдинг желобка на дверь.
  2. Поднять стекло.


S6B19P03
Показать иллюстрациюПеревод текста в иллюстрациях


Уплотнитель двери

Процедура снятия

  1. Снять болт крепления фиксатора открытого положения двери к кузову.
  2. Снять уплотнитель двери.


S6B19P03
Показать иллюстрациюПеревод текста в иллюстрациях


Процедура установки

  1. Установить уплотнитель двери.
  2. Примечание: Непосредственный контакт разнородных металлов может привести к быстрой коррозии. Во избежание преждевременной коррозии используйте надлежащий крепеж.

  3. Установить фиксатор открытого положения двери к кузову с помощью болта.
  4. Затянуть
    Затянуть болт крепления фиксатора открытого положения двери к кузову до 35 Н•м (26 фунт-фут).



T3B19P21
Показать иллюстрациюПеревод текста в иллюстрациях


Декоративная накладка уплотнителя двери

Процедура снятия

  1. Снять панель обивки двери. См. Раздел 9G, Облицовка салона.
  2. Снять винты и кронштейн тяги двери.
  3. Снять декоративную накладку уплотнителя двери.


T3B19P21
Показать иллюстрациюПеревод текста в иллюстрациях


Процедура установки

  1. Установить декоративную накладку уплотнителя двери.
  2. Примечание: Непосредственный контакт разнородных металлов может привести к быстрой коррозии. Во избежание преждевременной коррозии используйте надлежащий крепеж.

  3. Установить кронштейн тяги двери с помощью винтов.
  4. Затянуть
    Затянуть винты кронштейна тяги двери с усилием 3,5 Н•м (31 фунт-дюйм).

  5. Установить панель обивки двери. См. Раздел 9G, Облицовка салона.


S6B19P04
Показать иллюстрациюПеревод текста в иллюстрациях


Уплотнитель дверного проема

Процедура снятия

  1. Снять уплотнитель дверного проема.


S6B19P04
Показать иллюстрациюПеревод текста в иллюстрациях


Процедура установки

  1. Установить уплотнитель дверного проема.


T3B19P23
Показать иллюстрациюПеревод текста в иллюстрациях


Ручка механического стеклоподъемника

Процедура снятия

  1. Вдавить пластиковое кольцо за ручку стеклоподъемника в направлении двери, чтобы обнажить металлический фиксатор.
  2. Поддеть и снять металлический фиксатор.
  3. Снять ручку стеклоподъемника и пластиковое кольцо.


T3B19P23
Показать иллюстрациюПеревод текста в иллюстрациях


Процедура установки

  1. Установить пластиковое кольцо.
  2. Установить ручку стеклоподъемника.
  3. Вставить металлический фиксатор.

ОБЩЕЕ ОПИСАНИЕ И РАБОТА СИСТЕМЫ

Фиксатор замка двери

Фиксаторы замка передних и задних дверей состоят из фиксатора с двумя винтами, вворачиваемыми в плавающую сетчатую пластину в средних стойках и задних стойках. Дверь закрепляется в закрытом положении, когда вилка дверного замка освобождается и приходит в зацепление с фиксатором.

Замок задней двери с блокировкой от детей

Замки задних дверей с блокировкой от детей помогают предотвращать открытие задних дверей автомобиля изнутри пассажирами, особенно детьми.
Чтобы активировать замки дверей, переместить рычаги обеих задних дверей в положение блокировки и закрыть обе двери. Теперь задние пассажиры не смогут открыть двери изнутри автомобиля.
Чтобы деактивировать замки, нужно разблокировать двери изнутри автомобиля и открыть их снаружи. Переместить рычаг в положение "открыто". Теперь задние двери будут работать нормально.

Дверные замки с электроприводом

В дверных замках с электроприводом используется электромагнитный клапан (соленоид), который содержится в каждом дверном замке. Дверные замки приводятся в действие с помощью привода на внутренней ручке двери или с помощью цилиндра замка, находящегося только со стороны водительской двери. Если водительская дверь запирается или отпирается с помощью привода или цилиндра замка, то соответственно запираются или отпираются все двери.

Электрические стеклоподъемники

Электрические стеклоподъемники управляются электрическими переключателями на консоли и приводятся в действие электродвигателем на каждом стеклоподъемнике. Стекла опускаются путем нажатия переключателя и поднимаются путем вытягивания переключателя. Стекло перестает двигаться при отпускании переключателя или когда стекло полностью открыто или закрыто.


На предыдущую страницу На следующую страницу
https://vnx.su/ 🛠 Руководства по ремонту и эксплуатации для автомобилей

Поиск по сайту

Остались вопросы или пожелания? Пишите на почту: support@vnx.su

Карта Сайта