К началу документа
Aveo
На предыдущую страницу На следующую страницу
Главная страница GMDE Загрузить нединамическое оглавление Загрузить динамическое оглавление Помощь

РАЗДЕЛ 9E

ПРИБОРЫ / СИСТЕМА ИНФОРМИРОВАНИЯ ВОДИТЕЛЯ

Внимание! Отсоедините провод от отрицательного вывода аккумулятора, прежде чем снимать или устанавливать какие-либо электрические устройства, а также в ситуации, когда есть возможность касания оголенных электрических контактов каким-либо инструментом или приспособлением. Отсоединение этого провода позволяет избежать травм и повреждения оборудования автомобиля. Кроме того, если не указано иное, зажигание должно находиться в положении LOCK.

ТЕХНИЧЕСКИЕ ХАРАКТЕРИСТИКИ

Моменты затяжки резьбовых соединений

ПРОГРАММА
Н•м
фунт-фут
фунт-дюйм
Винты направляющей заслонки для воздуха
2
-
18
Винты часов
3
-
27
Болты коленного буфера водителя
10
-
89
Болты скобы напольной консоли
4
-
35
Гайки скобы напольной консоли
4
-
35
Винты органов управления системой отопления, вентиляции и кондиционирования
4
-
35
Винты комбинации приборов
4
-
35
Винты щитка панели приборов
4
-
35
Концевые болты панели приборов
20
15
-
Концевые винты панели приборов
4
-
35
Гайки панели приборов над рулевой колонкой
20
15
-
Болты панели приборов за органами управления системой отопления, вентиляции и кондиционирования
4
-
35
Гайка скобы рулевой колонки
22
16
-
Винты нижней отделки рулевой колонки
2.5
-
22
Гайки u-образной скобы рулевой колонки
22
16
-
Винты верхней отделки рулевой колонки
3
-
27

Технические характеристики контрольных ламп комбинации приборов

Контрольная лампа
Цвет
Лампа
Предупреждение антиблокировочной системы
Желтый
14 В 1,4 Вт
Предупреждение о подушке безопасности
Красный
14 В 1,4 Вт
Индикатор заряда аккумуляторной батареи
Красный
14 В 1,4 Вт
Проверить двигатель
Желтый
14 В 1,4 Вт
Предупреждение об открытии дверей
Красный
14 В 1,4 Вт
Перегрев двигателя
Красный
14 В 1,4 Вт
Предупреждение о пристегивании ремней безопасности
Красный
14 В 1,4 Вт
Индикатор дальнего света
Синий
14 В 1,4 Вт
Предупреждение о низком уровне топлива
Желтый
14 В 1,4 Вт
Предупреждение о давлении масла
Красный
14 В 1,4 Вт
Индикатор стояночного тормоза и предупреждение о тормозной жидкости
Красный
14 В 1,4 Вт
Предупреждение о предстоящем вскоре обслуживании двигателя
Желтый
14 В 1,4 Вт
Индикатор режима работы коробки передач
Желтый
14 В 1,4 Вт
Индикаторы указателей поворота
Зеленый
14 В 1,4 Вт

ПРИНЦИПИАЛЬНЫЕ И МОНТАЖНЫЕ СХЕМЫ

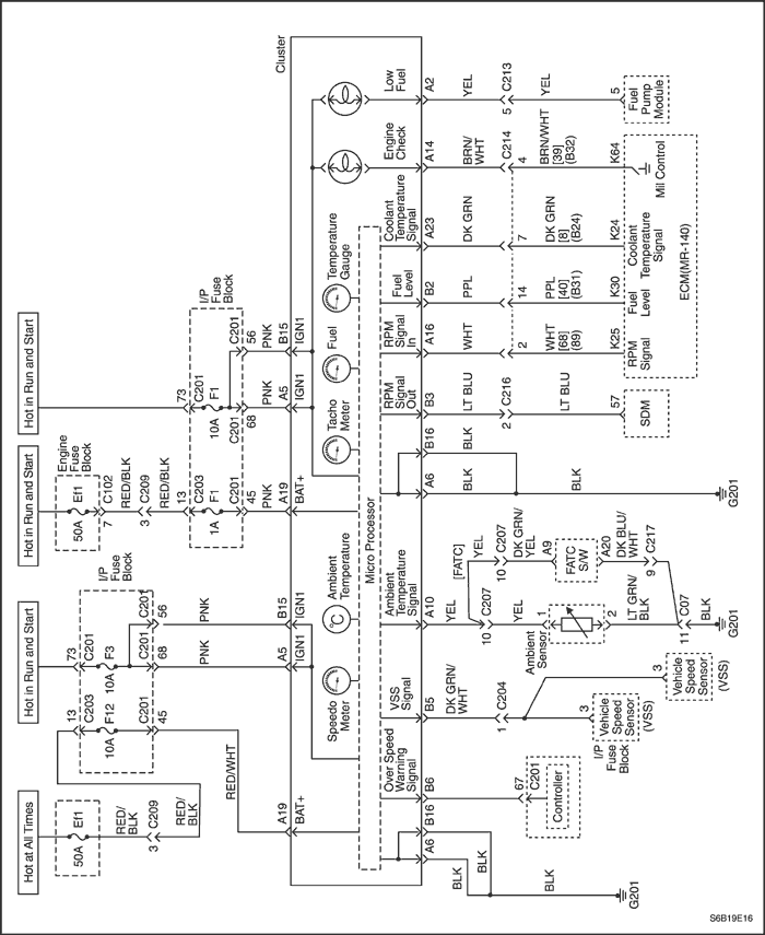
Цепь комбинации приборов - 1 из 3


S6B19E16
Показать иллюстрациюПеревод текста в иллюстрациях


Цепь комбинации приборов - 2 из 3


S6B19E17
Показать иллюстрациюПеревод текста в иллюстрациях


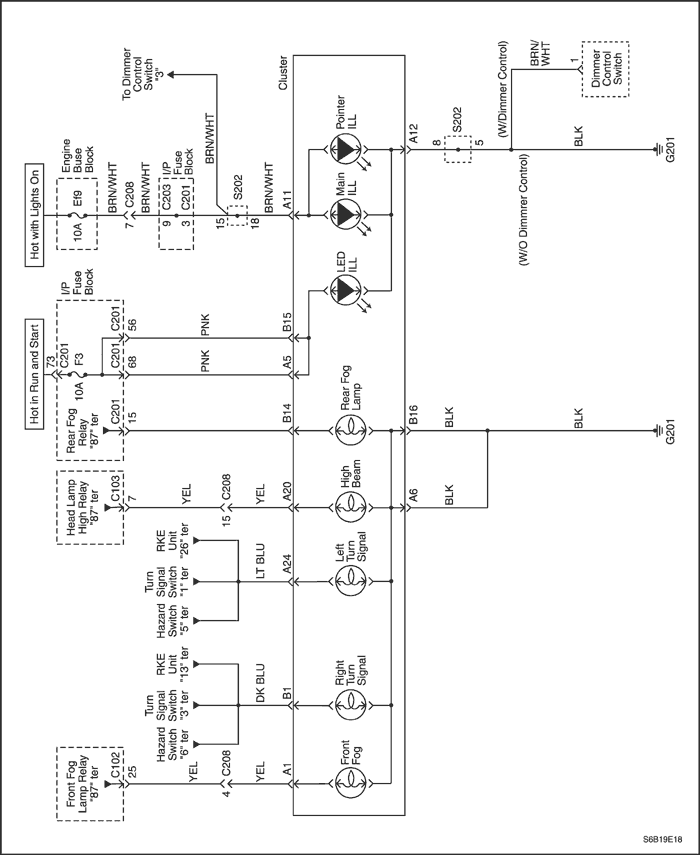
Цепь комбинации приборов - 3 из 3


S6B19E18
Показать иллюстрациюПеревод текста в иллюстрациях


Цепь часов


S6B19E19
Показать иллюстрациюПеревод текста в иллюстрациях


Цепь подсветки панели приборов - без регулятора освещения


S6B19B11
Показать иллюстрациюПеревод текста в иллюстрациях


Цепь подсветки панели приборов - с регулятором освещения


S6B19B12
Показать иллюстрациюПеревод текста в иллюстрациях


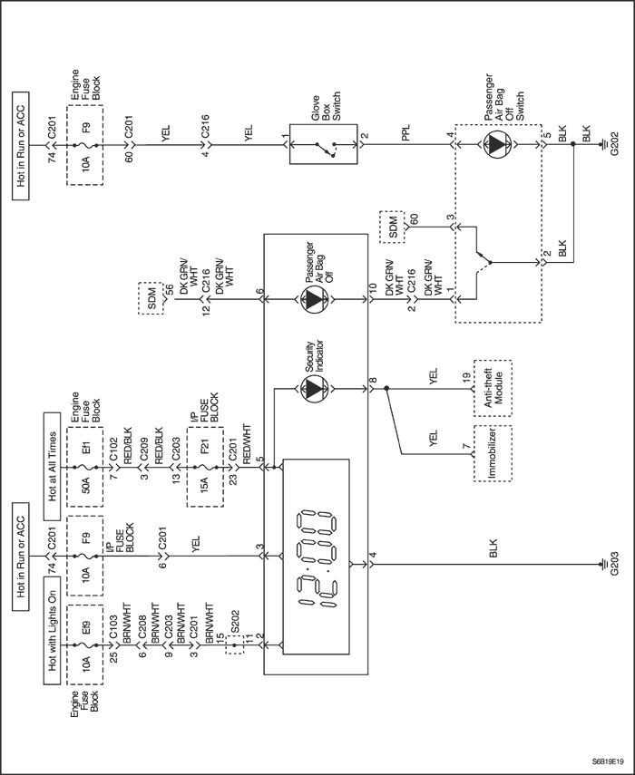
Цепь напоминания о ключе


S6B19E23
Показать иллюстрациюПеревод текста в иллюстрациях


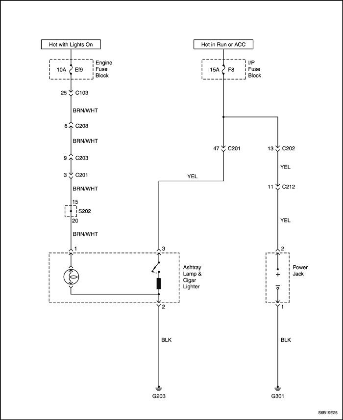
Цепь розетки и прикуривателя


S6B19E25
Показать иллюстрациюПеревод текста в иллюстрациях


ДИАГНОСТИКА

Прикуриватель

Прикуриватель не работает

Шаг Операция Значения Да Нет
1
Проверить предохранитель f8.
Перегорел ли предохранитель?
-
Перейдите на Шаг 2
Перейдите на Шаг 3
2
  1. Проверьте на предмет короткого замыкания и при необходимости устраните его.
  2. Замените предохранитель.
Ремонт закончен?
-
Система в норме
-
3
  1. Перевести ключ зажигания в положение acc.
  2. С помощью вольтметра проверить напряжение на предохранителе f8.
Соответствует ли подаваемое батареей напряжение на предохранителе f8 указанному значению?
11-14 В
Перейдите на Шаг 5
Перейдите на Шаг 4
4
Устранить разрыв цепи подачи электропитания на предохранитель f8.
Ремонт закончен?
-
Система в норме
-
5
  1. Снять электрический разъем с обратной стороны прикуривателя.
  2. Перевести ключ зажигания в положение acc.
  3. С помощью вольтметра проверить напряжение на ЖЕЛ проводе.
Соответствует ли подаваемое батареей напряжение на ЖЕЛ проводе указанному значению?
11-14 В
Перейдите на Шаг 7
Перейдите на Шаг 6
6
Устранить разрыв цепи между предохранителем f8 и прикуривателем.
Ремонт закончен?
-
Система в норме
-
7
Поместив ключ зажигания в положение acc, подключить вольтметр между ЖЕЛ и ЧЕР проводами в разъеме прикуривателя.
Соответствует ли подаваемое батареей напряжение указанному значению?
11-14 В
Перейдите на Шаг 9
Перейдите на Шаг 8
8
Устранить разрыв цепи массы.
Ремонт закончен?
-
Система в норме
-
9
Заменить прикуриватель.
Ремонт закончен?
-
Система в норме
-

Цифровые часы

Цифровые часы не работают

Шаг Операция Значения Да Нет
1
Проверить предохранители ef9, f9, ef1 и f21.
Перегорел ли предохранитель ef9, f9, ef1 или f21?
-
Перейдите на Шаг 2
Перейдите на Шаг 3
2
  1. Проверьте на предмет короткого замыкания и при необходимости устраните его.
  2. Заменить перегоревшие предохранители.
Ремонт закончен?
-
Система в норме
-
3
  1. Установите зажигание в положение on.
  2. С помощью вольтметра проверить подаваемое батареей напряжение на предохранителях ef9, f9, ef1 и f21.
Показывает ли вольтметр указанное значение?
11-14 В
Перейдите на Шаг 5
Перейдите на Шаг 4
4
Устранить разрыв цепи подачи электропитания на этот предохранитель.
Ремонт закончен?
-
Система в норме
-
5
С помощью вольтметра проверить подаваемое батареей напряжение на вывод 5 разъема часов.
Показывает ли вольтметр указанное значение?
11-14 В
Перейдите на Шаг 7
Перейдите на Шаг 6
6
Устранить разрыв цепи между выводом 5 разъема часов и предохранителем f21.
Ремонт закончен?
-
Система в норме
-
7
Установите зажигание в положение on.
Присутствует ли подаваемое батареей напряжение на выводе 3 разъема часов?
-
Перейдите на Шаг 9
Перейдите на Шаг 8
8
Устранить разрыв цепи между выводом 15 разъема часов и предохранителем f9.
Ремонт закончен?
-
Система в норме
-
9
Проверить отсутствие обрывов цепи между выводом 4 разъема часов и массой.
Показывает ли мультиметр указанное значение?
0 Ом
Перейдите на Шаг 10
Перейдите на Шаг 11
10
Заменить часы.
Ремонт закончен?
-
Система в норме
-
11
Устранить разрыв цепи между выводом 4 разъема часов и массой g203.
Ремонт закончен?
-
Система в норме
-

Подсветка панели приборов

Не работают лампы подсветки панели приборов

Шаг Операция Значения Да Нет
1
Проверить предохранитель ef9.
Перегорел ли предохранитель ef9?
-
Перейдите на Шаг 2
Перейдите на Шаг 3
2
  1. Проверьте на предмет короткого замыкания и при необходимости устраните его.
  2. Заменить перегоревший предохранитель.
Ремонт закончен?
-
Система в норме
-
3
  1. Перевести выключатель лампы во включенное положение.
  2. С помощью вольтметра проверить подаваемое батареей напряжение на предохранителе ef9.
Соответствует ли подаваемое батареей напряжение указанному значению?
11-14 В
Перейдите на Шаг 5
Перейдите на Шаг 4
4
Устранить разрыв цепи подачи электропитания на предохранитель ef9.
Ремонт закончен?
-
Система в норме
-
5
С помощью омметра проверить сопротивление между массой и ЧЕР проводом разъема переключателя регулирования освещения.
Равно ли сопротивление указанному значению?
0
Перейдите на Шаг 7
Перейдите на Шаг 6
6
Устранить разрыв цепи массы.
Ремонт закончен?
-
Система в норме
-
7
  1. Перевести выключатель лампы во включенное положение.
  2. С помощью вольтметра проверить подаваемое батареей напряжение на КОР/БЕЛ проводе разъема переключателя регулирования освещения.
Соответствует ли подаваемое батареей напряжение указанному значению?
11-14 В
Перейдите на Шаг 9
Перейдите на Шаг 8
8
Устранить разрыв цепи между КОР/БЕЛ проводом разъёма переключателя регулирования освещения и предохранителем ef9.
Ремонт закончен?
-
Система в норме
-
9
  1. Отсоединить переключатель регулирования освещения.
  2. Перевести выключатель лампы во включенное положение.
  3. С помощью вольтметра проверить подаваемое батареей напряжение на КОР/БЕЛ проводе разъема переключателя регулирования освещения.
Соответствует ли подаваемое батареей напряжение указанному значению?
11-14 В
Перейдите на Шаг 11
Перейдите на Шаг 10
10
Устранить разрыв цепи между КОР/БЕЛ проводом разъёма переключателя регулирования освещения и каждой из ламп.
Ремонт закончен?
-
Система в норме
-
11
Заменить переключатель регулирования освещения.
-
Система в норме
-

Лампа освещения положения механизма автоматической коробки передач не работает, все другие лампы приборов в порядке

Примечание: Во время проверки патрона лампы вольтметром или контрольной лампой не допускать одновременного прикосновения щупом к положительному и отрицательному контакту. Это приведет к перегоранию предохранителя.

Шаг Операция Значения Да Нет
1
Проверить предохранитель ef9.
Перегорел ли предохранитель ef9?
-
Перейдите на Шаг 2
Перейдите на Шаг 3
2
  1. Проверьте на предмет короткого замыкания и при необходимости устраните его.
  2. Заменить перегоревший предохранитель.
Ремонт закончен?
-
Система в норме
-
3
  1. Перевести выключатель лампы во включенное положение.
  2. С помощью вольтметра проверить подаваемое батареей напряжение на предохранителе ef9.
Соответствует ли подаваемое батареей напряжение указанному значению?
11-14 В
Перейдите на Шаг 5
Перейдите на Шаг 4
4
Устранить разрыв цепи электропитания для предохранителя ef9.
Ремонт закончен?
-
Система в норме
-
5
  1. Перевести выключатель лампы во включенное положение.
  2. Снять лампу индикации положения автоматической коробки передач.
  3. С помощью вольтметра проверить подаваемое батареей напряжение на патроне лампы.
Соответствует ли подаваемое батареей напряжение указанному значению?
11-14 В
Перейдите на Шаг 7
Перейдите на Шаг 6
6
Устранить разрыв цепи между патроном лампы индикации положения автоматический коробки передач и предохранителем ef9.
Ремонт закончен?
-
Система в норме
-
7
  1. Перевести выключатель лампы во включенное положение.
  2. Снять лампу индикации положения автоматической коробки передач.
  3. С помощью омметра проверить сопротивление между цепью массы и патроном лампы.
Соответствует ли сопротивление указанному значению?
≈ 0 Ом
Перейдите на Шаг 9
Перейдите на Шаг 8
8
Устранить разрыв цепи массы между патроном лампы индикации положения автоматический коробки передач и массой.
Ремонт закончен?
-
Система в норме
-
9
Заменить лампу индикации положения автоматической коробки передач.
Ремонт закончен?
-
Система в норме
-

Указатель уровня топлива

Указатель уровня топлива не работает, другие приборы и контрольные лампы исправны

Шаг Операция Значения Да Нет
1
  1. Подключить сканирующий инструмент.
  2. Проверить наличие кодов неисправности диагностики управления двигателем.
Заданы ли диагностические коды неисправности датчика скорости автомобиля?
-
Перейдите на Шаг 2
2
  1. Выключите зажигание.
  2. Отсоединить разъем модуля управления двигателем.
  3. Снимите приборную панель.
  4. Проверить отсутствие обрывов цепи между выводом k30 контроллера ЭСУД (Тип hv: b31, sirius d4: 40) и выводом комбинации приборов А19.
Показывает ли омметр указанное значение?
0 Ом
Перейдите на Шаг 4
Перейдите на Шаг 3
3
Устранить разрыв цепи между выводом А19 разъема комбинации приборов и выводом k30 контроллера ЭСУД (тип hv: b31; sirius d4: 40).
Ремонт закончен?
-
Система в норме
-
4
Заменить указатель уровня топлива.
Ремонт закончен?
-
Система в норме
-

Указатель температуры

Указатель температуры не работает, другие приборы и контрольные лампы исправны

Шаг Операция Значения Да Нет
1
Дать двигателю остыть до комнатной температуры.
Когда выключатель зажигания находится в положении on, всегда ли стрелка указателя температуры находится в крайнем верхнем положении на шкале?
-
Перейдите на Шаг 7
Перейдите на Шаг 2
2
Отсоединить электрический разъем модуля управления двигателем.
Упала ли стрелка указателя температуры в крайнее нижнее положение на шкале?
-
Перейдите на Шаг 3
3
Проверить наличие замыкания на массу между модулем управления двигателем и указателем температуры.
Присутствует ли замыкание на массу?
-
Перейдите на Шаг 4
Перейдите на Шаг 5
4
Устранить замыкание на массу.
Ремонт закончен?
-
Система в норме
-
5
Заменить указатель температуры.
Ремонт закончен?
-
Система в норме
-
6
  1. Отсоединить модуль управления двигателем.
  2. Установите зажигание в положение on.
  3. Проверить напряжение на модуле управления двигателем.
Соответствует ли напряжение указанному значению?
11-14 В
Перейдите на Шаг 9
Перейдите на Шаг 7
7
Проверить наличие разрывов цепи между модулем управления двигателем и указателем температуры.
Цепь разомкнута?
-
Перейдите на Шаг 8
Перейдите на Шаг 5
8
Устранить разрыв цепи между модулем управления двигателем и указателем температуры.
Ремонт закончен?
-
Система в норме
-
9
  1. Отсоединить модуль управления двигателем.
  2. Подсоединить проволочную перемычку между разъемом модуля управления двигателем и массой.
  3. Установите зажигание в положение on.
Переместилась ли стрелка указателя температуры в крайнее верхнее положение на шкале?
-
Перейдите на Шаг 5

Контрольные лампы комбинации приборов

Контрольные лампы панели приборов не работают

Шаг Операция Значения Да Нет
1
Проверить предохранитель f1.
Перегорел ли предохранитель f1?
-
Перейдите на Шаг 2
Перейдите на Шаг 3
2
  1. Проверьте на предмет короткого замыкания и при необходимости устраните его.
  2. Заменить перегоревший предохранитель.
Ремонт закончен?
-
Система в норме
-
3
  1. Установите зажигание в положение on.
  2. Проверить напряжение на предохранителе f1.
Соответствует ли подаваемое батареей напряжение указанному значению?
11-14 В
Перейдите на Шаг 5
Перейдите на Шаг 4
4
Устранить разрыв цепи подачи электропитания на предохранитель f1.
Ремонт закончен?
-
Система в норме
Перейдите на Шаг 3
5
  1. Снимите приборную панель.
  2. Отсоединить разъем комбинации приборов.
  3. Установите зажигание в положение on.
  4. Проверить напряжение на выводе А5.
Соответствует ли подаваемое батареей напряжение указанному значению?
11-14 В
Перейдите на Шаг 7
Перейдите на Шаг 6
6
Устранить разрыв цепи между предохранителем f1 и разъемом А5 комбинации приборов.
Ремонт закончен?
-
Система в норме
-
7
Проверить контрольные лампы комбинации приборов.
Исправны ли лампы?
-
Перейдите на Шаг 9
Перейдите на Шаг 8
8
  1. Заменить неисправные лампы.
  2. Проверить систему зарядки и убедиться в том, что генератор не дает избыточную зарядку.
  3. При необходимости отремонтировать зарядную систему.
Ремонт закончен?
-
Система в норме
-
9
Замените приборную панель.
Ремонт закончен?
-
Система в норме
-


На предыдущую страницу На следующую страницу
https://vnx.su/ 🛠 Руководства по ремонту и эксплуатации для автомобилей

Поиск по сайту

Остались вопросы или пожелания? Пишите на почту: support@vnx.su

Карта Сайта